7 КЛАСС.
№1 жұмыс.
Өлшеуіш цилиндр (мензурка)бөліктерінің құнын анықтау. Дененің көлемін өлшеу.
Жұмыстың мақсаты: Өлшеуіш цилиндрді мысалға ала отырып, аспаптар шкалалары бөліктерінің құнын анықтау; оларды қолдануды үйрену және өлшеуіш цилиндрді пайдаланып, дененлердің көлемін өлшеу.
Құрал – жабдықтар: Өлшеуіш цилиндр(мензурка) , су құйылған тос-таған, жіңішке жіп, әр түрлі ыдыстар мен денелер (гайка, өшіргіш,т.б.)
1 - тапсырма: Өлшеуіш цилиндр бөліктерінің құнын анықтау.
Жұмыстың барысы:
-
Өлшеуіш цилиндрді мұқият көріп шығыңдар, оның шкаласына зер салыңдар. Қолдарыңдағы өлшеуіш цилиндрдің шкаласындағы жазуға қарап, ол арқылы көлемді қандай бірліктермен анықтауға болатынын дәптерлеріңе жазып алыңдар.
-
Оқулықтағы 10-параграфты қайталап, қолдарыңдағы өлшеуіш цилиндрдің бөлік құнын анықтаңдар.
-
Сұйық көлемін см3 өлшем бірлікпен аламыз.
-
Өлшеуіш цилиндрдің бір бөлік құны 1 см3.Аспап қателігі бөлік құнының жартысына тең,яғни 0,5 см3.
-
Қолдарыңдағы өлшеуіш цилиндрді пайдаланып, жүргізілген өлшеулердің қателігін анықтаңдар. Ол үшін цилиндрге су құйып, құйылған судың көлемін өлшеу қателігін ескере отырып анықтаңдар.
-
Анықталған шамаларды дәптерге жазып алыңдар.
-
Өлшеуіш цилиндрдің сипаттамаларын және өлшеген сұйық көлемін мына кестеге жазыңдар:
|
Мензурканың ең үлкен өлшеу көлемі, оның бірлігі |
Мензурка бөлігінің құны |
Өлшеу қателігі |
Қателігі көрсетілген өлшеу нәтижесі (сұйық көлемі) |
|
100 см3 |
1 см3 |
0,5 см3 |
54-0,5 |
Ескерту: Сұйықтық көлемін есептегенде көздің шкаланы көру деңгейіне көңіл аударыңдар. Көзді су бетінің жазықтығымен дәл келетін горизонталь деңгейде бағыттау керек.
2-тапсырма.Әр түрлі пішіндегі қатты денелердің көлемін анықтау.
Жұмыстың барысы:
-
Өлшеуіш цилиндрге қатты дене толық болатындай етіп су құйып, денені сұйыққа толық батырыңдар. Сонда мензуркадағы судың соңғы және алғашқы деңгейлерінің айырмасы қатты дененің көлеміне тең болады.
-
Пішіні мен көлемі әр түрлі 2 – 3 қатты денені таңдап алып, оны жіңішке жіппенбайлап, суы бар өлшеуіш цилиндрге салыңдар да,
көлемін анықтаңдар. Өлшеу нәтижелерін кестеге жазыңдар.

|
Өлшейтін дене |
Сұйықтың бас-тапқы көлемі ( V1, см3 ) |
Дене мен сұйықтық-тың көлемі (V2, см3 ) |
Қатты дененің көлемі (V =V1- V2) см3 |
|
цилиндр Тас |
60 38 |
72 45 |
12 7 |
.Өлшеуіш цилиндрге сыймайтын дененің көлемін шүмегі бар ыдыстың
көмегімен анықтауға болады. Өлшеу алдында ыдысқа шүмектің
жоғарыдеңгейінежеткенше су құйылады. Денені
ыдыстағысуға батырғанда оның көлеміне тең су асып
төгіледі.төгілген судың көлемін мензуркамен өлшеп,
батырылған ірі дененің көлемін анықтайды.
Егер зертханада шүмегі бар ыдыс жоқ болса, онда бірінің ішіне бірі сиятын кез келген ыдысты пайдалануға болады. Бұл жағдайда ішкі ыдысқа суды кемеріне дейін толтырып құю керек. Денені суға батырғанда оның көлеміндей су сыртқы ыдысқа құйылады. Құйылған судың көлемін мензуркамен өлшейді.
Қорытынды. Оқушылар аспаптың бөлік құнын таба білуге, аспап қателігі, әр түрлі пішіндегі дененің көлемін анықтау туралыбілімі толығады.
№2 жұмыс.
Кішкентай денелердің өлшемдерін анықтау.
Жұмыстың мақсаты: Қатарлау тәсілімен өлшеп үйрену.
Құрал–жабдықтар: Сызғыш, кішкентай денелердің жиынтығы(бытыра, подшипник шариктері, бұршақ, тары, сымның қиындылары. т.б.), астауша, бұранда, бұранда шеге, бұранғыш(гайка).
1 – тапсырма. Шариктің диаметрін өлшеу.
Жұмыстың барысы:
1
.Астаушаға шариктердің
бірнешеуін салыңдар да, оның екі жағындағы жылжымалы тиекті қозғай
отырып, оларды бір – біріне.
түйістіріңдер. Сызғышпен екі тиектің L арақашықтығын өлшеп алыңдар.
Оны астаушадағы шариктердің N
санына бөліп, бір шариктің диаметрін анықтаңдар: d
=
![]()
2.Ұсақ денелердің өлшемдерін анықтайтын мұндай тәсіл қатарлау тәсілі деп аталады. Қатарлау тәсілімен жоғарыда аталған басқа да материалдардың өлшемдерін (диаметрлерін)анықтауға болады.
3.Өлшеу мен есептеу нәтижелерін мына кестеге жазыңдар.
|
Зерттелетін дене |
Қатардағы бөлшектердің саны ( N ) |
Қатардың ұзындығы ( L, мм ) |
Диаметр (d , мм ) |
Диаметрді өлшеу қателігі ( hd , мм ) |
|
Шарик Бұршақ |
10 25 |
18 15 |
1,8 0,6 |
1,75 |
Өлшеу қателігі 0,1:2=0.05мм
2 – тапсырма. Бұранда қадамын өлшеу.
Жұмыстың барысы:
-
Бұранда қадамы деп қатар жатқан орам оймасының ара қашықтығын айтады. Бұранда қадамы өте аз шама болуы да мүмкін. Сондықтан оны анықтау үшін де қатарлау тәсілі қолданылады.
-
Бұранданың немесе бұрандашегенің орам оймалары орналасқан бөлігінің L ұзындығын сызғышпен өлшеп алыңдар. Одан кейін оймалардың N орам санын мұқият санап шығыңдар. Бұранда қадамы: d =
өрнегімен
анықталады. -
Бұранда қадамын анықтауда (әсіресе, оймасы ішкі жағында болатын бұранғыштар үшін) бұранда оймасының бедерін қағаз бетіне түсіріп алып өлшеу ұтымды болады. Ол үшін бұранда оймасы орналасқан бетті сия немесе жұмсақ графитпен ( қарындашпен) бояп алу керек.
-
Өлшеулер мен есептеулер нәтижелерін мына кестеге толтырыңдар.
|
Зерттелетін дене |
Ойма ұзындығы ( L, мм) |
Орам саны N |
Бұранда қадамы ( d, мм) |
Бұранда қадамын өлшеу қателігі (hd , мм) |
|
Бұранда Бұранғыш Бұрандашеге |
3 2 3,2 |
6 5 7 |
0,5 0,4 0,46 |
0,45 0,35 0,41 |
Қорытынды.Кішкентай денелердің өлшемін анықтап,нәтижесін өлшеу қателігімен жазуға үйрену.
№ 3 жұмыс.
Қатты дененің массасы мен тығыздығын анықтау.
1 – тапсырма. Дененің массасын таразыға тартып өлшеу.
Құрал – жабдықтар: Таразы, ұсақ кірлер,параллелепипед тәрізді біл-еуше және массасы әр түрлі кішігірім бірнеше дене.

Жұмыстың барысы:
Дененің массасын анықтау тәсілдерінің бірі - таразы көмегімен өлшеу. Осындай таразылармен өлшеу кезінде оның бір табақшасына (сол жақтағы) массасы белгісіз дене, ал екіншісіне (оң жақтағы) таразыны теңгеретін кірлер салынады.Дененің массасы таразыны теңгеретін кірлердің массасына тең. Ол үшін:
-
Таразыны өлшеуге дайындаңдар. Таразының дұрыс теңгеріліп тұрғандығына көз жеткезіңдер;
-
Таразыны бұзып алмау үшін өлшенетін денені және кірлерді таразы табақшаларына жайлап қою керек.
-
Денені кірлермен теңгеріп болғаннан соң, таразы табақшасындағы кірлердің жалпы массасын есептеңдер.
Өлшеу нәтижелерін төмендегі кестеге жазыңдар.
|
Тәжірибе реті |
Өлшенетін дене |
Дененің массасы, г |
Дененің массасы, кг |
|
1. 2. 3. |
Шарик Білеуше Цилиндр |
61,5 10,5 97 |
61,5*10-3 10,5*10-3 97*10-3 |
Қорытынды:Таразыны өлшеуге даярлау,дене мен гірлерді табақшаға қою, денені кірлермен теңгеруге дағдылану,массасын жазуға үйрену.
2 – тапсырма. Дененің тығыздығын анықтау.
Құрал – жабдықтар: тығыздығы анықталатын денелер, мензурка, сызғыш, жіп.
Жұмыстың барысы:
-
Алдыңғы берілген тапсырмадағы массасы анықталған денелерді алыңдар. Параллелепипедтің көлемін анықтау үшін сызғышпен оның қабырғаларын өлшеңдер, содан соң оның көлемін (V=abc) есептеңдер.
-
Пішіні күрделі болып келген басқа денелердің көлемін мензурка көмегімен анықтаңдар немесе № 1 зертханалық жұмыста көлемі анықталған денелерді пайдаланыңдар.
Дене тығыздығын формуласымен есептеп, оны г / см3 және кг / м3 – пен өрнектеңдер. Өлшеу мен есептеу нәтижелерін төмендегі кестеге жазыңдар.
|
Тәжірибе реті |
Тығыздығы анықталатын дене |
Дененің массасы, г |
Дененің көлемі, см3 |
Тығыздығы p
= |
|
|
г/см3 |
кг/м3 |
||||
|
1. 2. |
Шарик Цилиндр |
61,5 97 |
9 12 |
6,8 8,1 |
6800 8100 |
Қорытынды.Дене тығыздығын анықтау үшін таразы мен мензурканы қолдана білу.Тығыздық формуласы арқылы нәтижені тауып,өлшем бірлігін жаза білу.
№ 4 жұмыс.
Серпімді деформацияны зерделеу.
1
-тапсырма. Серпімді элементі
серіппе болып табылатын мектеп динамометрін
градуирлеу.
Құрал – жабдықтар: динамометр, бір
тілім қағаз, әрқайсысының массасы 102г
болатын жүктер жиыны, қысқышы, сақинасы
және жалғастырғышы (муфтасы) бар штатив.
Жұмыстың барысы:
-
Динамометр шкаласын ақ қағазбен бүркеңдер. Қағаздың екі жағы резеңке сақиналардың көмегімен динамометрге бекітіледі.
-
Динамометрге массалары102г, 204г, 306г және т.б. жүктерді іле отырып, 1Н, 2Н, 3Н, т.с.с. күштерге сәйкес келетін көрсеткіш орнын белгілеңдер.
-
Көршілес сызықшалардың арасын өлшеңдер. Олар өзара тең бе? Неліктен осы шкалада нъютонның оннан бір үлестерін белгілеңдер. Көршілес сызықшалар арасын өлшеп олар тең екенін білу. Себебі ілінген жүктің массалары бірдей.
-
Өздерің жасаған шкаланы заводта градуирленген динамометрдің шкаласымен салыстырыңдар.
-
Өлшеу дәлдігін бағалаңдар.Сызғыштың бөлік құны-0,1мм. Аспап қателігі-0,05.
Қорытынды. Динамометрге жүктер ілу арқылы серіппенің созылуын белгілеп, ақ қағазға шкала салады. Жасалған динамометр арқылы жүктерді өлшейді.Градуирлеу тәсілін меңгереді.
2 – тапсырма: Серпімді дене мен оған әрекет ететін ауырлық күші мен оның арасындағыбайланысты анықтау.
Қ
ұрал –
жабдықтар: Қысқышы, сақинасы және
жалғас-
тырғышы бар штатив.Ұзындықтары 15 – 20 см болатын
бірдей екі резеңке жіп, ұзындығы 35 – 40 см болатын
бір тілім ақ қатырма қағаз (картон), жүктер жиынтығы,
сымнан жасалған ілгек, сызғыш, мектеп динамометрі.
Жұмыстың барысы:
-
Резеңке жіптердің бір ұшын ілмектеп байлаңдар, екінші жағын қағазбен бірге штатив қысқышына бекітіңдер. Резеңкелердің ұштары бір деңгейде болуынакөңіл аударыңдар. Ол деңгейді қатырма қағазда белгілеп қойыңдар.
-
Ілгектің көмегімен массалары m1= m, m2 =2m, m3=3 m жүктерді кезекпен бір жіпке іліңдер.
-
Резеңкенің созылған кездегі орнын белгілеңдер.
-
Денені ілгектің көмегімен екі жіпке қатар іле отырып, тәжірибені қайталаңдар.
-
Ауырлық күші мен серпімді деформацияның арасындағы байланысты анықтаңдар. Өлшеу нәтижелерін кестеге жазыңдар. Эксперимент дәлдігі ауқымында Гук заңы орындала ма? Тексеріңдер.
|
Тәжірибе реті |
Резеңкелер саны |
Жүктің массасы,г |
Ауырлық күші, F=mg, H |
Жіптің ұзаруы, мм |
Жіптің ұзаруы, м |
|
1. 2. 3. 4. 5. 6. |
біреу біреу біреу екеу екеу екеу |
100 200 300 100 200 300 |
1 2 3 1 2 3 |
50 100 150 20 30 40 |
0,05 0,1 0,15 0,02 0,03 0,04 |
Қорытынды:Ауырлық күші артқан сайын жіптің ұзаруы артады.Денені екі жіпке қатар ілгенде жіптің ұзаруы азаяды.Себебі резеңкенің қатаңдығы артады.
№ 5 жұмыс.
Архимед заңын тексеру.
1 – тапсырма. Су ішіндегі массасы 100г денеге әрекет ететін ығыс-тырушы күшті анықтау.
Құрал – жабдықтар: суы бар ыдыс, массасы әр түрлі жүктер, динамо-метр, мензурка, жіп.

Жұмыстың барысы:
-
Мензурка көмегімен жүктің Vg көлемін анықтаңдар
-
Дененің өлшенген Vg көлемі мен су тығыздығы бойынша дене ығыстыратын су салмағын табыңдар.
-
Денені жіпке байлап, динамометр ілгегіне іліңдер және оған әрекет ететін ауырлық күшінің (дененің ауадығы салмағының) мәнін табыңдар.
-
Динамометр ілгегіне ілінген жүкті түгелімен суға батырып, оның су ішіндегі салмағын анықтаңдар және ығыстырушы күштің мәнін есептеңдер.
-
Ығыстырушы күш ығыстырылған су салмағына тең бе? (тең)
-
Тәжірибені басқа денемен жасаңдар.
-
Тәжірибе нәтижелерін кестеге жазыңдар.
|
Тәжірибе реті |
Дененің көлемі, Vg , м3 |
Дене ығыстырған сұйық салмағы P0, H |
Дененің ауадағы салмағы, P, H |
Дененің судағы салмағы P1,H |
Ығыстырушы күшFы, H |
|
1 |
9*10-6 |
9*10-3 |
0,6 |
0,5 |
9*10-3 |
P0=mg=ρcVg=9*10-3; P=0.6H; P2=0.5H; F A=g ρV=P0
Қорытынды:Дене ығыстырған сұйықтың салмағы мен ығыстырушы күш тең болатынына көз жеткізу.
-
Бұл тәжірибеде Архимед заңы қандай дәлдікпен орындалатынын бағалаңдар.
2 – тапсырма. Сұйыққа батырылған денеге әрекет ететін Fы ығыс-тырушы күштің дене көлеміне байланысты екенін тексеру.
Құрал–жабдықтар:Мектеп таразысы (табақшаларсыз), әрқайсысының массасы 100г болатын көлемдері әр түрлі екі дене, суы бар екі ыдыс.

Жұмыстың барысы:
-
Жүктерді таразы иіндеріне бекітіп, таразыны тепе – теңдік қалпына келтіріңдер.
-
Егер екі дененіде суы бар ыдыстардың ішіне батырсақ, таразының теп – теңдігі бұзыла ма? Сұраққа жауап беріңдер.
Қорытынды. Тепе-теңдігі бұзылады.Себебі, денелердің көлемдері әртүрлі. Көлемі үлкен денеге әсерететін Архимед күші көп. Таразы табақшасы көтеріледі.
3 – тапсырма. Fы ығыстырушы күштің Pс сұйық тығыздығына байланысты екенін тексеру.
Құрал – жабдықтар: Мектеп таразысы (табақшаларсыз), массалары мен көлемдері бірдей екі жүк , суы бар және судан басқа кез келген сұйық құйылған ыдыстар.
Жұмыстың барысы:
-
Жүктерді таразы иіндеріне бекітіп, таразыны тепе – теңдік қалпына келтіріңдер.
-
Егер бір жүкті суы бар ыдысқа, екіншісін басқа сұйық құйылған ыдысқа батырсақ, таразының тепе – теңдігі бұзыла ма? Сұраққа жауап беріңдер.
-
Тәжірибеде жауаптарыңды тексеріңдер.
Қорытынды: Таразының тепе-теңдігі бұзылады. Қай сұйықтың тығыздығы көп, ығыстырушы күші көп болады.
№6 жұмыс.
Дененің сұйықта жүзу шарттарын анықтау.
Тапсырма. Денелерді суға батырған кезде олардың суда жүзетінін, батып кететінін немесе қалқып шығатынын анықтау.
Құрал–жабдықтар: Динамометр, суы бар ыдыс, мензурка, ішіне салынған құмдарының массалары әр түрлі бірдей үш пробирка немесе құты тығыздығы белгілі сұйығы бар ыдыс (тұз қосылған су).


Жұмыстың барысы:
-
Динамометр көмегімен денеге әрекет ететін Fа ауырлық күшін өлшеңдер.
-
Мензурканы пайдаланып, дененің Vg көлемін анықтаңдар.
-
Денені сұйыққа батырған кезде оған әрекет ететін ығыстырушы күшті есептеңдер Fы = Pс gVg.
-
Fа ауырлық күші мен Fы ығыстырушы күшті салыстыру арқылы тапсырмада қойылған сұраққа жауап беріңдер.
-
Денені берілген сұйыққа батырып, жауаптарыңды тәжірибе жүзінде тексеріңдер.
-
Кестені толтырыңдар.
|
Тәжірибе реті |
Сұйық |
Fа , Н |
Vg, м3 |
Fы, Н |
Fа мен Fы қатысы |
Батады, жүзеді немесе қалқып шығады. |
|
1 2 3 |
Су Тұзды су Тұзды су |
1,5 1 0,95 |
13*10-6 9*10-5 1,2*10-4 |
1,5 0,93 1,3 |
FA =Fы FA FA
|
Жүзеді Батады Қалқиды. |
Қорытынды: Архимед күші мен ауырлық күші арасындағы байланысты тексере отырып, денелердің жүзу шарты орындалуына көз жеткізу.
№ 7 жұмыс.
Денені бірқалыпты көтеру кезіндегі жұмысты анықтау. Көлбеу жазықтықтың ПӘК – ін анықтау.
Ж
ұмыстың
мақсаты: Денені Һ биіктікке бірқалыпты
тік жоғары көтергенде істелетін пайдалы жұмыстың сол денені осы
биіктікке көлбеу жазықтық бойымен көтергенде істелетін толық
жұмыстан кем болатынын көрсету.
Құрал –жабдықтар: тақтай, динамо-
метр, өлшеуіш таспа немесе сызғыш,
ағаш білеуше, жылжымалы қысқашы
бар штатив.
1 –тапсырма: Денені Һ биіктігіне бір-
қалыпты тік жоғары көтергенде істелетін жұмысты анықтау.
Жұмыстың барысы: Денені Һ биіктікке бірқалыпты тік жоғары көтеру үшін F1 күші А1 жұмысын істейді. А1= F1Һ.
Денені бірқалыпты тік жоғары көтеретінF күші дененің Р ауырлық күшіне тең : F1= Р.
Оны динамометрмен тікелей өлшеу керек:
1) білеуді көтеретін Һ биіктігін таңдап алыңдар;
2) білеудің ауырлық күшін динамометрмен өлшеңдер;
3) білеуді Һ биіктігіне бірқалыпты тік жоғары көтергенде істелетін жұмысты есептеп шығарыңдар.
Жұмысты орындау: 1.Білеуді көтеретін биіктікH=40 см=0.4 м
Ауырлық күші F=0,7 Н. Көтергенде істелетін жұмыс А1= F1Һ. =0,7Н*0,4 м=0,28Дж
2 – тапсырма. Денені көлбеу жазықтың бойымен Һ биіктігіне бірқалыпты көтергенде істелетін жұмысты анықтау.
Жұмыстың
барысы: Денені жоғарыдағы таңдап
алынған
Һ биіктігіне тік көтерудің орнына,
F2
күшін түсіріп ұзындығы L
көлбеу жазықтықты пайдаланып көтеруге де болады. Алайда, көлбеу
жазықтықты пайдаланғанымызда, механиканың алтын ережесі бойынша
күштен ұтқанымызбен (F1
<
F2), оның есесіне жолдан
ұтыламыз (L>Һ). Көлбеу жазықтықты пайдаланғанда істелген
А2
жұмыс мынаған тең:
А2=
F2L
«Алтын ережеге» сәйкес үйкеліс есепке алынбаған жағдайда А1 және А2 жұмыстары бір - біріне тең: А1= А2 немесе F1Һ= F2L
Практикада үйкелісті болдырмау мүмкін емес, сондықтан толық жұмыс А2пайдалы А1 жұмыстан іс жүзінде үлкен: А2>А1
-
Тақтайды көлбеу орналастырыңдар(Һбиіктік пен көтерілетін білеу өзгеріссіз қалуы керек);
-
Көлбеу жазықтықтың L ұзындығын өлшеңдер;
-
Білеуге динамометрді іліп, оны көлбеу жазықтықтың бойымен жоғары қарай бірқалыпты қозғалтып тартыңдарда, F2 тарту күшін өлшеңдер;
-
Білеуді көлбеу жазықтықтың бойымен бірқалыпты көтергенде істелетін А2 жұмысты есептеңдер.
Жұмысты орындау: 1.Биіктік Һ=40 см=0.4 м
2.Көлбеу жазықтықтың ұзындығы L=65 см =0,65 м
3. F2 тарту күші F2=1,2Н
4.Білеуді көлбеу жазықтықпен көтергенде істелетін жұмыс
А2= F2L =1,2Н*0,65м=0,78 ДЖ
3 – тапсырма. Көлбеу жазықтықтың пайдалы әсер коэффициентін (ПӘК-ін) табу.
Жұмыстың
барысы: Көлбеу жазықтықты пайдаланып,
білеуді көтергендегі көлбеу жазықтықтың ПӘК-ін пайдалы
А1
жұмысты толық
А2
жұмысқа бөлгенге тең:
ŋ=
немесе (%) есептесек: :
ŋ=
*100
%
ПӘК –ті табу үшін : 1) Көлбеу жазықтықтың ПӘК –ін есептеңдер;
2) Механиканың «Алтын ережесін» пайдаланып (§76) үйкеліс есепке алынбаған жағдайда көлбеу жазықтық күштен қандай ұтыс беретінін есептеңдер. Есептелге F2 мәнімен динамометр арқылы өлшенген F2 мәнін салыстырыңдар;
3)Көлбеу жазықтықтың Һ биіктігін өзгертіңдер де істелген жұмыстарды және көлбеу жазықтықтың ПӘК –ін анықтаңдар;
Зертханалық жұмыстың барлық тапсырмалары бойынша алынған нәтижелерді мына кестеге түсіріңдер;
1.Көлбеу жазықтықтың
ПӘК-
=
*100%=36%
2.Көлбеу жазықтықтың формуласы
-
=
F2=
F1Һ/
L=0,4Н
F2- динамометрмен өлшенген мәні 1,2 Н, есептелген мәні -0,4 Н себебі үйкеліс күші бар
3.Көлбеу жазықтық биіктігін өзгертемізҺ=60 см=0,6 м
Ап=
F1Һ=0,42 Дж
АТ=
F2L=0,97
Дж;
=
*100%=43%
|
Көлбеу жазықтық бойымен тарту күші F2 (Н) |
Ауыр- лық күш F1(Н) |
Білеуді көлбеу жазықтық бойымен қозғалтып көтергенде істелетін толық жұмыс А2=F2 (Дж) |
Көлбеу жазықтық биіктігі, Һ (м) |
Көлбеу жазық- тық ұзын-дығы, L (м) |
Білеуді тік жоғары көтергенде істелетін пайдалы жұмыс , А1 =F1Һ (Дж) |
ПӘК (%) |
|
0,4 |
0,7 |
0,78 |
0,4 |
0,65 |
0,28 |
43 |
Қорытынды: Көлбеу жазықтық арқылы денені Һ биіктікке көтергенде пайдалы жұмыс Ап толық жұмыстанАТ аз болады. Көлбеу жазықтық биіктігі артқан сайын пайдалы әсер коэффициенті артады.
№8 жұмыс.
Иіндіктің теп – теңдік шарттарын анықтау.
Ж
ұмыстың
максаты: күш моменттері ережесінің
дұрыстығын иінтіректі пайдаланып, эксперимент жүзінде
тексеру.
Құрал –жабдықтар: Штативке орнатылған иіндік, жүктер жиынтығы, масштабты сызғыш, динамометр.
1 –тапсырма. Екі күштің әрекетіндегі иіндіктің теп – теңдік шартын тексеру.
Жұмыстың барысы:
-
Оқулықтағы «Иіндік», «Иіндікке түскен күштердің тепе – теңдігі» , «Күш момент-тері» туралы материалды қайталаңдар;
-
Иіндіктің екі ұшындағы бұрандаларды бұрап, оны горизонталь орналасатындай етіп теңгеріңдер;
-
Иіндіктің сол жағына айналу білігінен L₁ қашықтыққа массалары-ның қосындысы m₁ болатын екі жүк іліңдер.
Тәжірибе жасап, иіндіктің оң жағына оны тепе – теңдікке келтіретін бір жүкті айналу білігінен қандай L₂ арақашықтықта ілуге болады екенін анықтаңдар. Алынған мәліметті кестеге жазыңдар:
|
Біліктің сол жағы |
Біліктің оң жағы |
||||||
|
Масса m₁(г) |
Иін L₁ (см) |
Күш F₁(H) |
Күш моменті, М₁(Hм) |
Масса m₂ (г ) |
Иін L₂(см) |
Күш F₂(H) |
Күш моменті, М₂(Hм) |
|
200 300 |
10 6 |
2 3 |
20 18 |
100 100 |
19,5 16,5 |
1 1 |
19,5 16,5 |
4. M₁ және M₂ күш моменттерін салыстыра отырып, алынған эксперимент нәтижелерін күш моменттер ережесінен қаншалықты ауытқитындығын анықтаңдар. Ауытқуды анықтау үшін күш моменттерінің айырмасы (M₁-M₂) олардың орташа мәніне (M₁ +M₂) / 2 бөлу керек:Ауытқу (M₁ - M₂) : (M₁ +M₂) / 2* 100 % =2,5
2 – тапсырма. Әр түрлі нүктелерге түсірілген күштердің әрекетіндегі иіндіктің тепе – теңдік шартын тексеру.
Жұмыстың барысы:
-
Біліктің екі жағындағы кез келген ілгекке әр түрлі жүкті іле отырып, иіндікті тепе – теңдік күйге келтіріңдер;
-
Иіндікті сағат тілінің бағытында (шартты түрде оң бағытта) айналдыратын күштердің, күш моменттерінің қосындысын табыңдар: Моң=M₁ +M₂+...........Мn ;
-
Иіндікті сағат тіліне кері бағытта (шартты түрде сол бағытта) айналдыратын күштердің, күш моменттерінің қосындысын анықтаңдар: Мсол= M₁ +M₂+...........Мк ;
-
Оң және теріс күш моменттерін салыстыра отырып, экспериментте алынған нәтижелердің моменттер ережесіне сәйкестігін көрсетіңдер.
Жұмысты орындау Моң= M₁ +M2 М1= F₁ L₁ М₂= F₂ L₂
М1=1Н*0,045м=0,045Нм М₂=2Н*0,155м=0,31Нм
Моң= M₁ +M2 =0,355 Н,м Мсол= M₁ +M2 = 0,35Нм
Моменттер ережесі орындалады. Моң= Мсол
Қорытынды:Моменттер ережесінің дұрыстығын иінтіректі пайдалану арқылы тексеріп көз жеткіздік.
8 КЛАСС.
№1 жұмыс.
Әр түрлі температурадағы суды араластырғандағы жылу мөлшерін салыстыру.
Ж
ұмыстың
мақсаты: Жылу алмасуда ыстық судың
берген және суық судың алған жылу мөлшерін анықтау және алынған
нәтижені түсіндіру.
Құрал –жабдықтар:
Калориметр, өлшеуіш цилиндр(мензурка),
термометр, стақан, ыстық суы бар шәугім
(бүкіл сыныпқа біреу).
Жұмыс барысы:
-
Массасы 100г ыстық суды сыртқы ыдыстың ішіне қойылған калориметрдің ішкі ыдысына құйыңдар. Ыстық судың t₁ температурасын өлшеңдер.
-
Стақанға дәл сондай суық су құйып және оның t₂ температурасын өлшеңдер.
-
Ыстық суы бар ыдысқа абайлап суық су құйыңдар, алынған қоспаны термометрмен араластырып және оның t температурасын өлшеңдер.
-
Ыстық судың, қоспаның t температурасына дейін суығанда, берген жылу мөлшерін Q₁=cm( t₁ - t ) формуласымен және суық судың осы t температураға дейін жылығанда алған жылу мөлшерін Q₂=cm₁( t - t₂ )формуласымен есептеңдер.
-
Өлшеу мен есептеу нәтижелерін төмендегі кестеге жазыңдар.
-
Ыстық судың берген жылу мөлшерін суық судың алған жылу мөлшерімен салыстырыңдар және тиісті қорытынды жасаңдар.Ыстық судың массасы
m, кг
Ыстық судың баст.
темпер.
t, ºC
Қоспаның темпера-
турасы, t1, ºC
Ыстық судың берген жылу мөлшері,
Q1, Дж
Суық судың массасы
m₁, кг
Суық судың баст.
Темпер.
t2, ºC
Суық судың алған жылу мөлшері
Q2 ,Дж
0,1
94
56
15120
0,1
20
15960
-
Тәжірибенің салыстырмалы қателігін мына қатынаспен есептеңдер: ℇ =[
] , мұндағы
Q₁ - ыстық судың берген жылу
мөлшері, Q₂
- суық судың алған жылу
мөлшері.ℇ =[
]
=0,05
Қорытынды:Жылу баланс теңдеуі бойынша ыстық судың берген суық судың алған жылу мөлшері тең болу керек.
№2 жұмыс.
Мұздың меншікті жылуын анықтау.
Ж
ұмыстың
мақсаты: жылу балансының теңдеуін
пайдаланып, мұздың меншікті балқу жылуын
анықтау.
Құрал –жабдықтар:таразы, термометр,
калориметр, мұз кесегі, сүзгіш қағаз,
шәйнек (сыныпқа біреу)
Жұмыс барысы:
-
Калориметрдің ішкі ыдысын таразыға тартып өлшеңдер, mк
-
Оған су құйыңдар, содан кейін суы бар калориметрді өлшеңдер: mсу= m – mк
-
Суы бар калориметрдің ішкі ыдысын сыртқысының ішіне орналастырып, судың tсу температурасын өлшеңдер.
-
Мұз кесегін сорғыш қағазбен алдын ала құрғатып алып, содан кейін оны суға салыңдар.
-
Суды термометрмен араластыра отырып, калориметрдегі ең төмен t температурасын белгілеңдер.
-
Калориметрді қайтадан өлшеңдер және суға салынған мұздың mмұз массасын анықтаңдар.
-
Өлшеулер мен есептеулер нәтижелерін кестеге жазыңдар.
-
Q₁+Q₂=Q3+Q4 жылу балансының теңдеуінен мұздың меншікті балқу жылуын анықтаңдар, мұндағы- Q₁ - калориметр стақанының берген жылуы, Q₂- судың берген жылуы, Q3- мұз ерігенде калориметрге берген жылу мөлшері. Q4 – мұздың суға берген жылу мөлшері.
|
mк , кг |
mсу , кг |
tсу = tк |
t |
mмұз |
|
0,025 |
0,07 |
23 |
15 |
0,015 |
Cm1(t1-t2) =λm2+cm2t2 λ=Cm1(t1-t2)-cm2t2/m2
Қорытынды: Жылу баланс теңдеуін шешу арқылы мұздың меншікті балқу жылуын анықтау.
№3 жұмыс.
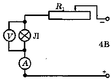
Электр тізбегін жинау және оның әр түрлі бөліктеріндегі ток күші мен кернеуді өлшеу.
Ж
ұмыстың
мақсаты:ток күші тізбектің әр түрлі
бөлігінде бірдей екенін көрсету және кернеуді өлшеуді
үйрену.
Құрал – жабдықтар:ток көзі, амперметр,
вольтметр, қыздыру шамы, 2 сым резистор,
кілт, өткізгіш сымдар.
Жұмыс барысы:
-
Амперметр мен вольтметрдің шкалаларын
қараңдар, бір бөліктің құнын анықтаңдар.Бөлік құны - 0,05 А, 0,2 В.
-
191, 192, 139-суреттердегі сұлбалар бойынша электр тізбектерін жинаңдар. Әр жағдай үшін амперметрдің көрсетулерін кестеге жазыңдар.
3. Қорытынды. Әр жағдайда
амперметрдің көрсетулері бірдей. 0,2 А
болды.
-
Ток көзін, резисторды, қыздыру шамын және кілтті тізбектей қосып. электр тізбегін жинаңдар.
-
Тізбекті тұйықтаңдар және әр резистордың ұштарындағы кернеулерді U₁,U₂ және екі резистордан тұратын тізбек бөлігіндегі кернеуді өлшеңдер. U₁=3,4 В, U₂ =0,6 В
-
Жинаған тізбектің сұлбасын сызыңдар.
-
U₁ + U₂ қосындысын есептеңдер және U кернеуімен салыстырыңдар. U= U₁ + U₂=4В.
Қорытынды: Әр резистордағы кернеу қосындысы ток көзінің кернеуіне тең болады.
№4 жұмыс.
Тізбек бөлігіне арналған Ом заңын тексеру.
Құрал – жабдықтар:ток көзі, өткізгіш сым-
дар, қыздыру шамы,амперметр, вольтметр, кілт,
реостат.
Жұмыс барысы: Амперметр мен вольтметр
шкалаларын қараңдар және бір бөліктің құнын
есептеңдер. Бөлік құны 0,05 А 0,2 В

1.Сұлба бойынша электр тізбегін жинаңдар (194–сур.)
2.Тізбекті тұйықтаңдар.
3.Тізбектегі кернеу мен ток күшін біртіндеп ұлғайтамыз.
Құралды көрсетулерін кестеге жазыңдар.
|
№ |
I ,U |
U ,B |
R , Ом |
|
1. 2. 3 4 |
1,5 1,4 0,9 0,65 |
3,0 2,6 2,0 1,4 |
2,0 1,8 2,2 2,3 |
1.Ом заңын пайдаланып, қыздыру шамының кедергісін есептеңдер.
2. Есептеу нәтижелерін кестеге түсіріңдер.
3.Тәжірибе нәтижесін қорытындылаңдар.
Тапсырма: өлшеу нәтижелері бойынша ток күшінің кернеуге тәуелділінің графигін тұрғызып, сол функцияға сипаттама беріңдер.Қорытынды: Тізбектегі ток күші артса, кернеу да артады. Кедергі азаяды.
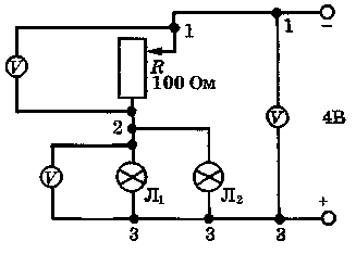
№ 5 жұмыс.
Өткізгіштерді тізбектей және параллель жалғау.
Жұмыстың мақсаты: тізбектей және параллель қосу заңдарын
т
ексеру.
Құрал – жабдықтар: ток көзі, 2 сым резистор,
реостат, 3 амперметр, 3 вольтметр, өткізгіш сымдар,
Жұмыс барысы: Тізбектей жалғау.
Амперметрдің және вольтметрдің шкалаларымен
танысып, бір бөліктің құнын анықтаңдар. 0,05А, 0,2 В
1.Электр тізбегін сұлба бойынша жинаңдар (195–сур)

2.А1 , А2, амперметрлердің көрсетулерін жаз.
3.V₁ , V₂ ,Vж вольтметрлерінің көрсетулерін жаз.
4.Uж =U₁ + U₂ есептеңдер
5.Бөліктің жалпы кедергісін
Rж
=
;
Rж=R₁
+
R₂ формулалары бойынша
есептеңдер.
-
Өлшеулердің нәтижелерін кестеге түсіріңдер.
|
I₁ , А |
I₂ , А |
U₁ , В |
U₂ , В |
R₁ , Ом |
R₂ , Ом |
Rж , Ом |
Rж , Ом |
|
1,05 |
1,05 |
2,2 |
2,4 |
2,1 |
2,3 |
4,38 |
4,4 |
Қорытынды:Тізбектей жалғауда ток күштері бірдей. Жалпы кернеу әрбір өткізгіштегі кернеудің қосындысына тең. Жалпы кедергі әр өткізгіштің кедергісінің қосындысына тең.
Параллель жалғау


-
Электр тізбегін сұлба бойынша жинаңдар(196 – сурет).
-
V₁ , V₂ вольтметрлерінің көрсетулерін жазыңдар.
-
А₁ , А₂ , А ( I₁ , I₂ , Iж ) амперметрлерінің көрсетулерін ж азыңдар.
-
Iж=I₁ + I₂ есептеңдер.
-
Бөліктің жалпы кедергісін Rж=
;
+
формулалары бойынша
есептеңдер. -
Өлшеулердің нәтижелерін кестеге түсіріңдер.
|
I₁, А |
I₂, А |
Iж, А |
U₁, В |
U₂, В |
R₁, Ом |
R₂, Ом |
Rж , Ом |
Rж, Ом |
|
1,4 |
1,6 |
3,0 |
4,6 |
4,6 |
3,3 |
2,9 |
1,5 |
1,5 |
Қорытынды:Параллель жалғауда әр өткізгіштегі кернеу бірдей, ток күші әр өткізгіштегі ток күшінің қосындысына тең.
№6 жұмыс.
Электр тогының жұмысы мен қуатын өлшеу.
Қ
ұрал -
жабдықтар: ток көзі, амперметр,
вольтметр, қыздыру шамы, кілт , өткізгіш сымдар,
секундомер.
Жұмыстың барысы:
-
Амперметр мен вольтметр шкалаларын қарап, бір бөліктің құнын есептеңдер.
-
Электр тізбегін сұлба бойынша жинаңдар.
( 197 –сурет)
-
Тізбекті тұйықтап, қыздыру шамының қосылу уақытын белгілеңдер.
-
Вольтметрдің көрсетуін жазыңдар.
-
Тізбекті ажыратыңдар да , қыздыру шамының сөну уақытын белгілеңдер.
-
Қуатты P =I * U формуласы бойынша есептеңдер.
-
А =P * t формуласы бойынша жұмысты есептеңдер, мұндағы t қыздыру шамының жану уақыты.
-
Барлық өлшеулер мен есептеулерді кестеге жазыңдар.
|
I , А |
U , В |
t , С |
P , Вт |
А , кДж |
тұтынушы |
|
2 2,5 2,9 |
220 220 220 |
300 1800 3600 |
440 550 638 |
132 390 2298 |
Тұрмыстық құралдар |
Қорытынды:Әр түрлі ток тұтынушыларын токқа қосқанда токты пайдалану уақытына сай токтың жұмысы мен қуаты артады.
№ 7 жұмыс.Тұрақты магниттің қасиеттерін зерттеу
және магнит өрістерінің кескінін алу.
Жұмыстың мақсаты: тұрақты магниттің полюстерімен танысу және әр түрлі магниттің төңірегінде магнит өрісінің қандай сызықтарын түзететінін көрсету.
Құрал - жабдықтар:әр түрлі магниттер (жолақ, таға тәрізді және дөңгелек), темір ұнтақтары, қағаз парағы.

Жұмыс барысы:
-
Темір ұнтағын қағаз стақанға салып, оның ішіне магнитті енгізіңдер.
-
Магнитті шығарып алып,магниттің әр жеріне темір ұнтақтарының қалай таралғанына назар аударыңдар.
-
Темір ұнтағынын көп жабысқан орындарын белгілеп, суретін салыңдар.
-
Екі жолақ магнитті бір – біріне әр түрлі ұштарымен апарыңдар. Бақылағандарыңды айтып беріңдер.
-
Үстел үстіндегі магнитті бір парақ қағазбен жауып, оған жұқалап металл ұнтағын себіңдер.
-
Пайда болған магнит сызықтарына назар аударып, олардың суретін салыңдар.
Жұмысты орындау.1.Темір ұнтағына магнитті енгізіп, шығарып алып, темір ұнтағының магниттің ортасына жақын жерде көп тартылатынын байқау.
2.Темір ұнтағының көп жабысқан жерінің суретін салу.
3.Екі жолақ магнитті бір-біріне оңтүстік пен солтүстік полюстерін қарама-қарсы қойып, магнит сызықтарын бақылау арқылы олардың олардың тартылу құбылысын қарау, суретін салу.
4.Магнит үстін бір парақ қағазбен жауып, темір ұнтағын себу арқылы ортасында бірін-бірі тарту құбылысын байқау.
Қорытынды. Магнит сызықтарының түрін көру,магнит өрісінің әсер ету құбылысын зерттеу.
№ 8 жұмыс.
Электромагнитті жинау және оның әрекетін тексеру.
Жұмыстың мақсаты: Электромагниттің негізгі бөлшектерімен танысып, оны жинау.
Құрал – жабдықтар:ток көзі, реостат, кілт, өткізгіш сымдар, магнит тілше, электромагнитті жинауға арналған бөлшектер.
Жұмыс барысы:
-
Ток көзін, шарғыны, реостаты, кілтті тізбектей қосып, электр тізбегін жинаңдар. ( 198 – сурет)
-
Тізбекті тұйықтап, магнит тілшені пайдаланып, шарғының магнит полистерін анықтаңдар.
-
Магнит тілшені шарғының магнит өрісінің оған тигізетін әсері шамалы болатындай қашықтықта орналастырыңдар.
-
Шарғыға темір өзекті енгізіңдер.
-
Электромагниттің магнит тілшеге әрекетін бақылаңдар.
-
Қорытынды жасаңдар.
Жұмысты орындау.
1
.Электр тізбегін
жинап,тізбекті тұйықтап магнит тілше арқылы, шарғының полюсін
анықтау үшін тілшенің оңтүстік полюсіне ток көзінің теріс полюсіне
жалғанған шарғының ұшын жақындатамыз. Олар тартылады, шарғының ұшы
солтүстік полюс болып табылады.
2.Магнит тілшені шарғыдан қашықтатып,шарғыға темір өзекше енгіземіз.Электромагнит магнит тілшеге тартылады.
Қорытынды: Магнит тілше арқылы токқа жалғанған шарғының полюстерін анықтауға болады.Темір өзек енгізу магнит өрісін күшейтіп, магнит тілшемен әрекеттесу қашықтықтан байқалады.
№ 9 жұмыс.
Жинағыш линзаның фокустық қашықтығы
мен оптикалық күшін анықтау.
Жұмыстың мақсаты: линзаның формуласы арқылы линзаның фокустық қашықтығын анықтау.
Құрал - жабдықтар:жинағыш линза, сызғыш, экран ,жарық көзі.
Ж
ұмыстың
барысы:
-
Жарық көзін, линзаны, экранды
бір түзудің бойына орналастырыңдар.
-
Жарық көзі мен линзаны экранда
жарық көзінің анық кескіні шыққанша
қозғаңдар. Экранда жарық көзінің үлкейтілген, кішірейтілген және оған тең кескінін алып, тәжірибені 3 рет жасаңдар.
-
Барлық тәжірибелерде көзден линзаға дейінгі d, экраннан линзаға дейінгі f қашықтықты 1мм-ге дейінгі дәлдікпен өлшеңдер.
-
Линзаның F бас фокустық қашықтығын, линзаның формуласын пайдалана отырып есептеңдер, оны метрмен көрсетіңдер.
-
Линзаның D оптикалық күшін анықтаңдар.
-
Барлық өлшеулермен есептеулер нәтижелерін кестеге түсіріңдер.
|
Кескіннің түрі |
D , см |
F , см |
F , см |
D, дптр |
Г,үлкейту |
|
Үлкейген Кішірейген тең |
15 20 16,6 |
20 17 16,6 |
8,3 8,3 8,3 |
12 12 12 |
1,3 0,85 1 |
Қорытынды: Жарық көзі мен линзаны қозғай отырып, экранда алынған кескінге қарап, линзаның фокустық қашықтығы мен оптикалық күшін анықтадық.
9 КЛАСС.
№1 жұмыс.
Теңүдемелі қозғалыс кезіндегі дененің үдеуін анықтау.
Жұмыстың мақсаты: көлбеу науамен домалайтын кішкене шардың үдеуін есептеу. Ол үшін шардың белгілі бір t уақытта жүріп өтетін S орын ауыстыруының ұзындығын өлшейді. Бастапқы жылдамдықсыз
(υ0=0) теңүдемелі қозғалыс
кезінде S=
болатындықтан, S пен t –ны
өлшеп алып, шардың үдеуін анықтауға болады. Ол : a
=
![]()
Ө
лшеу
құралдары: өлшеуіш, таспа,
метроном.
Құрал – жабдықтар: науа, шар,
қысқышы бар тұрғы , металл цилиндр.
Жұмысты орындау:
-
Тұрғы арқылы науаны көкжиекпен
кішкене бұрыш жасайтындай етіп
бекіту керек. Науаның төмендегі шетіне
металл цилиндрдіқоясыңдар.
-
Метроном дыбыс берген бойда шарды науаның жоғарғы басынан жіберіп, ол цилиндрге барып соғылғанға дейін метрономның неше рет соққанын санаңдар. Тәжірибе жүргізерде метрономда минутына 120 рет соғатын етіп қойыңдар.
-
Науаның көкжиекке көлбеулік бұрышын өзгерте отырып, шарды жіберген мезеттен бастап, оның цилиндрге барып соғылуына дейін метроном 4 рет соғатындай етуге болады. (соғу арасы үш толас)
-
Шардың қозғалыс уақытын есептеңдер.
-
Өлшеуіш таспаның көмегімен шардың S орын ауыстыруының ұзындығын табыңдар. Науаның көлбнулігін өзгертпей (тәжірибе шарты өзгермеуі тиіс), метрономның 4- ші соғуы мен шардың металл цилиндрге соғылуы дәл келетіндей етіп алып, тәжірибені 5 рет қайталау керек.
-
Sорт=
формуласы бойынша орын
ауыстыру модулінің орташа мәнін, ал содан соң үдеу модулінің орташа
мәнін табыңдар: aорт
=

-
Өлшеу және есептеу нәтижелерін кестеге жазыңдар.
|
Тәжірибе нөмірі |
S , м |
S, м |
t с |
t орт, с |
aорт, м/с2 |
|
1 2 3 4 5 |
0,65 0,70 0,80 0,85 0,90 |
0,78 |
1,2 1,4 1,6 1,8 2,0 |
1,6 |
0,6 |
Ешбір өлшеу абсолют дәл болмайды.өлшеу құралдарының жетілмеуіне және басқа себептерге байланысты, қалай да қателік кетеді. Қателіктерді мейлінше азайту үшін тәжірибе шартын өзгертпей, өлшеу жұмыстарын бірнеше рет қайталап орындаған жөн. Содан кейін олардың арифметикалық орташа мәне есептеледі. Бұл жұмысты да осылай орындау ұсынылады.
Қорытынды: Үдемелі қозғалыс кезіндегі дене үдеуі жүрілген жол мен уақыттың орташа мәні арқылы анықталды. Ескерту метроном орнына сеундомер қолданылды.
№ 2 жұмыс.
Горизонталь лақтырылған дененің
қозғалысын зерттеу.
Жұмыстың мақсаты: горизонталь бағытта лақырылған дененің бастапқы жылдамдығын анықтау.
Құрал-жабдықтар:тұрғы, диаметрі 25мм болат шар, шар домалайтын науа, мм – к бөлігі бар сызғыш, ақ және көшірме (қара қағаздар).

Жұмыстың орындалу реті:
-
Науаны тұғырға бекітіңдер. Оның имек басы горизонталь өқалыпта болуына назар аударыңдар. Науаның алдына ақ қағаз жайып, оның үстіне көшірме салыңдар. Науаның бойымен домалаған шардың үстелге түскен жері ақ қағаз бетіне белгі түсіреді.
-
Науадан домалаған шардың үстелге қандай Һ биіктіктен түскенін және L ұшу қашықтығын өлшеңдер.
-
t =√
формуласы бойынша шардың ұшу
уақытын есептеңдер. -
Алынған нәтижені υ0 =
формуласы бойынша шардың
горизонталь бағытта ұшу жылдамдығын есептеу үшін
пайдаланыңдар. -
Алынған нәтиженің дұрыстығын тексеру үшін науаны шар басқа биіктіктен түсетіндей етіп орналастырыңдар. Оның ұшу қашықтығын тағы да есептеңдер. Шардың түсу нүктесін ақ қағазда белгілеңдер.
-
Шарды науаның белгілі бір жерінен бірнеше рет домалатып жіберіп, тәжірибені қайталаңдар.
-
Алынған нәтижені кестеге жазыңдар.
-
Өлшеу дәлдігін бағалаңдар. (1–зертханалық жұмыстағы ескертуге қараңдар)
|
Тәжірибе реті |
Һ , м |
L, м |
Lорт , м |
t, с |
υ0, м/с |
υ0рт, м/с |
|
1 2. |
0,25 0,24 |
0,18 0,17 0,16 0,155 0,166 0,165 |
0,17 0,162 |
0,22 0,21 |
0,81 0,79 0,72 0,7 0,75 0,75 |
0,8 0,73 |
Қорытынды: Горизонталь лақтырылған дененің бстапқы жылдамдығын әр түрлі биіктіктен түскенде зерттей отырып, биіктік артса, бастапқы жылдамдық артатынын бақыладық.
№ 3 жұмыс.
Маятниктің көмегімен еркін түсу үдеуін анықтау.
Жұмыстың
мақсаты: математикалық маятниктің
тербеліс периодының Т =2π√
формуласы бойынша еркін түсу
үдеуін анықтау.
Ол үшін тербеліс периоды мен
маятниктің ұзындығын өлшеп алу қажет. Сонда жоғарыдағы формуладан
еркін түсу үдеуін табуға болады: g=
![]()
Өлшеу құралдары: секундтық тілі барсағат, өлшеуіш таспа.
Құрал –жабдықтар:Саңылауы бар шар, жіп, қысқышы мен сақинасы бар тұрғы.

Жұмысты орындау:
-
Штативті үстелдің шетіне орнатыңдар. Оның жоғарғы жағына қысқыш арқылы сақина бекітіп, оған жіпке байланған жүкті іліңдер. Жүк еденнен 3 – 5 см жоғары тұруы керек.
-
Маятникті тепе- теңдік күінен 5 – 8 см–ге ауытқып, содан кейін оны жібере салыңдар.
-
Маятниктің ұзындығын өлшеуіш таспамен өлшеп алыңдар.
-
Толық 40 тербеліс ( N ) жасауға кеткен t уақытты өлшеңдер.
-
t
уақытты қайтадан өлшеп (тәжірибе шартын өзгертпей), оның
tорт
орташа мәнін
табыңдар. -
Уақыттың tорт орташа мәні бойынша тербеліс периодының Торт орташа мәнін табыңдар.
-
gорт=
формуласы бойынша еркін түсу
үдеуінің gорт
орташа мәнін есептеп шығаруға
болады. -
Өлшеу мен есептеу нәтижелерін кестеге жазыңдар.
-
Еркін түсу үдеуінің алынған gорт орташа мәнін g= 9,8 м/с² мәнін салыстыр.
-
Өлшеу дәлдігін бағалаңдар. ( 1 жұмысқа, ескертуге қараңдар)
|
Тәжірибе нөмірі |
L, м |
N |
|
|
Торт= |
gорт , м / с 2 |
|
1 2 3 |
0,6 0,6 0,6 |
10 5 15 |
15 10 22 |
16 |
1,6 |
9,3 |
Қорытынды: Математикалық маятниктің еркін түсу үдеуін өлшеп үйрендік.
№4 жұмыс.
Беттік толқындардың таралужылдамдығын анықтау.
Жұмыстың мақсаты: судағы беттік толқындардың таралу жылдамдығын анықтау.
Құрал – жабдықтар: лабороториялық жұмыстарға арналған ұзындығы 0,5- 1 м болатын кең ыдыс, қалтқы, пластелин, секундтық бөліктері бар сағат немесе секундомер, сызғыш.
Жұмысты орындау:
-
Ыдысты үстел үстіне қойып, оның ішіне су құйыңдар.
-
Ыдыс ернеуінің бір шетіне қалтқы салыңдар, ал оның қарсы шетіне су бетіне кішірек тасты тастап жіберіңдер.
-
Осы кезде пайда болатын толқулардың қалтқыға дейін таралу уақытын белгілеп алыңдар.
-
Мұндай тәжірибені бірнеше рет қайталап, толқынның L қашықтыққа тарайтын уақытының орташа мәнін анықтаңдар.
-
Толқынның таралу жылдамдығын есептеңдер.
-
Алынған нәтижелерді кестеге жазыңдар.
-
Өлшеу дәлдігін бағалаңдар.
|
Тәжірибе реті |
Уақыт t , с |
Уақыттың орташа мәні tорт, с |
Қашықтық L , м |
Толқын жылдамдығы υ , м/с |
|
1 2 3 |
1,6 1,8 1,9 |
1,7 |
0,3 0,2 0,25 |
0,15 |
Қорытынды: Судағы беттік толқынның таралу жалдамдығын анықтады.
10 КЛАСС.
№ 1 жұмыс.
Дененің ұшу қашықтығының лақтыру бұрышына тәуелділігін зерттеу.
Жұмыстың мақсаты:дененің ұшу қашықтығының лақтыру бұрышына тәуелділігін зерттеу.
Құрал-жабдықтар: баллистиқалық зертханалық пистолет, сантиметрлік бөлігі бар өлшеуіш лента, 2-3 таза және көшірме қағаз, жапсырма лента.
Теориялық
түсінік.Горизонталь бетте көкжиекке әр
түрлі бұрыш жасай оқ атқанда оның ұшу қашықтығы мына формуламен
өрнектеледі: ![]()
Б
ұл
формуладан оқтың 0°- тан 90°- дейін ұшу бұрышын өзгерткенде оның
ұшу қашықтығы әуелі кейбір мәнге дейін артады да, сосын нөлге дейін
кемитіні көрінеді. Түсу қашықтығы
соsα
мен
sinα
көбейтіндісінің үлкен мәнінде
максимал болады. Міне, осы тәуелділікті тәжірибеде 13.1-суретте
көрсетілген баллистикалық пистолетпен тексеру
керек.Пистолет
бұрыш өлшеуіші 3 бар, қапсырма
шегеге 2 бекітілген осьтің бойында
шыбығы (стержень) бар ширатылаған (спираль) серіппеден 1 тұрады.
Ұзына бойында тесік каналы бар шыбыққа арнайы шарик 4 орнатылған. Шарикті қондырған кезде серіппені сығады да шыбықтың табанындағы босатқыш ілмекке ілінеді. Егер босатқыш ілмектің 5 шығып тұрған бөлігін басып қалса, шар босайды да, серіппенің әрекетінен ол шыбық бойымен белгілі бір бағытта қозғалады. Шариктің ұшу жылдамдығының V0 модулін барлық тәжіриби үшін бірдей етіп алу керек.
Үстелде шариктің түсер жеріне ақ, таза қағаздың бетін екі бөлек жапсырма лентамен бекіту керек, ал үстіңгі жағына көшірме қағаз қойылады. Шарик құлағанда қағазда айқын із қалады.
Жұмыстың орындалу тәртібі.
1.Дәптерге өлшеулер мен есептеулер нәтижесі жазылатын кесте
дайындаңдар.
|
α° |
20 |
30 |
40 |
45 |
50 |
60 |
70 |
|
ℓ, см |
124 |
137 |
141 |
154 |
144 |
110 |
58 |
2. Баллистика пистолеттің құрылысымен, жұмыс істеу принципімен танысыңдар.
3.Үстелдің шетіне баллистиқалық пистолетті қысып қоятын бұраманы орнатып, бұрыш өлшегішпен пистоллетті 45° бұрышпен бекітіңдер. Қағазды жапсырмай, байқау үшін атып көріңдер де, шамамен шариктің түскен орнын белгілеңдер. 45° бұрышпен атқанда шарик қағаздың шетіне түсетіндей етіп таза қағазды үстелге бекітіңдер, сосын үстіне көшірме қағазды салыңдар.
4. Пистолетті 20°,30,° 40°, 45°бұрыштармен орнатып, әрбір бұрышқа 3-4 рет атыңдар.
5.Пистолетті бұрып, оны 50°, 60°, 70° бұрыштармен бекітіп, әрқайсысына 3-4 атып, тағы да әрбір бұрыштағы шариктің түскен ізіне ату бұрышының мәнін жазыңдар.
6. Әрбір бұрыш үшін шариктің түскен қашықтығының орташа мәнін өлшеңдер. Өлшеу нәтижелерін кестеге түсіріңдер.
Жұмыстың нәтижесі.
1. Пистолетті 20°, 30°, 40°,45°,50°,60°, 70° бұрышқа орнатып 3 рет атамыз. Есептеулерді кесте түрінде жазайық.
-
Бұрыш
ℓ1,м
ℓ2,м
ℓ3,м
ℓорт.,м
20°
1,20
1,25
1,27
1,24
30°
1,27
1,41
1,42
1,37
40°
1,32
1,42
1,50
1,41
45°
1,44
1,58
1,59
1,54
50°
1,39
1,45
1,47
1,44
60°
1,00
1,17
1,14
1,10
70°
0,57
0,58
0,60
0,58
Бақылау сұрақтарына жауап беріңдер:
1.Қай бұрышпен атканда шариктің ұшу қашыктығы ең үлкен мәнге ие болады?
450 бұрышпен атқанда ұшу қашықтығы үлкен болады.
2.Қай бұрышпен атқанда ұшу қашықтықтары шамамен бірдей және осы бұрыштардың косындысы неге тең? Бұл ұшу қашықтығын аныктайтын формуламен сәйкес келе ме? 400 және 500 бұрышпен атқанда ұшу қашықтығышамамен бірдей,қосындысы 900 болады.
Қорытынды:Баллистикалық пистолетпен жұмыс жасауды үйреніп, жылдамдықтың модулін бірдей етіп көңіл бөлінді. Есептеулер мен өлшеулерді жүргізе отырып, шариктің түскен қашықтығының орташа мәні табылды. Зертханалық жұмысты орындау барысында баллистикалық пистолетті қолдана отырып, дененің ұшу қашықтығы 45° - та үлкен екеніне көз жеткіздік.
№2 жұмыс.
Шардың инерция моментін анықтау.
Жұмыстың мақсаты: Шардың айналмалы қозғаласының кинетикалық энергиясы мен бұрыштың жылдамдығын білеотырып, шардың инерция моментін анықтау.
Құрал-жабдықтар: зертханалық жұмысқа арналған штатив, доға тәріздес науа, диаметрі және массалары әр түрлі шарлар, өлшеуіш сызғыш, тіктеуіш, көшірме қағаз.
Теориялық түсінік.Шардың инерция моментін анықтау үшін, оның айналмалы қозғалысының кинетикалық энергиясы мен бұрыштық жылдамадығын білу керек, ол W = Jώ2⁄2; J= 2Wайн.⁄ώ2;
Горизонталь В деңгейге қатысты А нүктесінде шар mgh потенциалдық энергияға ие болады. Шар науанының бойымен домалаған кездегі оның потенциялық энергиясы дененің ілгерілемелі қозғалысының кинетикалық Wіл және айналмалы қозғалысының Wайн. кинетикалық энергиясына айналады. Шар үшін В нүктесінде
т
gh=Wіл+Wайн.теңдігі орындалады.
Осыдан

Мұндағы
мен ω – шар центрі массасының
сызықтық жылдамдығы мен оның В нүктесіндегі айналмалы қозғалысының
бұрыштық жылдамдығы. Науаға қатысты массалар центрінің сызықтық
жылдамдығы және шар бетінің айналу осінен барынша қашық нүктесінің
сызықтық жылдамдығы
массалар центріне қатысты өзара тең, сондықтан былай жазуға
б
олады:мұндағы R – шар
радиусы.
Сонда шардың инерция моменті үшін мынадай формула алынады:
J=mR2(2gh
|
2
-1)![]()
В нүктесіндегі шардың массалар центрінің сызықтық жылдамдығын табу үшін шардың ұшу қашықтығы ℓ мен оның үстел бетіне дейін қозғалыс уақытын t білу керек ,яғни ұшу уақыты мына қатынастан
![]()
табылады: осыдан
Демек,
![]()
(13.3)-ті (13.2) –ге
қойып,
аламыз.
Сонымен шардың инерция моментін табу үшін науаның горизонталь бөлігінің үстел бетінен биіктігін H, шардың сырғанай бастағаннан науаның горизонталь бөлігіне дейінгі h және шардың H биіктіктен құлағандағы горизонталь бойымен қозғалатын қашықтын ℓ өлшеу қажет. Шардың үстелге құлаған ізі қағазға төселген көшірме қағаздың көмегімен белгіленеді.
Жұмысты орындау:
1.Науаның горизонталь бөлігінің үстел бетінен биіктігін Н өлшеу.
2.Шардың сырғанай бастаганнан науаның горизонталь бөлігіне дейнгі биіктігін h өлшеу.
3.Шардың Н биіктіктен құлағандағы горизонталь бойымен қозғалатын қашықтығын ℓ өлшеу.
Кесте толтыру.
|
Өлшеулер |
1 |
2 |
3 |
|
Н, м |
0,23 |
0,23 |
0,23 |
|
Н1,м |
0,39 |
0,39 |
0,39 |
|
h,м |
0,16 |
0,16 |
0,16 |
|
ℓ1,м |
0,235 |
0,225 |
0,27 |
|
ℓ2,м |
0,24 |
0,245 |
0,278 |
|
ℓ3,м |
0,245 |
0,248 |
0,298 |
|
ℓср. |
0,24 |
0,239 |
0,282 |
|
R,м |
0,0125 |
0,009 |
0,01 |
|
m,кг |
0,073 |
0,023 |
0,005 |
|
J,кг/м3 |
0,102*10-5 |
0,168*10-6 |
4,255*10-7 |
ℓорт=ℓ1 +ℓ2+ℓ3/ 3=0,25м;
5.Инерция моментін есептеу.
Бақылау сұрақтарына жауап беріңдер:
1.Берілген жұмыстағы дененің инерция моментін табу әдісін түсіндіріңдер.
Шардың айналмалы қозғалысының кинетикалық энергиясы мен бұрыштық жылдамдығын білу және биіктікті өлшеу әдісі.
2.Осы әдісті науаның идеал тегіс жағдайына колдануға бола ма?
Бұл әдісті науаның идеал тегіс жағдайында қолдануға болмайды.
3.Сендер бұдан да баска инерция моментін анықтаудың кандай эксперименттік әдістерін білесіндер?
4.Берілген жұмыста колданылған әдістің артыкшылығы мен кемшілігі қандай? Артықшылығы жұмыс жеңіл орындалады.
Кемшілігі өлшеуде қателік кездеседі,өлшеу құралдары көрсетілмеген.
Қорытынды:Өлшеу және есептеу нәтижесі бойынша шардың инерция моментін тауып, ол шарды массасына тәуелді екенін білдік.
№3 жұмыс.
Дененің кинетикалық энергиясының өзгеруі мен серпінділік күшінің жұмысын салыстыру.
Жұмыстың мақсаты: Кинетиқалық энергия туралы теоремаға сүйене отырып, дененің кинематиқалы энергиясының өзгеруі мен серпінділік күшінің жұмысын салыстыру.
Керекті құралдар: жаппай жұмысқа арналған штатив — 2 дана, мектеп динамометрі, шар, жіп, миллиметрлік бөлігі бар ұзындығы 30 см өлшеуіш сызғыш, штативі бар мектеп таразысы, гірлер.
Теориялық түсінік.
Кинетикалық энергия туралы теорема бойынша, денеге түсірілген күштің жұмысы дененің кинетикалық энергиясының өзгерісіне тең:
![]()
О
сы
тұжырымдаманы эксперимент жүзінде дәлелдеу үшін 13.3-суретте
көрсетілген қондырғы қолданылады.
Штативке горизонталь динамометр бекітіледі. Оның ілгішіне
ұзындығы 60-80 см жіп арқылы
шар байланады. Осындай биіктіктеекінші штативке қысқыш бекітіледі.
Қысқыштің шетіне шарды орна-тып, екінші штативке шармен бірге,
шарға динамометрсеріппесінің тарапынан
Fсер. Серпінділік күші әрекет
ететіндей жерге қашықтатады. Сосын шарды жібереді. Серпімділік
күшінің әрекетінен шар
жылдамдық алады да оның
кинетиқалық энергиясы нөлден m
2/2-ге дейін
өзгереді.
Шардың
Fсер.серпімділік күшінің әрекетінен
алған жылдамдығының модулін табу үшін шардың Н биіктіктен еркін
құлағандағы ұшу қашықтығын S өлшеу керек:
![]()
Осыдан
жылдамдық модулі
υ=s
g/
-қа тең, ал кинетиқалық
энергия
k=
mv2/2= m
s2
H
(13.5)
Гук заңы бойынша шарға әрекет ету кезіндегі серпімділік күші Fcер1-ден F сер2-дейін сызықтық өзгереді. Сонда серпімділік күшінің орта мән Fорт.серп = Fсер1 + Fcер2/2 =Fcер1/2.
Серіппенің деформациясын х өлшеп, серпімділік күшінің жұмысын есептеуге болады, ол А = Fорт.серп.х= ½ Fсерп1х. (13.6)
Бұл жұмыстың мақсаты мына
теңдікті тексеру болатын: А=
Wк,
Яғни ½ F серп1х=ms2g/4H. (13.7)
Жұмыстың орындалу тәртібі.
1. Штативтің біріне динамометрді бекітіп және екінші штативке дина-мометрмен бірдей деңгейде (40 см биіктікте) шар қоятын қысқыш орнатылады. Динамометр ілгішіне жіпке байланған шар ілінеді ( 13.3 –сурет).
2.Шарды штатив қысқышында ұстай отырып, штативті динамометрдің көрсету 2Н болғанға дейін қашықтатады. Сосын шарды босатып оның үстел бетіндегі түскен орнын белгілейді.Тәжірибені 2-3 рет қайталап, шардың ұшу қашықтығының s орта мәнін табыңдар.
3.Таразымен шар массасын өлшеп, серпімділік күші әрекетінен болған шардың кинетиқалық энергиясының өзгерісін есептеңдер:
=
m
2/2=
ms2
/4H
4.Cерпімділік күшінің 2Н мәніндегі динамометр серіппесінің х деформациясын өлшеп, серпімділік күшінің А жұмысын есептеңдер:
A = F орт. серп.х= ½ Fсерп1х.
5.Кинетикалық энергияның өзгерісі мен серпімділік күшінің жұмысын
анықтаудағы өлшеулер мәнінің қателік шегін тауып, оны бағалаңдар.
Серпімділік күші жұмысының алынған мәнін шардың кинетиқалық энергиясының өзгерісімен салыстырыңдар. Одан қорытынды шағарыңдар.
6.Динамометр көрсеткішін 3 Н–ға дейін үлкейтіп, тәжірибені қайталаңдар.
Кесте салу.
|
F,Н |
m, кг |
S1,м |
S2,м |
S3,м |
Sорт.м |
H,м |
ΔWк,Дж |
X1,м |
X2,м |
Δx,м |
A,Дж |
|
2 |
0,01 |
0,8 |
0,78 |
0,82 |
0,8 |
0,4 |
0,04 |
0,03 |
0,065 |
0,035 |
0,04 |
|
3 |
0,01 |
1,23 |
1,18 |
1,27 |
1,2 |
0,4 |
0,09 |
0,03 |
0,09 |
0,06 |
0,09 |
Бақылау сұрақтарға жауап беріңдер.
1. Қандай шарт орындалған кезде мәні ретінде оның бастапқы және соңғы мәндері қосындысының жартысын алып, айнымалы күштің жұмысын есептеуге болады?
Қорытынды: Серпімділік күші әрекетінен болған шардың кинетикалық энергиясының өзгерісін және серпімділік күшінің жұмысын есептеу арқылы, олардың тең болатынына көз жеткіздік.
№4 жұмыс.
Металдардың молярлық жылу-сыйымдылықтарын салыстыру.
Жұмыстың мақсаты: металдардың жылусыймдылықтарын салыстыру.
Керекті құралдар: калориметр, мензурка, суы бар ыдыс, электр плита, гірлері бар таразы, массалары 50 -100 г болатын алюминий, мыс және темірденелер.
Жылусыйымдылықтың классикалық теориясынан 1кмоль жылусыйымдылық қатты күйдегі барлық денелер үшін бірдей және
С = 3R = 2,5 * 104Дж *кмоль-1К-1 = 25 Дж/моль*К болады.
Мұны оңай тексеруге болады. Ол үшін массасы m қатты дененің температураның белгілі бір ∆Т интервалында суығанда беретін ΔQ жылу мөлшерін анықтау жеткілікті.
Жұмыстың орындалу тәртібі.
1.Таразының көмегімен калориметрдің mк және мыс, темір, алюминий денелердің массаларын өлшеңдер. Өлшеу нәтижелерін есеп беру кестесіне (2-кесте) енгізіңдер.
2. Денені ыдыстағы қайнап жатқан суға батырыңдар.
3.Калориметрге бөлме температурасындағы 100 см3 суды құйып, судың, калориметрдің t1 температурасын өлшеңдер. 4. Калориметрге 100°С-қа дейін қыздырылған мыс денені салып, жылулық тепе-теңдік орнағаннан кейінгі Ө температураны өлшеңдер.
5.Калориметрдегі суды алмастырып, осы тәсілмен алюминий және темір денелермен тәжірибені қайталаңдар.
6. Жылу балансының теңдеуін пайдаланып, үш дененің әрқайсысының су мен калориметрге берген жылуларының ΔQ мөлшерін есептеңдер:
ΔQ = (mкcк + mcу ссу)(Ө –t1) - (13.8)
мұңдағы mк – калориметр массасы, ск – калориметр дайындалған заттың меншікті жылусыймдылығы, mcу - калориметрдегі судың массасы, ссу - судың меншікті жылу сыймдылығы, t1- мен Ө – су мен калориметрдің бастапқы және соңғы температуралары.
7.С=ΔQM/m∆T өрнегін пайдаланып, мыстың, темірдің және алюминийдің молярлық жылусыймдылығын есептеңдер ( 2-кесте).
8. Жүргізілген өлшеулердің қатесін бағалаңдар.
Кесте салу
|
Зат |
m,кг |
mк,кг |
t1 |
Ө°С |
Δt=100°-Ө |
ΔQ,Дж |
М, кг·кмоль-1 |
С=ΔQ·M/m·ΔT,Дж·град-1·кмоль-1 |
|
Мыс Темір Алюминий |
0,1 0,075 0,1 |
0,025 0,025 0,025 |
24° 7° 25° |
26 19 28 |
74 81 72 |
886 5178 1329 |
64 56 27 |
63560 25760 3987 |
Қорытынды: таразы, калориметр әртүрлі денелермен жұмыс жасап, өлшеп, есептеп, үйренеді. Жылу баланс теңдеуін қолдана отырып, жылу мөлшерін анықтайды. Металдардың молярлық жылусыйымдылықтарын салыстырып, мыстың молярлық жылу сыйымдылығы үлкен екеніне көз жеткізеді.
№5 жұмыс.
Судың беттік керілу коэффициентін тамшының үзілуі және сұйықтыңкапилляр бойымен көтерілуі әдістерімен өлшеу.
Жұмыстың мақсаты: судың беттік керілу коэффициентін тамшының үзілуі әдісімен өлшеу және сұйықтын капилляр бойымен котерілуі әдістерімен өлшеу, зерттеу.
Керекті
құралдар: зертханалық таразы, гірлер,
штангенциркуль, өлшемі 1
10см қаңылтыр өлшеуіш сына,
ине, миллиметрлік бөліктері бар 30 см-лік өлшеуіш сызғыш, конус
тәріздес құты (колба), стақан, сабағы қысқа конус тәріздес құйғы
(воронка), шүмегі бар және ұшының диаметрі 3-4 мм болатын шыны
резеңке түтін, жаппай жұмысқа арналған штатив, тазартылған
су.
Теориялық
түсінік. Беттік керілу сұйықтың беттік
қабатының шекарасына әрекет ететін Fбеттік керілу күшінің, сол
шекараның ℓ ұзындығына қатынасымен
өлшенеді:
.
Сұйықтың
беттік керілуі шектелетін
шекералардың табиғатына және сұйықтың температурасына тәуелді.
Берілген жұмысқа судың беттік керілуін екі тәсілмен, тамшының
үзілуі және сұйықтың капилляр бойымен көтерілуі әдістерімен өлшеу
қажет.
1 Бірінші
әдіспен
өлшеу үшін 13.4-суретте
көрсетілгендей құрылғы жиналады. Ұшы 3 шыны, 2 краны бар резеңке
түтік 1 құйғыға кигізіліп штативке бекітіледі. Құйғыға таза су
құйылады. Шүмек арқылы судың жеке тамшылары стақанға ағатындай етіп
реттеледі.
Тамшының үзілер мезетінде беттік керулер күшінің F модулі массасы m тамшының Fау ауырлық күші модуліне тең болады
F=Fау
немесе
.

Жұмыстың орындалу тәртібі.
1-тапсырма. Судың беттік керілуін тамшының үзілуі әдісімен өлшеңдер.
1)Дәптерге өлшеу нәтижелерін және есептеулерді жазатын кесте даыйндаңдар (3 кесте).
2 )13.4 –сурет бойнша қондырғы жинаңдар.
3) Өлшеуіш сына мен штангенциркульдің көмегімен шыны ұшының ішкі диаметрін өлшеңдер.
3 - кесте
|
Тәжірибе № |
D,м |
n |
М,кг |
|
Δ |
|
|
1 2 3 |
0,006 0,006 0,006 |
80 120 160 |
0, 0081 0,0121 0,0163 |
54 54 54 |
0,16 0,16 0,16 |
1,6·10-4 1,6·10-4 1,6·10-4 |
4) Бос стақанның массасын 0,01г дейінгі дәлдікпен өлшеңдер.
5) 2 кран жабылады (13.4-сурет) да, құйғыға таза су құйлады. Түтіктің астына құты (колба) қойып, кранды жайлап ашып,түтікпен судың жеке тамшы болып ағуы реттеледі, жиілігі минутына 30-40 тамшыдай болғаны дұрыс. Осы шарт
орындалғанда ғана тамшының үзілуі ауырлық күшінің әрекетінен деп санауға болады.
6) Түтіктің астына бос стақан қойып, 80-100 тамшыны санап, стақанға жинап алыңдар.
7) Стақанды тағы да өлшеп, оған аққан тамшының массасын есептеңдер.
8) (13.10) теңдеудің көмегімен судың беттік керілуін есептеңдер.
9) Өлшеулердің абсолют және салыстырмалы қателерін мына теңдеулермен есептеңдер:
![]()
10) Өлшеулер мен есептеулер нәтижесін 3- кестеге жазыңдар.
2- тапсырма. Капилляр бойымен сүйықтың көтерілу әдісімен судың беттік керілуін өлшеңдер.
1.Кесте дайындау.
|
№ |
|
h |
D |
|
∆ |
|
|
1 |
1000 |
0,02 |
0,005 |
25 |
0,16 |
0,0064 |
3.Капиллярды суға батырып, оның бойымен көтерілген судың биіктігін өлшеңдер. h=2см=0,02м;
4.(13.11) формуласымен судың беттік керілуін есептеңдер
=
ghD/4=25Н/m
5.Өлшеуді бірнеше рет
қайталап
орт
орташа мәнін
табыңдар.
6.Өздерің алған мәнді оның кестелік мәнімен салыстырыңдар.
Қорытынды:Судың беттік керілу коэффициентін тамшының үзілу және капилляр бойымен сұйықтың көтерілу әдісімен өлшедік. Таразы, штангенциркульмен жұмыс жасау әдісін меңгерді.
Бақылау сұрақтарға жауап беріңдер:
1)Тәжірибеде неліктен тазартылған су қолданылады?
Беттік керілу коэффициентін нақты алу үшін
2) Қай әдіс беттік керілудің дәлірек мәнін береді?
Тамшының үзілу әдісі.
3) Жұмыста өлшенген шамалардың қайсысы салыстырмалы қатеге көбірек әсерін тигізеді? Ішкі диаметрді өлшеу
№6 жұмыс
Тізбектің бөлігі үшін Ом заңы.
Жұмыстың мақсаты: тізбектің бөлігіндегі ток күші, кернеу мен кедергі арасындағы тәуелділікті тағайындау.
Керекті құралдар: вольтметр; амперметр; миллиамперметр;номи-налды кедергілері 2Ом болатын резистор; реостат 6 Ом; МН 6,3 х0,3А маркалы шам; 4В-қа негізделген ток көзі; жалғағыш өткізгіштер(сымдар), макеттік тақта.
Жұмыстың орындалу тәртібі.
1- тапсырма.Тізбек бөлігі үшін ток күші, кернеу мен кедергінің арасындағы тәуелділікті тағайындаңдар.
1.13.6- суреттегі сұлба бойынша кедергісі 2 Ом болатын резисторды пайдаланып, электр тізбегін жинаңдар.
2. Тізбекті тұйықтаңдар және өлшегіш құралдардың көрсетуін жазып алыңдар.
3. Әрбір жағдай үшін U/R
кернеудің кедергіге қатынасын тізбек бөлігі үшін
анықтаңдар.
4. Өлшеу мен есептеулердің нәтижелерін 5-кестеге жазыңдар.
5. Өз корытыңдыларыңды Г. Омның тізбек бөлігіүшін жасалған тұжырымдамасымен салыстырыңдар.
13.6 -сурет
5-кесте
-
Төжірибе
№
Кедергі R, Ом
Ток күші I,A
Кернеу U, В
U/R
1
4
1,2
4,8
1,2
2
6
0,8
5,0
0,83
I=U/R; I1= 4,8В/ 4 Ом=1,2А; I2=5B/6Ом=0,83 А
Ескерту:приборлардың аспаптық
қателігіне байланысты мәліметтерде айырмашылық бар. Резистор R=
2
0,2
Ом.
Қорытынды:Амперметрдегі ток күшінің мәні мен U/R қатынасы тең болып, Ом заңының тізбек бөлігі үшін дұрыстығы анықталды.
2- тапсырма. Ом заңын пайдаланып, тізбек бөлігіндегі кедергіні анықтаңдар.
1.13.7-сурет бойынша тізбекті жинаңдар.
2.Тізбектегі ток күшінің әр түрлі мәніндегі R2резистор кедергісін өлшеңдер.
3
.Өлшеу мен
есептеу нәтижелерін алдын ала дайындаған кестеге
енгізіңдер.
Кесте толтырамыз.
-
-
№
І, А
U, В
R2, Ом
R1, Ом
1
0,6
1,2
2
6
2
1,1
2,2
2
6
3
1,5
3,0
2
6
-
R2=U/I; R2=1,2B/0,6A=2Oм;
R2=2,2B/1,2A=2Oм;
R2=3B/1,5A=2Oм.
13.7-сурет
4. Тізбек бөлігі кедергісінің мәнін есептеп салыстырыңдар және қорытынды жасаңдар.
|
№ |
I,А |
U,В |
R2,Ом |
R1,Ом |
|
1 |
0,6 |
1,2 |
2 |
6 |
|
2 |
1,1 |
2,2 |
2 |
6 |
|
3 |
1,5 |
3,0 |
2 |
6 |
3-тапсырма. Ом заңын пайдаланып тізбек бөлігіндегі кедергіні анықтаңдар.
1.2 –тапсырмаға берілген электрлік сұлбадан (13.7-сурет) вольтметрді ағытыңдар.
2.Резистордың маркировка бойыншакедергісін және миллиамперметрдің көрсетуі бойынша ток күшін біле отырып, кернеуді есептеңдер.
3. R2 резисторға вольтметрді қосып, эксперимент жүзінде алынған есептеулерді (нәтижені) тексеріңдер.
4. Қорытынды жасаңдар.
1)R=2Ом. Резистордың маркировка бойынша кедергісі. Амперметрдің көрсетуін жазып отырмыз.
2) R2 резисторға вольтметрді қосқанда, алынған мәлімет дұрыс болады.
|
№ |
R,Ом |
I,A |
U,B |
|
1 |
2 |
1,4 |
2,8 |
|
2 |
2 |
0,8 |
1,6 |
-
№
R, Ом
I, А
U, В
1
2
1,4
2,8
2
2
0,8
1,6
Қорытынды: Ом заңынан U=I·R формуласының дұрыстығы анықталды.
4-тапсырма (қосымша). Шамның кыл сымының кедергісін анықтаңдар.

13.8-сурет
-
13.8-сурет бойынша тізбек қүрыңдар.
-
Айнымалы резистор көмегімен шамның қыл сымын реттей отырып, шам арқылы өтетін токтың күші мен шам толық жөне әлсіз жанган кездегі кернеуді елшеңдер.
-
Тізбек бөлігі үшін Ом заңын пайдаланып, шамның қыл сымының кедергісін есептеңдер.
-
Өлшеу мен есептеу нөтижелерін алдын ала дайындалған кестеге жазыңдар.
-
-
№
I,А
U,В
R,Ом
1
0,19
4,2
22
2
0,2
4,6
23
3
0,21
5,2
25
-
|
№ |
I,A |
U,B |
R,Oм |
|
1 |
0,19 |
4,2 |
22 |
|
2 |
0,2 |
4,6 |
23 |
|
3 |
0,21 |
5,2 |
25 |
№ 7 Зертханалық жұмыс
Өткізгіштердің аралас жалғануы.
Мақсаты: ток тұтынушыларының аралас жалганған электр тізбегіндегі жүмысын оқып-үйрену.
Керекті қүралдар: вольтметрлер (3 дана); кедергісі 6 Ом болатын резистор; 6,3 В х 0,3 А (3 дана) шам; ток көзі; жалғағыш сымдар.
Жүмыстың орындалу тәртібі.
1-тапсырма. Айнымалы резисторды қосымша кедергі ретінде пайдаланып, аралас жалғауы бар электр схемасын окып-үйрену
1.13.9 –сурет бойынша электрлік сұлбаны жинаңдар.

13.9сурет
2.Л1, Л2 шамдары мен R айнымалы резисторлыраның бір-бірімен қалай жалғанғанын айтыңдар.
3. 1-және 2-нүктелер арасындағы U1кернеу мен 1- мен және 3- нүктелер арасындағы U2 кернеуді (айнымалы резистор – реттегіштің шекті жағдайында) өлшеңдер.
4.U = U1+U2 тендігінің дұрыстығына көз жеткізіңдер.
5.Резистордың реттегішін қозғай отырып, шамның жарықтылығының өзгеру себебін түсіндіріңдер.
Жұмысты орындау:
1.Л1 және Л2 шамдары параллель жалғанған.
2..U1, U2 жәнеU1,3 кернеуді вольтметр арқылы өлшеп U=U1+U2 дұрыстығын тексердік.
3.Шамдар параллель жалғанған. Кернеу екеуінде бірдей артса, шам жарықтайды.
Реттегіш арқылы кедергіні азайтсақ, кернеу артты.
Кесте толтыру
-
№
U12, B
U23,B
U=U13+U23
1
0,6
4,6
5,2
2
0,8
4,4
5,2
2- тапсырма. Шунт (айналып өту жолы) қызметін атқаратын айнымалы резисторы бар аралас жалғаудың сұлбасын оқып –үйреніңдер.
1.13.10-сурет бойынша электр тізбегін құрыңдар.

2.Л1, Л2 шамдары мен айнымалы резистордың өзара қалай жалғанғанын айтып беріңдер.
3.Шамдарға параллель вольтметр қосыңдар. Айнымалы резистор реттегішінің бір шекті жағдайдағы орнынан екінші шекті жағдайына қозғалта отырып, вольтметрдің көрсетуі мен шамның жарықтығын бақылаңдар. Байқалған эффектіні түсіндіріңдер.
4. Резистордың реттегішін максимал кедергіні беретін жағдайға қойыңдар (13.10-сурет). Шамның жарықтығын еске сақтап, осы жарықтыққа сәйкес вольтметрдің көрсетуін жазып алыңдар.
5.Резистордың реттегішін минималды кедергіні беретін жағдайға қойыңдар (13.10-сурет, төменгі бөлік). Шамның жарықтығын есте сақтап, осы жарықтыққа сәйкес вольтметрдің көрсетуін жазып алыңдар.
6.Аталған екі жағдайдағы шамдардың жарықтығы мен прибордың көрсетуін салыстырыңдар. Кедергі аз болғанда ( екінші жағдай), Л1 шам неге жанбайды? Ал оған қосылған вольтметр кернеуді неге көрсетпейді?
Жұмысты орындау:
Кесте толтырамыз:
|
R |
U1,B |
U2,B |
|
Rmax |
1,0 |
4,4 |
|
Rmin1 |
0,6 |
4,8 |
|
Rmin2 |
0 |
5,4 |
U1 –бірінші шамның кернеуі; U2- екінші шамның кернеуі.
Қорытынды: Реостатпен жалғанған Л1 шам кернеуіненЛ2 шам кернеуі артса, шам сөнеді. Кедергі аз болғанда Л1 шам жанбайды, кернеуі нөльге дейін кемиді. Себебі, шам қылының кедергісінен реостат кедергі аз болғандықтан тоқтың көп бөлігі Л2 шамға бөлінеді.
3- тапсырма. Потенциометрдің (кернеу бөлгіш) қызметін атқаратын айнымалы резисторы бар аралас жалғаудың сұлбасын оқып –үйрену.
1
.13.11-
сурет бойынша электр тізбегін құрыңдар.
2.Резистордың реттегішін бір шекті жағдайдан екінші шекті жағдайға жылжытыңдар. Вольтметрдің көрсетуін бақылаңдар.
3. Резистордың реттегішінің кез келген жағдайында тізбектегі жалпы кернеу ( 1 және 3 нүктелер арасы) V1 мен V2 вольтметрлері көрсетулерінің қосындысына тең болатынына көз жеткізіңдер, яғни айнымалы резистор U жалпы кернеуді U1 және U2 құраушыларына бөледі.
4.13.12-сурет бойынша V1,V2 вольтметрлерді шамдармен алмастырып, тізбекқұрыңдар.

Резистордың реттеуішін жылжыта отырып және шамның жарықтылығын бақылап, алдыңғы пунктте жасалған корытындының дұрыстығына көз жеткізіңдер.
Жұмысты орындау:
2. U1=0,8B; U1= 1,2B; U1=2,8B
U2= 0,8B; U2=1,2B; U2= 2,8B
U = 1,6B; U = 2,4B; U = 5,6B
13.11-суретбойыншарезисторреттегішінжылжытаотырып, жалпы кернеу U=U1+U2 қосындысына тең болатыны анықталды.
Вольтметрлерді ( 13.12 сурет бойынша) шаммен алмастырсақ, резистор реттеуішін кедергіні арттырып жылжытсақ, кернеу артып, шамының жарықтылығы күшейеді.
Қорытынды: ток тұтынушыларының аралас жалғанған электр тізбегіндегі жүмысын оқып-үйрендік.
№8 Зертханалық жұмыс.
Ток көзінің ЭҚК-ін және оның кедергісін анықтау.
Жұмыстың мақсаты: ток көзінің ЭҚК-ін және оның кедергісін анықтау.
Керекті құралдар: ток көзі (4,5В-тық батарея); амперметр; вольтметр; реостат (6Ом); жалғағыш сымдар.
Теориялық түсінік.
13.13 –суретте берілген сұлба бойынша реостат көмегімен тізбекке арналған Ом заңын I=Ԑ/R+r қолданып, тізбектегі ток күшін өзгертеміз. Амперметр мен вольтметрдің көрсетуі бойынша бірнеше өлшеулер жүргізіп, Ԑ ЭҚК-мен ток көзінің r ішкі кедергісін анықтаймыз.

1)I1 =Ԑ/R1+r және R1=U1/I1, сонда I1R1+I1r=Ԑ немесе
U1 +I1r=Ԑ,
2) U2+ I2r =Ԑ,
Осыдан U1 +I1r = U2 +I2r. Сонда r =U1-U2/I1-I2. (13.12)
I1r = Ԑ -U1, ал I2r = Ԑ - U2 болғандықтан, Ԑ = U2I1-U1I2/I1 -I2. 13.13-сурет
Ԑ= I1 -I2. ( R1-R2) /I2-I1 r = I1 R1- I2 R2/ I2-I1
Жұмыстың орындалу тәртібі.
1.13.13- суреттегі сұлбаға сәйкес тізбек құрастырыңдар.
2. Реттегішті реостаттың ортасына қойыңдар.
3. I1 амперметрдің және U1 вольтметрдің көрсетуін жазып алыңдар.
4. Реостаттың реттеуішін жылжыта отырып, жаңа орынға апарыңдар.
5. I2 амперметрдің және U2 вольтметрдің жаңа көрсетуін жазып алыңдар.
6. (13.12) және (13.13) формулаларын қолданып, ток көзінің электр қозғаушы күші мен ішкі кедергісінің шамасын есептеңдер.
7. Өлшеу қателерін анықтаңдар.
Кесте толтырамыз
|
№ |
U1 В |
U2 В |
I1 А |
I2 А |
rОм |
Ԑ В |
|
1 |
4,4 |
4,3 |
1,35 |
1,6 |
0,4 |
4,96 |
r = U1-U2/I1-I2 = 4,4B-4,3B/1,6A-1,35A =0,1B/0,25A= 0,4Ом.
Ԑ=U2I1 – U1I2/I1-I2= 4,3B·1,35A - 4,4B·1,6A/1,6A -1,35A=4,96B.
Ԑ
=Ԑпр
ΔԐ =4.96
0,16;
ΔԐ=
ΔиԐ +ΔоԐ==0,15+0,01=0,16.
Сұраққа жауап беріндер.1. Ток көзінің Э.Қ.К-і деп нені атаймыз?
Зарядтың ток көзінен алған электр энергиясының ток көзінің ішкі құрылысына тәуелділігін сипаттайтын шама ток көзінің Э.Қ.К деп аталады.
2.Реостаттың реттегішін қай бағытқа қозғаған дұрыс? Неге?
Реостат реттегішін сол бағытқа қозғаған дұрыс. Себебі кедергі азайып, ток пен кернеу артады.
Қорытынды:ток көзінің ЭҚК-ін және оның кедергісін анықтадық.
11 КЛАСС.
1- зертханалық жұмыс.
Жарықтың интерференциясын және дифракциясын бақылау.
Құрал – жабдықтар: 1) шыны пластиналар – 2 ; 2) қыздыру қылы түзу шам ( сыныпқа біреу ); 3) жарықтандырылған фотопленка ; 4 ) ұстараның жүзі.
Жұмыстың мақсаты: Интерференция және дифракция құбылыстарын бақылау.
Жұмыстың барысы:
Жарықтың интерференциясын бақылау. 1. Екі шыны пластинаны мұқият сүртіңдер, екеуін қосып , оларды бір – біріне саусақпен қысыңдар.
2. Пластиналарды күңгірт реңде шағылған жарықта қараңдар. Осы кезде пластиналарды олардан жарқырап шағылған жарық болмайтындай етіп ұстаңдар.
3. Пластиналардың жанасатын жерлерінде пайда болатын айқын түрлі – түсті тұйық сызықтарды бақылаңдар.
4. алынған интерференциялық көріністің ақ қабатының қалыңдығына сай физикалық және орналасуының өзгерістерін бақылаңдар.
5. интерференцияны өтетін сәуледе бақылап көріңдер.
Жарықтың дифракциясын бақылау.1. Фотопленкада ені 0,5 мм саңылау жасаңдар.
2. Саңылауды вертикаль етіп, көзге тақап ұстаңдар.
3. Саңылау арқылы вертикаль орналасқан шамның қылына қарап отырып, оның екі жағындағы түрлі – түсті жолақтарды бақылаңдар (дифракциялық спектр).
4. Саңылаудың енін 0,5 мм-ден 0,8 мм-ге өзгерте отырып, дифракциялық спектрдің қалай өзгеретінін байқаңдар.
Бақылау сұрақтары:
-
Жарықтың интерференциясы кез келген жағдайда бола ма? Оны барлық кездерде де бақылауға бола ма?
-
Қай жарықта интерференцияны бақылау оңай : өтетін немесе шағылған?
-
Гюйгенс – Френель принципін пайдаланып , жарықтың дифракциясын түсіндіріңдер.
-
Егер саңылаудың жолына жарық сүзгіштерін қойса , дифракциялық кескін қалай өзгерер еді? Мұны тәжірибеде тексеріп көріңдер.Дифракциялық кескін ені өзгереді.
-
Көзіңді сығырайтып , шамның қылына қара. Не көрдің? Көзіңді сығырайтуыңа қарай кескін қалай өзгереді? Кескін өлшемі өзгереді.
-
Дифракциялық спектрдің дисперсиялық спектрден айырмашылығы неде? Толқын ұзындығы мен жиілігіне байланысты.
Жұмыстың орындалуы :
-
Екі шыны пластинаны қосып , бір – біріне саусақпен қысу керек. Шағылған жарықта қараса , пластиналардың жанасатын жерлерінде түрлі – түсті сызықтар байқалады. Бұл интерференциялық көрініс. Қабат қалыңдығына сай орналасуы өзгереді.
-
Саңылауы бар фотопленканы вертикаль ұстап көзге тақап , вертикаль орналасқан шамның қылына қарап , оның екі жағындағы түрлі – түсті жолақтарды көреміз. Саңылау енін өзгерте отырып , спектрдің өзгерісін бақылаймыз.
Қосымша тапсырма.
1 тапсырма
«Жіңішке жіптен алынған жарық дифракциясы»
Құралдар: проекциялық аппарат, жылжымалы саңылау , жапқыш дискілер , рамкаға керілген жіп , экран.
Жұмысқа нұсқау:
-
Экранда барлық жері бірқалыпты жарықтанған саңылаудың айқын кескіні жіпсіз алынады.
-
Лампа қырының «қыры» саңылауға параллель орналасатындай және онымен бірге конденсордың оптикалық осінде жататындай етіп, жарық көзінің , конденсордың және саңылаудың орындарын ауыстырады.
-
Саңылаудың алдына конденсордың оптикалық осіне рамкағак керілген жіп қойылады, мұнда жіп пен саңылаудың параллельдігі сақталу керек. Саңылауды ақырындап тарылтады да, экранда дифракциялық спектрдің жолақтары алынады. Экранды 40 – 45 0 –қа бұрғанда кескін «созылады». Орта тұсында жарық жолақ пен оның оң жақ және сол жағында кезектесіп келетін күңгірт және жарық жолақтар кескінделген.
-
А мен А1 бағытында күңгірт жолақ
-
В мен В1 бағытында жарық жолақ
-
Δd =
- ң жұп саны с/тан
күңгірт -
Δd =
- ң тақ саны с/тан
жарық
2 тапсырма.
« Жұқа қабықшадағы жарық интерференциясы»
Құралдар: проекциялық аппарат , сабын қабықшасына арналған сым рамка , сабын ерітіндісі , экран.
Жұмысқа нұсқау:
-
Конденсор алдында сым тұзақ қойылады. Тұзақты конденсордан шыққан жарық шоғы оны толық жабатындай қашықтыққа орналастырады. Ол үшін тұзақтың артына жарық конусын вертикаль жазықтықта қиып өтетін , кішірек табақ, ақ қағазды жақындап қояды.Оны тұзақпен бірге отырғыштың бойымен қозғай отырып, жарық дағының тиісті өлшемі алынады. Тұзақ астына сабын ерітіндісі бар стақан қойып, тұзақты ерітіндіге толық батырады да, стақанды алып кетеді. Тұзақта сабын қабықшасы пайда болады. Сабын қабықшасынан жағылған жарық шоғының жолына универсал штативтің үшаяғына қондырылған объектив қосылады. Осы шоқтың бойымен объективті қозғай отырып экранда жап – жарық интерференциялық түсті жолақтары бар сабын қабықшасының айқын кескіні шығады.
III. Үйге : № 3 М/ж.даярлық
2- зертханалық жұмыс.
Дифракциялық тордың көмегімен жарықтың толқын ұзындығын анықтау.
Құрал – жабдықтар: 1) жарықтың толқын ұзындығын анықтайтын аспап; 2)дифракциялық тор; 3)жарық көзі.
Жұмыстың
теориясы. Жарықтың дифракциясы
дифракциялық тордың көмегімен жақсы бақыланады. Дифракциялық тордың
формуласы d sin φ=
Rλ
( 1) бойынша түрліше
ұзындықтағы толқындар үшін максимумдар түрліше бұрыштармен
бақыланады. Φ бұрышы аз және тор мен экранның а қашықтығы
саңылаудан толқынның максимумы бақыланатын b қашықтықтан көп үлкен
болатындықтан, sin φ=tg=
( 2) деп алуға болады. (§4.5
–ты қараңдар)
( 1 ) мен ( 2 ) формулаларынан
λ=
аламыз
:
Жұмыстың барысы:
-
Дифракциялық торды (1 )аспаптың рамкасына ( 2 ) қойып , оны көтерілгіш үстелдің қысқышына бекітіңдер ( 1 – сурет ).
-
Жылжымалы экранды (5) дифракциялық тордан 50 см қашықтыққа қойыңдар.
-
Дифракциялық тор (1) арқылы қарап, аспапты нысана саңылауынан көрінетін етіп қойыңдар. Осы кезде жылжымалы экранның қараңғы реңінде бірнеше ретті дифракциялық спектрлерді көруге болады. Спектрлер көлбеу тұрса, торды олар вертикаль болатындай етіп бұрып қойыңдар.
-
Экрандағы шкала бойынша бірінші реттік спектрдің қызыл және күлгін шекарасын анықтаңдар, сонымен қатар спектрдің жасыл сызығының орнын да байқаңдар.
-
Өлшеу нәтижелерін кестеге түсіріңдер.
-
Жылжымалы экран мен тордың арақашықтығын өзгертіп, өлшеулерді қайталаңдар. Мұны экранның әр түрлі үш орналасу жағдайы үшін қайталаңдар. үшін толқын ұзындығын анықтаңдар.
-
Қызыл, жасыл және күлгін сәулелер үшін толқын ұзындығының орташа мәнін табыңдар.
-
Өлшеу қателігін бағалаңдар.
Бақылау сұрақтары:
-
Дифракциялық тор дегеніміз не?
-
Тордың периоды деген не? Ол қалай есептеледі?
-
Спектрдің қай бөлігі экранның саңылауына жақын орналасқан: қызыл немесе күлгін?
-
Тор мен экранның арақашықтығы дифракциялық спектрдің ретіне қалай әсер етеді?
-
Тордың периоды дифракциялық спектрлердің арақашықтығына қалай әсер етеді?
-
Егер көшедегі шамға капрон , тюль арқылы қарайтын болсақ , неге олардың төңірегінде түрлі – түсті шеңберлер пайда болады?
Жұмыстың орындалуы:
|
Спектрдің реттілігі |
Тордың периоды, d ( м ) |
Тордан экранға (шкалаға) дейінгі қашық тық а |
Спектрдің шкала-лары және белгілері м |
Толқын ұзындығы , м |
||||
|
қызыл |
жасыл |
күлгін |
қызыл |
жасыл |
күлгін |
|||
|
1 |
10 – 5м |
0,5м |
14*10-2 |
9* 10-2 |
8* 10-2 |
7*10-7м |
5* 10-7 м |
4*10-7м |
|
2 |
10 – 5м |
0,5 м |
7* 10-2 |
5* 10-2 |
4* 10-2 |
7*10-7м |
5* 10-7 м |
4*10-7м |
d= 10-5м ; К =4
а
= 0,5
м
bқ= 14*10 -2м , bж=9*10-2м ; bкүл=8*10-2м
λқыз=
=
=
7*10-7м
λкүл=
=
=
4*10-7м ;
λж=
=
= 5*
10-7
м
d=10 – 5м ; К=2
а = 0,5м
bқ = 7* 10-2м ; bж =5*10-2м ; bк=4*10-2м
λқыз=
=
=
7*10-7м
λж=
=
= 5*
10-7
м
λкүл=
=
=
4*10-7м
Қорытынды:Бүгінгі сабақта дифракциялық тор арқылы 7 спектрдің ішіндегі қызыл , жасыл , күлгін түстерінің толқын ұзындығын анықтадық . алынған мәліметтер. Толқын ұзындықтарына сәйкес. Сонда λқыз= 7*10-7м λж= 5*10-7м λкүл=4*10-7м шықты.
3 - зертханалық жұмыс.
Шынының сыну көрсеткішін жазық параллель пластинаның көмегімен анықтау.
Құрал – жабдықтар: 1) жазық параллель шыны пластина; 2) ағылшын түйреуіші – 4 дана; 3) өлшеуіш сызғыш; 4 ) ақ қағаз ; 5) шам; 6 ) аккумулятор батареясы; 7) кілт ; 8) жалғағыш сымдар; 9)саңылауы бар экран; 10) транспортир.
Жұмыстың
теориясы. Жарық бір ортадан екінші
ортаға өткенде жарықтың сыну құбылысы бақыланады. Мұның себебі – әр
түрлі орталарда жарықтың таралу жылдамдығы түрліше болады. Сыну
заңы бойынша: n=
, (1
)
Мұндағы n – екінші ортаның бірінші ортаға қатысты сыну көрсеткіші. Егер бірінші ортаға ауа болса , оның абсолют сыну көрсеткіші 1 , онда екінші ортаның салыстырмалы сыну көрсеткіші абсолют сыну көрсеткішіне тең.

Жұмыстың барысы:
-
Электр шамын кілт арқылы батареяға қосып , тізбек құрыңдар.
-
Шамның алдына саңылауы бар экранды орналастырып , ал оның сыртына ақ қағаз қойыңдар.
-
Кілт арқылы тізбекті қосыңдар да қағаз бетінде жіңішке жарық жолағын алыңдар.
-
Жарық жолағына кез келген бұрышпен шыны пластинаны қойыңдар.
-
Пластинаның пішінін қағазға сызып , F шығу нүктесін белгілеңдер.
-
Тізбекті ағытып қағаздан шыны пластинаны алыңдар.
-
A және B , B және F нүктелерін қосып , түскен және шыққан сәулелерді сызыңдар. Пластинаға жарықтың B түсу нүктесінде перпендикуляр тұрғызыңдар.
-
Транспортирдің көмегімен түсу және сыну бұрыштарын өлшеңдер.
-
Шынының сыну көрсеткішін ( 1 ) формула бойынша есептеңдер.
-
Тәжірибені басқа түсу бұрыштары кезінде қайталаңдар және нәтижелерді салыстырыңдар ( тәжірибені 3 рет жүргізіңдер ).
-
Тәжірибелерді жарық көзінсіз , ағылшын түйреуіштерін пайдаланып жасаңдар.
Бақылау сұрақтары:
-
Шынының сыну көрсеткішінің жарық сәулелерінің түсу бұрышы артқан кезде қалай өзгеретінін анықтаңдар. Осы тәуелділіктің графигін сызыңдар.
-
Жарықтың сыну бұрышы түсу бұрышынан кіші немесе үлкен , сондай – ақ нөлге тең бола ала ма?
-
Абсолют сыну көрсеткішінің физикалық мағынасы неде?
-
Сыну көрсеткішін ең үлкен дәлдікпен , яғни ең кіші қатемен қалай анықтауға болады?

Жұмыстың орындалуы:
n
=
![]()
-
α =50 0= 0,766
β = 26 0 = 0,4384
n
=
=
= 1,7

-
α
=29 0
=
0,4840
β
=
19 0
=
0,3256
n=
=
= 1,48
~
1,5

-
α = 50 0 = 0,766
β = 24 0 = 0,4067
n=
=
= 1,7
Қорытынды: Бүгінгі зертханалық жұмыста біз шынының сыну көрсеткішін параллель пластинка арқылы анықтадық, сонда жарық сынғанда шынының сыну көрсеткіші n = 1,5 жуық мәнді сандар шықты.
4 - зертханалық жұмыс.
Зарядталған бөлшектердің ізін зерттеп үйрену.
Жұмыста Вильсон камерасымен алынған магнит өрісіндегі протонның ізі мен соған ұқсас зарядталған бөлшектердің ізін салыстыру керек.
Құрал – жабдықтар , қажетті
өлшеулер , өлшеу әдістері. Жұмыс зарядталған бөлшектер
үшін 4 – суретте берілген фотосуретпен жүргізіледі. I із протондікі
, II із ұқсастыру үшін беріледі. Магнит өрісінің индукциясы
фотосурет жазықтығына перпендикуляр. Екі бөлшектің бастапқы
жылдамдықтары бірдей және фотосурет шеттеріне перпендикуляр.
Белгісіз бөлшекті ұқсастыру оның меншікті зарядын q\ m протонның
меншікті зарядымен салыстыру жолымен жүргізіледі. Оны былай
орындайды: бөлшектердің ізін бастапқы бөлігіндегі радиустарын өлшеп
салыстырады. Шынында магнит өрісіндегі бөлшек үшін Ньютонның екінші
заңы былай жазылады: qʋB=m
, осыдан
=
.
Осы формулалардан зарядталған бөлшектердің меншікті заряды олардың іздерінің радиустарының кері қатынасына тең екені көрініп тұр.
Бөлшек ізінің қисықтық радиусын анықтау үшін 4 – суреттегі фотосуреттің бетіне мөлдір қағазды салады да , екі хорданың орталарынан перпендикуляр жүргізеді ( 5 – сурет ). Перпендикулярдың қиылысында шеңбердің центрі жатады. Оның радиусы сызғышпен өлшенеді.

Жұмысты орындауға дайындық.
-
Өлшеудің және есептеудің нәтижесін жазу үшін кесте дайындалады.
-
Фотосуреттен калькаға бөлшектердің ізі түсіріледі.
Эксперимент жүргізу , өлшеулер нәтижесін өңдеу.
-
Калькаға көшірілген бөлшек іздерінің бастапқы бөліктеріндегі қисықтың радиустарын өлшеңдер.
-
Калькаға түсірілген белгісіз бөлшек пен протонның меншікті зарядтарын салыстырыңдар. Өлшеу нәтижелері бойынша қандай бөлшек екенін анықтаңдар.
Бақылау сұрақтары:
-
Бөлшектер ізінің фотосуреттегі ізіне қатысты магнит индукциясы векторы қалай бағытталған?
-
Бір бөлшек ізінің әр түрлі бөліктердегі қисықтың радиусы неліктен әр түрлі ?
Жұмыстың орындалуы:
|
№ |
Өлшеу |
Есептеу |
qб /тб / qn /mn |
||
|
Rб |
Rn |
qб /тб |
qn /mn |
||
|
1 |
3*10 -2м |
28*10 -3м |
33 |
36 |
0,7 |
|
2 |
35*10 -3 м |
3 *10 -2м |
29 |
33 |
0,6 |
-
Протон бөлшек.
r
1 = 2,8 см = 28 *
10 -3
м
r2 = 3 см = 3,10 -2м
=
![]()
=
= 35,7
~
36
=
![]()
=
=
33
Белгісіз бөлшек.
-
r 1= 3 см = 3 *10 -2м
r 2= 3,5 см = 35*10 -3 м
=
=
=33
=
=
= 28,5
~
29
-
=
=
= 0,9 -
=
=
=0,87
Вильсон камерасымен белгісіз
бөлшек пен протонның радиустарын, меншікті зарядтарын анықтадық.
Қатынастарын салыстырғанда екі бөлшекте бірдей санды
көрсетті.
48
жүктеу мүмкіндігіне ие боласыз
Бұл материал сайт қолданушысы жариялаған. Материалдың ішінде жазылған барлық ақпаратқа жауапкершілікті жариялаған қолданушы жауап береді. Ұстаз тілегі тек ақпаратты таратуға қолдау көрсетеді. Егер материал сіздің авторлық құқығыңызды бұзған болса немесе басқа да себептермен сайттан өшіру керек деп ойласаңыз осында жазыңыз
Зертханалық жинақ
Зертханалық жинақ
7 КЛАСС.
№1 жұмыс.
Өлшеуіш цилиндр (мензурка)бөліктерінің құнын анықтау. Дененің көлемін өлшеу.
Жұмыстың мақсаты: Өлшеуіш цилиндрді мысалға ала отырып, аспаптар шкалалары бөліктерінің құнын анықтау; оларды қолдануды үйрену және өлшеуіш цилиндрді пайдаланып, дененлердің көлемін өлшеу.
Құрал – жабдықтар: Өлшеуіш цилиндр(мензурка) , су құйылған тос-таған, жіңішке жіп, әр түрлі ыдыстар мен денелер (гайка, өшіргіш,т.б.)
1 - тапсырма: Өлшеуіш цилиндр бөліктерінің құнын анықтау.
Жұмыстың барысы:
-
Өлшеуіш цилиндрді мұқият көріп шығыңдар, оның шкаласына зер салыңдар. Қолдарыңдағы өлшеуіш цилиндрдің шкаласындағы жазуға қарап, ол арқылы көлемді қандай бірліктермен анықтауға болатынын дәптерлеріңе жазып алыңдар.
-
Оқулықтағы 10-параграфты қайталап, қолдарыңдағы өлшеуіш цилиндрдің бөлік құнын анықтаңдар.
-
Сұйық көлемін см3 өлшем бірлікпен аламыз.
-
Өлшеуіш цилиндрдің бір бөлік құны 1 см3.Аспап қателігі бөлік құнының жартысына тең,яғни 0,5 см3.
-
Қолдарыңдағы өлшеуіш цилиндрді пайдаланып, жүргізілген өлшеулердің қателігін анықтаңдар. Ол үшін цилиндрге су құйып, құйылған судың көлемін өлшеу қателігін ескере отырып анықтаңдар.
-
Анықталған шамаларды дәптерге жазып алыңдар.
-
Өлшеуіш цилиндрдің сипаттамаларын және өлшеген сұйық көлемін мына кестеге жазыңдар:
|
Мензурканың ең үлкен өлшеу көлемі, оның бірлігі |
Мензурка бөлігінің құны |
Өлшеу қателігі |
Қателігі көрсетілген өлшеу нәтижесі (сұйық көлемі) |
|
100 см3 |
1 см3 |
0,5 см3 |
54-0,5 |
Ескерту: Сұйықтық көлемін есептегенде көздің шкаланы көру деңгейіне көңіл аударыңдар. Көзді су бетінің жазықтығымен дәл келетін горизонталь деңгейде бағыттау керек.
2-тапсырма.Әр түрлі пішіндегі қатты денелердің көлемін анықтау.
Жұмыстың барысы:
-
Өлшеуіш цилиндрге қатты дене толық болатындай етіп су құйып, денені сұйыққа толық батырыңдар. Сонда мензуркадағы судың соңғы және алғашқы деңгейлерінің айырмасы қатты дененің көлеміне тең болады.
-
Пішіні мен көлемі әр түрлі 2 – 3 қатты денені таңдап алып, оны жіңішке жіппенбайлап, суы бар өлшеуіш цилиндрге салыңдар да,
көлемін анықтаңдар. Өлшеу нәтижелерін кестеге жазыңдар.

|
Өлшейтін дене |
Сұйықтың бас-тапқы көлемі ( V1, см3 ) |
Дене мен сұйықтық-тың көлемі (V2, см3 ) |
Қатты дененің көлемі (V =V1- V2) см3 |
|
цилиндр Тас |
60 38 |
72 45 |
12 7 |
.Өлшеуіш цилиндрге сыймайтын дененің көлемін шүмегі бар ыдыстың
көмегімен анықтауға болады. Өлшеу алдында ыдысқа шүмектің
жоғарыдеңгейінежеткенше су құйылады. Денені
ыдыстағысуға батырғанда оның көлеміне тең су асып
төгіледі.төгілген судың көлемін мензуркамен өлшеп,
батырылған ірі дененің көлемін анықтайды.
Егер зертханада шүмегі бар ыдыс жоқ болса, онда бірінің ішіне бірі сиятын кез келген ыдысты пайдалануға болады. Бұл жағдайда ішкі ыдысқа суды кемеріне дейін толтырып құю керек. Денені суға батырғанда оның көлеміндей су сыртқы ыдысқа құйылады. Құйылған судың көлемін мензуркамен өлшейді.
Қорытынды. Оқушылар аспаптың бөлік құнын таба білуге, аспап қателігі, әр түрлі пішіндегі дененің көлемін анықтау туралыбілімі толығады.
№2 жұмыс.
Кішкентай денелердің өлшемдерін анықтау.
Жұмыстың мақсаты: Қатарлау тәсілімен өлшеп үйрену.
Құрал–жабдықтар: Сызғыш, кішкентай денелердің жиынтығы(бытыра, подшипник шариктері, бұршақ, тары, сымның қиындылары. т.б.), астауша, бұранда, бұранда шеге, бұранғыш(гайка).
1 – тапсырма. Шариктің диаметрін өлшеу.
Жұмыстың барысы:
1
.Астаушаға шариктердің
бірнешеуін салыңдар да, оның екі жағындағы жылжымалы тиекті қозғай
отырып, оларды бір – біріне.
түйістіріңдер. Сызғышпен екі тиектің L арақашықтығын өлшеп алыңдар.
Оны астаушадағы шариктердің N
санына бөліп, бір шариктің диаметрін анықтаңдар: d
=
![]()
2.Ұсақ денелердің өлшемдерін анықтайтын мұндай тәсіл қатарлау тәсілі деп аталады. Қатарлау тәсілімен жоғарыда аталған басқа да материалдардың өлшемдерін (диаметрлерін)анықтауға болады.
3.Өлшеу мен есептеу нәтижелерін мына кестеге жазыңдар.
|
Зерттелетін дене |
Қатардағы бөлшектердің саны ( N ) |
Қатардың ұзындығы ( L, мм ) |
Диаметр (d , мм ) |
Диаметрді өлшеу қателігі ( hd , мм ) |
|
Шарик Бұршақ |
10 25 |
18 15 |
1,8 0,6 |
1,75 |
Өлшеу қателігі 0,1:2=0.05мм
2 – тапсырма. Бұранда қадамын өлшеу.
Жұмыстың барысы:
-
Бұранда қадамы деп қатар жатқан орам оймасының ара қашықтығын айтады. Бұранда қадамы өте аз шама болуы да мүмкін. Сондықтан оны анықтау үшін де қатарлау тәсілі қолданылады.
-
Бұранданың немесе бұрандашегенің орам оймалары орналасқан бөлігінің L ұзындығын сызғышпен өлшеп алыңдар. Одан кейін оймалардың N орам санын мұқият санап шығыңдар. Бұранда қадамы: d =
өрнегімен
анықталады. -
Бұранда қадамын анықтауда (әсіресе, оймасы ішкі жағында болатын бұранғыштар үшін) бұранда оймасының бедерін қағаз бетіне түсіріп алып өлшеу ұтымды болады. Ол үшін бұранда оймасы орналасқан бетті сия немесе жұмсақ графитпен ( қарындашпен) бояп алу керек.
-
Өлшеулер мен есептеулер нәтижелерін мына кестеге толтырыңдар.
|
Зерттелетін дене |
Ойма ұзындығы ( L, мм) |
Орам саны N |
Бұранда қадамы ( d, мм) |
Бұранда қадамын өлшеу қателігі (hd , мм) |
|
Бұранда Бұранғыш Бұрандашеге |
3 2 3,2 |
6 5 7 |
0,5 0,4 0,46 |
0,45 0,35 0,41 |
Қорытынды.Кішкентай денелердің өлшемін анықтап,нәтижесін өлшеу қателігімен жазуға үйрену.
№ 3 жұмыс.
Қатты дененің массасы мен тығыздығын анықтау.
1 – тапсырма. Дененің массасын таразыға тартып өлшеу.
Құрал – жабдықтар: Таразы, ұсақ кірлер,параллелепипед тәрізді біл-еуше және массасы әр түрлі кішігірім бірнеше дене.

Жұмыстың барысы:
Дененің массасын анықтау тәсілдерінің бірі - таразы көмегімен өлшеу. Осындай таразылармен өлшеу кезінде оның бір табақшасына (сол жақтағы) массасы белгісіз дене, ал екіншісіне (оң жақтағы) таразыны теңгеретін кірлер салынады.Дененің массасы таразыны теңгеретін кірлердің массасына тең. Ол үшін:
-
Таразыны өлшеуге дайындаңдар. Таразының дұрыс теңгеріліп тұрғандығына көз жеткезіңдер;
-
Таразыны бұзып алмау үшін өлшенетін денені және кірлерді таразы табақшаларына жайлап қою керек.
-
Денені кірлермен теңгеріп болғаннан соң, таразы табақшасындағы кірлердің жалпы массасын есептеңдер.
Өлшеу нәтижелерін төмендегі кестеге жазыңдар.
|
Тәжірибе реті |
Өлшенетін дене |
Дененің массасы, г |
Дененің массасы, кг |
|
1. 2. 3. |
Шарик Білеуше Цилиндр |
61,5 10,5 97 |
61,5*10-3 10,5*10-3 97*10-3 |
Қорытынды:Таразыны өлшеуге даярлау,дене мен гірлерді табақшаға қою, денені кірлермен теңгеруге дағдылану,массасын жазуға үйрену.
2 – тапсырма. Дененің тығыздығын анықтау.
Құрал – жабдықтар: тығыздығы анықталатын денелер, мензурка, сызғыш, жіп.
Жұмыстың барысы:
-
Алдыңғы берілген тапсырмадағы массасы анықталған денелерді алыңдар. Параллелепипедтің көлемін анықтау үшін сызғышпен оның қабырғаларын өлшеңдер, содан соң оның көлемін (V=abc) есептеңдер.
-
Пішіні күрделі болып келген басқа денелердің көлемін мензурка көмегімен анықтаңдар немесе № 1 зертханалық жұмыста көлемі анықталған денелерді пайдаланыңдар.
Дене тығыздығын формуласымен есептеп, оны г / см3 және кг / м3 – пен өрнектеңдер. Өлшеу мен есептеу нәтижелерін төмендегі кестеге жазыңдар.
|
Тәжірибе реті |
Тығыздығы анықталатын дене |
Дененің массасы, г |
Дененің көлемі, см3 |
Тығыздығы p
= |
|
|
г/см3 |
кг/м3 |
||||
|
1. 2. |
Шарик Цилиндр |
61,5 97 |
9 12 |
6,8 8,1 |
6800 8100 |
Қорытынды.Дене тығыздығын анықтау үшін таразы мен мензурканы қолдана білу.Тығыздық формуласы арқылы нәтижені тауып,өлшем бірлігін жаза білу.
№ 4 жұмыс.
Серпімді деформацияны зерделеу.
1
-тапсырма. Серпімді элементі
серіппе болып табылатын мектеп динамометрін
градуирлеу.
Құрал – жабдықтар: динамометр, бір
тілім қағаз, әрқайсысының массасы 102г
болатын жүктер жиыны, қысқышы, сақинасы
және жалғастырғышы (муфтасы) бар штатив.
Жұмыстың барысы:
-
Динамометр шкаласын ақ қағазбен бүркеңдер. Қағаздың екі жағы резеңке сақиналардың көмегімен динамометрге бекітіледі.
-
Динамометрге массалары102г, 204г, 306г және т.б. жүктерді іле отырып, 1Н, 2Н, 3Н, т.с.с. күштерге сәйкес келетін көрсеткіш орнын белгілеңдер.
-
Көршілес сызықшалардың арасын өлшеңдер. Олар өзара тең бе? Неліктен осы шкалада нъютонның оннан бір үлестерін белгілеңдер. Көршілес сызықшалар арасын өлшеп олар тең екенін білу. Себебі ілінген жүктің массалары бірдей.
-
Өздерің жасаған шкаланы заводта градуирленген динамометрдің шкаласымен салыстырыңдар.
-
Өлшеу дәлдігін бағалаңдар.Сызғыштың бөлік құны-0,1мм. Аспап қателігі-0,05.
Қорытынды. Динамометрге жүктер ілу арқылы серіппенің созылуын белгілеп, ақ қағазға шкала салады. Жасалған динамометр арқылы жүктерді өлшейді.Градуирлеу тәсілін меңгереді.
2 – тапсырма: Серпімді дене мен оған әрекет ететін ауырлық күші мен оның арасындағыбайланысты анықтау.
Қ
ұрал –
жабдықтар: Қысқышы, сақинасы және
жалғас-
тырғышы бар штатив.Ұзындықтары 15 – 20 см болатын
бірдей екі резеңке жіп, ұзындығы 35 – 40 см болатын
бір тілім ақ қатырма қағаз (картон), жүктер жиынтығы,
сымнан жасалған ілгек, сызғыш, мектеп динамометрі.
Жұмыстың барысы:
-
Резеңке жіптердің бір ұшын ілмектеп байлаңдар, екінші жағын қағазбен бірге штатив қысқышына бекітіңдер. Резеңкелердің ұштары бір деңгейде болуынакөңіл аударыңдар. Ол деңгейді қатырма қағазда белгілеп қойыңдар.
-
Ілгектің көмегімен массалары m1= m, m2 =2m, m3=3 m жүктерді кезекпен бір жіпке іліңдер.
-
Резеңкенің созылған кездегі орнын белгілеңдер.
-
Денені ілгектің көмегімен екі жіпке қатар іле отырып, тәжірибені қайталаңдар.
-
Ауырлық күші мен серпімді деформацияның арасындағы байланысты анықтаңдар. Өлшеу нәтижелерін кестеге жазыңдар. Эксперимент дәлдігі ауқымында Гук заңы орындала ма? Тексеріңдер.
|
Тәжірибе реті |
Резеңкелер саны |
Жүктің массасы,г |
Ауырлық күші, F=mg, H |
Жіптің ұзаруы, мм |
Жіптің ұзаруы, м |
|
1. 2. 3. 4. 5. 6. |
біреу біреу біреу екеу екеу екеу |
100 200 300 100 200 300 |
1 2 3 1 2 3 |
50 100 150 20 30 40 |
0,05 0,1 0,15 0,02 0,03 0,04 |
Қорытынды:Ауырлық күші артқан сайын жіптің ұзаруы артады.Денені екі жіпке қатар ілгенде жіптің ұзаруы азаяды.Себебі резеңкенің қатаңдығы артады.
№ 5 жұмыс.
Архимед заңын тексеру.
1 – тапсырма. Су ішіндегі массасы 100г денеге әрекет ететін ығыс-тырушы күшті анықтау.
Құрал – жабдықтар: суы бар ыдыс, массасы әр түрлі жүктер, динамо-метр, мензурка, жіп.

Жұмыстың барысы:
-
Мензурка көмегімен жүктің Vg көлемін анықтаңдар
-
Дененің өлшенген Vg көлемі мен су тығыздығы бойынша дене ығыстыратын су салмағын табыңдар.
-
Денені жіпке байлап, динамометр ілгегіне іліңдер және оған әрекет ететін ауырлық күшінің (дененің ауадығы салмағының) мәнін табыңдар.
-
Динамометр ілгегіне ілінген жүкті түгелімен суға батырып, оның су ішіндегі салмағын анықтаңдар және ығыстырушы күштің мәнін есептеңдер.
-
Ығыстырушы күш ығыстырылған су салмағына тең бе? (тең)
-
Тәжірибені басқа денемен жасаңдар.
-
Тәжірибе нәтижелерін кестеге жазыңдар.
|
Тәжірибе реті |
Дененің көлемі, Vg , м3 |
Дене ығыстырған сұйық салмағы P0, H |
Дененің ауадағы салмағы, P, H |
Дененің судағы салмағы P1,H |
Ығыстырушы күшFы, H |
|
1 |
9*10-6 |
9*10-3 |
0,6 |
0,5 |
9*10-3 |
P0=mg=ρcVg=9*10-3; P=0.6H; P2=0.5H; F A=g ρV=P0
Қорытынды:Дене ығыстырған сұйықтың салмағы мен ығыстырушы күш тең болатынына көз жеткізу.
-
Бұл тәжірибеде Архимед заңы қандай дәлдікпен орындалатынын бағалаңдар.
2 – тапсырма. Сұйыққа батырылған денеге әрекет ететін Fы ығыс-тырушы күштің дене көлеміне байланысты екенін тексеру.
Құрал–жабдықтар:Мектеп таразысы (табақшаларсыз), әрқайсысының массасы 100г болатын көлемдері әр түрлі екі дене, суы бар екі ыдыс.

Жұмыстың барысы:
-
Жүктерді таразы иіндеріне бекітіп, таразыны тепе – теңдік қалпына келтіріңдер.
-
Егер екі дененіде суы бар ыдыстардың ішіне батырсақ, таразының теп – теңдігі бұзыла ма? Сұраққа жауап беріңдер.
Қорытынды. Тепе-теңдігі бұзылады.Себебі, денелердің көлемдері әртүрлі. Көлемі үлкен денеге әсерететін Архимед күші көп. Таразы табақшасы көтеріледі.
3 – тапсырма. Fы ығыстырушы күштің Pс сұйық тығыздығына байланысты екенін тексеру.
Құрал – жабдықтар: Мектеп таразысы (табақшаларсыз), массалары мен көлемдері бірдей екі жүк , суы бар және судан басқа кез келген сұйық құйылған ыдыстар.
Жұмыстың барысы:
-
Жүктерді таразы иіндеріне бекітіп, таразыны тепе – теңдік қалпына келтіріңдер.
-
Егер бір жүкті суы бар ыдысқа, екіншісін басқа сұйық құйылған ыдысқа батырсақ, таразының тепе – теңдігі бұзыла ма? Сұраққа жауап беріңдер.
-
Тәжірибеде жауаптарыңды тексеріңдер.
Қорытынды: Таразының тепе-теңдігі бұзылады. Қай сұйықтың тығыздығы көп, ығыстырушы күші көп болады.
№6 жұмыс.
Дененің сұйықта жүзу шарттарын анықтау.
Тапсырма. Денелерді суға батырған кезде олардың суда жүзетінін, батып кететінін немесе қалқып шығатынын анықтау.
Құрал–жабдықтар: Динамометр, суы бар ыдыс, мензурка, ішіне салынған құмдарының массалары әр түрлі бірдей үш пробирка немесе құты тығыздығы белгілі сұйығы бар ыдыс (тұз қосылған су).


Жұмыстың барысы:
-
Динамометр көмегімен денеге әрекет ететін Fа ауырлық күшін өлшеңдер.
-
Мензурканы пайдаланып, дененің Vg көлемін анықтаңдар.
-
Денені сұйыққа батырған кезде оған әрекет ететін ығыстырушы күшті есептеңдер Fы = Pс gVg.
-
Fа ауырлық күші мен Fы ығыстырушы күшті салыстыру арқылы тапсырмада қойылған сұраққа жауап беріңдер.
-
Денені берілген сұйыққа батырып, жауаптарыңды тәжірибе жүзінде тексеріңдер.
-
Кестені толтырыңдар.
|
Тәжірибе реті |
Сұйық |
Fа , Н |
Vg, м3 |
Fы, Н |
Fа мен Fы қатысы |
Батады, жүзеді немесе қалқып шығады. |
|
1 2 3 |
Су Тұзды су Тұзды су |
1,5 1 0,95 |
13*10-6 9*10-5 1,2*10-4 |
1,5 0,93 1,3 |
FA =Fы FA FA
|
Жүзеді Батады Қалқиды. |
Қорытынды: Архимед күші мен ауырлық күші арасындағы байланысты тексере отырып, денелердің жүзу шарты орындалуына көз жеткізу.
№ 7 жұмыс.
Денені бірқалыпты көтеру кезіндегі жұмысты анықтау. Көлбеу жазықтықтың ПӘК – ін анықтау.
Ж
ұмыстың
мақсаты: Денені Һ биіктікке бірқалыпты
тік жоғары көтергенде істелетін пайдалы жұмыстың сол денені осы
биіктікке көлбеу жазықтық бойымен көтергенде істелетін толық
жұмыстан кем болатынын көрсету.
Құрал –жабдықтар: тақтай, динамо-
метр, өлшеуіш таспа немесе сызғыш,
ағаш білеуше, жылжымалы қысқашы
бар штатив.
1 –тапсырма: Денені Һ биіктігіне бір-
қалыпты тік жоғары көтергенде істелетін жұмысты анықтау.
Жұмыстың барысы: Денені Һ биіктікке бірқалыпты тік жоғары көтеру үшін F1 күші А1 жұмысын істейді. А1= F1Һ.
Денені бірқалыпты тік жоғары көтеретінF күші дененің Р ауырлық күшіне тең : F1= Р.
Оны динамометрмен тікелей өлшеу керек:
1) білеуді көтеретін Һ биіктігін таңдап алыңдар;
2) білеудің ауырлық күшін динамометрмен өлшеңдер;
3) білеуді Һ биіктігіне бірқалыпты тік жоғары көтергенде істелетін жұмысты есептеп шығарыңдар.
Жұмысты орындау: 1.Білеуді көтеретін биіктікH=40 см=0.4 м
Ауырлық күші F=0,7 Н. Көтергенде істелетін жұмыс А1= F1Һ. =0,7Н*0,4 м=0,28Дж
2 – тапсырма. Денені көлбеу жазықтың бойымен Һ биіктігіне бірқалыпты көтергенде істелетін жұмысты анықтау.
Жұмыстың
барысы: Денені жоғарыдағы таңдап
алынған
Һ биіктігіне тік көтерудің орнына,
F2
күшін түсіріп ұзындығы L
көлбеу жазықтықты пайдаланып көтеруге де болады. Алайда, көлбеу
жазықтықты пайдаланғанымызда, механиканың алтын ережесі бойынша
күштен ұтқанымызбен (F1
<
F2), оның есесіне жолдан
ұтыламыз (L>Һ). Көлбеу жазықтықты пайдаланғанда істелген
А2
жұмыс мынаған тең:
А2=
F2L
«Алтын ережеге» сәйкес үйкеліс есепке алынбаған жағдайда А1 және А2 жұмыстары бір - біріне тең: А1= А2 немесе F1Һ= F2L
Практикада үйкелісті болдырмау мүмкін емес, сондықтан толық жұмыс А2пайдалы А1 жұмыстан іс жүзінде үлкен: А2>А1
-
Тақтайды көлбеу орналастырыңдар(Һбиіктік пен көтерілетін білеу өзгеріссіз қалуы керек);
-
Көлбеу жазықтықтың L ұзындығын өлшеңдер;
-
Білеуге динамометрді іліп, оны көлбеу жазықтықтың бойымен жоғары қарай бірқалыпты қозғалтып тартыңдарда, F2 тарту күшін өлшеңдер;
-
Білеуді көлбеу жазықтықтың бойымен бірқалыпты көтергенде істелетін А2 жұмысты есептеңдер.
Жұмысты орындау: 1.Биіктік Һ=40 см=0.4 м
2.Көлбеу жазықтықтың ұзындығы L=65 см =0,65 м
3. F2 тарту күші F2=1,2Н
4.Білеуді көлбеу жазықтықпен көтергенде істелетін жұмыс
А2= F2L =1,2Н*0,65м=0,78 ДЖ
3 – тапсырма. Көлбеу жазықтықтың пайдалы әсер коэффициентін (ПӘК-ін) табу.
Жұмыстың
барысы: Көлбеу жазықтықты пайдаланып,
білеуді көтергендегі көлбеу жазықтықтың ПӘК-ін пайдалы
А1
жұмысты толық
А2
жұмысқа бөлгенге тең:
ŋ=
немесе (%) есептесек: :
ŋ=
*100
%
ПӘК –ті табу үшін : 1) Көлбеу жазықтықтың ПӘК –ін есептеңдер;
2) Механиканың «Алтын ережесін» пайдаланып (§76) үйкеліс есепке алынбаған жағдайда көлбеу жазықтық күштен қандай ұтыс беретінін есептеңдер. Есептелге F2 мәнімен динамометр арқылы өлшенген F2 мәнін салыстырыңдар;
3)Көлбеу жазықтықтың Һ биіктігін өзгертіңдер де істелген жұмыстарды және көлбеу жазықтықтың ПӘК –ін анықтаңдар;
Зертханалық жұмыстың барлық тапсырмалары бойынша алынған нәтижелерді мына кестеге түсіріңдер;
1.Көлбеу жазықтықтың
ПӘК-
=
*100%=36%
2.Көлбеу жазықтықтың формуласы
-
=
F2=
F1Һ/
L=0,4Н
F2- динамометрмен өлшенген мәні 1,2 Н, есептелген мәні -0,4 Н себебі үйкеліс күші бар
3.Көлбеу жазықтық биіктігін өзгертемізҺ=60 см=0,6 м
Ап=
F1Һ=0,42 Дж
АТ=
F2L=0,97
Дж;
=
*100%=43%
|
Көлбеу жазықтық бойымен тарту күші F2 (Н) |
Ауыр- лық күш F1(Н) |
Білеуді көлбеу жазықтық бойымен қозғалтып көтергенде істелетін толық жұмыс А2=F2 (Дж) |
Көлбеу жазықтық биіктігі, Һ (м) |
Көлбеу жазық- тық ұзын-дығы, L (м) |
Білеуді тік жоғары көтергенде істелетін пайдалы жұмыс , А1 =F1Һ (Дж) |
ПӘК (%) |
|
0,4 |
0,7 |
0,78 |
0,4 |
0,65 |
0,28 |
43 |
Қорытынды: Көлбеу жазықтық арқылы денені Һ биіктікке көтергенде пайдалы жұмыс Ап толық жұмыстанАТ аз болады. Көлбеу жазықтық биіктігі артқан сайын пайдалы әсер коэффициенті артады.
№8 жұмыс.
Иіндіктің теп – теңдік шарттарын анықтау.
Ж
ұмыстың
максаты: күш моменттері ережесінің
дұрыстығын иінтіректі пайдаланып, эксперимент жүзінде
тексеру.
Құрал –жабдықтар: Штативке орнатылған иіндік, жүктер жиынтығы, масштабты сызғыш, динамометр.
1 –тапсырма. Екі күштің әрекетіндегі иіндіктің теп – теңдік шартын тексеру.
Жұмыстың барысы:
-
Оқулықтағы «Иіндік», «Иіндікке түскен күштердің тепе – теңдігі» , «Күш момент-тері» туралы материалды қайталаңдар;
-
Иіндіктің екі ұшындағы бұрандаларды бұрап, оны горизонталь орналасатындай етіп теңгеріңдер;
-
Иіндіктің сол жағына айналу білігінен L₁ қашықтыққа массалары-ның қосындысы m₁ болатын екі жүк іліңдер.
Тәжірибе жасап, иіндіктің оң жағына оны тепе – теңдікке келтіретін бір жүкті айналу білігінен қандай L₂ арақашықтықта ілуге болады екенін анықтаңдар. Алынған мәліметті кестеге жазыңдар:
|
Біліктің сол жағы |
Біліктің оң жағы |
||||||
|
Масса m₁(г) |
Иін L₁ (см) |
Күш F₁(H) |
Күш моменті, М₁(Hм) |
Масса m₂ (г ) |
Иін L₂(см) |
Күш F₂(H) |
Күш моменті, М₂(Hм) |
|
200 300 |
10 6 |
2 3 |
20 18 |
100 100 |
19,5 16,5 |
1 1 |
19,5 16,5 |
4. M₁ және M₂ күш моменттерін салыстыра отырып, алынған эксперимент нәтижелерін күш моменттер ережесінен қаншалықты ауытқитындығын анықтаңдар. Ауытқуды анықтау үшін күш моменттерінің айырмасы (M₁-M₂) олардың орташа мәніне (M₁ +M₂) / 2 бөлу керек:Ауытқу (M₁ - M₂) : (M₁ +M₂) / 2* 100 % =2,5
2 – тапсырма. Әр түрлі нүктелерге түсірілген күштердің әрекетіндегі иіндіктің тепе – теңдік шартын тексеру.
Жұмыстың барысы:
-
Біліктің екі жағындағы кез келген ілгекке әр түрлі жүкті іле отырып, иіндікті тепе – теңдік күйге келтіріңдер;
-
Иіндікті сағат тілінің бағытында (шартты түрде оң бағытта) айналдыратын күштердің, күш моменттерінің қосындысын табыңдар: Моң=M₁ +M₂+...........Мn ;
-
Иіндікті сағат тіліне кері бағытта (шартты түрде сол бағытта) айналдыратын күштердің, күш моменттерінің қосындысын анықтаңдар: Мсол= M₁ +M₂+...........Мк ;
-
Оң және теріс күш моменттерін салыстыра отырып, экспериментте алынған нәтижелердің моменттер ережесіне сәйкестігін көрсетіңдер.
Жұмысты орындау Моң= M₁ +M2 М1= F₁ L₁ М₂= F₂ L₂
М1=1Н*0,045м=0,045Нм М₂=2Н*0,155м=0,31Нм
Моң= M₁ +M2 =0,355 Н,м Мсол= M₁ +M2 = 0,35Нм
Моменттер ережесі орындалады. Моң= Мсол
Қорытынды:Моменттер ережесінің дұрыстығын иінтіректі пайдалану арқылы тексеріп көз жеткіздік.
8 КЛАСС.
№1 жұмыс.
Әр түрлі температурадағы суды араластырғандағы жылу мөлшерін салыстыру.
Ж
ұмыстың
мақсаты: Жылу алмасуда ыстық судың
берген және суық судың алған жылу мөлшерін анықтау және алынған
нәтижені түсіндіру.
Құрал –жабдықтар:
Калориметр, өлшеуіш цилиндр(мензурка),
термометр, стақан, ыстық суы бар шәугім
(бүкіл сыныпқа біреу).
Жұмыс барысы:
-
Массасы 100г ыстық суды сыртқы ыдыстың ішіне қойылған калориметрдің ішкі ыдысына құйыңдар. Ыстық судың t₁ температурасын өлшеңдер.
-
Стақанға дәл сондай суық су құйып және оның t₂ температурасын өлшеңдер.
-
Ыстық суы бар ыдысқа абайлап суық су құйыңдар, алынған қоспаны термометрмен араластырып және оның t температурасын өлшеңдер.
-
Ыстық судың, қоспаның t температурасына дейін суығанда, берген жылу мөлшерін Q₁=cm( t₁ - t ) формуласымен және суық судың осы t температураға дейін жылығанда алған жылу мөлшерін Q₂=cm₁( t - t₂ )формуласымен есептеңдер.
-
Өлшеу мен есептеу нәтижелерін төмендегі кестеге жазыңдар.
-
Ыстық судың берген жылу мөлшерін суық судың алған жылу мөлшерімен салыстырыңдар және тиісті қорытынды жасаңдар.Ыстық судың массасы
m, кг
Ыстық судың баст.
темпер.
t, ºC
Қоспаның темпера-
турасы, t1, ºC
Ыстық судың берген жылу мөлшері,
Q1, Дж
Суық судың массасы
m₁, кг
Суық судың баст.
Темпер.
t2, ºC
Суық судың алған жылу мөлшері
Q2 ,Дж
0,1
94
56
15120
0,1
20
15960
-
Тәжірибенің салыстырмалы қателігін мына қатынаспен есептеңдер: ℇ =[
] , мұндағы
Q₁ - ыстық судың берген жылу
мөлшері, Q₂
- суық судың алған жылу
мөлшері.ℇ =[
]
=0,05
Қорытынды:Жылу баланс теңдеуі бойынша ыстық судың берген суық судың алған жылу мөлшері тең болу керек.
№2 жұмыс.
Мұздың меншікті жылуын анықтау.
Ж
ұмыстың
мақсаты: жылу балансының теңдеуін
пайдаланып, мұздың меншікті балқу жылуын
анықтау.
Құрал –жабдықтар:таразы, термометр,
калориметр, мұз кесегі, сүзгіш қағаз,
шәйнек (сыныпқа біреу)
Жұмыс барысы:
-
Калориметрдің ішкі ыдысын таразыға тартып өлшеңдер, mк
-
Оған су құйыңдар, содан кейін суы бар калориметрді өлшеңдер: mсу= m – mк
-
Суы бар калориметрдің ішкі ыдысын сыртқысының ішіне орналастырып, судың tсу температурасын өлшеңдер.
-
Мұз кесегін сорғыш қағазбен алдын ала құрғатып алып, содан кейін оны суға салыңдар.
-
Суды термометрмен араластыра отырып, калориметрдегі ең төмен t температурасын белгілеңдер.
-
Калориметрді қайтадан өлшеңдер және суға салынған мұздың mмұз массасын анықтаңдар.
-
Өлшеулер мен есептеулер нәтижелерін кестеге жазыңдар.
-
Q₁+Q₂=Q3+Q4 жылу балансының теңдеуінен мұздың меншікті балқу жылуын анықтаңдар, мұндағы- Q₁ - калориметр стақанының берген жылуы, Q₂- судың берген жылуы, Q3- мұз ерігенде калориметрге берген жылу мөлшері. Q4 – мұздың суға берген жылу мөлшері.
|
mк , кг |
mсу , кг |
tсу = tк |
t |
mмұз |
|
0,025 |
0,07 |
23 |
15 |
0,015 |
Cm1(t1-t2) =λm2+cm2t2 λ=Cm1(t1-t2)-cm2t2/m2
Қорытынды: Жылу баланс теңдеуін шешу арқылы мұздың меншікті балқу жылуын анықтау.
№3 жұмыс.
Электр тізбегін жинау және оның әр түрлі бөліктеріндегі ток күші мен кернеуді өлшеу.
Ж
ұмыстың
мақсаты:ток күші тізбектің әр түрлі
бөлігінде бірдей екенін көрсету және кернеуді өлшеуді
үйрену.
Құрал – жабдықтар:ток көзі, амперметр,
вольтметр, қыздыру шамы, 2 сым резистор,
кілт, өткізгіш сымдар.
Жұмыс барысы:
-
Амперметр мен вольтметрдің шкалаларын
қараңдар, бір бөліктің құнын анықтаңдар.Бөлік құны - 0,05 А, 0,2 В.
-
191, 192, 139-суреттердегі сұлбалар бойынша электр тізбектерін жинаңдар. Әр жағдай үшін амперметрдің көрсетулерін кестеге жазыңдар.
3. Қорытынды. Әр жағдайда
амперметрдің көрсетулері бірдей. 0,2 А
болды.
-
Ток көзін, резисторды, қыздыру шамын және кілтті тізбектей қосып. электр тізбегін жинаңдар.
-
Тізбекті тұйықтаңдар және әр резистордың ұштарындағы кернеулерді U₁,U₂ және екі резистордан тұратын тізбек бөлігіндегі кернеуді өлшеңдер. U₁=3,4 В, U₂ =0,6 В
-
Жинаған тізбектің сұлбасын сызыңдар.
-
U₁ + U₂ қосындысын есептеңдер және U кернеуімен салыстырыңдар. U= U₁ + U₂=4В.
Қорытынды: Әр резистордағы кернеу қосындысы ток көзінің кернеуіне тең болады.
№4 жұмыс.
Тізбек бөлігіне арналған Ом заңын тексеру.
Құрал – жабдықтар:ток көзі, өткізгіш сым-
дар, қыздыру шамы,амперметр, вольтметр, кілт,
реостат.
Жұмыс барысы: Амперметр мен вольтметр
шкалаларын қараңдар және бір бөліктің құнын
есептеңдер. Бөлік құны 0,05 А 0,2 В

1.Сұлба бойынша электр тізбегін жинаңдар (194–сур.)
2.Тізбекті тұйықтаңдар.
3.Тізбектегі кернеу мен ток күшін біртіндеп ұлғайтамыз.
Құралды көрсетулерін кестеге жазыңдар.
|
№ |
I ,U |
U ,B |
R , Ом |
|
1. 2. 3 4 |
1,5 1,4 0,9 0,65 |
3,0 2,6 2,0 1,4 |
2,0 1,8 2,2 2,3 |
1.Ом заңын пайдаланып, қыздыру шамының кедергісін есептеңдер.
2. Есептеу нәтижелерін кестеге түсіріңдер.
3.Тәжірибе нәтижесін қорытындылаңдар.
Тапсырма: өлшеу нәтижелері бойынша ток күшінің кернеуге тәуелділінің графигін тұрғызып, сол функцияға сипаттама беріңдер.Қорытынды: Тізбектегі ток күші артса, кернеу да артады. Кедергі азаяды.
№ 5 жұмыс.
Өткізгіштерді тізбектей және параллель жалғау.
Жұмыстың мақсаты: тізбектей және параллель қосу заңдарын
т
ексеру.
Құрал – жабдықтар: ток көзі, 2 сым резистор,
реостат, 3 амперметр, 3 вольтметр, өткізгіш сымдар,
Жұмыс барысы: Тізбектей жалғау.
Амперметрдің және вольтметрдің шкалаларымен
танысып, бір бөліктің құнын анықтаңдар. 0,05А, 0,2 В
1.Электр тізбегін сұлба бойынша жинаңдар (195–сур)

2.А1 , А2, амперметрлердің көрсетулерін жаз.
3.V₁ , V₂ ,Vж вольтметрлерінің көрсетулерін жаз.
4.Uж =U₁ + U₂ есептеңдер
5.Бөліктің жалпы кедергісін
Rж
=
;
Rж=R₁
+
R₂ формулалары бойынша
есептеңдер.
-
Өлшеулердің нәтижелерін кестеге түсіріңдер.
|
I₁ , А |
I₂ , А |
U₁ , В |
U₂ , В |
R₁ , Ом |
R₂ , Ом |
Rж , Ом |
Rж , Ом |
|
1,05 |
1,05 |
2,2 |
2,4 |
2,1 |
2,3 |
4,38 |
4,4 |
Қорытынды:Тізбектей жалғауда ток күштері бірдей. Жалпы кернеу әрбір өткізгіштегі кернеудің қосындысына тең. Жалпы кедергі әр өткізгіштің кедергісінің қосындысына тең.
Параллель жалғау


-
Электр тізбегін сұлба бойынша жинаңдар(196 – сурет).
-
V₁ , V₂ вольтметрлерінің көрсетулерін жазыңдар.
-
А₁ , А₂ , А ( I₁ , I₂ , Iж ) амперметрлерінің көрсетулерін ж азыңдар.
-
Iж=I₁ + I₂ есептеңдер.
-
Бөліктің жалпы кедергісін Rж=
;
+
формулалары бойынша
есептеңдер. -
Өлшеулердің нәтижелерін кестеге түсіріңдер.
|
I₁, А |
I₂, А |
Iж, А |
U₁, В |
U₂, В |
R₁, Ом |
R₂, Ом |
Rж , Ом |
Rж, Ом |
|
1,4 |
1,6 |
3,0 |
4,6 |
4,6 |
3,3 |
2,9 |
1,5 |
1,5 |
Қорытынды:Параллель жалғауда әр өткізгіштегі кернеу бірдей, ток күші әр өткізгіштегі ток күшінің қосындысына тең.
№6 жұмыс.
Электр тогының жұмысы мен қуатын өлшеу.
Қ
ұрал -
жабдықтар: ток көзі, амперметр,
вольтметр, қыздыру шамы, кілт , өткізгіш сымдар,
секундомер.
Жұмыстың барысы:
-
Амперметр мен вольтметр шкалаларын қарап, бір бөліктің құнын есептеңдер.
-
Электр тізбегін сұлба бойынша жинаңдар.
( 197 –сурет)
-
Тізбекті тұйықтап, қыздыру шамының қосылу уақытын белгілеңдер.
-
Вольтметрдің көрсетуін жазыңдар.
-
Тізбекті ажыратыңдар да , қыздыру шамының сөну уақытын белгілеңдер.
-
Қуатты P =I * U формуласы бойынша есептеңдер.
-
А =P * t формуласы бойынша жұмысты есептеңдер, мұндағы t қыздыру шамының жану уақыты.
-
Барлық өлшеулер мен есептеулерді кестеге жазыңдар.
|
I , А |
U , В |
t , С |
P , Вт |
А , кДж |
тұтынушы |
|
2 2,5 2,9 |
220 220 220 |
300 1800 3600 |
440 550 638 |
132 390 2298 |
Тұрмыстық құралдар |
Қорытынды:Әр түрлі ток тұтынушыларын токқа қосқанда токты пайдалану уақытына сай токтың жұмысы мен қуаты артады.
№ 7 жұмыс.Тұрақты магниттің қасиеттерін зерттеу
және магнит өрістерінің кескінін алу.
Жұмыстың мақсаты: тұрақты магниттің полюстерімен танысу және әр түрлі магниттің төңірегінде магнит өрісінің қандай сызықтарын түзететінін көрсету.
Құрал - жабдықтар:әр түрлі магниттер (жолақ, таға тәрізді және дөңгелек), темір ұнтақтары, қағаз парағы.

Жұмыс барысы:
-
Темір ұнтағын қағаз стақанға салып, оның ішіне магнитті енгізіңдер.
-
Магнитті шығарып алып,магниттің әр жеріне темір ұнтақтарының қалай таралғанына назар аударыңдар.
-
Темір ұнтағынын көп жабысқан орындарын белгілеп, суретін салыңдар.
-
Екі жолақ магнитті бір – біріне әр түрлі ұштарымен апарыңдар. Бақылағандарыңды айтып беріңдер.
-
Үстел үстіндегі магнитті бір парақ қағазбен жауып, оған жұқалап металл ұнтағын себіңдер.
-
Пайда болған магнит сызықтарына назар аударып, олардың суретін салыңдар.
Жұмысты орындау.1.Темір ұнтағына магнитті енгізіп, шығарып алып, темір ұнтағының магниттің ортасына жақын жерде көп тартылатынын байқау.
2.Темір ұнтағының көп жабысқан жерінің суретін салу.
3.Екі жолақ магнитті бір-біріне оңтүстік пен солтүстік полюстерін қарама-қарсы қойып, магнит сызықтарын бақылау арқылы олардың олардың тартылу құбылысын қарау, суретін салу.
4.Магнит үстін бір парақ қағазбен жауып, темір ұнтағын себу арқылы ортасында бірін-бірі тарту құбылысын байқау.
Қорытынды. Магнит сызықтарының түрін көру,магнит өрісінің әсер ету құбылысын зерттеу.
№ 8 жұмыс.
Электромагнитті жинау және оның әрекетін тексеру.
Жұмыстың мақсаты: Электромагниттің негізгі бөлшектерімен танысып, оны жинау.
Құрал – жабдықтар:ток көзі, реостат, кілт, өткізгіш сымдар, магнит тілше, электромагнитті жинауға арналған бөлшектер.
Жұмыс барысы:
-
Ток көзін, шарғыны, реостаты, кілтті тізбектей қосып, электр тізбегін жинаңдар. ( 198 – сурет)
-
Тізбекті тұйықтап, магнит тілшені пайдаланып, шарғының магнит полистерін анықтаңдар.
-
Магнит тілшені шарғының магнит өрісінің оған тигізетін әсері шамалы болатындай қашықтықта орналастырыңдар.
-
Шарғыға темір өзекті енгізіңдер.
-
Электромагниттің магнит тілшеге әрекетін бақылаңдар.
-
Қорытынды жасаңдар.
Жұмысты орындау.
1
.Электр тізбегін
жинап,тізбекті тұйықтап магнит тілше арқылы, шарғының полюсін
анықтау үшін тілшенің оңтүстік полюсіне ток көзінің теріс полюсіне
жалғанған шарғының ұшын жақындатамыз. Олар тартылады, шарғының ұшы
солтүстік полюс болып табылады.
2.Магнит тілшені шарғыдан қашықтатып,шарғыға темір өзекше енгіземіз.Электромагнит магнит тілшеге тартылады.
Қорытынды: Магнит тілше арқылы токқа жалғанған шарғының полюстерін анықтауға болады.Темір өзек енгізу магнит өрісін күшейтіп, магнит тілшемен әрекеттесу қашықтықтан байқалады.
№ 9 жұмыс.
Жинағыш линзаның фокустық қашықтығы
мен оптикалық күшін анықтау.
Жұмыстың мақсаты: линзаның формуласы арқылы линзаның фокустық қашықтығын анықтау.
Құрал - жабдықтар:жинағыш линза, сызғыш, экран ,жарық көзі.
Ж
ұмыстың
барысы:
-
Жарық көзін, линзаны, экранды
бір түзудің бойына орналастырыңдар.
-
Жарық көзі мен линзаны экранда
жарық көзінің анық кескіні шыққанша
қозғаңдар. Экранда жарық көзінің үлкейтілген, кішірейтілген және оған тең кескінін алып, тәжірибені 3 рет жасаңдар.
-
Барлық тәжірибелерде көзден линзаға дейінгі d, экраннан линзаға дейінгі f қашықтықты 1мм-ге дейінгі дәлдікпен өлшеңдер.
-
Линзаның F бас фокустық қашықтығын, линзаның формуласын пайдалана отырып есептеңдер, оны метрмен көрсетіңдер.
-
Линзаның D оптикалық күшін анықтаңдар.
-
Барлық өлшеулермен есептеулер нәтижелерін кестеге түсіріңдер.
|
Кескіннің түрі |
D , см |
F , см |
F , см |
D, дптр |
Г,үлкейту |
|
Үлкейген Кішірейген тең |
15 20 16,6 |
20 17 16,6 |
8,3 8,3 8,3 |
12 12 12 |
1,3 0,85 1 |
Қорытынды: Жарық көзі мен линзаны қозғай отырып, экранда алынған кескінге қарап, линзаның фокустық қашықтығы мен оптикалық күшін анықтадық.
9 КЛАСС.
№1 жұмыс.
Теңүдемелі қозғалыс кезіндегі дененің үдеуін анықтау.
Жұмыстың мақсаты: көлбеу науамен домалайтын кішкене шардың үдеуін есептеу. Ол үшін шардың белгілі бір t уақытта жүріп өтетін S орын ауыстыруының ұзындығын өлшейді. Бастапқы жылдамдықсыз
(υ0=0) теңүдемелі қозғалыс
кезінде S=
болатындықтан, S пен t –ны
өлшеп алып, шардың үдеуін анықтауға болады. Ол : a
=
![]()
Ө
лшеу
құралдары: өлшеуіш, таспа,
метроном.
Құрал – жабдықтар: науа, шар,
қысқышы бар тұрғы , металл цилиндр.
Жұмысты орындау:
-
Тұрғы арқылы науаны көкжиекпен
кішкене бұрыш жасайтындай етіп
бекіту керек. Науаның төмендегі шетіне
металл цилиндрдіқоясыңдар.
-
Метроном дыбыс берген бойда шарды науаның жоғарғы басынан жіберіп, ол цилиндрге барып соғылғанға дейін метрономның неше рет соққанын санаңдар. Тәжірибе жүргізерде метрономда минутына 120 рет соғатын етіп қойыңдар.
-
Науаның көкжиекке көлбеулік бұрышын өзгерте отырып, шарды жіберген мезеттен бастап, оның цилиндрге барып соғылуына дейін метроном 4 рет соғатындай етуге болады. (соғу арасы үш толас)
-
Шардың қозғалыс уақытын есептеңдер.
-
Өлшеуіш таспаның көмегімен шардың S орын ауыстыруының ұзындығын табыңдар. Науаның көлбнулігін өзгертпей (тәжірибе шарты өзгермеуі тиіс), метрономның 4- ші соғуы мен шардың металл цилиндрге соғылуы дәл келетіндей етіп алып, тәжірибені 5 рет қайталау керек.
-
Sорт=
формуласы бойынша орын
ауыстыру модулінің орташа мәнін, ал содан соң үдеу модулінің орташа
мәнін табыңдар: aорт
=

-
Өлшеу және есептеу нәтижелерін кестеге жазыңдар.
|
Тәжірибе нөмірі |
S , м |
S, м |
t с |
t орт, с |
aорт, м/с2 |
|
1 2 3 4 5 |
0,65 0,70 0,80 0,85 0,90 |
0,78 |
1,2 1,4 1,6 1,8 2,0 |
1,6 |
0,6 |
Ешбір өлшеу абсолют дәл болмайды.өлшеу құралдарының жетілмеуіне және басқа себептерге байланысты, қалай да қателік кетеді. Қателіктерді мейлінше азайту үшін тәжірибе шартын өзгертпей, өлшеу жұмыстарын бірнеше рет қайталап орындаған жөн. Содан кейін олардың арифметикалық орташа мәне есептеледі. Бұл жұмысты да осылай орындау ұсынылады.
Қорытынды: Үдемелі қозғалыс кезіндегі дене үдеуі жүрілген жол мен уақыттың орташа мәні арқылы анықталды. Ескерту метроном орнына сеундомер қолданылды.
№ 2 жұмыс.
Горизонталь лақтырылған дененің
қозғалысын зерттеу.
Жұмыстың мақсаты: горизонталь бағытта лақырылған дененің бастапқы жылдамдығын анықтау.
Құрал-жабдықтар:тұрғы, диаметрі 25мм болат шар, шар домалайтын науа, мм – к бөлігі бар сызғыш, ақ және көшірме (қара қағаздар).

Жұмыстың орындалу реті:
-
Науаны тұғырға бекітіңдер. Оның имек басы горизонталь өқалыпта болуына назар аударыңдар. Науаның алдына ақ қағаз жайып, оның үстіне көшірме салыңдар. Науаның бойымен домалаған шардың үстелге түскен жері ақ қағаз бетіне белгі түсіреді.
-
Науадан домалаған шардың үстелге қандай Һ биіктіктен түскенін және L ұшу қашықтығын өлшеңдер.
-
t =√
формуласы бойынша шардың ұшу
уақытын есептеңдер. -
Алынған нәтижені υ0 =
формуласы бойынша шардың
горизонталь бағытта ұшу жылдамдығын есептеу үшін
пайдаланыңдар. -
Алынған нәтиженің дұрыстығын тексеру үшін науаны шар басқа биіктіктен түсетіндей етіп орналастырыңдар. Оның ұшу қашықтығын тағы да есептеңдер. Шардың түсу нүктесін ақ қағазда белгілеңдер.
-
Шарды науаның белгілі бір жерінен бірнеше рет домалатып жіберіп, тәжірибені қайталаңдар.
-
Алынған нәтижені кестеге жазыңдар.
-
Өлшеу дәлдігін бағалаңдар. (1–зертханалық жұмыстағы ескертуге қараңдар)
|
Тәжірибе реті |
Һ , м |
L, м |
Lорт , м |
t, с |
υ0, м/с |
υ0рт, м/с |
|
1 2. |
0,25 0,24 |
0,18 0,17 0,16 0,155 0,166 0,165 |
0,17 0,162 |
0,22 0,21 |
0,81 0,79 0,72 0,7 0,75 0,75 |
0,8 0,73 |
Қорытынды: Горизонталь лақтырылған дененің бстапқы жылдамдығын әр түрлі биіктіктен түскенде зерттей отырып, биіктік артса, бастапқы жылдамдық артатынын бақыладық.
№ 3 жұмыс.
Маятниктің көмегімен еркін түсу үдеуін анықтау.
Жұмыстың
мақсаты: математикалық маятниктің
тербеліс периодының Т =2π√
формуласы бойынша еркін түсу
үдеуін анықтау.
Ол үшін тербеліс периоды мен
маятниктің ұзындығын өлшеп алу қажет. Сонда жоғарыдағы формуладан
еркін түсу үдеуін табуға болады: g=
![]()
Өлшеу құралдары: секундтық тілі барсағат, өлшеуіш таспа.
Құрал –жабдықтар:Саңылауы бар шар, жіп, қысқышы мен сақинасы бар тұрғы.

Жұмысты орындау:
-
Штативті үстелдің шетіне орнатыңдар. Оның жоғарғы жағына қысқыш арқылы сақина бекітіп, оған жіпке байланған жүкті іліңдер. Жүк еденнен 3 – 5 см жоғары тұруы керек.
-
Маятникті тепе- теңдік күінен 5 – 8 см–ге ауытқып, содан кейін оны жібере салыңдар.
-
Маятниктің ұзындығын өлшеуіш таспамен өлшеп алыңдар.
-
Толық 40 тербеліс ( N ) жасауға кеткен t уақытты өлшеңдер.
-
t
уақытты қайтадан өлшеп (тәжірибе шартын өзгертпей), оның
tорт
орташа мәнін
табыңдар. -
Уақыттың tорт орташа мәні бойынша тербеліс периодының Торт орташа мәнін табыңдар.
-
gорт=
формуласы бойынша еркін түсу
үдеуінің gорт
орташа мәнін есептеп шығаруға
болады. -
Өлшеу мен есептеу нәтижелерін кестеге жазыңдар.
-
Еркін түсу үдеуінің алынған gорт орташа мәнін g= 9,8 м/с² мәнін салыстыр.
-
Өлшеу дәлдігін бағалаңдар. ( 1 жұмысқа, ескертуге қараңдар)
|
Тәжірибе нөмірі |
L, м |
N |
|
|
Торт= |
gорт , м / с 2 |
|
1 2 3 |
0,6 0,6 0,6 |
10 5 15 |
15 10 22 |
16 |
1,6 |
9,3 |
Қорытынды: Математикалық маятниктің еркін түсу үдеуін өлшеп үйрендік.
№4 жұмыс.
Беттік толқындардың таралужылдамдығын анықтау.
Жұмыстың мақсаты: судағы беттік толқындардың таралу жылдамдығын анықтау.
Құрал – жабдықтар: лабороториялық жұмыстарға арналған ұзындығы 0,5- 1 м болатын кең ыдыс, қалтқы, пластелин, секундтық бөліктері бар сағат немесе секундомер, сызғыш.
Жұмысты орындау:
-
Ыдысты үстел үстіне қойып, оның ішіне су құйыңдар.
-
Ыдыс ернеуінің бір шетіне қалтқы салыңдар, ал оның қарсы шетіне су бетіне кішірек тасты тастап жіберіңдер.
-
Осы кезде пайда болатын толқулардың қалтқыға дейін таралу уақытын белгілеп алыңдар.
-
Мұндай тәжірибені бірнеше рет қайталап, толқынның L қашықтыққа тарайтын уақытының орташа мәнін анықтаңдар.
-
Толқынның таралу жылдамдығын есептеңдер.
-
Алынған нәтижелерді кестеге жазыңдар.
-
Өлшеу дәлдігін бағалаңдар.
|
Тәжірибе реті |
Уақыт t , с |
Уақыттың орташа мәні tорт, с |
Қашықтық L , м |
Толқын жылдамдығы υ , м/с |
|
1 2 3 |
1,6 1,8 1,9 |
1,7 |
0,3 0,2 0,25 |
0,15 |
Қорытынды: Судағы беттік толқынның таралу жалдамдығын анықтады.
10 КЛАСС.
№ 1 жұмыс.
Дененің ұшу қашықтығының лақтыру бұрышына тәуелділігін зерттеу.
Жұмыстың мақсаты:дененің ұшу қашықтығының лақтыру бұрышына тәуелділігін зерттеу.
Құрал-жабдықтар: баллистиқалық зертханалық пистолет, сантиметрлік бөлігі бар өлшеуіш лента, 2-3 таза және көшірме қағаз, жапсырма лента.
Теориялық
түсінік.Горизонталь бетте көкжиекке әр
түрлі бұрыш жасай оқ атқанда оның ұшу қашықтығы мына формуламен
өрнектеледі: ![]()
Б
ұл
формуладан оқтың 0°- тан 90°- дейін ұшу бұрышын өзгерткенде оның
ұшу қашықтығы әуелі кейбір мәнге дейін артады да, сосын нөлге дейін
кемитіні көрінеді. Түсу қашықтығы
соsα
мен
sinα
көбейтіндісінің үлкен мәнінде
максимал болады. Міне, осы тәуелділікті тәжірибеде 13.1-суретте
көрсетілген баллистикалық пистолетпен тексеру
керек.Пистолет
бұрыш өлшеуіші 3 бар, қапсырма
шегеге 2 бекітілген осьтің бойында
шыбығы (стержень) бар ширатылаған (спираль) серіппеден 1 тұрады.
Ұзына бойында тесік каналы бар шыбыққа арнайы шарик 4 орнатылған. Шарикті қондырған кезде серіппені сығады да шыбықтың табанындағы босатқыш ілмекке ілінеді. Егер босатқыш ілмектің 5 шығып тұрған бөлігін басып қалса, шар босайды да, серіппенің әрекетінен ол шыбық бойымен белгілі бір бағытта қозғалады. Шариктің ұшу жылдамдығының V0 модулін барлық тәжіриби үшін бірдей етіп алу керек.
Үстелде шариктің түсер жеріне ақ, таза қағаздың бетін екі бөлек жапсырма лентамен бекіту керек, ал үстіңгі жағына көшірме қағаз қойылады. Шарик құлағанда қағазда айқын із қалады.
Жұмыстың орындалу тәртібі.
1.Дәптерге өлшеулер мен есептеулер нәтижесі жазылатын кесте
дайындаңдар.
|
α° |
20 |
30 |
40 |
45 |
50 |
60 |
70 |
|
ℓ, см |
124 |
137 |
141 |
154 |
144 |
110 |
58 |
2. Баллистика пистолеттің құрылысымен, жұмыс істеу принципімен танысыңдар.
3.Үстелдің шетіне баллистиқалық пистолетті қысып қоятын бұраманы орнатып, бұрыш өлшегішпен пистоллетті 45° бұрышпен бекітіңдер. Қағазды жапсырмай, байқау үшін атып көріңдер де, шамамен шариктің түскен орнын белгілеңдер. 45° бұрышпен атқанда шарик қағаздың шетіне түсетіндей етіп таза қағазды үстелге бекітіңдер, сосын үстіне көшірме қағазды салыңдар.
4. Пистолетті 20°,30,° 40°, 45°бұрыштармен орнатып, әрбір бұрышқа 3-4 рет атыңдар.
5.Пистолетті бұрып, оны 50°, 60°, 70° бұрыштармен бекітіп, әрқайсысына 3-4 атып, тағы да әрбір бұрыштағы шариктің түскен ізіне ату бұрышының мәнін жазыңдар.
6. Әрбір бұрыш үшін шариктің түскен қашықтығының орташа мәнін өлшеңдер. Өлшеу нәтижелерін кестеге түсіріңдер.
Жұмыстың нәтижесі.
1. Пистолетті 20°, 30°, 40°,45°,50°,60°, 70° бұрышқа орнатып 3 рет атамыз. Есептеулерді кесте түрінде жазайық.
-
Бұрыш
ℓ1,м
ℓ2,м
ℓ3,м
ℓорт.,м
20°
1,20
1,25
1,27
1,24
30°
1,27
1,41
1,42
1,37
40°
1,32
1,42
1,50
1,41
45°
1,44
1,58
1,59
1,54
50°
1,39
1,45
1,47
1,44
60°
1,00
1,17
1,14
1,10
70°
0,57
0,58
0,60
0,58
Бақылау сұрақтарына жауап беріңдер:
1.Қай бұрышпен атканда шариктің ұшу қашыктығы ең үлкен мәнге ие болады?
450 бұрышпен атқанда ұшу қашықтығы үлкен болады.
2.Қай бұрышпен атқанда ұшу қашықтықтары шамамен бірдей және осы бұрыштардың косындысы неге тең? Бұл ұшу қашықтығын аныктайтын формуламен сәйкес келе ме? 400 және 500 бұрышпен атқанда ұшу қашықтығышамамен бірдей,қосындысы 900 болады.
Қорытынды:Баллистикалық пистолетпен жұмыс жасауды үйреніп, жылдамдықтың модулін бірдей етіп көңіл бөлінді. Есептеулер мен өлшеулерді жүргізе отырып, шариктің түскен қашықтығының орташа мәні табылды. Зертханалық жұмысты орындау барысында баллистикалық пистолетті қолдана отырып, дененің ұшу қашықтығы 45° - та үлкен екеніне көз жеткіздік.
№2 жұмыс.
Шардың инерция моментін анықтау.
Жұмыстың мақсаты: Шардың айналмалы қозғаласының кинетикалық энергиясы мен бұрыштың жылдамдығын білеотырып, шардың инерция моментін анықтау.
Құрал-жабдықтар: зертханалық жұмысқа арналған штатив, доға тәріздес науа, диаметрі және массалары әр түрлі шарлар, өлшеуіш сызғыш, тіктеуіш, көшірме қағаз.
Теориялық түсінік.Шардың инерция моментін анықтау үшін, оның айналмалы қозғалысының кинетикалық энергиясы мен бұрыштық жылдамадығын білу керек, ол W = Jώ2⁄2; J= 2Wайн.⁄ώ2;
Горизонталь В деңгейге қатысты А нүктесінде шар mgh потенциалдық энергияға ие болады. Шар науанының бойымен домалаған кездегі оның потенциялық энергиясы дененің ілгерілемелі қозғалысының кинетикалық Wіл және айналмалы қозғалысының Wайн. кинетикалық энергиясына айналады. Шар үшін В нүктесінде
т
gh=Wіл+Wайн.теңдігі орындалады.
Осыдан

Мұндағы
мен ω – шар центрі массасының
сызықтық жылдамдығы мен оның В нүктесіндегі айналмалы қозғалысының
бұрыштық жылдамдығы. Науаға қатысты массалар центрінің сызықтық
жылдамдығы және шар бетінің айналу осінен барынша қашық нүктесінің
сызықтық жылдамдығы
массалар центріне қатысты өзара тең, сондықтан былай жазуға
б
олады:мұндағы R – шар
радиусы.
Сонда шардың инерция моменті үшін мынадай формула алынады:
J=mR2(2gh
|
2
-1)![]()
В нүктесіндегі шардың массалар центрінің сызықтық жылдамдығын табу үшін шардың ұшу қашықтығы ℓ мен оның үстел бетіне дейін қозғалыс уақытын t білу керек ,яғни ұшу уақыты мына қатынастан
![]()
табылады: осыдан
Демек,
![]()
(13.3)-ті (13.2) –ге
қойып,
аламыз.
Сонымен шардың инерция моментін табу үшін науаның горизонталь бөлігінің үстел бетінен биіктігін H, шардың сырғанай бастағаннан науаның горизонталь бөлігіне дейінгі h және шардың H биіктіктен құлағандағы горизонталь бойымен қозғалатын қашықтын ℓ өлшеу қажет. Шардың үстелге құлаған ізі қағазға төселген көшірме қағаздың көмегімен белгіленеді.
Жұмысты орындау:
1.Науаның горизонталь бөлігінің үстел бетінен биіктігін Н өлшеу.
2.Шардың сырғанай бастаганнан науаның горизонталь бөлігіне дейнгі биіктігін h өлшеу.
3.Шардың Н биіктіктен құлағандағы горизонталь бойымен қозғалатын қашықтығын ℓ өлшеу.
Кесте толтыру.
|
Өлшеулер |
1 |
2 |
3 |
|
Н, м |
0,23 |
0,23 |
0,23 |
|
Н1,м |
0,39 |
0,39 |
0,39 |
|
h,м |
0,16 |
0,16 |
0,16 |
|
ℓ1,м |
0,235 |
0,225 |
0,27 |
|
ℓ2,м |
0,24 |
0,245 |
0,278 |
|
ℓ3,м |
0,245 |
0,248 |
0,298 |
|
ℓср. |
0,24 |
0,239 |
0,282 |
|
R,м |
0,0125 |
0,009 |
0,01 |
|
m,кг |
0,073 |
0,023 |
0,005 |
|
J,кг/м3 |
0,102*10-5 |
0,168*10-6 |
4,255*10-7 |
ℓорт=ℓ1 +ℓ2+ℓ3/ 3=0,25м;
5.Инерция моментін есептеу.
Бақылау сұрақтарына жауап беріңдер:
1.Берілген жұмыстағы дененің инерция моментін табу әдісін түсіндіріңдер.
Шардың айналмалы қозғалысының кинетикалық энергиясы мен бұрыштық жылдамдығын білу және биіктікті өлшеу әдісі.
2.Осы әдісті науаның идеал тегіс жағдайына колдануға бола ма?
Бұл әдісті науаның идеал тегіс жағдайында қолдануға болмайды.
3.Сендер бұдан да баска инерция моментін анықтаудың кандай эксперименттік әдістерін білесіндер?
4.Берілген жұмыста колданылған әдістің артыкшылығы мен кемшілігі қандай? Артықшылығы жұмыс жеңіл орындалады.
Кемшілігі өлшеуде қателік кездеседі,өлшеу құралдары көрсетілмеген.
Қорытынды:Өлшеу және есептеу нәтижесі бойынша шардың инерция моментін тауып, ол шарды массасына тәуелді екенін білдік.
№3 жұмыс.
Дененің кинетикалық энергиясының өзгеруі мен серпінділік күшінің жұмысын салыстыру.
Жұмыстың мақсаты: Кинетиқалық энергия туралы теоремаға сүйене отырып, дененің кинематиқалы энергиясының өзгеруі мен серпінділік күшінің жұмысын салыстыру.
Керекті құралдар: жаппай жұмысқа арналған штатив — 2 дана, мектеп динамометрі, шар, жіп, миллиметрлік бөлігі бар ұзындығы 30 см өлшеуіш сызғыш, штативі бар мектеп таразысы, гірлер.
Теориялық түсінік.
Кинетикалық энергия туралы теорема бойынша, денеге түсірілген күштің жұмысы дененің кинетикалық энергиясының өзгерісіне тең:
![]()
О
сы
тұжырымдаманы эксперимент жүзінде дәлелдеу үшін 13.3-суретте
көрсетілген қондырғы қолданылады.
Штативке горизонталь динамометр бекітіледі. Оның ілгішіне
ұзындығы 60-80 см жіп арқылы
шар байланады. Осындай биіктіктеекінші штативке қысқыш бекітіледі.
Қысқыштің шетіне шарды орна-тып, екінші штативке шармен бірге,
шарға динамометрсеріппесінің тарапынан
Fсер. Серпінділік күші әрекет
ететіндей жерге қашықтатады. Сосын шарды жібереді. Серпімділік
күшінің әрекетінен шар
жылдамдық алады да оның
кинетиқалық энергиясы нөлден m
2/2-ге дейін
өзгереді.
Шардың
Fсер.серпімділік күшінің әрекетінен
алған жылдамдығының модулін табу үшін шардың Н биіктіктен еркін
құлағандағы ұшу қашықтығын S өлшеу керек:
![]()
Осыдан
жылдамдық модулі
υ=s
g/
-қа тең, ал кинетиқалық
энергия
k=
mv2/2= m
s2
H
(13.5)
Гук заңы бойынша шарға әрекет ету кезіндегі серпімділік күші Fcер1-ден F сер2-дейін сызықтық өзгереді. Сонда серпімділік күшінің орта мән Fорт.серп = Fсер1 + Fcер2/2 =Fcер1/2.
Серіппенің деформациясын х өлшеп, серпімділік күшінің жұмысын есептеуге болады, ол А = Fорт.серп.х= ½ Fсерп1х. (13.6)
Бұл жұмыстың мақсаты мына
теңдікті тексеру болатын: А=
Wк,
Яғни ½ F серп1х=ms2g/4H. (13.7)
Жұмыстың орындалу тәртібі.
1. Штативтің біріне динамометрді бекітіп және екінші штативке дина-мометрмен бірдей деңгейде (40 см биіктікте) шар қоятын қысқыш орнатылады. Динамометр ілгішіне жіпке байланған шар ілінеді ( 13.3 –сурет).
2.Шарды штатив қысқышында ұстай отырып, штативті динамометрдің көрсету 2Н болғанға дейін қашықтатады. Сосын шарды босатып оның үстел бетіндегі түскен орнын белгілейді.Тәжірибені 2-3 рет қайталап, шардың ұшу қашықтығының s орта мәнін табыңдар.
3.Таразымен шар массасын өлшеп, серпімділік күші әрекетінен болған шардың кинетиқалық энергиясының өзгерісін есептеңдер:
=
m
2/2=
ms2
/4H
4.Cерпімділік күшінің 2Н мәніндегі динамометр серіппесінің х деформациясын өлшеп, серпімділік күшінің А жұмысын есептеңдер:
A = F орт. серп.х= ½ Fсерп1х.
5.Кинетикалық энергияның өзгерісі мен серпімділік күшінің жұмысын
анықтаудағы өлшеулер мәнінің қателік шегін тауып, оны бағалаңдар.
Серпімділік күші жұмысының алынған мәнін шардың кинетиқалық энергиясының өзгерісімен салыстырыңдар. Одан қорытынды шағарыңдар.
6.Динамометр көрсеткішін 3 Н–ға дейін үлкейтіп, тәжірибені қайталаңдар.
Кесте салу.
|
F,Н |
m, кг |
S1,м |
S2,м |
S3,м |
Sорт.м |
H,м |
ΔWк,Дж |
X1,м |
X2,м |
Δx,м |
A,Дж |
|
2 |
0,01 |
0,8 |
0,78 |
0,82 |
0,8 |
0,4 |
0,04 |
0,03 |
0,065 |
0,035 |
0,04 |
|
3 |
0,01 |
1,23 |
1,18 |
1,27 |
1,2 |
0,4 |
0,09 |
0,03 |
0,09 |
0,06 |
0,09 |
Бақылау сұрақтарға жауап беріңдер.
1. Қандай шарт орындалған кезде мәні ретінде оның бастапқы және соңғы мәндері қосындысының жартысын алып, айнымалы күштің жұмысын есептеуге болады?
Қорытынды: Серпімділік күші әрекетінен болған шардың кинетикалық энергиясының өзгерісін және серпімділік күшінің жұмысын есептеу арқылы, олардың тең болатынына көз жеткіздік.
№4 жұмыс.
Металдардың молярлық жылу-сыйымдылықтарын салыстыру.
Жұмыстың мақсаты: металдардың жылусыймдылықтарын салыстыру.
Керекті құралдар: калориметр, мензурка, суы бар ыдыс, электр плита, гірлері бар таразы, массалары 50 -100 г болатын алюминий, мыс және темірденелер.
Жылусыйымдылықтың классикалық теориясынан 1кмоль жылусыйымдылық қатты күйдегі барлық денелер үшін бірдей және
С = 3R = 2,5 * 104Дж *кмоль-1К-1 = 25 Дж/моль*К болады.
Мұны оңай тексеруге болады. Ол үшін массасы m қатты дененің температураның белгілі бір ∆Т интервалында суығанда беретін ΔQ жылу мөлшерін анықтау жеткілікті.
Жұмыстың орындалу тәртібі.
1.Таразының көмегімен калориметрдің mк және мыс, темір, алюминий денелердің массаларын өлшеңдер. Өлшеу нәтижелерін есеп беру кестесіне (2-кесте) енгізіңдер.
2. Денені ыдыстағы қайнап жатқан суға батырыңдар.
3.Калориметрге бөлме температурасындағы 100 см3 суды құйып, судың, калориметрдің t1 температурасын өлшеңдер. 4. Калориметрге 100°С-қа дейін қыздырылған мыс денені салып, жылулық тепе-теңдік орнағаннан кейінгі Ө температураны өлшеңдер.
5.Калориметрдегі суды алмастырып, осы тәсілмен алюминий және темір денелермен тәжірибені қайталаңдар.
6. Жылу балансының теңдеуін пайдаланып, үш дененің әрқайсысының су мен калориметрге берген жылуларының ΔQ мөлшерін есептеңдер:
ΔQ = (mкcк + mcу ссу)(Ө –t1) - (13.8)
мұңдағы mк – калориметр массасы, ск – калориметр дайындалған заттың меншікті жылусыймдылығы, mcу - калориметрдегі судың массасы, ссу - судың меншікті жылу сыймдылығы, t1- мен Ө – су мен калориметрдің бастапқы және соңғы температуралары.
7.С=ΔQM/m∆T өрнегін пайдаланып, мыстың, темірдің және алюминийдің молярлық жылусыймдылығын есептеңдер ( 2-кесте).
8. Жүргізілген өлшеулердің қатесін бағалаңдар.
Кесте салу
|
Зат |
m,кг |
mк,кг |
t1 |
Ө°С |
Δt=100°-Ө |
ΔQ,Дж |
М, кг·кмоль-1 |
С=ΔQ·M/m·ΔT,Дж·град-1·кмоль-1 |
|
Мыс Темір Алюминий |
0,1 0,075 0,1 |
0,025 0,025 0,025 |
24° 7° 25° |
26 19 28 |
74 81 72 |
886 5178 1329 |
64 56 27 |
63560 25760 3987 |
Қорытынды: таразы, калориметр әртүрлі денелермен жұмыс жасап, өлшеп, есептеп, үйренеді. Жылу баланс теңдеуін қолдана отырып, жылу мөлшерін анықтайды. Металдардың молярлық жылусыйымдылықтарын салыстырып, мыстың молярлық жылу сыйымдылығы үлкен екеніне көз жеткізеді.
№5 жұмыс.
Судың беттік керілу коэффициентін тамшының үзілуі және сұйықтыңкапилляр бойымен көтерілуі әдістерімен өлшеу.
Жұмыстың мақсаты: судың беттік керілу коэффициентін тамшының үзілуі әдісімен өлшеу және сұйықтын капилляр бойымен котерілуі әдістерімен өлшеу, зерттеу.
Керекті
құралдар: зертханалық таразы, гірлер,
штангенциркуль, өлшемі 1
10см қаңылтыр өлшеуіш сына,
ине, миллиметрлік бөліктері бар 30 см-лік өлшеуіш сызғыш, конус
тәріздес құты (колба), стақан, сабағы қысқа конус тәріздес құйғы
(воронка), шүмегі бар және ұшының диаметрі 3-4 мм болатын шыны
резеңке түтін, жаппай жұмысқа арналған штатив, тазартылған
су.
Теориялық
түсінік. Беттік керілу сұйықтың беттік
қабатының шекарасына әрекет ететін Fбеттік керілу күшінің, сол
шекараның ℓ ұзындығына қатынасымен
өлшенеді:
.
Сұйықтың
беттік керілуі шектелетін
шекералардың табиғатына және сұйықтың температурасына тәуелді.
Берілген жұмысқа судың беттік керілуін екі тәсілмен, тамшының
үзілуі және сұйықтың капилляр бойымен көтерілуі әдістерімен өлшеу
қажет.
1 Бірінші
әдіспен
өлшеу үшін 13.4-суретте
көрсетілгендей құрылғы жиналады. Ұшы 3 шыны, 2 краны бар резеңке
түтік 1 құйғыға кигізіліп штативке бекітіледі. Құйғыға таза су
құйылады. Шүмек арқылы судың жеке тамшылары стақанға ағатындай етіп
реттеледі.
Тамшының үзілер мезетінде беттік керулер күшінің F модулі массасы m тамшының Fау ауырлық күші модуліне тең болады
F=Fау
немесе
.

Жұмыстың орындалу тәртібі.
1-тапсырма. Судың беттік керілуін тамшының үзілуі әдісімен өлшеңдер.
1)Дәптерге өлшеу нәтижелерін және есептеулерді жазатын кесте даыйндаңдар (3 кесте).
2 )13.4 –сурет бойнша қондырғы жинаңдар.
3) Өлшеуіш сына мен штангенциркульдің көмегімен шыны ұшының ішкі диаметрін өлшеңдер.
3 - кесте
|
Тәжірибе № |
D,м |
n |
М,кг |
|
Δ |
|
|
1 2 3 |
0,006 0,006 0,006 |
80 120 160 |
0, 0081 0,0121 0,0163 |
54 54 54 |
0,16 0,16 0,16 |
1,6·10-4 1,6·10-4 1,6·10-4 |
4) Бос стақанның массасын 0,01г дейінгі дәлдікпен өлшеңдер.
5) 2 кран жабылады (13.4-сурет) да, құйғыға таза су құйлады. Түтіктің астына құты (колба) қойып, кранды жайлап ашып,түтікпен судың жеке тамшы болып ағуы реттеледі, жиілігі минутына 30-40 тамшыдай болғаны дұрыс. Осы шарт
орындалғанда ғана тамшының үзілуі ауырлық күшінің әрекетінен деп санауға болады.
6) Түтіктің астына бос стақан қойып, 80-100 тамшыны санап, стақанға жинап алыңдар.
7) Стақанды тағы да өлшеп, оған аққан тамшының массасын есептеңдер.
8) (13.10) теңдеудің көмегімен судың беттік керілуін есептеңдер.
9) Өлшеулердің абсолют және салыстырмалы қателерін мына теңдеулермен есептеңдер:
![]()
10) Өлшеулер мен есептеулер нәтижесін 3- кестеге жазыңдар.
2- тапсырма. Капилляр бойымен сүйықтың көтерілу әдісімен судың беттік керілуін өлшеңдер.
1.Кесте дайындау.
|
№ |
|
h |
D |
|
∆ |
|
|
1 |
1000 |
0,02 |
0,005 |
25 |
0,16 |
0,0064 |
3.Капиллярды суға батырып, оның бойымен көтерілген судың биіктігін өлшеңдер. h=2см=0,02м;
4.(13.11) формуласымен судың беттік керілуін есептеңдер
=
ghD/4=25Н/m
5.Өлшеуді бірнеше рет
қайталап
орт
орташа мәнін
табыңдар.
6.Өздерің алған мәнді оның кестелік мәнімен салыстырыңдар.
Қорытынды:Судың беттік керілу коэффициентін тамшының үзілу және капилляр бойымен сұйықтың көтерілу әдісімен өлшедік. Таразы, штангенциркульмен жұмыс жасау әдісін меңгерді.
Бақылау сұрақтарға жауап беріңдер:
1)Тәжірибеде неліктен тазартылған су қолданылады?
Беттік керілу коэффициентін нақты алу үшін
2) Қай әдіс беттік керілудің дәлірек мәнін береді?
Тамшының үзілу әдісі.
3) Жұмыста өлшенген шамалардың қайсысы салыстырмалы қатеге көбірек әсерін тигізеді? Ішкі диаметрді өлшеу
№6 жұмыс
Тізбектің бөлігі үшін Ом заңы.
Жұмыстың мақсаты: тізбектің бөлігіндегі ток күші, кернеу мен кедергі арасындағы тәуелділікті тағайындау.
Керекті құралдар: вольтметр; амперметр; миллиамперметр;номи-налды кедергілері 2Ом болатын резистор; реостат 6 Ом; МН 6,3 х0,3А маркалы шам; 4В-қа негізделген ток көзі; жалғағыш өткізгіштер(сымдар), макеттік тақта.
Жұмыстың орындалу тәртібі.
1- тапсырма.Тізбек бөлігі үшін ток күші, кернеу мен кедергінің арасындағы тәуелділікті тағайындаңдар.
1.13.6- суреттегі сұлба бойынша кедергісі 2 Ом болатын резисторды пайдаланып, электр тізбегін жинаңдар.
2. Тізбекті тұйықтаңдар және өлшегіш құралдардың көрсетуін жазып алыңдар.
3. Әрбір жағдай үшін U/R
кернеудің кедергіге қатынасын тізбек бөлігі үшін
анықтаңдар.
4. Өлшеу мен есептеулердің нәтижелерін 5-кестеге жазыңдар.
5. Өз корытыңдыларыңды Г. Омның тізбек бөлігіүшін жасалған тұжырымдамасымен салыстырыңдар.
13.6 -сурет
5-кесте
-
Төжірибе
№
Кедергі R, Ом
Ток күші I,A
Кернеу U, В
U/R
1
4
1,2
4,8
1,2
2
6
0,8
5,0
0,83
I=U/R; I1= 4,8В/ 4 Ом=1,2А; I2=5B/6Ом=0,83 А
Ескерту:приборлардың аспаптық
қателігіне байланысты мәліметтерде айырмашылық бар. Резистор R=
2
0,2
Ом.
Қорытынды:Амперметрдегі ток күшінің мәні мен U/R қатынасы тең болып, Ом заңының тізбек бөлігі үшін дұрыстығы анықталды.
2- тапсырма. Ом заңын пайдаланып, тізбек бөлігіндегі кедергіні анықтаңдар.
1.13.7-сурет бойынша тізбекті жинаңдар.
2.Тізбектегі ток күшінің әр түрлі мәніндегі R2резистор кедергісін өлшеңдер.
3
.Өлшеу мен
есептеу нәтижелерін алдын ала дайындаған кестеге
енгізіңдер.
Кесте толтырамыз.
-
-
№
І, А
U, В
R2, Ом
R1, Ом
1
0,6
1,2
2
6
2
1,1
2,2
2
6
3
1,5
3,0
2
6
-
R2=U/I; R2=1,2B/0,6A=2Oм;
R2=2,2B/1,2A=2Oм;
R2=3B/1,5A=2Oм.
13.7-сурет
4. Тізбек бөлігі кедергісінің мәнін есептеп салыстырыңдар және қорытынды жасаңдар.
|
№ |
I,А |
U,В |
R2,Ом |
R1,Ом |
|
1 |
0,6 |
1,2 |
2 |
6 |
|
2 |
1,1 |
2,2 |
2 |
6 |
|
3 |
1,5 |
3,0 |
2 |
6 |
3-тапсырма. Ом заңын пайдаланып тізбек бөлігіндегі кедергіні анықтаңдар.
1.2 –тапсырмаға берілген электрлік сұлбадан (13.7-сурет) вольтметрді ағытыңдар.
2.Резистордың маркировка бойыншакедергісін және миллиамперметрдің көрсетуі бойынша ток күшін біле отырып, кернеуді есептеңдер.
3. R2 резисторға вольтметрді қосып, эксперимент жүзінде алынған есептеулерді (нәтижені) тексеріңдер.
4. Қорытынды жасаңдар.
1)R=2Ом. Резистордың маркировка бойынша кедергісі. Амперметрдің көрсетуін жазып отырмыз.
2) R2 резисторға вольтметрді қосқанда, алынған мәлімет дұрыс болады.
|
№ |
R,Ом |
I,A |
U,B |
|
1 |
2 |
1,4 |
2,8 |
|
2 |
2 |
0,8 |
1,6 |
-
№
R, Ом
I, А
U, В
1
2
1,4
2,8
2
2
0,8
1,6
Қорытынды: Ом заңынан U=I·R формуласының дұрыстығы анықталды.
4-тапсырма (қосымша). Шамның кыл сымының кедергісін анықтаңдар.

13.8-сурет
-
13.8-сурет бойынша тізбек қүрыңдар.
-
Айнымалы резистор көмегімен шамның қыл сымын реттей отырып, шам арқылы өтетін токтың күші мен шам толық жөне әлсіз жанган кездегі кернеуді елшеңдер.
-
Тізбек бөлігі үшін Ом заңын пайдаланып, шамның қыл сымының кедергісін есептеңдер.
-
Өлшеу мен есептеу нөтижелерін алдын ала дайындалған кестеге жазыңдар.
-
-
№
I,А
U,В
R,Ом
1
0,19
4,2
22
2
0,2
4,6
23
3
0,21
5,2
25
-
|
№ |
I,A |
U,B |
R,Oм |
|
1 |
0,19 |
4,2 |
22 |
|
2 |
0,2 |
4,6 |
23 |
|
3 |
0,21 |
5,2 |
25 |
№ 7 Зертханалық жұмыс
Өткізгіштердің аралас жалғануы.
Мақсаты: ток тұтынушыларының аралас жалганған электр тізбегіндегі жүмысын оқып-үйрену.
Керекті қүралдар: вольтметрлер (3 дана); кедергісі 6 Ом болатын резистор; 6,3 В х 0,3 А (3 дана) шам; ток көзі; жалғағыш сымдар.
Жүмыстың орындалу тәртібі.
1-тапсырма. Айнымалы резисторды қосымша кедергі ретінде пайдаланып, аралас жалғауы бар электр схемасын окып-үйрену
1.13.9 –сурет бойынша электрлік сұлбаны жинаңдар.

13.9сурет
2.Л1, Л2 шамдары мен R айнымалы резисторлыраның бір-бірімен қалай жалғанғанын айтыңдар.
3. 1-және 2-нүктелер арасындағы U1кернеу мен 1- мен және 3- нүктелер арасындағы U2 кернеуді (айнымалы резистор – реттегіштің шекті жағдайында) өлшеңдер.
4.U = U1+U2 тендігінің дұрыстығына көз жеткізіңдер.
5.Резистордың реттегішін қозғай отырып, шамның жарықтылығының өзгеру себебін түсіндіріңдер.
Жұмысты орындау:
1.Л1 және Л2 шамдары параллель жалғанған.
2..U1, U2 жәнеU1,3 кернеуді вольтметр арқылы өлшеп U=U1+U2 дұрыстығын тексердік.
3.Шамдар параллель жалғанған. Кернеу екеуінде бірдей артса, шам жарықтайды.
Реттегіш арқылы кедергіні азайтсақ, кернеу артты.
Кесте толтыру
-
№
U12, B
U23,B
U=U13+U23
1
0,6
4,6
5,2
2
0,8
4,4
5,2
2- тапсырма. Шунт (айналып өту жолы) қызметін атқаратын айнымалы резисторы бар аралас жалғаудың сұлбасын оқып –үйреніңдер.
1.13.10-сурет бойынша электр тізбегін құрыңдар.

2.Л1, Л2 шамдары мен айнымалы резистордың өзара қалай жалғанғанын айтып беріңдер.
3.Шамдарға параллель вольтметр қосыңдар. Айнымалы резистор реттегішінің бір шекті жағдайдағы орнынан екінші шекті жағдайына қозғалта отырып, вольтметрдің көрсетуі мен шамның жарықтығын бақылаңдар. Байқалған эффектіні түсіндіріңдер.
4. Резистордың реттегішін максимал кедергіні беретін жағдайға қойыңдар (13.10-сурет). Шамның жарықтығын еске сақтап, осы жарықтыққа сәйкес вольтметрдің көрсетуін жазып алыңдар.
5.Резистордың реттегішін минималды кедергіні беретін жағдайға қойыңдар (13.10-сурет, төменгі бөлік). Шамның жарықтығын есте сақтап, осы жарықтыққа сәйкес вольтметрдің көрсетуін жазып алыңдар.
6.Аталған екі жағдайдағы шамдардың жарықтығы мен прибордың көрсетуін салыстырыңдар. Кедергі аз болғанда ( екінші жағдай), Л1 шам неге жанбайды? Ал оған қосылған вольтметр кернеуді неге көрсетпейді?
Жұмысты орындау:
Кесте толтырамыз:
|
R |
U1,B |
U2,B |
|
Rmax |
1,0 |
4,4 |
|
Rmin1 |
0,6 |
4,8 |
|
Rmin2 |
0 |
5,4 |
U1 –бірінші шамның кернеуі; U2- екінші шамның кернеуі.
Қорытынды: Реостатпен жалғанған Л1 шам кернеуіненЛ2 шам кернеуі артса, шам сөнеді. Кедергі аз болғанда Л1 шам жанбайды, кернеуі нөльге дейін кемиді. Себебі, шам қылының кедергісінен реостат кедергі аз болғандықтан тоқтың көп бөлігі Л2 шамға бөлінеді.
3- тапсырма. Потенциометрдің (кернеу бөлгіш) қызметін атқаратын айнымалы резисторы бар аралас жалғаудың сұлбасын оқып –үйрену.
1
.13.11-
сурет бойынша электр тізбегін құрыңдар.
2.Резистордың реттегішін бір шекті жағдайдан екінші шекті жағдайға жылжытыңдар. Вольтметрдің көрсетуін бақылаңдар.
3. Резистордың реттегішінің кез келген жағдайында тізбектегі жалпы кернеу ( 1 және 3 нүктелер арасы) V1 мен V2 вольтметрлері көрсетулерінің қосындысына тең болатынына көз жеткізіңдер, яғни айнымалы резистор U жалпы кернеуді U1 және U2 құраушыларына бөледі.
4.13.12-сурет бойынша V1,V2 вольтметрлерді шамдармен алмастырып, тізбекқұрыңдар.

Резистордың реттеуішін жылжыта отырып және шамның жарықтылығын бақылап, алдыңғы пунктте жасалған корытындының дұрыстығына көз жеткізіңдер.
Жұмысты орындау:
2. U1=0,8B; U1= 1,2B; U1=2,8B
U2= 0,8B; U2=1,2B; U2= 2,8B
U = 1,6B; U = 2,4B; U = 5,6B
13.11-суретбойыншарезисторреттегішінжылжытаотырып, жалпы кернеу U=U1+U2 қосындысына тең болатыны анықталды.
Вольтметрлерді ( 13.12 сурет бойынша) шаммен алмастырсақ, резистор реттеуішін кедергіні арттырып жылжытсақ, кернеу артып, шамының жарықтылығы күшейеді.
Қорытынды: ток тұтынушыларының аралас жалғанған электр тізбегіндегі жүмысын оқып-үйрендік.
№8 Зертханалық жұмыс.
Ток көзінің ЭҚК-ін және оның кедергісін анықтау.
Жұмыстың мақсаты: ток көзінің ЭҚК-ін және оның кедергісін анықтау.
Керекті құралдар: ток көзі (4,5В-тық батарея); амперметр; вольтметр; реостат (6Ом); жалғағыш сымдар.
Теориялық түсінік.
13.13 –суретте берілген сұлба бойынша реостат көмегімен тізбекке арналған Ом заңын I=Ԑ/R+r қолданып, тізбектегі ток күшін өзгертеміз. Амперметр мен вольтметрдің көрсетуі бойынша бірнеше өлшеулер жүргізіп, Ԑ ЭҚК-мен ток көзінің r ішкі кедергісін анықтаймыз.

1)I1 =Ԑ/R1+r және R1=U1/I1, сонда I1R1+I1r=Ԑ немесе
U1 +I1r=Ԑ,
2) U2+ I2r =Ԑ,
Осыдан U1 +I1r = U2 +I2r. Сонда r =U1-U2/I1-I2. (13.12)
I1r = Ԑ -U1, ал I2r = Ԑ - U2 болғандықтан, Ԑ = U2I1-U1I2/I1 -I2. 13.13-сурет
Ԑ= I1 -I2. ( R1-R2) /I2-I1 r = I1 R1- I2 R2/ I2-I1
Жұмыстың орындалу тәртібі.
1.13.13- суреттегі сұлбаға сәйкес тізбек құрастырыңдар.
2. Реттегішті реостаттың ортасына қойыңдар.
3. I1 амперметрдің және U1 вольтметрдің көрсетуін жазып алыңдар.
4. Реостаттың реттеуішін жылжыта отырып, жаңа орынға апарыңдар.
5. I2 амперметрдің және U2 вольтметрдің жаңа көрсетуін жазып алыңдар.
6. (13.12) және (13.13) формулаларын қолданып, ток көзінің электр қозғаушы күші мен ішкі кедергісінің шамасын есептеңдер.
7. Өлшеу қателерін анықтаңдар.
Кесте толтырамыз
|
№ |
U1 В |
U2 В |
I1 А |
I2 А |
rОм |
Ԑ В |
|
1 |
4,4 |
4,3 |
1,35 |
1,6 |
0,4 |
4,96 |
r = U1-U2/I1-I2 = 4,4B-4,3B/1,6A-1,35A =0,1B/0,25A= 0,4Ом.
Ԑ=U2I1 – U1I2/I1-I2= 4,3B·1,35A - 4,4B·1,6A/1,6A -1,35A=4,96B.
Ԑ
=Ԑпр
ΔԐ =4.96
0,16;
ΔԐ=
ΔиԐ +ΔоԐ==0,15+0,01=0,16.
Сұраққа жауап беріндер.1. Ток көзінің Э.Қ.К-і деп нені атаймыз?
Зарядтың ток көзінен алған электр энергиясының ток көзінің ішкі құрылысына тәуелділігін сипаттайтын шама ток көзінің Э.Қ.К деп аталады.
2.Реостаттың реттегішін қай бағытқа қозғаған дұрыс? Неге?
Реостат реттегішін сол бағытқа қозғаған дұрыс. Себебі кедергі азайып, ток пен кернеу артады.
Қорытынды:ток көзінің ЭҚК-ін және оның кедергісін анықтадық.
11 КЛАСС.
1- зертханалық жұмыс.
Жарықтың интерференциясын және дифракциясын бақылау.
Құрал – жабдықтар: 1) шыны пластиналар – 2 ; 2) қыздыру қылы түзу шам ( сыныпқа біреу ); 3) жарықтандырылған фотопленка ; 4 ) ұстараның жүзі.
Жұмыстың мақсаты: Интерференция және дифракция құбылыстарын бақылау.
Жұмыстың барысы:
Жарықтың интерференциясын бақылау. 1. Екі шыны пластинаны мұқият сүртіңдер, екеуін қосып , оларды бір – біріне саусақпен қысыңдар.
2. Пластиналарды күңгірт реңде шағылған жарықта қараңдар. Осы кезде пластиналарды олардан жарқырап шағылған жарық болмайтындай етіп ұстаңдар.
3. Пластиналардың жанасатын жерлерінде пайда болатын айқын түрлі – түсті тұйық сызықтарды бақылаңдар.
4. алынған интерференциялық көріністің ақ қабатының қалыңдығына сай физикалық және орналасуының өзгерістерін бақылаңдар.
5. интерференцияны өтетін сәуледе бақылап көріңдер.
Жарықтың дифракциясын бақылау.1. Фотопленкада ені 0,5 мм саңылау жасаңдар.
2. Саңылауды вертикаль етіп, көзге тақап ұстаңдар.
3. Саңылау арқылы вертикаль орналасқан шамның қылына қарап отырып, оның екі жағындағы түрлі – түсті жолақтарды бақылаңдар (дифракциялық спектр).
4. Саңылаудың енін 0,5 мм-ден 0,8 мм-ге өзгерте отырып, дифракциялық спектрдің қалай өзгеретінін байқаңдар.
Бақылау сұрақтары:
-
Жарықтың интерференциясы кез келген жағдайда бола ма? Оны барлық кездерде де бақылауға бола ма?
-
Қай жарықта интерференцияны бақылау оңай : өтетін немесе шағылған?
-
Гюйгенс – Френель принципін пайдаланып , жарықтың дифракциясын түсіндіріңдер.
-
Егер саңылаудың жолына жарық сүзгіштерін қойса , дифракциялық кескін қалай өзгерер еді? Мұны тәжірибеде тексеріп көріңдер.Дифракциялық кескін ені өзгереді.
-
Көзіңді сығырайтып , шамның қылына қара. Не көрдің? Көзіңді сығырайтуыңа қарай кескін қалай өзгереді? Кескін өлшемі өзгереді.
-
Дифракциялық спектрдің дисперсиялық спектрден айырмашылығы неде? Толқын ұзындығы мен жиілігіне байланысты.
Жұмыстың орындалуы :
-
Екі шыны пластинаны қосып , бір – біріне саусақпен қысу керек. Шағылған жарықта қараса , пластиналардың жанасатын жерлерінде түрлі – түсті сызықтар байқалады. Бұл интерференциялық көрініс. Қабат қалыңдығына сай орналасуы өзгереді.
-
Саңылауы бар фотопленканы вертикаль ұстап көзге тақап , вертикаль орналасқан шамның қылына қарап , оның екі жағындағы түрлі – түсті жолақтарды көреміз. Саңылау енін өзгерте отырып , спектрдің өзгерісін бақылаймыз.
Қосымша тапсырма.
1 тапсырма
«Жіңішке жіптен алынған жарық дифракциясы»
Құралдар: проекциялық аппарат, жылжымалы саңылау , жапқыш дискілер , рамкаға керілген жіп , экран.
Жұмысқа нұсқау:
-
Экранда барлық жері бірқалыпты жарықтанған саңылаудың айқын кескіні жіпсіз алынады.
-
Лампа қырының «қыры» саңылауға параллель орналасатындай және онымен бірге конденсордың оптикалық осінде жататындай етіп, жарық көзінің , конденсордың және саңылаудың орындарын ауыстырады.
-
Саңылаудың алдына конденсордың оптикалық осіне рамкағак керілген жіп қойылады, мұнда жіп пен саңылаудың параллельдігі сақталу керек. Саңылауды ақырындап тарылтады да, экранда дифракциялық спектрдің жолақтары алынады. Экранды 40 – 45 0 –қа бұрғанда кескін «созылады». Орта тұсында жарық жолақ пен оның оң жақ және сол жағында кезектесіп келетін күңгірт және жарық жолақтар кескінделген.
-
А мен А1 бағытында күңгірт жолақ
-
В мен В1 бағытында жарық жолақ
-
Δd =
- ң жұп саны с/тан
күңгірт -
Δd =
- ң тақ саны с/тан
жарық
2 тапсырма.
« Жұқа қабықшадағы жарық интерференциясы»
Құралдар: проекциялық аппарат , сабын қабықшасына арналған сым рамка , сабын ерітіндісі , экран.
Жұмысқа нұсқау:
-
Конденсор алдында сым тұзақ қойылады. Тұзақты конденсордан шыққан жарық шоғы оны толық жабатындай қашықтыққа орналастырады. Ол үшін тұзақтың артына жарық конусын вертикаль жазықтықта қиып өтетін , кішірек табақ, ақ қағазды жақындап қояды.Оны тұзақпен бірге отырғыштың бойымен қозғай отырып, жарық дағының тиісті өлшемі алынады. Тұзақ астына сабын ерітіндісі бар стақан қойып, тұзақты ерітіндіге толық батырады да, стақанды алып кетеді. Тұзақта сабын қабықшасы пайда болады. Сабын қабықшасынан жағылған жарық шоғының жолына универсал штативтің үшаяғына қондырылған объектив қосылады. Осы шоқтың бойымен объективті қозғай отырып экранда жап – жарық интерференциялық түсті жолақтары бар сабын қабықшасының айқын кескіні шығады.
III. Үйге : № 3 М/ж.даярлық
2- зертханалық жұмыс.
Дифракциялық тордың көмегімен жарықтың толқын ұзындығын анықтау.
Құрал – жабдықтар: 1) жарықтың толқын ұзындығын анықтайтын аспап; 2)дифракциялық тор; 3)жарық көзі.
Жұмыстың
теориясы. Жарықтың дифракциясы
дифракциялық тордың көмегімен жақсы бақыланады. Дифракциялық тордың
формуласы d sin φ=
Rλ
( 1) бойынша түрліше
ұзындықтағы толқындар үшін максимумдар түрліше бұрыштармен
бақыланады. Φ бұрышы аз және тор мен экранның а қашықтығы
саңылаудан толқынның максимумы бақыланатын b қашықтықтан көп үлкен
болатындықтан, sin φ=tg=
( 2) деп алуға болады. (§4.5
–ты қараңдар)
( 1 ) мен ( 2 ) формулаларынан
λ=
аламыз
:
Жұмыстың барысы:
-
Дифракциялық торды (1 )аспаптың рамкасына ( 2 ) қойып , оны көтерілгіш үстелдің қысқышына бекітіңдер ( 1 – сурет ).
-
Жылжымалы экранды (5) дифракциялық тордан 50 см қашықтыққа қойыңдар.
-
Дифракциялық тор (1) арқылы қарап, аспапты нысана саңылауынан көрінетін етіп қойыңдар. Осы кезде жылжымалы экранның қараңғы реңінде бірнеше ретті дифракциялық спектрлерді көруге болады. Спектрлер көлбеу тұрса, торды олар вертикаль болатындай етіп бұрып қойыңдар.
-
Экрандағы шкала бойынша бірінші реттік спектрдің қызыл және күлгін шекарасын анықтаңдар, сонымен қатар спектрдің жасыл сызығының орнын да байқаңдар.
-
Өлшеу нәтижелерін кестеге түсіріңдер.
-
Жылжымалы экран мен тордың арақашықтығын өзгертіп, өлшеулерді қайталаңдар. Мұны экранның әр түрлі үш орналасу жағдайы үшін қайталаңдар. үшін толқын ұзындығын анықтаңдар.
-
Қызыл, жасыл және күлгін сәулелер үшін толқын ұзындығының орташа мәнін табыңдар.
-
Өлшеу қателігін бағалаңдар.
Бақылау сұрақтары:
-
Дифракциялық тор дегеніміз не?
-
Тордың периоды деген не? Ол қалай есептеледі?
-
Спектрдің қай бөлігі экранның саңылауына жақын орналасқан: қызыл немесе күлгін?
-
Тор мен экранның арақашықтығы дифракциялық спектрдің ретіне қалай әсер етеді?
-
Тордың периоды дифракциялық спектрлердің арақашықтығына қалай әсер етеді?
-
Егер көшедегі шамға капрон , тюль арқылы қарайтын болсақ , неге олардың төңірегінде түрлі – түсті шеңберлер пайда болады?
Жұмыстың орындалуы:
|
Спектрдің реттілігі |
Тордың периоды, d ( м ) |
Тордан экранға (шкалаға) дейінгі қашық тық а |
Спектрдің шкала-лары және белгілері м |
Толқын ұзындығы , м |
||||
|
қызыл |
жасыл |
күлгін |
қызыл |
жасыл |
күлгін |
|||
|
1 |
10 – 5м |
0,5м |
14*10-2 |
9* 10-2 |
8* 10-2 |
7*10-7м |
5* 10-7 м |
4*10-7м |
|
2 |
10 – 5м |
0,5 м |
7* 10-2 |
5* 10-2 |
4* 10-2 |
7*10-7м |
5* 10-7 м |
4*10-7м |
d= 10-5м ; К =4
а
= 0,5
м
bқ= 14*10 -2м , bж=9*10-2м ; bкүл=8*10-2м
λқыз=
=
=
7*10-7м
λкүл=
=
=
4*10-7м ;
λж=
=
= 5*
10-7
м
d=10 – 5м ; К=2
а = 0,5м
bқ = 7* 10-2м ; bж =5*10-2м ; bк=4*10-2м
λқыз=
=
=
7*10-7м
λж=
=
= 5*
10-7
м
λкүл=
=
=
4*10-7м
Қорытынды:Бүгінгі сабақта дифракциялық тор арқылы 7 спектрдің ішіндегі қызыл , жасыл , күлгін түстерінің толқын ұзындығын анықтадық . алынған мәліметтер. Толқын ұзындықтарына сәйкес. Сонда λқыз= 7*10-7м λж= 5*10-7м λкүл=4*10-7м шықты.
3 - зертханалық жұмыс.
Шынының сыну көрсеткішін жазық параллель пластинаның көмегімен анықтау.
Құрал – жабдықтар: 1) жазық параллель шыны пластина; 2) ағылшын түйреуіші – 4 дана; 3) өлшеуіш сызғыш; 4 ) ақ қағаз ; 5) шам; 6 ) аккумулятор батареясы; 7) кілт ; 8) жалғағыш сымдар; 9)саңылауы бар экран; 10) транспортир.
Жұмыстың
теориясы. Жарық бір ортадан екінші
ортаға өткенде жарықтың сыну құбылысы бақыланады. Мұның себебі – әр
түрлі орталарда жарықтың таралу жылдамдығы түрліше болады. Сыну
заңы бойынша: n=
, (1
)
Мұндағы n – екінші ортаның бірінші ортаға қатысты сыну көрсеткіші. Егер бірінші ортаға ауа болса , оның абсолют сыну көрсеткіші 1 , онда екінші ортаның салыстырмалы сыну көрсеткіші абсолют сыну көрсеткішіне тең.

Жұмыстың барысы:
-
Электр шамын кілт арқылы батареяға қосып , тізбек құрыңдар.
-
Шамның алдына саңылауы бар экранды орналастырып , ал оның сыртына ақ қағаз қойыңдар.
-
Кілт арқылы тізбекті қосыңдар да қағаз бетінде жіңішке жарық жолағын алыңдар.
-
Жарық жолағына кез келген бұрышпен шыны пластинаны қойыңдар.
-
Пластинаның пішінін қағазға сызып , F шығу нүктесін белгілеңдер.
-
Тізбекті ағытып қағаздан шыны пластинаны алыңдар.
-
A және B , B және F нүктелерін қосып , түскен және шыққан сәулелерді сызыңдар. Пластинаға жарықтың B түсу нүктесінде перпендикуляр тұрғызыңдар.
-
Транспортирдің көмегімен түсу және сыну бұрыштарын өлшеңдер.
-
Шынының сыну көрсеткішін ( 1 ) формула бойынша есептеңдер.
-
Тәжірибені басқа түсу бұрыштары кезінде қайталаңдар және нәтижелерді салыстырыңдар ( тәжірибені 3 рет жүргізіңдер ).
-
Тәжірибелерді жарық көзінсіз , ағылшын түйреуіштерін пайдаланып жасаңдар.
Бақылау сұрақтары:
-
Шынының сыну көрсеткішінің жарық сәулелерінің түсу бұрышы артқан кезде қалай өзгеретінін анықтаңдар. Осы тәуелділіктің графигін сызыңдар.
-
Жарықтың сыну бұрышы түсу бұрышынан кіші немесе үлкен , сондай – ақ нөлге тең бола ала ма?
-
Абсолют сыну көрсеткішінің физикалық мағынасы неде?
-
Сыну көрсеткішін ең үлкен дәлдікпен , яғни ең кіші қатемен қалай анықтауға болады?

Жұмыстың орындалуы:
n
=
![]()
-
α =50 0= 0,766
β = 26 0 = 0,4384
n
=
=
= 1,7

-
α
=29 0
=
0,4840
β
=
19 0
=
0,3256
n=
=
= 1,48
~
1,5

-
α = 50 0 = 0,766
β = 24 0 = 0,4067
n=
=
= 1,7
Қорытынды: Бүгінгі зертханалық жұмыста біз шынының сыну көрсеткішін параллель пластинка арқылы анықтадық, сонда жарық сынғанда шынының сыну көрсеткіші n = 1,5 жуық мәнді сандар шықты.
4 - зертханалық жұмыс.
Зарядталған бөлшектердің ізін зерттеп үйрену.
Жұмыста Вильсон камерасымен алынған магнит өрісіндегі протонның ізі мен соған ұқсас зарядталған бөлшектердің ізін салыстыру керек.
Құрал – жабдықтар , қажетті
өлшеулер , өлшеу әдістері. Жұмыс зарядталған бөлшектер
үшін 4 – суретте берілген фотосуретпен жүргізіледі. I із протондікі
, II із ұқсастыру үшін беріледі. Магнит өрісінің индукциясы
фотосурет жазықтығына перпендикуляр. Екі бөлшектің бастапқы
жылдамдықтары бірдей және фотосурет шеттеріне перпендикуляр.
Белгісіз бөлшекті ұқсастыру оның меншікті зарядын q\ m протонның
меншікті зарядымен салыстыру жолымен жүргізіледі. Оны былай
орындайды: бөлшектердің ізін бастапқы бөлігіндегі радиустарын өлшеп
салыстырады. Шынында магнит өрісіндегі бөлшек үшін Ньютонның екінші
заңы былай жазылады: qʋB=m
, осыдан
=
.
Осы формулалардан зарядталған бөлшектердің меншікті заряды олардың іздерінің радиустарының кері қатынасына тең екені көрініп тұр.
Бөлшек ізінің қисықтық радиусын анықтау үшін 4 – суреттегі фотосуреттің бетіне мөлдір қағазды салады да , екі хорданың орталарынан перпендикуляр жүргізеді ( 5 – сурет ). Перпендикулярдың қиылысында шеңбердің центрі жатады. Оның радиусы сызғышпен өлшенеді.

Жұмысты орындауға дайындық.
-
Өлшеудің және есептеудің нәтижесін жазу үшін кесте дайындалады.
-
Фотосуреттен калькаға бөлшектердің ізі түсіріледі.
Эксперимент жүргізу , өлшеулер нәтижесін өңдеу.
-
Калькаға көшірілген бөлшек іздерінің бастапқы бөліктеріндегі қисықтың радиустарын өлшеңдер.
-
Калькаға түсірілген белгісіз бөлшек пен протонның меншікті зарядтарын салыстырыңдар. Өлшеу нәтижелері бойынша қандай бөлшек екенін анықтаңдар.
Бақылау сұрақтары:
-
Бөлшектер ізінің фотосуреттегі ізіне қатысты магнит индукциясы векторы қалай бағытталған?
-
Бір бөлшек ізінің әр түрлі бөліктердегі қисықтың радиусы неліктен әр түрлі ?
Жұмыстың орындалуы:
|
№ |
Өлшеу |
Есептеу |
qб /тб / qn /mn |
||
|
Rб |
Rn |
qб /тб |
qn /mn |
||
|
1 |
3*10 -2м |
28*10 -3м |
33 |
36 |
0,7 |
|
2 |
35*10 -3 м |
3 *10 -2м |
29 |
33 |
0,6 |
-
Протон бөлшек.
r
1 = 2,8 см = 28 *
10 -3
м
r2 = 3 см = 3,10 -2м
=
![]()
=
= 35,7
~
36
=
![]()
=
=
33
Белгісіз бөлшек.
-
r 1= 3 см = 3 *10 -2м
r 2= 3,5 см = 35*10 -3 м
=
=
=33
=
=
= 28,5
~
29
-
=
=
= 0,9 -
=
=
=0,87
Вильсон камерасымен белгісіз
бөлшек пен протонның радиустарын, меншікті зарядтарын анықтадық.
Қатынастарын салыстырғанда екі бөлшекте бірдей санды
көрсетті.
48
шағым қалдыра аласыз













