Өтініш таратпаңызшы!!!
Информатика пәнінен Ұлттық бірыңғай тестілеуге дайындалуға арналған тесттер жинағы
1-нұсқа
1. 50 беттен тұратын кітаптың әрбір бетінде 50 жол, ал әрбір жолда 70 символ бар. Осы кітаптағы ақпарат көлемі неше Мбайт екенін көрсетіңіз.
A) 175000
B) 170,8
C) 0,167
D) 0,208
2. 1 йоттабайт (Йбайт) неше байтқа тең?
A) 250
B) 260
C) 270
D) 280
3.
суретте көрсетілген жад
түрін белгілеңіз.
A) RAM
B) ROM
C) кэш
D) қатқыл диск
4. Логикалық қосу біріктірілетін жалғаулық
A) and
B) or
C) not
D) if
5. Төменде берілген кестеде пайдаланылған шарт

A) Условное форматирование-Правила выделения ячеек-Больше 750000
B) Условное форматирование-Правила выделения ячеек- Меньше 700000
C) Условное форматирование-Правила выделения ячеек- Между 500000-750000
D) Условное форматирование-Правила выделения ячеек-Больше 500000
6. Төменде берілген кестенің D3 ұяшығында қолданылған формула

A) =B3*5%
B) =C3*10%
C) =B3*10%
D) =C3*5%
7. n айнымалысына 6 санын енгізгенде нәтиже

A) 216
B) 36
C) 18
D) 9
8. n айнымалысына 15 санын енгізгенде нәтиже

A) 1
4
7
10
13
B) 1
4
7
10
C)
2
8
14
20
26
D)
2
8
14
20
9. IP v4 хаттамасындағы адрестер саны
A) 216
B) 232
C) 264
D) 2128
10. Компьютердің IP-адресінің фрагменттері А-дан В-ға дейін көрсетілген. IP-адресті қалпына келтір. Жауапта үзінділерді білдіретін сандардың реттілігін IP-адреске сәйкес тәртіппен көрсет.
|
8.13 |
.93 |
7.219 |
21 |
|
А |
Ә |
Б |
В |
A) АБӘВ
B) ВАБӘ
C) БӘВА
D) АӘВБ
11. .net жалпы мақсаттағы жоғары деңгейлі доменнің қай түріне жатады?
A) коммерциялық ұйымдар
B) ақпараттық ресурстар
C) интернеттің жұмыс істеуіне қатысты ұйымдар
D) коммерциялық емес ұйымдар
12. Разряд-
A) негізі 2 болатын позициялық санау жүйесі
B) цифрдың сандағы орны
C) арнайы белгілер жиынтығының көмегімен сандарды белгілеу тәсілі
D) сандар жиыны
13. Берілген өрнектің
ақиқат кестесін көрсетіңіз: (Av
)^B
A)
|
A |
B |
|
Av |
(Av |
|
0 |
0 |
0 |
0 |
0 |
|
0 |
1 |
1 |
0 |
1 |
|
1 |
0 |
0 |
1 |
1 |
|
1 |
1 |
0 |
0 |
0 |
B)
|
A |
B |
|
Av |
(Av |
|
0 |
0 |
1 |
1 |
1 |
|
0 |
1 |
0 |
0 |
0 |
|
1 |
0 |
1 |
1 |
1 |
|
1 |
1 |
0 |
1 |
0 |
C)
|
A |
B |
|
Av |
(Av |
|
0 |
0 |
0 |
0 |
0 |
|
0 |
1 |
1 |
0 |
1 |
|
1 |
0 |
0 |
1 |
1 |
|
1 |
1 |
0 |
0 |
0 |
D)
|
A |
B |
|
Av |
(Av |
|
0 |
0 |
0 |
0 |
1 |
|
0 |
1 |
1 |
0 |
1 |
|
1 |
0 |
0 |
1 |
1 |
|
1 |
1 |
0 |
0 |
0 |
14. HTML-дегі маркерленген тізім
A) <dl>, </dl>
B) <ul>, </ul>
C) <hr>
D) <sub>, </sub>
15. HTML кодтағы “Джон Маккарти” мәтінінің түсі


A) көк
B) қызыл
C) сары
D) қара
16. Негізгі кестедегі іздеуді тездету үшін көмектесетін көмекші кесте
A) адрес
B) өріс
C) индекс
D) жазба
17. isdigit() әдісінің қызметі
A) жоластын іздеу үшін пайдаланады
B) жолда сандардың болуын анықтайды
C) жолдағы бір жоластын басқа жоластымен ауыстырады
D) берілген бір бөлгішке сәйкес жолды бөлу үшін пайдаланылады
18. Логикалық терістеу операциясының орындалу басымдылығы
A) жоғары
B) биік
C) орта
D) төмен
19. 11101112 санын сегіздік, он алтылық санау жүйесіне аударғандағы мәні
A) 1658, 7716
B) 1198, 7516
C) 1678, 7716
D) 1278, 7616
20. Программалар құқықтық мәртебесі бойынша топқа бөлінеді
A) екі топқа
B) үш топқа
C) төрт топқа
D) бес топқа
21. Мәліметтерді екілік кодтан адамға түсінікті формаға түрлендіру
A) кодтау
B) декодтау
C) шифрлау
D) разряд
22. Программа нәтижесі

A) 1 2 3
B) 1 2 3 4
C) 1 2 3 5 6 7 9
D) 1 4 8
23. Программа нәтижесі

A) 40
B) 45
C) 46
D) 10
24. HTML кодта қолданылған CSS стильін қосу тәсілі және «1 байт = 8 бит» мәтінінде қолданылған түс

A) ішкі стиль, сары түс
B) құжат деңгейіндегі стильдер, қызыл түс
C) сыртқы стильдер, қызыл түс
D) құжат деңгейіндегі стильдер, сары түс
25. Айнымалыны программаның барлық бөлімінде жұмыс істету үшін процедурада пайдаланылатын қызметші сөз
A) def
B) global
C) summa
D) range
Контексті тапсырма
B[n] бір өлшемді, екі бірдей элементі жоқ массив берілген. Осы массивтегі k-ші минимумды тап. Мысалы n=5 және k=2 болса, онда 5 элементі бар массивте (52,14,5,68,87) 2-ші минимум 14 ке тең.

26.Массив ұзындығы көрсетілген қатар
-
k=int(input())
-
n=int(input())
-
for i in range (0,n):
-
a[i]=int(input())
27. Массив элементтерін қолмен енгізу қатарын көрсетіңіз.
-
k=int(input())
-
n=int(input())
-
for i in range (0,n):
-
a[i]=int(input())
28. b=sorted(a) жолы не үшін қолданылады?
-
А массивінің өзінде өсу реті бойынша реттейді
-
А массивін өсу реті бойынша сұрыптап, b массивіне жүктейді
-
А массивінің өзінде кему реті бойынша реттейді
-
А массивін кему реті бойынша сұрыптап, b массивіне жүктейді
29.Программадағы k-ші максимумды табу үшін өзгертілген жол
-
print(k, ‘max=’, b[k+1])
-
b=sorted(k)
-
print(k, ‘max=’, b)
-
b=sorted(a,reverse=True)
30 .k=3 болғанда программа нәтижесі
-
52
-
14
-
68
-
5
31. Программа нәтижесінің сәйкестігін анықтаңыз
1.

2.

-
Информатика өте қызықты
-
Информатика Информатика
-
Информатика сабағы қызықты
-
Информатика қызықты
32.Суретті туралау атрибуттары мен сипаттамасын сәйкестендіріңіз
1.браузер терезесінің ішіндегі суреттің биіктігін (тігінен өлшемін) пиксельмен немесе терезе биіктігінің пайызымен береді
2.браузер терезесінің ішіндегі суреттің биіктігін (көлденең өлшемін) пиксельмен немесе терезе биіктігінің пайызымен береді
-
height
-
width
-
vspace
-
hspace
33.Бұлттар және олардың анықтамалары арасындағы сәйкестікті анықтаңыз.
1.Ортақ мақсаттары бар қоғамдық тұтынушыларға арналған инфраструктура
2.Көпшілікке арналған, олардың интернетте еркін жұмыс істеуіне арналған инфраструктура
-
жеке бұлттар
-
ортақ бұлттар
-
аралас бұлттар
-
қоғамдық бұлттар
34.Сұрыптау алгоритм түрлері мен жұмыс жасау негіздері арасындағы сәйкестікті анықтаңыз
1.Әр екі жұп элементті салыстырып шығады
2.Массивтегі ең кіші (ең үлкен) элементті тауып, оны сұрыпталмаған элементтердің бірінші тұрғанымен ауыстырады
-
Көбік
-
Кірістіру
-
Таңдау
-
жылдам
35.Сұрыптау коды мен түсініктемесі арасындағы сәйкестікті анықтаңыз.
1.B=sorted(A)
2.B=sorted(A, reverse=True)
-
А массивін өсу реті бойынша сұрыптап, В массивіне жүктейді
-
А массивін кему реті бойынша сұрыптап, В массивіне жүктейді
-
А массивінің өзінде өсу реті бойынша реттейді
-
А массивінің өзінде кему реті бойынша реттейді
36. Компьютерлік желілер тиістілігіне қарай бөлінеді:
A) Ведомстволық
B) Жергілікті
C) Мемлекеттік
D) Аймақтық
E) Ауқымды
F) Аумақтық
37. Абсолютті сілтемені көрсетіңіз
A) $R$8
B) $F9
C) $D$4
D) D$2
E) $B3
F) $E$21
38. MySQL-дегі біріктіру командасының дұрыс синтаксистерін көрсет
-
SELECT column_name(s)
FROM table1
INNER JOIN table2
ON table1.column_name=table2.column_name;
B) SELECT column_name(s)
WHERE table1
INNER JOIN table2
ON table1.column_name=table2.column_name;
C) SELECT column_name(s)
FROM table1
LEFT JOIN table2
ON table1.column_name=table2.column_name;
D) WHERE column_name(s)
FROM table1
LEFT JOIN table2
ON table1.column_name=table2.column_name;
E) WHERE column_name(s)
FROM table1
RIGHT JOIN table2
ON table1.column_name=table2.column_name;
F) SELECT column_name(s)
FROM table1
RIGHT JOIN table2
ON table1.column_name=table2.column_name;
39. Төменде қарапайым пікірлер берілген. Осы пікірлерге сүйеніп мына өрнектің шешімін тап F= ⌐ (A^B) v C
А=Тұрақты жадтың маңызды микросхемасы-BIOS
В=Қатқыл диск жедел есте сақтау құрылғысы
С= ROM тек оқуға арналған жад.
A) 1
C) ақиқат
D) жалған
E) true
F) false
40. Өрнектің мәнін анықтаңыз: 2310+158=?
A) 3610
B) 308
C) 3010
D) 388
E) 3810
F) 428
2-нұсқа
1. 50 беттен тұратын кітаптың әрбір бетінде 50 жол, ал әрбір жолда 70 символ бар. Осы кітаптағы ақпарат көлемі неше Кбайт екенін көрсетіңіз.
A) 175000
B) 170,8
C) 0,167
D) 0,208
2. Дұрыс теңдікті көрсетіңіз
A) 1 Кб < 1000 байт
B) 2 Мб < 2048 Кбайт
C) 100 бит = 80 байт
D) 3 Гб > 3072 Кбайт
3.
суретте көрсетілген жад
түрін белгілеңіз.
A) RAM
B) ROM
C) кэш
D) қатқыл диск
4. Логикалық көбейту қандай жалғаулық көмегімен біріктіріледі?
A) and
B) or
C) not
D) if
5. Маска дегеніміз-..
А) Желідегі компьютердің номерінен желілік адресті білуге мүмкіндік беретін үлгі.
B) Кішігірім немесе ауқымды желі құруға мүмкіндік беретін IP хаттамалары.
С) Ауқымды желісі IP желі дара жагдайы
D) Интернет кызметтері комегмен курылган шкі колдануга арналган корпоративті ІР-желі
6. Суретте диаграманың қай түрі берілген

A) Гистограмма
B) Аймақтық
C) Сызықтық
D) Нүктелік
7. Төменде берілген кестенің С3 ұяшығында қолданылған формула

A) =B3*5%
B) =C3*10%
C) =B3*10%
D) =C3*5%
8. Программа нәтижесін анықтаңыз

A) 30
B) 60
C) 90
D) 50
9. Программа нәтижесінде «140 ball» сөзі экранда неше рет шығады

A) 3
B) 4
C) 5
D) 6
10. IP v6 хаттамасындағы адрестер саны
A) 216
B) 232
C) 264
D) 2128
11. Компьютердің IP-адресінің фрагменттері А-дан В-ға дейін көрсетілген. IP-адресті қалпына келтір. Жауапта үзінділерді білдіретін сандардың реттілігін IP-адреске сәйкес тәртіппен көрсет.
|
8.13 |
.47 |
7.219 |
15 |
|
А |
Ә |
Б |
В |
A) АБӘВ
B) ВАБӘ
C) БӘВА
D) АӘВБ
12. Компьютерде кітаптың 64 беті терілді, әр бетте 32 қатар, әр қатарда 32 символ бар. Компьютерде 256 символдық алфавит қолданылады. Осы кітаптағы ақпарат көлемін 2 минут 8 секундта тасымалдаған тасымалдаушы құрылғының жылдамдығын анықта
A) 4096 байт/с
B) 4 Кбит/с
C) 512 байт/с
D) 65 536 бит/с
13. Санау жүйесі-
A) негізі 2 болатын позициялық санау жүйесі
B) цифрдың сандағы орны
C) арнайы белгілер жиынтығының көмегімен сандарды белгілеу тәсілі
D) сандар жиыны
14. Берілген өрнектің
ақиқат кестесін көрсетіңіз: (Av
)^
B
A)
|
A |
B |
|
Av |
(Av |
|
0 |
0 |
0 |
0 |
0 |
|
0 |
1 |
1 |
0 |
0 |
|
1 |
0 |
0 |
1 |
0 |
|
1 |
1 |
0 |
0 |
0 |
B)
|
A |
B |
|
Av |
(Av |
|
0 |
0 |
1 |
1 |
1 |
|
0 |
1 |
0 |
0 |
0 |
|
1 |
0 |
1 |
1 |
1 |
|
1 |
1 |
0 |
1 |
0 |
C)
|
A |
B |
|
Av |
(Av |
|
0 |
0 |
0 |
0 |
0 |
|
0 |
1 |
1 |
0 |
1 |
|
1 |
0 |
0 |
1 |
1 |
|
1 |
1 |
0 |
0 |
0 |
D)
|
A |
B |
|
Av |
(Av |
|
0 |
0 |
0 |
0 |
1 |
|
0 |
1 |
1 |
0 |
1 |
|
1 |
0 |
0 |
1 |
1 |
|
1 |
1 |
0 |
0 |
0 |
15. HTML-дегі көпсатылы тізім құратын дескриптор
A) <dl>, </dl>
B) <ul>, </ul>
C) <hr>
D) <sub>, </sub>
16. HTML кодтағы класс селекторына қойылған түс


A) көк
B) қызыл
C) сары
D) қара
17. Реляциялық деректер қорындағы кестенің негізгі қасиеттерінің бірі
A) әр кесте объектінің бірнеше класын сипаттайды
B) бір атпен бірнеше баған кездеседі
C) кестеде бағандардың орналасу реті маңызды емес
D) бір бағанның барлық мәндері бір деректер типіне жатады
18. find() әдісінің қызметі
A) жоластын іздеу үшін пайдаланады
B) жолда сандардың болуын анықтайды
C) жолдағы бір жоластын басқа жоластымен ауыстырады
D) берілген бір бөлгішке сәйкес жолды бөлу үшін пайдаланылады
19. Логикалық қосу операциясының орындалу басымдылығы
A) жоғары
B) биік
C) орта
D) төмен
20. Деректеп базасының құрылымы.
-
кестелер-> мәліметтер базасы-> жазбалар
-
кестелер-> жазбалар-> мәліметтер базасы
-
мәліметтер базасы-> жазбалар-> кестелер
-
мәліметтер базасы-> кестелер-> жазбалар
21. 10110112 санын сегіздік, он алтылық санау жүйесіне аударғандағы мәні
A) 918, 5B16
B) 1198, 7516
C) 1338, 5B16
D) 1378, 7616
22. "Бір тәулікте 24 сағат бар" ақпараттың қасиетін анықтаңыз.
A)Нақтылық
В) Нақты емес
С) Құндылық
D) Субъективті
23. Логикалық сызбаға сәйкес логикалық өрнекті және мәнін көрсетіңіз
А=1 B=1 C=1

A) ((AvB)^¬C)^C=1
B) ((AvB)^¬C)vC=0
C) ((A^B)^¬C)vC=0
D) ((AvB)^¬C)vC=1
24. Borland C++ Builder программалық жасақтаманың қай түріне жатады?
A) жүйелік
B) қолданбалы
C) инструменталдық
D) аппараттық
25. Параметрлі циклді көрсетіңіз
A) for i in range(10):
B) while a<10:
C) if i%2==0:
D) n=int(input)
Контексті тапсырма
A[n][n] екі өлшемді массиві берілген(1<n<20) . Осы массивтің бас диагоналінде орналасқан элементтерді экранға шығарыңыз. Массив кездейсоқ сандармен толтырылған.

26. Массив ұзындығы көрсетілген қатар
-
for j in range (0,n):
-
n=int(input())
-
for i in range (0,n):
-
a[i][j]= randint(1,9)
27. Бас диагоналінде орналасқан элементтерді экранға шығару үшін 13-қатарға қойылатын шарт
-
A[i]%2==0
-
i==j
-
A[i][j]%2==0
-
A[i]%2==1
28. Массив элементтері толтырылған кездейсоқ сандар
-
0 мен 9 аралығындағы сандармен
-
1 мен 9 аралығындағы сандармен
-
Кез келген кездейсоқ сандармен
-
Өзіміз енгізген сандармен
29. for операторы:
-
шартты цикл
-
кірістірілген цикл
-
параметрлі цикл
-
цикл қадамы
30. Бас диагональда орналасқан элементтердің қосындысын табу үшін орындалатын программадағы өзгеріс
-
if a[i]%2==0:
s=s+a[i][j]
-
if a[i]==a[j]:
s+=a[i][j]
-
if a[i][j]%2==1:
s=s=+[i][j]
-
if i==j:
s+=a[i][j]
31. Әдістер мен олардың қызметтерін сәйкестендір
|
1 |
А массивіндегі Х ке тең элементті өшіреді |
A |
|
|
|
|
B |
|
|
2 |
А массивіндегі Х ке тең элементтердің санын анықтайды |
C |
|
|
|
|
D |
|
32.Бағдарламалық жасақтаманың сапа критерийлері мен анықтамаларын сәйкестендіріңіз
|
1 |
Берілген шарттарда пайдаланушыға бағдарламалық өнім ұсынатын қызметтер деңгейінің пайдаланатын ресурстар көлеміне қатынасы |
A |
сенімділік |
|
|
|
B |
|
|
2 |
Бағдарламалық жасақтаманың бір ортадан екіншісіне, яғни бір аппараттық платформадан басқасына ауыса алу қабілеті |
C |
эргономикалық |
|
|
|
D |
|
33. Фон Нейман архитектурасының қағидаларын түсініктемелерімен сәйкестендір
|
1 |
Компьютердегі барлық ақпарат екілік код түрінде сақталады |
A |
екілік кодтау қағидасы |
|
|
|
B |
жадтың біркелкілік қағидасы |
|
2 |
Компьютерде орындалатын есептер алгоритмдер көмегімен шешіледі |
C |
адрестік қағидасы |
|
|
|
D |
|
34. Логикалық операциялар және олардың түсініктемелерін сәйкестендір
|
1 |
Екі пікірге сәйкесінше жаңа пікір беретін, алғашқы екі пікір ақиқат болса ғана ақиқат болып табылатын логикалық операция |
A |
|
|
|
|
B |
|
|
2 |
Екі пікірге сәйкесінше жаңа пікір беретін, бастапқы екі пікір жалған болып табылғанда ғана жалған болатын логикалық операция |
C |
|
|
|
|
D |
терістеу |
35. Программа коды мен нәтижесін сәйкестендіріңіз.
|
1 |
|
A |
1-ден 15-ке дейінгі 3-ке бөлінбейтін сандарды экранға шығарады |
|
|
|
B |
1-ден 15-ке дейінгі 3-ке қалдықсыз бөлінетін сандарды экранға шығарады |
|
2 |
|
C |
1-ден 15-ке дейінгі 3-ке 2 қалдықпен бөлінетін сандарды экранға шығарады |
|
|
|
D |
|
36.А массивінде Х-ке тең элементтердің санын анықтайды
A) A.append(X)
B) A.remove(X)
C) A.insert(i,X)
D) A.count(X)
E) A.pop(i)
F) A.remove(S)
37. Сымды байланыс желілерін көрсетіңіз
A) Қосақталған кабель
B) Радиобайланыс
C) Коаксиалды кабель
D) Wi-Fi
E) Оптикалық кабель
F) WiMax
38. Жүйелік программалық жабдықтамаларды көрсетіңіз
A) мәтіндік редакторлар
B) трансляторлар
C) кестелік процессорлар
D) операциялық жүйелер
E) сыртқы құрылғылардың программалары
F) графикалық редакторлар
39.Төменде қарапайым пікірлер берілген. Осы пікірлерге сүйеніп мына өрнектің шешімін тап F= ⌐ (AvB) v C
А=Логикалық қосу-дизъюнкция деп аталады
В=Логикалық терістеу және көмекші сөзі арқылы жасалады
С= Конъюнкция and көмекші сөзімен байланысады.
A) 1
B) 0
C) ақиқат
D) жалған
E) true
F) false
40. 5710 санын екілік және сегіздік жүйеге ауыстырғандағы нәтиже
a. 10010012
b. 718
c. 101102
d. 258
e.158
f.1110012
3-нұсқа
1.Процессордағы ядролар саны
a.жүйелік шинамен процессор арасындағы қосындыны шығарады
b.бірінші және екінші қосылғыштың нәтижесін береді
c.бір мезетте бірнеше қосымшаның жұмыс жасау мүмкіндігіне әсер етеді
d.процессор жүгінетін құрылғыны қамтиды
2.Журналдың 121 беті бар. Әр бетте 132 жол, әр жолда 44 символ бар. Журналдағы ақпарат көлемі
a.657,81 Кбайт
b.686,29 Кбайт
c.645,15 Кбайт
d.677,89 Кбайт
3.1568 санын екілік санау жүйесіне аударғандағы мәні
a.11011102
b.10101102
c.11100102
d.10111102
4.программа фрагментіне n-айнымалысының мәніне қандай санды енгізсе 4 деп шығады:

a.2
b.0
c.1
d.3
5.Жүйелік блок құрамына кірмейтін құрылғы
a.қатқыл диск
b.кэш жады
c.процессор
d.пернетақта
6..org домен түрі
a.коммерциялық ұйымдар
b.білім беру
c.мемлекеттік мекеме
d.коммерциялық емес ұйымдар
7.Есімі «J» әрпінен басталатын қызметкерлердің тізімін алыңыз
a.SELECT*FROM nur97 WHERE first_name LIKE “%J%”
b. SELECT*FROM nur97 WHERE first_name LIKE “_J”
c. SELECT*FROM nur97 WHERE first_name WHERE “J%”
d. SELECT*FROM nur97 WHERE first_name LIKE “J%”
8.Массивтегі ең кіші (ең үлкен) элементті тауып, оны сұрыпталмаған элементтердің бірінші тұрғанымен ауыстырады
a.көпіршікті сұрыптау
b.кірістіру
c.таңдау
d.жылдам
9.Excel программасының файл кеңейтілімі
a..pptx
b..docx
c..txt
d..xlsx
10.берілген программадағы қате түрі
S=int(input())
P=input()
print(S+P)
a.шаманың типіне сәйкес емес амал қолдану
b.айнымалыны нөлге бөлу
c.бүтін сан мен жолды қосу
d.жолды санға айналдыру
11.print(“*”*3+”*”)
a.***3*
b.**3*
c.*****
d.****
12.Алдыңғы элементттердің тәуелділігін ескере отырып құрылған база
a.реляциялық
b.иерархиялық
c.желілік
d.sql
13.1-Bool(), 2-str 3-float(), 4-int()
a.1-логикалық, 2-жолдық, 3-бүтін сандар, 4-нақты сандар
b.1-логикалық, 2-жолдық, 3-нақты сандар, 4-бүтін сандар
c.1-логикалық,2-бүтін сандар,3-нақты сандар, 4-жолдық
d.1-нақты сандар, 2-жолдық, 3-бүтін сандар, 4-логикалық
14.Реляциялық деректер қорындағы кестенің негізгі қасиеттерінің бірі
a.бір бағанның барлық мәндері әртүрлі дерек типіне жатады
b.кестедегі жолдар реті қатаң тәртіппен анықталған
c.кесте ішіндегі әрбір бағанның атауын 5 рет қайталауға болады
d.кестеде бағандардың орналасу тәртібі маңызды емес
15.JavaScript тілінде экран (web-сайт) бетіне ақпаратты шығару үшін қолданылады
a.alert()
b.prompt()
c.console.log()
d.document.write()
16.text-transform: capitalize қасиеті
a.барлық әріптерді бас әріппен жазады
b.абзацты туралауын анықтайды
c.бірінші жол үшін шегіністі белгілейді
d.әр сөздің бірініші әрпін үлкен жазады
17.Тармақталған және қайталау әрекеттері жоқ, барлық әрекет тізбекпен, бірінен соң бірі табиғи реттілікпен бір реттен орындалатын алгоритмдік құрылым
a.тармақталған алгоритм
b.циклдік алгоритм
c.сызықтық алгоритм
d.синтаксистік алгоритм
18.негізгі кестедегі бір жазбаға бағынышты кестенің бірден көп жазбалары сәйкес келеді
a.біреуден-біреуге
b.біреуден-көпке
c.көптен-көпке
d.біреуден-бірнешегі
19.Берілген сұрыптау алгоритмі

a.көпіршік
b.таңдау
c.кірістіру
d.жылдам
20.Төмендегі суретте берілген программа қандай категорияға жатады?

a.еркін қолданыстағы программалық жабдықтама
b.тегін программалық жабдықтама
c.шектеулі-тегін программалық жабдықтама
d.коммерциялық программалық жабдықтама
21.а тізіміндегі элементтерді кері ретпен орналастырады
a.a.sort()
b.a.sort(reverse=True)
c.a.reverse()
d.a.count
22.компьютердің аналық тақшасындағы кеңейтілімнің алып қосу ойығы
a.сопроцессор
b.слот кеңейтілімі
c.чипсет
d.шина
23.style атрибутын қолдану арқылы анықталатын стиль түрі
a.ендірілген стиль
b.кіріктірілген стиль
c.байланысқан стиль
d.импортталған стиль
24.Суретте берілген топология түрі

a.шина
b.жұлдыз
c.ұялы
d.иерархиялық жұлдызша
25.Код нәтижесі

a.20
b.120
c.6+
d.24
Контекст
Ерасылға геометрия пәні мұғалімі төменде көрсетілгендей тік бұрышты үшбұрыш шығаратын программа жазуын сұрады
*
**
***
****
*****
Алайда, программа орындаған кезде дәл суреттегідей болып шыққан жоқ. Ерасылға қатені табуға көмектесіңіз

26.Программада қолданылған алгоитм түрі
a.циклдік
b.логикалық
c.сызықтық
d.тармақталған
27.Программаны іске қосқан кезде экранға қандай нәтиже шығады
a.
* * **
* * * *
* * * *
* * * *
b.
*
* *
* * *
* * * *
* * * * *
* * * * * *
c.
*
* *
* * *
* * * *
d.
* * * * *
* * * *
* * *
* *
*
28.программа есептің берілген шартындағыдай нәтижені көрсету үшін қай жерін түзеу қажет
a.4-қатардағы end=” ” командасын алып тастау
b.3-қатарды өзгерту: for j in range(i+1):
c.5-қатардағы print(‘’) алып тастау
d.3-қатардағы i-ды n-ге өзгерту: for j in range(n):
29.Төмендегідей төртбұрыш шығару үшін дұрыс жазылған кодты тап
* * * *
* * * *
* * * *
* * * *
a.

b.

c.

d.

30.программа есептің берілген шартындағыдай нәтижені көрсету үшін қай жерін түзеу қажет
a.n=6 деп өзгерту керек
b.2-қатарды өзгерту: for i in range (n-1):
c.5-қатардағы print(‘’)-ке end=’ ’ деп қосу қажет
d.3-қатарды өшіру керек
31. Берілген құрылғылар мен анықтамалары арасындағы дұрыс сәйкестікті анықтаңыз
1.Көптеген жартылай өткізгішті элементтерден тұратын, компьютерде барлық есептеу мен ақпарат өңдеу жұмыстарын жүргізетін электронды микросхема
2.орталық процессордың шалғай құрылғыларымен деректер алмасу жұмысын жасақтайтын, аналық тақшада орналасқан микросхемалар жиынтығы
А.сопроцессор
В.чипсет
С.процессор
Д.BIOS
32. Берілген логикалық өрнектің сәйкес мәндерін анықтаңыз
|
А |
В |
? |
|
1 |
1 |
|
|
1 |
0 |
|
|
0 |
1 |
|
|
0 |
0 |
|
1.(A^B)vA
2.(AvB)^B
А. 1 0 0 0
В.1 0 1 0
С.1 1 0 0
Д.0 1 1 1
33. Берілген программа кодтары мен нәтижелері арасында дұрыс сәйкестікті анықтаңыз
1.

2.

А. В әріпін А әріпіне ауыстырады
В. А әріпін В әріпіне ауыстыру
С.17
Д.21
34. Берілген программа үзіндісіндегі сұрыптау әдістерін сәйкестендір
1.

2.

А.көпіршік
В.кірістіру
С.таңдау
Д.жылдам
35. Берілген командалар мен қызметтері арасындағы дұрыс сәйкестікті анықтаңыз
1.
![]()
2.
![]()
А.ішкі стиль
В.стильдер кестесін іске қосады
С.сыртқы құжатпен байланыс
Д.қолданушы стилі
36.11011012 санын позициялық түрге келтіріңіз
a.10410
b.10910
c.1558
d.1458
e.6В16
f.6D16
37.Python программалау тіліндегі цикл нұсқаулықтары
a.def
b.for
c.break
d.while
e.continue
f.range
38.img тегінің атрибуты бола алады
a.
b.style
c.src
d.rel
e.alt
f.div
39.HTML кодта құжат тақырыбын көрсететін тег
a.<head>
b. </html>
c. <title>
d. <html>
e. </title>
f. </body>
40.Деректерді сақтау түрі бойынша бөлінуі
a.реляциялық
b.желілік
c.фактографиялық
d.таратылған
e.құжаттық
f.орталықтандырылған
4-нұсқа
1.Суретте берілген құрылғы

a.чипсет
b.BIOS
c.шина
d.магистраль
2.MySQL деректер қорында, оң жақты сыртқы біріктіру үшін қолданылған синтаксисті көрсетіңіз

a.SELECT colum_name(s)
FROM table1
LEFT JOIN table2
ON table1.column_name=table2.column_name;
b. SELECT colum_name(s)
FROM table1
RIGHT JOIN table2
ON table1.column_name=table2.column_name;
c. SELECT colum_name(s)
FROM table2
LEFT JOIN table1
ON table1.column_name=table2.column_name;
d. SELECT colum_name(s)
FROM table
RIGHT table
ON table1.column_name=table2.column_name;
3.Компьютерлік алфавиттегі реттік нөміріне сәйкес барлық символдар кестесі
a.кодтау кестесі
b.трассировка кестесі
c.регистр кестесі
d.жад кестесі
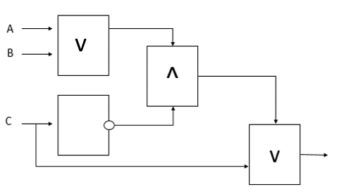
4.Берілген логикалық сызба нәтижесі (А=1 В=0 С=1)

a.0
b.1
c.not
d.дұрыс жауап берілмеген
5.Реляциялық деректер қорындағы кестенің негізгі қасиетінің бірі
a.әрбір бағанның аты кесте ішінде қайталанады
b.кестедегі бағандардың орналасу тәртібі маңызды емес
c.бір бағанның барлық мәндері әртүрлі деректер типіне жатады
d.әр кесте объектінің әр түрлі класын сипаттайды
6.X=(1v¬1)v(0^0); Y=(1v0)^¬(0^1) берілген екі өрнектің мәнін тап
a.X=0; Y=1
b. X=1; Y=1
c. X=1; Y=0
d. X=0; Y=0
7.Екілік санау жүйесінде ең үлкен цифр қаншаға тең?
a.1
b.1111
c.2
d.10
8. «Ертең таңертең ҰБТ тапсырасың, ертерек жатып демал!» сөйлемінің ақпараттық қасиеті
a.дәлділік
b.нақтылық
c.құндылық
d.объективтілік
9.512 символдық алфавиті бар жоңғарлар тайпасының 60 әріптен тұратын хатын шабарман көрші тайпаға жеткізді. Ол қандай ақпарат көлемін жеткізді?
a.512 бит
b.540 бит
c.60 бит
d.612 бит
10.Шамаларды өсу ретімен орналастыр:
2048 бит; 1000 байт; 1 бит; 1 байт; 300 байт; 1 Кбайт
a. 1 бит; 1 байт; 300 байт; 2048 бит; 1000 байт; 1 Кбайт
b. 1 бит; 1 байт; 2048 бит; 300 байт; 1000 байт; 1 Кбайт
c. 1 байт; 1 бит; 2048 бит; 300 байт; 1000 байт; 1 Кбайт
d. 1 бит; 1 байт; 300 байт; 1000 байт; 2048 бит; 1 Кбайт
11.Ақиқат кестесінің мәнін тап (нәтиже жоғарыдан төмен қарай жазылған)
|
A |
B |
c |
(a^b)v(b^¬c) |
|
1 |
1 |
1 |
|
|
1 |
1 |
0 |
|
|
1 |
0 |
1 |
|
|
1 |
0 |
0 |
|
|
0 |
1 |
1 |
|
|
0 |
1 |
0 |
|
|
0 |
0 |
1 |
|
|
0 |
0 |
0 |
|
a.1 1 0 0 0 1 0 0
b.0 0 0 1 1 1 0 1
c.1 1 0 0 0 0 0 0
d.1 1 0 0 0 1 1 1
12.Біркестелік деректер қорында MySQL құру командасының синтаксисін толықтырыңыз:
Create table ‘TableName’(‘fieldname’__________[қосымша параметр]);
a.create database
b.dataType
c.float
d.from
13.Төмендегі код орындалғанда экранға қандай нәтиже шығады:

a.0
b.1
c.11
d.7
14.Ұзындығы 0-ден 255 таңбаға дейінгі айнымалы бөлім
a.char
b.int
c.varchar
d.float
15.Электрондық кестедегі 30 ұяшығы бар аумақты көрсетіп тұр
a.E2:G11
b.C1:R9
c.A15:D20
d.C4:F9
16.11А және 11Б сыныптарында 10112 қыз бала бар. Барлығы 1D16 оқушы болса, қанша ер бала болғаны?
a.178
b.208
c.278
d.228
17.Форманы жіберуге арналған Жіберу батырмасының кодын анықта

a.<form method=”post” action=”action_page.php”>
<input type=”text” value=”Жіберу”>
b. <form method=”post” action=”action_page.php”>
<input type=”submit” value=”Жіберу”>
c. <form method=”post” action=”action_page.php”>
<input type=”radio” value=”Жіберу”>
d. <form method=”post” action=”action_page.php”>
<input type=”button” value=”Жіберу”>
18.Төмендегі код орындалғанда экранға қандай нәтиже шығады

a.720
b.190
c.600
d.55
19.Нәтиже

a.2
b.1.5
c.1
d.0
20.Берілген схема бойынша құрылымдық формуланы анықтаңыз

a.F=(A^B)v(¬B^C)
b. F=(Av¬B)v(BvC)
c. F=(A^¬B)v(BvC)
d. F=(A^¬B)v(B^C)
21.54718 санының екілік санау жүйесіндегі мәні
a.10111001110
b.101100111001
c.1001111101101
d.10101000001
22.Берілген PHP кодына қолданылған жолдың қызметі
If (! $conn)
{
die(‘Did not connect:’ .mysql_error());
}
a.егер қосу жүргізілмесе, қатенің хабараламасын береді
b.HTML кодын аяқтау
c.деректер қорымен байланыс орнату
d.деректер қорына қосылуды жабу
23.төмендегі код орындалғанда экранға қандай нәтиже шығады:

a.55
b.35
c.199
d.269
24.Бұл құрылғы порттарына жалғанған әр компьютер мекенжайын «еске сақтап алып», реттеуші қызмет атқарып-деректерді тек адресат компьютеріне ғана жібереді
a.коммутатор
b.бағдарлауыш
c.модем
d.концентратор
25.Берілген 11-synyp кестесінен Zhandos–тың жасын 15-ке ауыстыру үшін жазылатын код:

a.UPDATE Oqushylar SET Age=15;
b.UPDATE Oqushylar SET Age=15 WHERE OqushyID=2;
c. UPDATE Oqushylar SET Age=15 WHERE OqushyID=1;
d. INSERT Oqushylar SET Age=15 WHERE OqushyID=2;
Димаш алғаш рет HTML тілінде веб-сайттың көрінісін жазды. Бірақ кейбір қателіктер жіберді. Қателіктерді тауып, Димашқа сайт версткасы бойынша көмектесіңіз

26.Айсұлтан екі тіктөртбұрыш құрады. Қай тіктөртбұрыш сыртқы болып табылатынын анықтаңыз (код қатесі дұрысталды деп есептелгенде)
a.ақ тіктөртбұрыш
b. көк тіктөртбұрыш
c. қара тіктөртбұрыш
d. сыртқы тіктөртбұрыш берілмеген
27.неліктен екі тіктөртбұрыштың біреуі экранда көрібей тұр? Код қатесін табыңыз
a.height:70px
b..juz
c..ubt
d.background-color:white
28.сыртқы тіктөртбұрышты оң жаққа 100px жылжыту қажет
a.padding-top:100px
b.margin-bottom:100px
c.padding-left:100px
d.margin-left:100px
29.Ішкі тіктөртбұрыштың биіктігін 80px-ге үлкейту қажет
a.width:80px
b.height:80px
c.width:320px
d.height:150px
30.Сыртқы тіктөртбұрыш селекторын анықтаңыз
a.айди селеторы
b.класс селекторы
c.контекстік селектор
d.тегтік селектор
31.логикалық операциялардың орындалу басымдықтарын сәйкестендіріңіз
1.and
2.or,xor
a.I (жоғары)
b.II (биік)
c.III (орта)
d.IV (төмен)
32.Фон Нейман ұсынған архитектураның негізгі қағидаларын сәйкестендіріңіз
1.жадтың біркелкілік қағидасы
2.программалық басқару қағидасы
a.компьютерде орындалатын есептер алгоитмдер көмегімен шешіледі
b.компьютердегі барлық ақпарат екілік код түрінде сақталады
c.компьютердің барлық жадындағы деректердің қолдетімділігі
d.деректер мен орындаушы кодтардың бірге сақталуы
33.JavaScript функцияларының анықтамасын сәйкестендіріңіз
1.confirm()
2.prompt()
a.пайдаланушы бір нәрсе енгізіп, ОК батырмасын басу керек немесе CANCEL JavaScript
b. Екі батырмадан тұратын question сұрақ қойылған терезесін шығарады: OK/CANCEL
c. JavaScript-тегі экран бетіне ақпаратты шығару үшін қолданылатын JavaScript функциясы
d.Хабарламамен модельді (диалогтық) терезені шығарадыжәне пайдаланушыны OK батырмасын басқанша күтетін JavaScript функциясы
34.Excel функцияларының категорияларын сәйкестендіріңіз
1.МАКС ()
2.СРЗНАЧ ()
a.математикалық
b.статистикалық
c.логикалық
d.қаржылық
35.CSS селекторлырдың стильді өзгертудің дұрыс нұсқасын сәйкестендіріңіз
1.class арқылы
2.идентификатор яғни id арқылы
a.#bir {color:blue; font-size:12px;}
b.h1{color:blue; font-size:12px;}
c..bir{color:blue; font-size:12px;}
d.-h1{color:blue; font-size:12px;}
36.Төмендегілердің қайсысы сыртқы жадқа кіреді?
a.жедел есте сақтау құрылғысы
b.тұрақты есте сақтау құрылғысы
c.кэш жады
d.қатқыл диск
e.флэш жады
f.оптикалық диск
37.IP-адрес бөліктерінің атауы
a.желі нөмірі
b.хост
c.диапазон
d.желідегі компьютер номері
e.маска
f.ішкі мекен-жай
38.кірістірілген функцияны пайдалана отырып, бойының ұзындығы бойынша әскери тексеруден өте алмай қалған ұл баланы анықтайтын формула (-лар)

a.=ЕСЛИ(ИЛИ(В5=156;В5>156); «жоғарғы көрсеткіш»; «төмен көрсеткіш»)
b. =ЕСЛИ(ИЛИ(В5=155;В5>156); «жоғарғы көрсеткіш»; «төмен көрсеткіш»)
c. =ЕСЛИ(И(В5=185;В5>156); «жоғарғы көрсеткіш»; «төмен көрсеткіш»)
d. =ЕСЛИ(ИЛИ(В5<185;В5=156); «жоғарғы көрсеткіш»; «төмен көрсеткіш»)
e. =ЕСЛИ((В5=185;В5>156); «жоғарғы көрсеткіш»; «төмен көрсеткіш»)
f. =ЕСЛИ(ИЛИ(В5=185;В5>156); «жоғарғы көрсеткіш»; «төмен көрсеткіш»)
39.Деректер қорын жобалаудың негізгі кезеңдері
a.жазбалар байланысы
b.кілттік өріс
c.өрістерді анықтау
d.кілттік жазба
e.объектілер
f.кестелер құрылымы
40.Электрондық кестеде диаграмманың шаблон(-дар)ы
a.шеңбер
b.гистограмма
c.нүктелік
d.дөңгелек
e.эллипс
f.үшбұрышты
5-нұсқа
1.Суретте көрсетілген құрылғы

А.сыртқы жады
В.тұрақты есте сақтау
С.кэш жады
Д.жедел есте сақтау
2.Жіберу жылдамдығы 240000 бит\с қа тең желіде 100 беттен, әр беті 30 жолдан, әр жолы 80 символдан тұратын хабарламаны жіберу уақыты
А.8 минут
В.8 секунд
С.4 секунд
Д.6 секунд
3.Тұрақты жадтың маңызды микросхемасы
А.BIOS
В.RAM
С.ROM
Д.CACHE
4.Сыйымдылығы үлкен есте сақтау құрылғысы
А.лазерлік диск
В.қатқыл диск
С.жұмсақ диск
Д.иілгіш диск
5.Рендеринг үшін қолданылатын құрылғы
А.RAM
В.CPU
С.ROM
Д.GPU
6.Компьютердің ішкі жадысымен тікелей жұмыс жасайтын құырылғы
А.монитор
В.процессор
С.динамик
Д.принтер
7.Ақпараттық және компьютерлік жүйелер саласында компоненттердің санына, мақсатына және негізгі сипаттамаларына негізделген белгілі бір құрамдас бөлшектер жиынтығы
А.слот
В.жинақтауыш
С.конфигурация
Д.бейнекарта
8.Дербес компьютердің архитектурасының негізін ұсынды

А.Б.Паскаль
В.Ф.Нейман
С.В.Лейбниц
Д.В.Шиккард
9.IP адресс көмектесе алмайды
А.теріс пиғылды желі қолданушыларын анықтауға
В.жергілікті желінің өткізу қабілетін арттыруға
С.желіде жасалатын қылмыстарға тосқауыл қоюға
Д.интернетте қосылған құрылғы мекен жайын анықтауға
10.Компьютердің барлық құрылғыларын басқаратын құрылғы
А.команда есептеуіші
В.арифметикалық логикалық құрылғы
С.командалар регистрі
Д.басқару құрылғысы
11.Кестедегі өріс саны

А.1
В.2
С.3
Д.4
12.www.okulyk.kz адресіндегі сатып алуға болмайтын домен деңгейі
А..okulyk
В.www
С..kz
Д..okulyk.kz
13.Динамикалық IP адрес
А.құрылғыға уақытша беріледі
В.өзгермейтін, тұрақты болып келеді
С.қолданушы өзі тағайындайды
Д.сатып алуға болмайды
14. «Тең емес» салыстыру операторының жазылуы
А.x=!y
В.x<y
С.x>y
Д.x==y
15.HTML тіліндегі тегтер CSS кодының қай стилінде ұсынылған

А.кірістірілген стиль
В.ішкі стиль
С.ендірілген стиль
Д.сыртқы стиль
16.Түрлі құрылғылар арасында кез келген бағытта деректер жіберетін шина
А.логикалық
В.басқару
С.адрестік
Д.деректер
17.Он алтылық жүйеде берілген 58В16 санының екілік санау жүйесіндегі мәні
А.111001010
В.1101000101
С.10110001011
Д.1011100110
18.Логикалық схемадағы вентиль атаулары, саны және шығыс мәні

А.2 дизъюнктор, 1 конъюнктор,1 инвентор,1
В. 2 конъюнктор,1 дизъюнктор, 1 инвентор, 0
С. 1 конъюнктор,2 дизъюнктор, 1 инвентор, 1
Д. дизъюнктор, конъюнктор,инвентор,0
19.Ернар көлемі 25 байт ақпаратты 5 секундта жіберу үшін, оған қажетті желінің өткізу қабілеті
А.125 байт\с
В. 5 байт\с
С. 5 бит\с
Д. 75 бит\с
20.Қолданбалы программа түрі
А.Microsoft Visual C++
В.Microfoft Excel
С.Microsoft Windows
Д.Microsoft Visual Basic
21.Электрондық кестеде қолданылған шартты форматтау түрі

А.бірінші және соңғы мәндерді іріктеу ережесі
В.түрлі түсті шәкілдер
С.ұяшықтарды ерекшелеу ережесі
Д.форматтаудың жаңа ережесін құру
22.Электрондық кестеде ашылмалы тізім әзірлеу үшін орындалатын бастапқы үш команда

А.Кірістіру (Вставка) Сілтемелер(Ссылки) Гиперсілтемелерді кірістіру
В.Деректер (Данные) Деректермен жұмыс (Работа с базами данных) Бағандар бойынша мәтін
С.Деректер (Данные) Деректермен жұмыс (Работа с базами данных) Консолидация
Д. Деректер (Данные) Деректермен жұмыс (Работа с базами данных) Деректерді тексеру (проверка данных)
23.film кестесі берілген. Жас ерекшелігі PG-13 және ұзақтығы 60 минуттан аз болатын фильмдерді шығаратын сұраныс

А.select * from film update rating= ‘PG-13’ and length<60
В. select * from film order by rating= ‘PG-13’ and length<60
С. select * from film select rating= ‘PG-13’ and length<60
Д. select * from film where rating= ‘PG-13’ and length<60
24.Дерек көз (Источник) өрісінде көрсетілген сілтеме түрі

А.абсолюттік
В.аралас
С.гиперсілтеме
Д.салыстырмалы
25.HTMl тілінде қолданылатын көлденең сызық сызатын жұпсыз тегті көрсетіңіз
А.<dt>
В.<h1>
С.<p>
Д.<hr>
Аделя мен Даяна автобусқа кіріп билет алды.Жол ұзақ болғандықтан Аделя билетінің нөмір цифрларының қосындысын ойша есептеп отырды.Аделя құрбысының да билетін алып есептеді. Содан кейін қосындыларды салыстырды. Аделя үйге келген соң, билеттің қосындыларын салыстыратын программа құруды шешті. Алайда, программада қате бар. Аделяға программаның қатесін табуға көмектесіңіз, ол үшін келесі тапсырманы орындаңыз.

26.Программада қолданылған циклдік алгоритм
А.while
В.for
С.input
Д.else
27.Программаға х=4567206 у=7821045 мәндерін енгізгенде шығатын нәтиже
А.20=37
В.37<>20
С.20<>37 20=37
Д.30=27 30<>27
28.x=x//10 , z=x%10 өрнектері арқылы орындалатын амалдар
А.санның қалдығын табу,санның бүтін бөлігін табу
В.санның қалдығын табу, санның дәрежесін табу
С.бөлу, санның бүтін бөлігін табу
Д.санның бүтін бөлігін табу, санның дәрежесін табу
29.Программа нәтижесінде тек бір ғана жауап шығу үшін программаны толықтыру
А.

В.

С.

Д.

30.Программаға толықтырулар жүргізгеннен кейін, бірінші билетке 456789 және екінші билетке 598741 нөмірлерін енгізгендегі нәтиже
А.40<>39
В.39<>34
С.34=34
Д.39=39
31.Берілген құрылғылардың атауы мен қызметінің сәйкестігін табыңыз
1.

2.

a.ақпаратты өңдеуге арналған құрылғы
b.негізгі процессордың қызметтік мүмкіндігін толықтырады
c.компьютерді компьютерлер желісіне қосуға мүмкіндік береді
d.программалар мен деректерді ұзақ уақыт сақтауға арналған құрылғы
32.Логикалық сызбалар мен логикалық өрнектер арасында дұрыс сәйкестікті анықтаңыз
1.

2.

a.A=1,B=0,F=1
b. A=1,B=0,F=0
c. A=1,B=0, C=1,F=1
d. A=1,B=0,C=1,F=0
33.Берілген тегтер мен оның қызметінің сәйкестігін табыңыз
1.<ol>,</ol>
2. <sub>,</sub>
a.төменгі индекс
b.маркерленген тізім
c.жоғарғы индекс
d.нөмірленген тізім
34.Берілген анықтамалар арасындағы дұрыс сәйкестікті анықтаңыз
1.кеңселік программалармен және қосымшалармен жұмыс істеуге арналған, әдетте жергілікті желілерге қосылады, жоғары өнімділігі немесе жылдамдығымен ерекшеленбеуі мүмкін
2.үлкен және күрделі графикалық қосымшалармен, фотосуреттер және бейнефайлдарды жоғары сапалы өңдеумен жұмыс істеуге арналған
a.офистік дк
b.үйге арналған дк
c.ойынға арналған дк
d.дизайнерлік дк
35.Берілген анықтамалар арасындағы дұрыс сәйкестікті анықтаңыз
1.целое()
2.корень()
a.санның таңбасын анықтайды
b.санды ең жақын бүтін санға өрнектейді
c.бөлу нәтижесінің бүтін бөлігін қалдықсыз береді
d.квадрат түбірдің оң мәнін анықтайды
36.Реляциондық деректер қорындағы кестенің негізгі қасиеттері
a.кестедегі бағандардың орналасу тәртібі маңызды емес
b.әр кесте объектінің әр түрлі класын сипаттайды
c.кестедегі жолдар ретінің орналасуы анықталған
d.бір бағанның барлық мәндері бір деректер типіне жатады
e.әрбір бағанның кесте ішінде қайталанбайтын аты бар
f.әрбір бағанның аты кесте ішінде қайталанбайды
37. 12610 санын екілік және он алтылық жүйеге ауыстырғандағы нәтижесі
a.158
b.111002
c.118
d.7Е16
e.10010012
f.11111102
38.Кестедегі бастапқы кілт бола алатын өрістер

a.аты
b.тегі
c.туған жылы
d.ID
e.мекен жайы
f.тел номері
39. A&B өрнегінің мәні
|
А |
В |
A&B |
|
0 |
0 |
|
|
0 |
1 |
|
|
1 |
0 |
|
|
1 |
1 |
|
a.
|
A&B |
|
Ақиқат |
|
Жалған |
|
Жалған |
|
жалған |
b.
|
A&B |
|
Жалған |
|
Жалған |
|
Жалған |
|
Ақиқат |
c.
|
A&B |
|
Жалған |
|
Ақиқат |
|
Жалған |
|
Ақиқат |
d.
|
A&B |
|
Жалған |
|
Жалған |
|
Жалған |
|
Жалған |
40.Берілген HTML кодта жолды оң жақ шетіне туралау тегі

a.<img>
b.<src>
c.<color>
d.<title>
e.<br>
f.<align>
6-нұсқа
1.Тұрақты жадының микросұлбасы
a.RAM
b.BIOS
c.CVOs
d.ROM
2. Көлемі 120 кбайт болатын файлды 4 минутта желі бойынша тасымалдауға кететін желінің өткізу қабілеті (секундына Кбит)
a.4
b.120
c.2
d.15
3.Жедел жад қызметі
a.Деректерді уақытша сақтайды
b.ақпаратты ұзақ мерзімге сақтайды
c.деректерді жылдам өңдейді
d.құрылғыларды тестілеуді орындайды
4.Жүйелік блок құрамына кірмейді
a.пернетақта
b.кэш жады
c.қатқыл диск
d.процессор
5.Сыртқы жад құрылғысының қызметі
a.қатынау жиілігін анықтау
b.ақпаратты ұзақ уақыт сақтау
c.ақпаратты уақытша сақтау
d.енгізу, шығару программаларының жиынтығы
6.Компьютердің конфигурациясы
a.пернетақта, жүйелік блок, динамик, принтер
b.тінтуір, динамик,жүйелік блок, пернетақта
c.жүйелік блок, монитор, пернетақта,тінтуір
d.принтер, динамик, пернетақта, монитор
7.пайдаланушының құжаттармен тегін жұмыс істеуіне, Google қосымшаларын ыңғайлы және қарапайым пайдалануына арналған онлайн-кеңсе
a. Google құжаттар
b. Google форма
c. Google meet
d. Google күнтізбе
8.Инструменталдық программа түрі
a. Google chrome
b. Microsoft Publisher
c. Borland Delphi
d. Microsoft Excel
9.Бұлттық файлдар қоймасы
a. OneNote
b. Ms Excel
c. Google drive+
d. MS Office
10.Берілген өрнектің ақиқат кестесін анықтаңыз ⌐BvB&A
a.

b.

c.
|
A |
B |
⌐BvB&A |
|
1 |
1 |
1 |
|
1 |
0 |
1 |
|
0 |
1 |
1 |
|
0 |
0 |
0 |
d.
|
A |
B |
⌐BvB&A |
|
1 |
1 |
1 |
|
1 |
0 |
1 |
|
0 |
1 |
1 |
|
0 |
0 |
1 |
11.Кестедегі мәліметтер бойынша 4 индекстегі жеңімпаздың көрсеткен нәтижесі

a. 2
b.3
c. 4
d. 1
12.Суретте берілген топология түрі

a. шина
b. иерархиялық жұлдызша
c. сақина
d. жұлдыз тәрізді
13. Жұлдыз тәрізді топологияға қосылудың ортақ нүктесі болатын құрылғы
a. ұялы телефон
b. коммутатор
c. компьютер
d. сервер
14.алгоритмді орындаудағы процессор жұмысының моделі
a. трассировка кестесі
b. алгоритмнің жұмыс істеу қабілеті
c. алгоритмді ұйымдастыру
d. алгоритмді құрастыру
15.көру нүктесін өзгерту арқылы көруге болатын сфералық проекцияда алынған үшөлшемді панорамалық фотосуреттер
a. 3Д панорама
b. кеңейтілген шындық
c. панорамалық фотосурет
d. панорамалық тур
16.процессор жүгінетін құрылығының немесе жады ұяшығының адресін жіберуге арналған шина
a. логикалық
b. басқару
c. адрестік
d. деректер
17.Берілген 14710+268=169? Өрнек нәтижесінің санау жүйесіндегі негізі
a. сегіздік
b. он алтылық
c. екілік
d. ондық+
18.Ақиқат кестесінде нәтижеге сай келмейтін Ғ функциясы


a.
b.
c.
d.
19.Суретте көрсетілген желі топологиясының түрі

a. жұлдыз
b. иерархия
c. шина
d. сақина
20.Реляциондық деректор қорындағы кестенің негізгі қасиеттерінің бірі
a. бір бағанның барлық мәндері әртүрлі дерек типіне жатады
b. кестедегі жолдар реті қатаң тәртіппен анықталған
c. кесте ішіндегі әрбір бағанның атауын 5 рет қайталауға болады
d. кестеде бағандардың орналасу тәрті маңызды емес
21.Электрондық кестеде сандарды мәтін түрінде форматтағанда ұяшықтың туралануы
a. сол жақ шеті бойынша
b. орта бойынша
c. оң жақ шеті бойынша
d. жоғарғы шеті бойынша
22.Электрондық кестеде В8 ұяшығына ашылмалы тізім ұйымдастыру үшін белгіленуі қажет ұяшықтар диапазонын анықтаңыз

a. А2:А6
b. В1:G1
c. B2:G6
d. A1:A6
23.Деректер қорында books кестесін құру үшін жазылатын, дұрыс командалар жолын анықтаңыз

a. CREATE TABLE books (kitap_id bool,kitap_aty integer(20),avtory VARCHAR(20),bagasy float);
b. CREATE TABLE books (kitap_id integer,kitap_aty VARCHAR (20),avtory VARCHAR(20),bagasy integer);
c. CREATE TABLE books (kitap_id bool,kitap_id, kitap_aty integer(20), avtory VARCHAR(20),bagasy integer);
d. CREATE TABLE books (kitap_id integer,kitap_id, kitap_aty integer(20), avtory VARCHAR(20),bagasy integer);
24.Excel кестесінде мына ұяшықтарға сандар жазылған А1-3,А2-3,В2-100,С1-450. А4 ұяшығына =МАКС(А1:В2)+$C$1 формуласы жазылған. Есептеу нәтижесін көрсетіңіз
a. 556
b. 450
c. 550
d. 156
25.HTML тілінде абзацтың басы мен соңын белгілейтін тегтер
a. <caption>, </caption>
b. <p>,</p>+
c. <h1>,</h1>
d. <ul>,</ul>
Алижанға мектепішілік олимпиадада математикалық функцияның мәнін есептеуге арналған тапсырма түсті.Тапсырманы орындау үшін программа жазды, бірақ іске қосылғанда алгоритмі дұрыс болғанымен , синтаксистік қате бар екендігі белгілі болды. Тапсырманы дұрыс орындауына көмектесу керек

26.Программадағы if x>0: операторының қызметі
a. бүтін санды енгізу
b. шартты тексеру
c. бөлшек санды енгізу
d. келесі қадамға өту
27.х=10 болғанда Алижанның алгоритмі бойынша у-тің мәні
a. 10
b. 30
c. 40
d. 20
28.Программада қолданылған алгоритм түрі
a. циклдік
b. тармақталу
c. сызықтық
d. көмекші
29.Программаны қосқанда <Type Error:’>’ not supported between instances of ‘str’ and ’int’” деген қате шықты. Қате болмауы үшін ұсынылатын дұрыс нұсқа
a. y=x+10
b. x=int(input())
c. if x==0:
d. if x>0:
30.Программадағы программалау тілінде дұрыс жазылмаған шарт
a. х==0
b. х=0
c. х>0
d. x<0
31.Берілген құрылғылардың атауы мен қызметінің сәйкестігін табыңыз
1.

2.

a. Ақпаратты өңдеуге арналған құрылғы
b. ақпаратты сақтауға арналған құрылғы
c. жедел есте сақтау құрылғысы
d. программалар мен деректерді ұзақ уақыт сақтауға арналған құрылғы
32.Логикалық операциялардың анықтамаларын сәйкестендір
1. егер аргументтердің жоқ дегенде біреуі ақиқат мән қабылдаса, онда мән ақиқат, кері жағдайда жалған болады
2. егер аргументтердің барлығы ақиқат мән қабылдаса, онда мән ақиқат, кері жағдайда жалған болады
a. инверсия
b. дизъюнкция
c. конъюнкция
d. импликация
33.Деректер қорының түрлері бойынша жіктелуінің сәйкестігін анықтаңыз
1. Деректерді сақтау түрі бойынша
2. Сақталған деректер түрі бойынша
a. орталықтандырылған және таратылған
b. иерархиялық және желілік
c. фактографиялық және құжаттық
d. реляциялық және реляциялық емес
34.Берілген программа үзіндісіндегі сұрыптау әдістерін сәйкестендір
1.

2.

a. көпіршік
b. кірістіру
c. таңдау
d. жылдам
35.Берілген ақиқат кестелері және логикалық өрнектер арасындағы дұрыс сәйкестікті анықтаңыз
1.

2.

a. X AND Y AND NOT Z
b. NOT X AND Y AND NOT Z
c. X AND NOT Y AND NOT Z
d. X AND NOT Y AND Z
36.Кестедегі бастапқы кілт бола алатын өрістер (поля)

a. мекен-жайы
b. оқушының аты-жөні
c. сыныбы
d. туған жылы
e.ID
f.телефон номері
37. 5710 санын екілік және сегіздік жүйеге ауыстырғандағы нәтиже
a. 10010012
b. 718
c. 101102
d. 258
e.158
f.1110012
38. Нормализацияланған кестедегі кілттік өріс(-тер)

a. модель
b. түсі
c. жылы
d. авто
e.шығарушы ел
f.марка
39. А*(⌐В) формуласы бойынша құрылған ақиқат кестесі

a.
|
А*(⌐В) |
|
1 |
|
1 |
|
0 |
|
0 |
b.
|
А*(⌐В) |
|
0 |
|
1 |
|
0 |
|
0 |
c.
|
А*(⌐В) |
|
1 |
|
1 |
|
0 |
|
1 |
d.
|
А*(⌐В) |
|
0 |
|
1 |
|
1 |
|
0 |
e.
|
А*(⌐В) |
|
1 |
|
1 |
|
1 |
|
1 |
f.
|
А*(⌐В) |
|
0 |
|
0 |
|
0 |
|
0 |
40. Берілген Html кодта құжат тақырыбын көрсететін тег

a. <head>
b. </head>
c. </html>
d. <title>
e. <html>
f. . </title>
7-нұсқа
1. Кітапта 300бет, эр бетінде 60 символдан тұратын45 жол бар. Осы кітаптағы символдар саны қанша килобайт ақпарат болады?
A) 791,02 Кбайт
B) 810000Кбайт
C) 792,02 Кбайт
D) 81Кбайт
2.Программалау соңында қандай нәтиже шығады?

A) "O-ge ten"
B) "on san"
C) "teris san"
D) 0
3. Диаграмманың қай түріне жатады?

А) Графика
В) Күн сәулесі
С) Жапырақша
D) Биржалық
4. Сегіздік санау жүйесі қанша разрядтан тұрады?
А) 4 разряд
B) 3 разряд
С) 2 разряд
D) 8 разряд
5. Маска дегеніміз-..
А) Желідегі компьютердің номерінен желілік адресті білуге мүмкіндік беретін үлгі
B) Кішігірім немесе ауқымды желі құруға мүмкіндік беретін IP хаттамалары.
С) Ауқымды желісі IP желі дара жагдайы
D) Интернет кызметтері комегмен курылган шкі колдануга арналган корпоративті ІР-желі
6. Он алтылық санау жүйесін 15AF16 ондық санау жүйесіне келтіріңіз.
A) 555110
B) 256810
C) 15510
D) 145810
7. Логикалық қосу қалай аталады?
А) Инверсия
В) Дизьюнкция
СІ Коньюнкния
D) Импликация
8. Логикалық схемаға қандай функция сәйкес келеді.

A) XAY
B) X A(X A Y)
C) YVX
D) XA-Y
9 . Желілік топология негізінде және белгілі бір ережелерді басшылыққа ала отырып, желінің құрамдас бөліктеріне желілік деңгейдегі пакеттерді жіберу туралы шешім қабылдайтын желілік құрылымы.
А) Модем
B) Коммутатор
С) Бағдарлауыш
D) Желілік түйін
10. Логикалық амалдарды орындаудағы басымдықтардың дұрыс реттілігі жазылған нұсқаны белгілеңіз.
A) Инверсия, конъюнкция, дизъюнкция, жақша іші
B) Логикалық терістеу, логикалық көбейту, жақша іші, логикалық қосу
C) Логикалық көбейту, жақша іші, логикалық қосу, жақша іші
D) Жақша іші, инверсия, конъюнкция, дизъюнкция
11. Деректер базасының құрылымы:
А) мәліметтер базасы - > кестелер - > жазбалар
B) кестелер - > жазбалар - > мәліметтер базасы
С) мәліметтер базасы - > жазбалар - > кестелер
D) деректер базасы - > жазбалар
12. Өлшемі 1500 Кбайт файл 5 минутта тасымалданады. Желінің тасымалдау жылдамдығын анықтаңыз.
А) 40960 бит/с
B) 30254 бит/с
С) 25487 бит/с
D) 45000 бит/с
13. Суретте бейнелеген аналық тақшаның қандай құрылғысы?

А) Бейнекарта
В) Желілік тақша
С) Дыбыстық тақша
D) Чипсет
14. "Бір тәулікте 24 сағат бар" ақпараттың қасиетін анықтаңыз.
A)Нақтылық
В) Нақты емес
С) Құндылық
D) Субъективті
15. Жүйелік ПЖ-ға не жатады?
A) Мәтіндік редакторлар
B) Операциялық жүйелер
C) Программалау тілдері
D) Тұтынушы программалары
16. <FONT> тегінің көмегімен біз мәтіннің....
А) Беттін фонын өзгерту үшін
В) Абзац енгізу үшін
С) Мәтінді беттің ортасына орналастыру үшін
D) Қаріпін, көлемін, түсін белгілейміз
17. ЦЕЛОЕ() функциясының атқаратын қызметін анықтаңыз.
A) Квадрат түбірдің мәнін анықтайды
B) Бөлу нәтижесінің бүтін бөлігін қалдықсыз береді
C) Санды көрсетілген дәлдікпен ең жақын разрядқа дейін дөңгелектейді
D) Бөлу нәтижесінің қалдығын береді
18. <BODY BGCOLOR =yellow TEXT =blue мынау тегтер нені білдіреді
A) BGCOLOR =yellow құжаттың фоны -сары, ал ТЕХТ =blue мэтіннің түсі көк
B) BGCOLOR =yellow мәтін сары, ал ТЕХ=blue фон көк
C) BGCOLOR =yellow KecTe, TEXT =blue кестедегі сызық көк
D) BGCOLOR =yellow қаріптің түсі-сары, ал ТЕХТ =blue мәтіннің түсі көк
19. 11111012 санын позициялық түрге келтіріңіз
a.10410
b.12510
c.17510
d.14510
20. А массиві үшін максимум мәндерді іздеу шарты:
A)A[i]<max
B)A[i] >max
C)A[i]%==max
D)A[i] ==max
21. Жергілікті желілердің қызметі
A)желідегі барлық компьютерлерді басқару
B)желідегі компьютерлердегі ақпаратты өңдеу
C)желідегі компьютерлердің бірлесіп жұмыс істеуін қамту
D)ортақ қатынас құру
22. Кестедегі типтік диаграммаға не жатпайды?
A) дөңгелек
B) тор
C) гистограмма
D) нүктелік
23. Веб-браузердегі HTML құжаттың файл кеңейтілімі:
A).txt
B).html
C). png
D).xls
24. Абсолютті сілтемені көрсетіңіз
A) R$5
B) $F9
C) $D$14
D) D$9
25. Шамаларды өсу ретімен орналастырыңыз: 3072 бит, 2000 байт, 2 бит, 2 байт, 400 байт, 2 Кбайт
А) 2 бит, 2 байт, 3072 бит, 400 байт, 2000 байт, 2 Кбайт
В) 3072 бит, 2000 байт, 2 бит, 2 байт, 400 байт, 2 Кбайт
С) 2 бит, 2 байт, 2000 байт, 2 Кбайт, 3072 бит, 400 байт
D) 2 бит, 2 байт, 2 Кбайт, 400 байт, 2000 байт, 3072 бит
26. Программалауда қанша өлшемді массив берілген.

A)Бірөлшемді
B)Екіөлшемді
C)Үшөлшемді
D)Көпөлшемді
27. B=sorted(A) программалық код орындалғанда
А) Өсу ретімен орналастырады
B) Кему ретімен орналастырады
C) Ең үлкен санды шығарады
D) ең кіші санды шығарады
28. Программада кездейсоқ сандарды генерациясын алу үшін қандай функция қолданылған.
-
range
-
randint
C) random
D) brint
29. А[i] масивтің индексің көрсетіңіз.
A) i
B) A
C) 0
D
)
30. C=sorted(A,reverse=True) программалық код орындалғанда.
А) Өсу ретімен орналастырады
В) Кему ретімен орналастырады
С) Ең үлкен санды шығарады
D) Ен кіші санды шығарады
31.Программа коды мен нәтижесін сәйкестендіріңіз
1. 
2.
-
0
-
1
-
2
-
3
32.Жолдық әдістер мен олардың қызметтерін сәйкестендір
1.Жолдың тек сандардан тұратынын тексереді
2.Жолдың тек әріптерден тұратынын тексереді
-
s.isdigit()
-
s.isalpha()
-
s.islower()
-
s.isupper()
33. Суретті туралау атрибуттары мен сипаттамасын сәйкестендіріңіз
1.Суреттің жоғарғы және төменгі жақтарындағы бос аймақ мөлшерін пиксельмен береді
2.Суреттің сол және оң жақ шеттеріндегі бос аймақ мөлшерін пиксельмен береді
-
height
-
width
-
vspace
-
hspace
34. Процессордың негізгі сипаттамалары мен анықтамаларын сәйкестендір
1.Процессордың машиналық сөз сақталатын ұяшық жады
2.Бір тактіде процессор өңдей алатын бит саны
-
регистрлер
-
разрядтылық
-
тактілік жиілік
-
адрестік кеңістік
35. Excel-дегі адрестер мен сипаттамаларын сәйкестендір
1.Формуланы көшіру барысында ұяшықтың адресі өзгереді
2.Формула көшірілген кезде ұяшық адресі өзгермейді
-
Салыстырмалы адрес
-
Абсолюттік адрес
-
Ұяшықтар адресі
-
Аралас адрес
36.Массив түрлері.
А) Бірөлшемді
B) Жартыөлшемді
C) Екіөлшемді
D) Көпөлшемді
E) Реттікөлшемді
F) Ретсізөлшемді
37. 11102 мен 10012 екілік сандарының қосындысын табыңыз
A) 101112
B) 11102
C) 111112
D) 110002
E) 110102
F) 10102
38. Санау жуйесінін белгіленуін көрсетіңіз
А) Резиденттік
B) Позициялық
C) Эквиваленттік
D) Резиденттік емес
Е) Позициялық емес
F) Эквиваленттік eмес
39. Электрондық кестеде статистикалық функцияны көрсетіңіз
А) КОРЕНЬ
B) ГРАДУСЫ
C) MAK
D) ЕСЛИ
Е)СРЗНАЧ
F) И
40. HTML бетіне сценарий қосу дескрипторы
A) <script type=”text/javascript”></script>
B) <AUDIO SRC=”sound.wav”></AUDIO>
C) <div id=”home”>
D) <link rel=”stylesheet” type=”text/css” =”стиль адресі”>
E) <p style=”font-size:120%;font-family:monospace;”>
F) <s></s>
8-нұсқа
1. Мәтіндік құжаттағы бір символдың өлшемі
A) 1 байт
B) 1 бит
C) 8 байт
D) 1 Мбайт
2. Дер кезінде берілген, ақпараттың уақыт ағымына сәйкестігін анықтайтын ақпараттың қасиеті
A) құндылығы
B) анықтылығы
C) өзектілігі
D) қолжетімділігі
3. =Сумм(A1:E1) формуласы берілген. Функция қандай қызмет атқарады ?
А) А1 және E1 ұяшықтарында орналасқан мәндердің қосындысы
В) А1 және Е1 диапазонында орналасқан сандардың мәндердің қосындысы
C) A1-ді E1 ұяшықтарына бөлгендегі жекелік
D) Al және E1 ұяшықтарында сандық мәндердін ортақ мәні
4. Компьютердің жады:
A)стандартты
B) регистрлік
C) сыртқы
D) бақылаушы
5. Байланыс арналарының ақпарат тасымалдау жылдамдығының өлшем бірлігі.
А) Бит
В) Байт
С) Бод
D) Бюд
6. Сегіздік санау жүйесін 3578 ондық санау жүйесіне келтіріңіз.
A) 23910
B) 13910
C) 33910
D) 43910
7. Логикалық көбейту қалай аталады?
А) Инверсия
В) Дизъюнкция
С) Конъюнкция
D) Импликация
8. Х санының көрсетілген мәндерінің қайсысы үшін өрнек ақиқат
(X > 1) /\ (X < 3)
A) 1
B) 2
C) 3
D) 4
9. Unicode кодтауда әр таңбаға екі байт белінеді. Осы кодтаудағы жиырма алты таңбадан тұратын сездің ақпараттық көлемін анықтаныз.
А) 396 бит
В) 198 бит
C) 416 бит
D) 52 бит
10. Суретте бейнелеген аналық тақшаның қандай кұрылғысы?

А) Бейнекарта
В) Желілік тақша
C) Дыбыстық тақша
D) Чипсет
11. Тұрақты жадының манызды микросұлбасы.
A) RAM
B) RUM
C) BIOS
D) API
12. Өлшемі 200 Кбайт файлды 25000 бит/с жылдамдықпен қанша уақыт ішінде тасымалдауға болады?
A) 65,5 c
B) 0,008 c
C) 55,5 c
D) 0,8 c
13. 5710 санын сегіздік жүйеге ауыстырғандағы нәтиже
a. 738
b. 718
c. 178
d. 258
14. Диаграмманың қай түріне жатады?

A) Графикалық
В) Аймақтармен
С) Үстінгі бөліктер
D) Нүктелермен
15. SQL-де кестедегі өрісті жою қызметі дұрыс жазылғанды табыңыз.
A) DROP Users COLUMN name;
B) SELECT Users DROP COLUMN name;
C) ALTER TABLE Users DROP COLUMN name;
D) TRUNCATE Users DROP COLUMN name;
16. Программалау соңында қандай натиже шығады.
a= 's'
b= 'S'
print(a==b)
A) 0
B) 1
C) True
D) False
17. Кестені кұруға кандай SQL операторы жауап береді.
A) ALTER
B) CREATE
C) MAKE
D) DROP
18. Html-де кесте тұрғызу үшін қандай тегтерді пайдаланамыз?
A) <TH>, </TH>
B) <TABLE>, </TABLE>
C) <TR>, </TR>
D) <TD>, </TD
19. Сүзгілеуді қолдану үшін берілген әдісті таңдаңыз.
А) Деректер-Сұрыптау және сүзге-Сүзгілеу
В) Формулалар-Сұрыптау және сүзге-Сүзгілеу
С) Кірістіру-Сұрыптау және сүзге-Сүзгілеу
D) Басты-Сұрыптау және сүзге-Сүзгілеу
20. Html-де абзац енгізу үшін қандай тегтерді колданады?
A) <HTML>, </HTML>
B) <P>, </P>
C) <HI>, </H1>
D) <BR>
21. Кітаптың 250 беті, әр бетінде 64 символдан тұратын 36 жол бар. Осы кітаптың бір бетіндегі ақпараттың көлемін Кбайт бойынша есептеңіз.
A) 2700 Кбайт
B) 2304 Кбайт
C) 21600 Кбайт
D) 2,25 Кбайт
22. Қашықтағы компьютерлермен байланыс үшін немесе компьютерді телефон желісіне жалғау үшін колданылатын кұрылғы.
А) Модем
В) Коммутатор
С) Бағдарлауыш
D) Желілік түйін
23. Программалау соңында қандай нәтиже аламыз.
x = True
y = False
z = False
if not x or y:
print(1)
elif not x or not y and z:
print(2)
elif not x or y or not y and x:
print(3)
else:
print(4)
А) 1
B) 2
C) 3
D) 4
24. Python программалау тіліндегі цикл нұсқаулығы
a.def
b.for
c.break
d.while
25. img тегінің атрибуты бола алады
a.
b.style
c.div
d.rel
26. Программалауда қанша өлшемді массивпен жұмыс жасалған.

А) Бірѳлшемді
В) Екіөлшемді
C) Көпөлшемді
D) Үшөлшемді
27. Программада кездейсоқ сандардың генерациясын алу үшін қандай функция қолданылған.
A) range
B) randint
C) random
D) print
28. Программалау соңында қандай нәтиже шығады?
А) Ең кіші сан
В) Ең үлкен сан
С) Оң сан
D) Tepic caн
29. Программалауда қандай цикл операторы қолданылған?
A) for
B) if
C) random
D) a[]
30. if операторының мағынасы.
А) Әйтпесе
B) Erep
C) Иә
D) Жоқ
31. Жолдық әдістер мен олардың қызметтерін сәйкестендір
1.Жолдың тек төменгі регистор әріптерінен тұратынын тексереді
2.Жолдың тек жоғарғы регистор әріптерінен тұратынын тексереді
-
s.isdigit()
-
s.isalpha()
-
s.islower()
-
s.isupper()
32. Программа нәтижесіне қарап қандай әдіс пайдаланылғанын анықтаңыз.
1.

2.

-
count
-
find
-
strip
-
replace
33. Excel-дегі адрестер мен сипаттамаларын сәйкестендір
1.Формуланы көшіру барысында ұяшықтың адресі өзгереді
2.Формула көшірілген кезде ұяшық адресі өзгермейді
-
Салыстырмалы адрес
-
Абсолюттік адрес
-
Ұяшықтар адресі
-
Аралас адрес
34. Шарттар мен түсініктемелері арасындағы сәйкестікті анықтаңыз.
1.if a%5==3:
2.if a%3==2:
-
Санды 5-ке бөлгенде 3 қалдық қалатын санды анықтайды
-
Санды 3-ке бөлгенде 2 қалдық қалатын санды анықтайды
-
Санды 5-ке бөлгенде 3 бүтін шығатын санды анықтайды
-
Санды 3-ке бөлгенде 2 бүтін шығатын санды анықтайды
35. Логикалық амалдар мен логикалық өрнектер арасындағы сәйкестікті анықтаңыз
1.Логикалық қосу
2.Логикалық терістеу
-
X and Y
-
X and Y
-
Not X
-
X and Y or X
36. F өрнегінің ақиқат кестесінің үзіндісі берілген. Қандай өрнек F өрнегіне сәйкес келеді.
|
X |
Y |
Z |
F |
|
1 |
0 |
1 |
1 |
|
1 |
1 |
0 |
0 |
|
1 |
1 |
1 |
0 |
A) -(X^Y)VZ
B) XV-Z->-Y
C) X^YV-Z
D) -(X^Y)V-Y^-Z
E) (X^Y)V-Y^-Z
F) X^-YVZ
37. Жалпы желі-дербес компьютердің қандай құрылғыларымен байланысқан жиыны бола алады.
А) Пернетақта
В) Концентратор
C) Принтер
D) Модем
Е) Маршрутзатор
F) Есеп құрылғылары
38. 100 және 101- ондық сандарды екілік сандарға түрлендіріңіз.
А) 1011110
B) 111100
C) 1100101
D) 1010101
Е) 1100100
F) 1111101
39. Деректер базасының құрылымы.
А) Реляциялық
В) Сандық
C) Иерархиялық
D) Акпараттық
Е) Желілік
F) Мәтіндік
40. Позициялық емес санау жүйесін көрсетіңіз:
A) Сегіздік санау жүйесі
В) Римдік санау жуйесі
С) Екілік санау жуйесі
D) Он алтылық санау жүйесі
E) 756
F) XVI
9-нұсқа
1.Компьютер – бұл …… ?
-
Сандық ақпаратты автоматты өңдеуге арналған құрылғы
-
Ақпаратты сақтауға арналған құрылғы
-
Басқаруды жүзеге асыратын бағдарламалық құралдардың жиынтығы ақпараттық ресурстар
-
Мәтіндік және графикалық ақпараттың кескіндері
2. Электрондық кестеде А1:С4 ұяшықтарының ауқымы көрсетілген.Бұл ауқым қанша ұяшықтан тұрады?
-
18
-
12
-
11
-
9
3. Екілік сандар
жүйесіндегі
+
.
өрнегінің
мәні:
4. Суреттегі блок сызбаның сипаттамасы:

-
Алгоритм басы және соңы
-
Есептегіш
-
Әрекетті орындау шарты
-
Деректерді енгізу және шығу
5. HTML құжатында сызықтарды сызатын Тег.
-
<TH>… </TH>
-
<HR>…</HR>
-
<Href>…</Href>
-
<OL>…</OL>
6. Paint графикалық қосымашында жасалған файлды кеңейтілуі.
-
.ppt
-
.doc
-
.xlc
-
.bmp
7. Морган Заңы боынша
логикалық өрнектің мәні
тең.
8. Веб-бетке гиперсілтеме енгізу қандай тегпен орнатылады.
-
<font color=”…”> </font>
-
<img src=”…”>
-
<a =”…”> </a>
-
<a name=”…”></a>
9. Пиксель түрінде графикалық ақпаратты ұсыну.
-
Векторлық графика
-
Компьютерлік графика
-
Векторлық және расторлық графика
-
Сызықтық графика
10.Мультимедиа-….
-
бағдарламалық жасақтама басқаруындағы инженерлік схемалар мен анимациялық бағдарламалардың өзара іс-қимылы
-
анимациялар,эффектілер,арнайы бағдарламалар, бағдарламааралық интерфейсі
-
интерактивті бағдарламалық жасақтамамен басқарылатын визуалды және дыбыстық эффектілердің өзара әрекеттесуі
-
суреттер, деректер, анимациялар және мәтіндік ақпарат
11. Электрондық пошта мекенжайында абонент аты мен доменді бөлу үшін белгі қолданады.
-
&
-
$
-
.
-
@
12. Сымсыз байланыс желісін көрсетіңіз
A) Қосақталған кабель
B) Радиобайланыс
C) Коаксиалды кабель
D) Оптикалық кабель
13. Суретті HTML құжатына енгізу үшін қолданылатын пәрмен.
-
<img src=”ris.jpg”>
-
<body background=”ris.jpg”>
-
<a =”ris.jpg”>
-
<input=”ris.jpg”>
14. Сайтты жасауға болады?
-
C++ бағдарламалау тілінде
-
Паскаль бағдарламалау тілі
-
HTML гипермәтінді белгілеу тілі
-
Электрондық кестелермен
15.SQL-де DROP мен TRUNCATE арасындағы аырмашылық не?
-
TRUNCATE-кестені тазартады, ал DROP-кестені немесе жазбаны жояды /
-
DROP-дерекқорды жояды, ал TRUNCATE-кестелерді жояды
-
DROP-кестені тазартады, ал TRUNCATE-жояды
-
Екі оператор да бір-біріне ұқсас
16. Excel-де A7, B10 және B17 ұяшықтарындағы берілген мәндердің арифметикалық ортасын есептеу формуласы қандай болады?
A) СРЗНАЧ(A7;B10:B17)
B) СРЗНАЧ(A7:B10:B17)
C) СРЗНАЧ(A7;B10;B17)
D) СРЗНАЧ(A7:B17)
17. ….-ұйыммен жеке тұлғаларға интернет қызметтері ұсынатын компания.
-
Провайдер
-
Протокол
-
Виртуальды желі
-
Адаптер
18.Қолданыстағы дерекқорды жаңа кесте құру үшін функция пайдаланыңыз.
-
NEW TABLE
-
CREATE TABLE
-
MAKE TABLE
-
HAKE TABLE
19. Кестені құруға қандай SQL операторы жауап береді?
-
ALTER
-
INSERT
-
MAKE
-
CREATE
20. Деректер базасының құрылымы.
-
кестелер-> мәліметтер базасы-> жазбалар
-
кестелер-> жазбалар-> мәліметтер базасы
-
мәліметтер базасы-> жазбалар-> кестелер
-
мәліметтер базасы-> кестелер-> жазбалар /
21. Тізімдерді құруға арналған тегтер қатарын көрсетіңіз.
A) <head>…</head>
B) <ol>…</ol>
C) <SUB>…</SUB>
D) <h1>…</h1>
22. Логикалық схемаға сай логикалық өрнекті және мәнін анықтаңыз
А=0 және В=1

A) F=(AvB)v(BvA)=1
B) F=(AvB)^(BvA)=0
C) F=(A^B)v(B^A)=1
D) F=(A^B)v(B^A)=0
23. Берілген нұсқалардың ішінен баған өзгермейтін аралас сілтемелерді таңдаңыз.
А) $C$5
В) $A45
C) B$66
D) $F$7
24. Бинарлық файлды оқу режимінде ашу үшін қандай код қолданылады?
A)
![]()
B)
![]()
C)
![]()
D)

25. Біркестелік деректер қорында MySQL құру командасының синтаксисін толықтырыңыз:
Create table ‘TableName’(‘fieldname’__________[қосымша параметр]);
a.create database
b.dataType
c.float
d.from
Python программалық тілінде берілген массивтегі ең үлкен және ең кіші мәндерді ауыстырыңыз.

26. Программада қанша өлшемді массивпен жұмыс жасалған?
A) Бір өлшемді
B) Екі өлшемді
C) Көп өлшемді
D) Үш өлшемді
27. Қандай цикл операторы қолданылған?
A) if
B) elif
C) for
D) min
28. # символы не үшін қолданылған?
A) Экран шығару үшін
B) Математикалық амалдар үшін
C)
Жай түсініктеме үшін
D) Сөзді келесі жолға түсіру үшін
29. Экранға шығару командасын қай функция атқарып тұр?
A) input
B) if
C) for
D) print
30. Программада n=10-ға деген өрнек қандай қызмет атқарады?
A) Массив саны
B) Жауап оңға тең болу
керек
C) Жауап оңға тең болмау керек
D) Жай сан
31. Сұрыптау коды мен түсініктемесі арасындағы сәйкестікті анықтаңыз.
1.A=sort()
2.A=sort(reverse=True)
-
А массивін өсу реті бойынша сұрыптап, В массивіне жүктейді
-
А массивін кему реті бойынша сұрыптап, В массивіне жүктейді
-
А массивінің өзінде өсу реті бойынша реттейді
-
А массивінің өзінде кему реті бойынша реттейді
32. Әдістер мен олардың қызметтерін сәйкестендір
1.i-нші элементті өшіріп, қайтарады.
2. i-нші элементтің алдына Х мәнін қосады
-
A.pop(i)(
-
A.remove(X)
-
A.insert(i,X)
-
A.count(X)
33. Бағдарламалық жасақтаманың сапа критерийлері мен анықтамаларын сәйкестендіріңіз
1.белгілі бір функцияларды белгілі бір уақыт аралығында сенімді түрде орындау мүмкіндігі
2.бастапқы деректерді дайындау, бағдарламалық жасақтаманы қолдану және алынған нәтижелерді бағалау үшін жұмсалатын күшті азайтуға, сондай-ақ белгілі бір пайдаланушының оң эмоцияларын туғызуға мүмкіндік беретін бағдарламалық жасақтаманың сипаттамалары
-
сенімділік
-
тиімділік
-
эргономикалық
-
мобильділік
34. Фон Нейман архитектурасының қағидаларын түсініктемелерімен сәйкестендір
1.Деректер мен орындаушы кодтардың бірге сақталуы
2.Компьютердің барлық жадындағы деректерге қолжетімділігі
-
екілік кодтау қағидасы
-
жадтың біркелкілік қағидасы
-
адрестік қағидасы
-
бағдарламалық басқару қағидасы
35. <audio> тегі атрибуттары мен қызметтері арасындағы сәйкестікті анықтаңыз.
1.Бейнені басынан бастап қайталау
2.ойнату үшін файлдың жолын анықтайды
-
loop
-
controls
-
autoplay
-
src
36. Программалау ортада қандай санды енгізсе <қате> деп шығады.
def Err():
print('kate')
n=int(input('san engiz='))
if n<=0:
Err()
A) 0
B) 1
C) -5
D) 100
E) -55
F) 9
37. Ақпаратты енгізу құрылғыларына мыналар жатады:
A)
Сканер
B)
Принтер
C)
Микрофон
D)
Пернетақта
E) Жүйелік блок
F) Монитор
38. Процессордың негізгі сипаттамалары:
A)
Ядролар саны
B)
Ауқымды
C)
Разрядтылығы
D)
Түрі
E)
Өңімділігі
F)
Тактілік жиілік
39. Python деректер түрлерін көрсетіңіз.
A) float
B) abs
C) for
D) int
E) sqrt
F) str
40. Санау жүйесінің түрлері:
A)
Жетілік санау жүйесі
B) Он алтылық санау жүйесі
C) Бестік санау жүйесі
D) Сегіздік санау жүйесі
E)
Ондық санау жүйесі
F) Төрттік санау жүйесі
10-нұсқа
1. Компьютердің негізгі конфигурациялары:
А) жүйелік блок, монитор, пернетақта, тінтуір
В) модем, пернетақта, жүйелік блок
С) пернетақта, жүйелік блок, динамик, принтер
D) принтер, тінтуір, пернетақта, жүйелік блок
2. Интернеттегі файлдарды қарауға арналған арнайы бағдарлама?
А) Іздеу менеджері (диспетчер поиска)
B) Сайт
С) Браузер
D) Іздеу жұмысы (поисковая система)
3. 1,5 Мбайт:
A) 1536 Кбайт
B) 1500 Гбайт
C) 1536 Тбайт
D) 1500 байт
4. Веб-беттін кеңейтілімі.
A) exe
B) .ppt
C) .html
D) .doc
5. Графикалық интерфейстін негізгі элементтерін көрсетіңіз.
А) Терезе, меню
В) Меню, жуйе
С) Жүйе, терезе
D) Меню , файл
6. Келесі кодты орындау нәтижесінде не пайда болады?
<?php
echo "Hello';
if (false)
echo "PHP "; echo " Certification";
echo "!!!";
A)Hello Certification!!
B) Hello PHP Certification!!!
C) HelloPHP Certification!!
D) Hello Certification!!!
7. Логикалык өрнектін мәні қандай (1v1) &(1v0)?
A) 0
B) 2
C) 1
D) 5
8. Логикалык өрнектін мәні қандай (1v1)&(0v 0)=?
A) 0
B) 1
C) 10
D) 2
9. А массиві үшін оң санын іздеу шарты:
A) A[i]<0
B) A[i]>0
C) A[i]<min
D) A[i]<max
10. Excel-де 1-ден 4 бағанға дейінгі 10 жолда орналаскан сандардын қосындысын есептеу формуласы.
A) СУММ(10, 1:4)
B) СУММ(А1:A4)
C). CУMM(A10:D10)
D) CYMM(A1:D10)
11. Кейбір елдерде 7 таңбадан тұратын автомобиль нөмірі кез-келген ретпен бас әріптерден (барлығы 30 әріп колданылады) және оңдык сандардан тұрады.Әр таңба бірдей және ең аз бит санымен, ал әр сан бірдей және ең аз байт санымен кодталады.32 автомобиль нөмірін сақтау үшін қажетті жад көлемін анықтаңыз.
A)160 байт
В)96 байт
C)224 байт
D)192 байт
12. Ең танымал реляциялық ДҚБЖ:
A) Opera
B) FoxPrо
C) Excel
D) Groove
13. АЛҚ(арифметикалық-логикалық құрылғы) орындамайтын операция:
A) Логикалық түрлендіру
B) Екілік кодты қолдану
C) Ақпаратты сақтау қызметін атқарады
D) Әліпбилік-сандық символдарды өңдейді
14. HTML құжатында такырыптың өлшемін қандай тегтер белгілейді.
A) <p></p>
B) <img srс="name">
C) <v></v>
D) <h1></h1>
15. Бүкіл кестені жою үшін қандай SQL операторы жауап береді?
A) DELETE
B) ALTER
C) UPDATE
D) DROP
16. Абсолютті сілтемені көрсетіңіз
A) A$4
B) SA4
C) SA$4
D) A4
17. Unicode кодтауда әр таңбаға екі байт бөлінеді.Осы кодтаудаты жиырма алты таңбадан тұратын сөздін ақпараттық көлемін анықтаңыз.
А) 416 бит
B) 396 бит
С) 198 бит
D) 104 бит
18. 356 санын негіздеуші 8 қосындысы түрінде жазыныз.
A) 3*82 + 5*81 + 6*80
B) 3*82 + 5*8' +6*80
C) 3*8°+ 5*8' + 6*82
D). 3*81+ 5*82+6*83
19. Persons кестесінен барлық мәндерді таңдау сұранысы.
A) SELECT ALL Persons
B) SELECT Persons
C) SELECT + FROM Persons
D) SELECT * FROM Persons
20. "ID"идентификатор өрісінін түрі дұрыс көрсетілгені
A) id INTEGER
B) id FLOAT
C) id CHAR
D) id INT
21. «Негізгі кестенің бір жазбасына бағынышты кестенің бірнеше жазбасы сәйкес келеді» берілген тұжырым кестелер арасындағы байланыстың қай түріне сәйкес келеді?
A) 1:1
B) K:K
C) K:1
D) 1:K
22. Мәтін ақпаратты тасымалдау құрылғысында 0,25 Кбайт орын алады. Юникод кодтау кестесі бойынша мәтінді қанша таңба бар екенін анықтаңыз?
A) 32
B) 15
C) 16 +
D) 8
23. Берілген ақпараттың уақыттылығы, маңыздылығы және мәнділігімен сипатталатын ақпараттың қасиетін анықтаңыз.
A) Өзектілік +
B) Нақтылық
C) Анықтылық
D) Құндылық
24. IP адресте ең көп пайдаланылатын үш маска бар. Берілген нұсқалардан В класының маскасын көрсетіңіз.
A) 255.0.0.0
B) 255.255.255.255
C) 255.255.255.0
D) 255.255.0.0
25. Қолданбалы деңгейдегі хатттамалардың бірі: файлды тасымалдау - …
A) HTTP
B) SMTP
C) FTP
D) IMAP
Есептеу басталады,онда әрбір k-ші адам шеңберден шығады,содан кейін есеп одан кейінгі адамнан жалғасады. Соңғы шеңберде қалатын адамның санын анықтайтын бағдарлама жазылған.

26. Бағдарламада қандай цикл операторын қолданылған.
A) Last
B) While
C) For
D) Range
27. Бірнеше рет қайталанып орындалатын белгілі бір іс-әрекеттерді сипаттайтын алгоритмдер тобы.
А) Циклдік алгоритм
В) Шартты алгоритм
С) Логикалық алгоритм
D) Сызыктық алгоритм
28. For операторы жұмыс жасау үшін қандай функциямен бірге қолдану керек;
A) In()
B) Integer0
C) Range()
D) Print
29. Бағдарламада п=9, к=3 болса қандай мән шығады.
A) 12
B) 11
0) 10
D) 1
30. Цикл денесін көрсетіңіз.
A) last = (last + k) % i
B) for i in range(1, n + 1)
C) last + k % i
D) k = int(input0), int(input0)
31. <audio> тегі атрибуттары мен қызметтері арасындағы сәйкестікті анықтаңыз.
1.Бет ашылғанда файл бірден ойнайды
2.Аудиоға басқару панелін қосады
-
loop
-
controls
-
autoplay
-
src
32. CSS синтаксисі мен сипаттамасымен сәйкестендір
1..col{background-color:Red;}
2..cat{background-image:url(img/cat1.gif)}
-
Шекараның түсін орнатады
-
Шекаралар үшін стильдерді орнатуға мүмкінідк береді
-
Элементтің фон түсін орнатады
-
Суретті фон ретінде пайдалануға мүмкіндік береді
33. Компьютердің ішкі құрылғылары суреттері мен анықтамаларын сәйкестендір
1.

2.

-
Орталық процесссор, жедел жад микросхемалары, дыбыстық және бейнекарталар сияқты компьютердің ішкі құрылғылары оналастырылған негізгі мөрлі тақша
-
Көптеген жартылай өткізгішті элементтерден тұратын, компьютерде барлық есептеу мен ақпарат өңдеу жұмыстарын жүргізетін электронды микросхема
-
Кернеуі, жиілігі, қуаты белгілі электр энергиясымен компьютерді жасақтайтын құрылғы
-
Компьютер құрылғылары арасындағы электрлік сигналдарды басқаратын әрі олар арқылы деректер тасымалдауды жүзеге асыратын жалғастыру арналары
34. Excel-дегі математикалық функциялар мен олардың қызметтерін сәйкестендір
1.квадрат түбірдің оң мәнін анықтайтын функция
2. радианды градусқа айналдырады
-
ABS()
-
КОРЕНЬ()
-
ЗНАК()
-
ГРАДУСЫ()
35. Python-да файлдармен жұмыс жасау әдістері мен сипаттамасын сәйкестендір
1.Ашық файлды жабады
2.Файлдың бүтін санды дескрипторын қайтарады
-
File.flush()
-
File.close()
-
File.issaty()
-
File fileno()
36. Электрондык кестеде формуланын мәні = СРЗНАЧ (А4: С4) 5-ке тен. Егер Д4 ұяшығының мәні 6 болса, формула =СУММ(А4:D4) неге тен?
A) 11
B) 16
C) 21
D) 18
E) 8
F) 22
37. Бір мекеме ішіндегі компьотерлерді біріктіретін желі.
А) Аймақтық
В) Жергілікті
С) Қалалық
D) Жаландық
Е) Дүние жүзілік
F) Корпоративтік
38. Компьютердін негізгі функциялары
A) Processing (өңдеу)
B) Simplicity (қарапайымдылық)
C) Control (басқару)
D) Visibility (көрнекілік)
E) Memory(сақтау)
F) Playback (ойнату)
39. Бағдарламаның үзіндісі берілген

Бұл цикл қанша рет орындалатынын және оны орындау нәтижесін анықтаныз.
A) 45
B) 12 рет
C) 55
D) 10 рет
E) 50
F) 9peт
40. Процессордың ішінде шина түрлері:
А) Деректер шинасы
В) процессор шинасы
С) жүйелік шинасы
D) орташа шинасы
Е) адрестік шинасы
F) басқару шинасы
Жауаптары
|
№ |
1-нұсқа |
2-нұсқа |
3-нұсқа |
4-нұсқа |
5-нұсқа |
6-нұсқа |
7-нұсқа |
8-нұсқа |
9-нұсқа |
10-нұсқа |
|
1 |
C |
B |
С |
C |
B |
B |
A |
A |
C |
A |
|
2 |
D |
D |
B |
B |
B |
C |
C |
C |
B |
C |
|
3 |
B |
D |
A |
A |
A |
A |
C |
B |
C |
A |
|
4 |
B |
A |
D |
B |
B |
A |
B |
C |
C |
C |
|
5 |
B |
A |
D |
B |
D |
B |
A |
C |
B |
A |
|
6 |
C |
D |
D |
B |
B |
C |
A |
A |
D |
D |
|
7 |
C |
A |
D |
A |
C |
A |
B |
C |
A |
C |
|
8 |
C |
C |
C |
C |
B |
B |
A |
B |
C |
B |
|
9 |
B |
C |
D |
B |
B |
C |
C |
C |
C |
B |
|
10 |
B |
D |
C |
B |
D |
B |
D |
C |
C |
C |
|
11 |
C |
B |
D |
A |
B |
D |
A |
C |
D |
D |
|
12 |
B |
B |
B |
B |
C |
B |
A |
A |
B |
B |
|
13 |
B |
C |
B |
D |
A |
B |
B |
B |
A |
D |
|
14 |
B |
B |
D |
C |
A |
A |
A |
D |
C |
D |
|
15 |
C |
B |
D |
A |
B |
A |
B |
C |
A |
D |
|
16 |
C |
C |
D |
D |
D |
C |
D |
D |
C |
C |
|
17 |
B |
C |
C |
B |
C |
D |
С |
B |
A |
A |
|
18 |
A |
A |
C |
A |
D |
B |
A |
B |
B |
B |
|
19 |
C |
C |
A |
C |
B |
C |
B |
A |
D |
D |
|
20 |
B |
D |
A |
D |
B |
D |
B |
B |
D |
D |
|
21 |
B |
C |
C |
B |
C |
A |
C |
D |
B |
D |
|
22 |
A |
A |
B |
A |
D |
A |
B |
A |
C |
C |
|
23 |
A |
D |
A |
C |
D |
B |
B |
C |
B |
A |
|
24 |
D |
C |
C |
A |
A |
C |
C |
C |
C |
D |
|
25 |
B |
A |
C |
C |
D |
B |
A |
B |
B |
C |
|
26 |
B |
B |
A |
B |
A |
B |
A |
A |
A |
C |
|
27 |
D |
B |
C |
C |
D |
D |
A |
B |
C |
A |
|
28 |
D |
B |
B |
D |
A |
B |
B |
B |
C |
C |
|
29 |
B |
C |
C |
D |
A |
B |
A |
A |
D |
D |
|
30 |
D |
D |
A |
B |
B |
B |
B |
B |
A |
B |
|
31 |
AD |
BD |
CB |
BC |
BC |
AC |
CA |
CD |
CD |
CB |
|
32 |
AB |
BD |
CB |
DA |
AD |
BC |
AB |
BA |
AC |
CD |
|
33 |
DB |
AD |
BC |
BA |
DA |
AC |
CD |
AB |
AC |
CB |
|
34 |
AC |
BA |
AC |
BB |
AD |
AC |
AB |
AB |
BC |
BD |
|
35 |
AB |
BC |
AC |
CA |
BD |
BD |
AB |
BC |
AD |
BD |
|
36 |
AC |
D |
BCF |
DEF |
ADE |
EF |
ACD |
B |
ACE |
C |
|
37 |
ACF |
ACE |
CE |
ABD |
DF |
BF |
A |
CDF |
AD |
AF |
|
38 |
ACF |
DE |
BE |
ABCF |
AD |
ADF |
BE |
CE |
ACF |
ACE |
|
39 |
ACE |
ACE |
CE |
BCF |
B |
B |
CE |
ACE |
ADE |
CD |
|
40 |
AF |
BF |
D |
BCD |
F |
AB |
A |
BF |
BDE |
AEF |
жүктеу мүмкіндігіне ие боласыз
Бұл материал сайт қолданушысы жариялаған. Материалдың ішінде жазылған барлық ақпаратқа жауапкершілікті жариялаған қолданушы жауап береді. Ұстаз тілегі тек ақпаратты таратуға қолдау көрсетеді. Егер материал сіздің авторлық құқығыңызды бұзған болса немесе басқа да себептермен сайттан өшіру керек деп ойласаңыз осында жазыңыз
Информатика пәнінен ҰБТ ға дайындалуға арналған тесттер жинағы
Информатика пәнінен ҰБТ ға дайындалуға арналған тесттер жинағы
Өтініш таратпаңызшы!!!
Информатика пәнінен Ұлттық бірыңғай тестілеуге дайындалуға арналған тесттер жинағы
1-нұсқа
1. 50 беттен тұратын кітаптың әрбір бетінде 50 жол, ал әрбір жолда 70 символ бар. Осы кітаптағы ақпарат көлемі неше Мбайт екенін көрсетіңіз.
A) 175000
B) 170,8
C) 0,167
D) 0,208
2. 1 йоттабайт (Йбайт) неше байтқа тең?
A) 250
B) 260
C) 270
D) 280
3.
суретте көрсетілген жад
түрін белгілеңіз.
A) RAM
B) ROM
C) кэш
D) қатқыл диск
4. Логикалық қосу біріктірілетін жалғаулық
A) and
B) or
C) not
D) if
5. Төменде берілген кестеде пайдаланылған шарт

A) Условное форматирование-Правила выделения ячеек-Больше 750000
B) Условное форматирование-Правила выделения ячеек- Меньше 700000
C) Условное форматирование-Правила выделения ячеек- Между 500000-750000
D) Условное форматирование-Правила выделения ячеек-Больше 500000
6. Төменде берілген кестенің D3 ұяшығында қолданылған формула

A) =B3*5%
B) =C3*10%
C) =B3*10%
D) =C3*5%
7. n айнымалысына 6 санын енгізгенде нәтиже

A) 216
B) 36
C) 18
D) 9
8. n айнымалысына 15 санын енгізгенде нәтиже

A) 1
4
7
10
13
B) 1
4
7
10
C)
2
8
14
20
26
D)
2
8
14
20
9. IP v4 хаттамасындағы адрестер саны
A) 216
B) 232
C) 264
D) 2128
10. Компьютердің IP-адресінің фрагменттері А-дан В-ға дейін көрсетілген. IP-адресті қалпына келтір. Жауапта үзінділерді білдіретін сандардың реттілігін IP-адреске сәйкес тәртіппен көрсет.
|
8.13 |
.93 |
7.219 |
21 |
|
А |
Ә |
Б |
В |
A) АБӘВ
B) ВАБӘ
C) БӘВА
D) АӘВБ
11. .net жалпы мақсаттағы жоғары деңгейлі доменнің қай түріне жатады?
A) коммерциялық ұйымдар
B) ақпараттық ресурстар
C) интернеттің жұмыс істеуіне қатысты ұйымдар
D) коммерциялық емес ұйымдар
12. Разряд-
A) негізі 2 болатын позициялық санау жүйесі
B) цифрдың сандағы орны
C) арнайы белгілер жиынтығының көмегімен сандарды белгілеу тәсілі
D) сандар жиыны
13. Берілген өрнектің
ақиқат кестесін көрсетіңіз: (Av
)^B
A)
|
A |
B |
|
Av |
(Av |
|
0 |
0 |
0 |
0 |
0 |
|
0 |
1 |
1 |
0 |
1 |
|
1 |
0 |
0 |
1 |
1 |
|
1 |
1 |
0 |
0 |
0 |
B)
|
A |
B |
|
Av |
(Av |
|
0 |
0 |
1 |
1 |
1 |
|
0 |
1 |
0 |
0 |
0 |
|
1 |
0 |
1 |
1 |
1 |
|
1 |
1 |
0 |
1 |
0 |
C)
|
A |
B |
|
Av |
(Av |
|
0 |
0 |
0 |
0 |
0 |
|
0 |
1 |
1 |
0 |
1 |
|
1 |
0 |
0 |
1 |
1 |
|
1 |
1 |
0 |
0 |
0 |
D)
|
A |
B |
|
Av |
(Av |
|
0 |
0 |
0 |
0 |
1 |
|
0 |
1 |
1 |
0 |
1 |
|
1 |
0 |
0 |
1 |
1 |
|
1 |
1 |
0 |
0 |
0 |
14. HTML-дегі маркерленген тізім
A) <dl>, </dl>
B) <ul>, </ul>
C) <hr>
D) <sub>, </sub>
15. HTML кодтағы “Джон Маккарти” мәтінінің түсі


A) көк
B) қызыл
C) сары
D) қара
16. Негізгі кестедегі іздеуді тездету үшін көмектесетін көмекші кесте
A) адрес
B) өріс
C) индекс
D) жазба
17. isdigit() әдісінің қызметі
A) жоластын іздеу үшін пайдаланады
B) жолда сандардың болуын анықтайды
C) жолдағы бір жоластын басқа жоластымен ауыстырады
D) берілген бір бөлгішке сәйкес жолды бөлу үшін пайдаланылады
18. Логикалық терістеу операциясының орындалу басымдылығы
A) жоғары
B) биік
C) орта
D) төмен
19. 11101112 санын сегіздік, он алтылық санау жүйесіне аударғандағы мәні
A) 1658, 7716
B) 1198, 7516
C) 1678, 7716
D) 1278, 7616
20. Программалар құқықтық мәртебесі бойынша топқа бөлінеді
A) екі топқа
B) үш топқа
C) төрт топқа
D) бес топқа
21. Мәліметтерді екілік кодтан адамға түсінікті формаға түрлендіру
A) кодтау
B) декодтау
C) шифрлау
D) разряд
22. Программа нәтижесі

A) 1 2 3
B) 1 2 3 4
C) 1 2 3 5 6 7 9
D) 1 4 8
23. Программа нәтижесі

A) 40
B) 45
C) 46
D) 10
24. HTML кодта қолданылған CSS стильін қосу тәсілі және «1 байт = 8 бит» мәтінінде қолданылған түс

A) ішкі стиль, сары түс
B) құжат деңгейіндегі стильдер, қызыл түс
C) сыртқы стильдер, қызыл түс
D) құжат деңгейіндегі стильдер, сары түс
25. Айнымалыны программаның барлық бөлімінде жұмыс істету үшін процедурада пайдаланылатын қызметші сөз
A) def
B) global
C) summa
D) range
Контексті тапсырма
B[n] бір өлшемді, екі бірдей элементі жоқ массив берілген. Осы массивтегі k-ші минимумды тап. Мысалы n=5 және k=2 болса, онда 5 элементі бар массивте (52,14,5,68,87) 2-ші минимум 14 ке тең.

26.Массив ұзындығы көрсетілген қатар
-
k=int(input())
-
n=int(input())
-
for i in range (0,n):
-
a[i]=int(input())
27. Массив элементтерін қолмен енгізу қатарын көрсетіңіз.
-
k=int(input())
-
n=int(input())
-
for i in range (0,n):
-
a[i]=int(input())
28. b=sorted(a) жолы не үшін қолданылады?
-
А массивінің өзінде өсу реті бойынша реттейді
-
А массивін өсу реті бойынша сұрыптап, b массивіне жүктейді
-
А массивінің өзінде кему реті бойынша реттейді
-
А массивін кему реті бойынша сұрыптап, b массивіне жүктейді
29.Программадағы k-ші максимумды табу үшін өзгертілген жол
-
print(k, ‘max=’, b[k+1])
-
b=sorted(k)
-
print(k, ‘max=’, b)
-
b=sorted(a,reverse=True)
30 .k=3 болғанда программа нәтижесі
-
52
-
14
-
68
-
5
31. Программа нәтижесінің сәйкестігін анықтаңыз
1.

2.

-
Информатика өте қызықты
-
Информатика Информатика
-
Информатика сабағы қызықты
-
Информатика қызықты
32.Суретті туралау атрибуттары мен сипаттамасын сәйкестендіріңіз
1.браузер терезесінің ішіндегі суреттің биіктігін (тігінен өлшемін) пиксельмен немесе терезе биіктігінің пайызымен береді
2.браузер терезесінің ішіндегі суреттің биіктігін (көлденең өлшемін) пиксельмен немесе терезе биіктігінің пайызымен береді
-
height
-
width
-
vspace
-
hspace
33.Бұлттар және олардың анықтамалары арасындағы сәйкестікті анықтаңыз.
1.Ортақ мақсаттары бар қоғамдық тұтынушыларға арналған инфраструктура
2.Көпшілікке арналған, олардың интернетте еркін жұмыс істеуіне арналған инфраструктура
-
жеке бұлттар
-
ортақ бұлттар
-
аралас бұлттар
-
қоғамдық бұлттар
34.Сұрыптау алгоритм түрлері мен жұмыс жасау негіздері арасындағы сәйкестікті анықтаңыз
1.Әр екі жұп элементті салыстырып шығады
2.Массивтегі ең кіші (ең үлкен) элементті тауып, оны сұрыпталмаған элементтердің бірінші тұрғанымен ауыстырады
-
Көбік
-
Кірістіру
-
Таңдау
-
жылдам
35.Сұрыптау коды мен түсініктемесі арасындағы сәйкестікті анықтаңыз.
1.B=sorted(A)
2.B=sorted(A, reverse=True)
-
А массивін өсу реті бойынша сұрыптап, В массивіне жүктейді
-
А массивін кему реті бойынша сұрыптап, В массивіне жүктейді
-
А массивінің өзінде өсу реті бойынша реттейді
-
А массивінің өзінде кему реті бойынша реттейді
36. Компьютерлік желілер тиістілігіне қарай бөлінеді:
A) Ведомстволық
B) Жергілікті
C) Мемлекеттік
D) Аймақтық
E) Ауқымды
F) Аумақтық
37. Абсолютті сілтемені көрсетіңіз
A) $R$8
B) $F9
C) $D$4
D) D$2
E) $B3
F) $E$21
38. MySQL-дегі біріктіру командасының дұрыс синтаксистерін көрсет
-
SELECT column_name(s)
FROM table1
INNER JOIN table2
ON table1.column_name=table2.column_name;
B) SELECT column_name(s)
WHERE table1
INNER JOIN table2
ON table1.column_name=table2.column_name;
C) SELECT column_name(s)
FROM table1
LEFT JOIN table2
ON table1.column_name=table2.column_name;
D) WHERE column_name(s)
FROM table1
LEFT JOIN table2
ON table1.column_name=table2.column_name;
E) WHERE column_name(s)
FROM table1
RIGHT JOIN table2
ON table1.column_name=table2.column_name;
F) SELECT column_name(s)
FROM table1
RIGHT JOIN table2
ON table1.column_name=table2.column_name;
39. Төменде қарапайым пікірлер берілген. Осы пікірлерге сүйеніп мына өрнектің шешімін тап F= ⌐ (A^B) v C
А=Тұрақты жадтың маңызды микросхемасы-BIOS
В=Қатқыл диск жедел есте сақтау құрылғысы
С= ROM тек оқуға арналған жад.
A) 1
C) ақиқат
D) жалған
E) true
F) false
40. Өрнектің мәнін анықтаңыз: 2310+158=?
A) 3610
B) 308
C) 3010
D) 388
E) 3810
F) 428
2-нұсқа
1. 50 беттен тұратын кітаптың әрбір бетінде 50 жол, ал әрбір жолда 70 символ бар. Осы кітаптағы ақпарат көлемі неше Кбайт екенін көрсетіңіз.
A) 175000
B) 170,8
C) 0,167
D) 0,208
2. Дұрыс теңдікті көрсетіңіз
A) 1 Кб < 1000 байт
B) 2 Мб < 2048 Кбайт
C) 100 бит = 80 байт
D) 3 Гб > 3072 Кбайт
3.
суретте көрсетілген жад
түрін белгілеңіз.
A) RAM
B) ROM
C) кэш
D) қатқыл диск
4. Логикалық көбейту қандай жалғаулық көмегімен біріктіріледі?
A) and
B) or
C) not
D) if
5. Маска дегеніміз-..
А) Желідегі компьютердің номерінен желілік адресті білуге мүмкіндік беретін үлгі.
B) Кішігірім немесе ауқымды желі құруға мүмкіндік беретін IP хаттамалары.
С) Ауқымды желісі IP желі дара жагдайы
D) Интернет кызметтері комегмен курылган шкі колдануга арналган корпоративті ІР-желі
6. Суретте диаграманың қай түрі берілген

A) Гистограмма
B) Аймақтық
C) Сызықтық
D) Нүктелік
7. Төменде берілген кестенің С3 ұяшығында қолданылған формула

A) =B3*5%
B) =C3*10%
C) =B3*10%
D) =C3*5%
8. Программа нәтижесін анықтаңыз

A) 30
B) 60
C) 90
D) 50
9. Программа нәтижесінде «140 ball» сөзі экранда неше рет шығады

A) 3
B) 4
C) 5
D) 6
10. IP v6 хаттамасындағы адрестер саны
A) 216
B) 232
C) 264
D) 2128
11. Компьютердің IP-адресінің фрагменттері А-дан В-ға дейін көрсетілген. IP-адресті қалпына келтір. Жауапта үзінділерді білдіретін сандардың реттілігін IP-адреске сәйкес тәртіппен көрсет.
|
8.13 |
.47 |
7.219 |
15 |
|
А |
Ә |
Б |
В |
A) АБӘВ
B) ВАБӘ
C) БӘВА
D) АӘВБ
12. Компьютерде кітаптың 64 беті терілді, әр бетте 32 қатар, әр қатарда 32 символ бар. Компьютерде 256 символдық алфавит қолданылады. Осы кітаптағы ақпарат көлемін 2 минут 8 секундта тасымалдаған тасымалдаушы құрылғының жылдамдығын анықта
A) 4096 байт/с
B) 4 Кбит/с
C) 512 байт/с
D) 65 536 бит/с
13. Санау жүйесі-
A) негізі 2 болатын позициялық санау жүйесі
B) цифрдың сандағы орны
C) арнайы белгілер жиынтығының көмегімен сандарды белгілеу тәсілі
D) сандар жиыны
14. Берілген өрнектің
ақиқат кестесін көрсетіңіз: (Av
)^
B
A)
|
A |
B |
|
Av |
(Av |
|
0 |
0 |
0 |
0 |
0 |
|
0 |
1 |
1 |
0 |
0 |
|
1 |
0 |
0 |
1 |
0 |
|
1 |
1 |
0 |
0 |
0 |
B)
|
A |
B |
|
Av |
(Av |
|
0 |
0 |
1 |
1 |
1 |
|
0 |
1 |
0 |
0 |
0 |
|
1 |
0 |
1 |
1 |
1 |
|
1 |
1 |
0 |
1 |
0 |
C)
|
A |
B |
|
Av |
(Av |
|
0 |
0 |
0 |
0 |
0 |
|
0 |
1 |
1 |
0 |
1 |
|
1 |
0 |
0 |
1 |
1 |
|
1 |
1 |
0 |
0 |
0 |
D)
|
A |
B |
|
Av |
(Av |
|
0 |
0 |
0 |
0 |
1 |
|
0 |
1 |
1 |
0 |
1 |
|
1 |
0 |
0 |
1 |
1 |
|
1 |
1 |
0 |
0 |
0 |
15. HTML-дегі көпсатылы тізім құратын дескриптор
A) <dl>, </dl>
B) <ul>, </ul>
C) <hr>
D) <sub>, </sub>
16. HTML кодтағы класс селекторына қойылған түс


A) көк
B) қызыл
C) сары
D) қара
17. Реляциялық деректер қорындағы кестенің негізгі қасиеттерінің бірі
A) әр кесте объектінің бірнеше класын сипаттайды
B) бір атпен бірнеше баған кездеседі
C) кестеде бағандардың орналасу реті маңызды емес
D) бір бағанның барлық мәндері бір деректер типіне жатады
18. find() әдісінің қызметі
A) жоластын іздеу үшін пайдаланады
B) жолда сандардың болуын анықтайды
C) жолдағы бір жоластын басқа жоластымен ауыстырады
D) берілген бір бөлгішке сәйкес жолды бөлу үшін пайдаланылады
19. Логикалық қосу операциясының орындалу басымдылығы
A) жоғары
B) биік
C) орта
D) төмен
20. Деректеп базасының құрылымы.
-
кестелер-> мәліметтер базасы-> жазбалар
-
кестелер-> жазбалар-> мәліметтер базасы
-
мәліметтер базасы-> жазбалар-> кестелер
-
мәліметтер базасы-> кестелер-> жазбалар
21. 10110112 санын сегіздік, он алтылық санау жүйесіне аударғандағы мәні
A) 918, 5B16
B) 1198, 7516
C) 1338, 5B16
D) 1378, 7616
22. "Бір тәулікте 24 сағат бар" ақпараттың қасиетін анықтаңыз.
A)Нақтылық
В) Нақты емес
С) Құндылық
D) Субъективті
23. Логикалық сызбаға сәйкес логикалық өрнекті және мәнін көрсетіңіз
А=1 B=1 C=1

A) ((AvB)^¬C)^C=1
B) ((AvB)^¬C)vC=0
C) ((A^B)^¬C)vC=0
D) ((AvB)^¬C)vC=1
24. Borland C++ Builder программалық жасақтаманың қай түріне жатады?
A) жүйелік
B) қолданбалы
C) инструменталдық
D) аппараттық
25. Параметрлі циклді көрсетіңіз
A) for i in range(10):
B) while a<10:
C) if i%2==0:
D) n=int(input)
Контексті тапсырма
A[n][n] екі өлшемді массиві берілген(1<n<20) . Осы массивтің бас диагоналінде орналасқан элементтерді экранға шығарыңыз. Массив кездейсоқ сандармен толтырылған.

26. Массив ұзындығы көрсетілген қатар
-
for j in range (0,n):
-
n=int(input())
-
for i in range (0,n):
-
a[i][j]= randint(1,9)
27. Бас диагоналінде орналасқан элементтерді экранға шығару үшін 13-қатарға қойылатын шарт
-
A[i]%2==0
-
i==j
-
A[i][j]%2==0
-
A[i]%2==1
28. Массив элементтері толтырылған кездейсоқ сандар
-
0 мен 9 аралығындағы сандармен
-
1 мен 9 аралығындағы сандармен
-
Кез келген кездейсоқ сандармен
-
Өзіміз енгізген сандармен
29. for операторы:
-
шартты цикл
-
кірістірілген цикл
-
параметрлі цикл
-
цикл қадамы
30. Бас диагональда орналасқан элементтердің қосындысын табу үшін орындалатын программадағы өзгеріс
-
if a[i]%2==0:
s=s+a[i][j]
-
if a[i]==a[j]:
s+=a[i][j]
-
if a[i][j]%2==1:
s=s=+[i][j]
-
if i==j:
s+=a[i][j]
31. Әдістер мен олардың қызметтерін сәйкестендір
|
1 |
А массивіндегі Х ке тең элементті өшіреді |
A |
|
|
|
|
B |
|
|
2 |
А массивіндегі Х ке тең элементтердің санын анықтайды |
C |
|
|
|
|
D |
|
32.Бағдарламалық жасақтаманың сапа критерийлері мен анықтамаларын сәйкестендіріңіз
|
1 |
Берілген шарттарда пайдаланушыға бағдарламалық өнім ұсынатын қызметтер деңгейінің пайдаланатын ресурстар көлеміне қатынасы |
A |
сенімділік |
|
|
|
B |
|
|
2 |
Бағдарламалық жасақтаманың бір ортадан екіншісіне, яғни бір аппараттық платформадан басқасына ауыса алу қабілеті |
C |
эргономикалық |
|
|
|
D |
|
33. Фон Нейман архитектурасының қағидаларын түсініктемелерімен сәйкестендір
|
1 |
Компьютердегі барлық ақпарат екілік код түрінде сақталады |
A |
екілік кодтау қағидасы |
|
|
|
B |
жадтың біркелкілік қағидасы |
|
2 |
Компьютерде орындалатын есептер алгоритмдер көмегімен шешіледі |
C |
адрестік қағидасы |
|
|
|
D |
|
34. Логикалық операциялар және олардың түсініктемелерін сәйкестендір
|
1 |
Екі пікірге сәйкесінше жаңа пікір беретін, алғашқы екі пікір ақиқат болса ғана ақиқат болып табылатын логикалық операция |
A |
|
|
|
|
B |
|
|
2 |
Екі пікірге сәйкесінше жаңа пікір беретін, бастапқы екі пікір жалған болып табылғанда ғана жалған болатын логикалық операция |
C |
|
|
|
|
D |
терістеу |
35. Программа коды мен нәтижесін сәйкестендіріңіз.
|
1 |
|
A |
1-ден 15-ке дейінгі 3-ке бөлінбейтін сандарды экранға шығарады |
|
|
|
B |
1-ден 15-ке дейінгі 3-ке қалдықсыз бөлінетін сандарды экранға шығарады |
|
2 |
|
C |
1-ден 15-ке дейінгі 3-ке 2 қалдықпен бөлінетін сандарды экранға шығарады |
|
|
|
D |
|
36.А массивінде Х-ке тең элементтердің санын анықтайды
A) A.append(X)
B) A.remove(X)
C) A.insert(i,X)
D) A.count(X)
E) A.pop(i)
F) A.remove(S)
37. Сымды байланыс желілерін көрсетіңіз
A) Қосақталған кабель
B) Радиобайланыс
C) Коаксиалды кабель
D) Wi-Fi
E) Оптикалық кабель
F) WiMax
38. Жүйелік программалық жабдықтамаларды көрсетіңіз
A) мәтіндік редакторлар
B) трансляторлар
C) кестелік процессорлар
D) операциялық жүйелер
E) сыртқы құрылғылардың программалары
F) графикалық редакторлар
39.Төменде қарапайым пікірлер берілген. Осы пікірлерге сүйеніп мына өрнектің шешімін тап F= ⌐ (AvB) v C
А=Логикалық қосу-дизъюнкция деп аталады
В=Логикалық терістеу және көмекші сөзі арқылы жасалады
С= Конъюнкция and көмекші сөзімен байланысады.
A) 1
B) 0
C) ақиқат
D) жалған
E) true
F) false
40. 5710 санын екілік және сегіздік жүйеге ауыстырғандағы нәтиже
a. 10010012
b. 718
c. 101102
d. 258
e.158
f.1110012
3-нұсқа
1.Процессордағы ядролар саны
a.жүйелік шинамен процессор арасындағы қосындыны шығарады
b.бірінші және екінші қосылғыштың нәтижесін береді
c.бір мезетте бірнеше қосымшаның жұмыс жасау мүмкіндігіне әсер етеді
d.процессор жүгінетін құрылғыны қамтиды
2.Журналдың 121 беті бар. Әр бетте 132 жол, әр жолда 44 символ бар. Журналдағы ақпарат көлемі
a.657,81 Кбайт
b.686,29 Кбайт
c.645,15 Кбайт
d.677,89 Кбайт
3.1568 санын екілік санау жүйесіне аударғандағы мәні
a.11011102
b.10101102
c.11100102
d.10111102
4.программа фрагментіне n-айнымалысының мәніне қандай санды енгізсе 4 деп шығады:

a.2
b.0
c.1
d.3
5.Жүйелік блок құрамына кірмейтін құрылғы
a.қатқыл диск
b.кэш жады
c.процессор
d.пернетақта
6..org домен түрі
a.коммерциялық ұйымдар
b.білім беру
c.мемлекеттік мекеме
d.коммерциялық емес ұйымдар
7.Есімі «J» әрпінен басталатын қызметкерлердің тізімін алыңыз
a.SELECT*FROM nur97 WHERE first_name LIKE “%J%”
b. SELECT*FROM nur97 WHERE first_name LIKE “_J”
c. SELECT*FROM nur97 WHERE first_name WHERE “J%”
d. SELECT*FROM nur97 WHERE first_name LIKE “J%”
8.Массивтегі ең кіші (ең үлкен) элементті тауып, оны сұрыпталмаған элементтердің бірінші тұрғанымен ауыстырады
a.көпіршікті сұрыптау
b.кірістіру
c.таңдау
d.жылдам
9.Excel программасының файл кеңейтілімі
a..pptx
b..docx
c..txt
d..xlsx
10.берілген программадағы қате түрі
S=int(input())
P=input()
print(S+P)
a.шаманың типіне сәйкес емес амал қолдану
b.айнымалыны нөлге бөлу
c.бүтін сан мен жолды қосу
d.жолды санға айналдыру
11.print(“*”*3+”*”)
a.***3*
b.**3*
c.*****
d.****
12.Алдыңғы элементттердің тәуелділігін ескере отырып құрылған база
a.реляциялық
b.иерархиялық
c.желілік
d.sql
13.1-Bool(), 2-str 3-float(), 4-int()
a.1-логикалық, 2-жолдық, 3-бүтін сандар, 4-нақты сандар
b.1-логикалық, 2-жолдық, 3-нақты сандар, 4-бүтін сандар
c.1-логикалық,2-бүтін сандар,3-нақты сандар, 4-жолдық
d.1-нақты сандар, 2-жолдық, 3-бүтін сандар, 4-логикалық
14.Реляциялық деректер қорындағы кестенің негізгі қасиеттерінің бірі
a.бір бағанның барлық мәндері әртүрлі дерек типіне жатады
b.кестедегі жолдар реті қатаң тәртіппен анықталған
c.кесте ішіндегі әрбір бағанның атауын 5 рет қайталауға болады
d.кестеде бағандардың орналасу тәртібі маңызды емес
15.JavaScript тілінде экран (web-сайт) бетіне ақпаратты шығару үшін қолданылады
a.alert()
b.prompt()
c.console.log()
d.document.write()
16.text-transform: capitalize қасиеті
a.барлық әріптерді бас әріппен жазады
b.абзацты туралауын анықтайды
c.бірінші жол үшін шегіністі белгілейді
d.әр сөздің бірініші әрпін үлкен жазады
17.Тармақталған және қайталау әрекеттері жоқ, барлық әрекет тізбекпен, бірінен соң бірі табиғи реттілікпен бір реттен орындалатын алгоритмдік құрылым
a.тармақталған алгоритм
b.циклдік алгоритм
c.сызықтық алгоритм
d.синтаксистік алгоритм
18.негізгі кестедегі бір жазбаға бағынышты кестенің бірден көп жазбалары сәйкес келеді
a.біреуден-біреуге
b.біреуден-көпке
c.көптен-көпке
d.біреуден-бірнешегі
19.Берілген сұрыптау алгоритмі

a.көпіршік
b.таңдау
c.кірістіру
d.жылдам
20.Төмендегі суретте берілген программа қандай категорияға жатады?

a.еркін қолданыстағы программалық жабдықтама
b.тегін программалық жабдықтама
c.шектеулі-тегін программалық жабдықтама
d.коммерциялық программалық жабдықтама
21.а тізіміндегі элементтерді кері ретпен орналастырады
a.a.sort()
b.a.sort(reverse=True)
c.a.reverse()
d.a.count
22.компьютердің аналық тақшасындағы кеңейтілімнің алып қосу ойығы
a.сопроцессор
b.слот кеңейтілімі
c.чипсет
d.шина
23.style атрибутын қолдану арқылы анықталатын стиль түрі
a.ендірілген стиль
b.кіріктірілген стиль
c.байланысқан стиль
d.импортталған стиль
24.Суретте берілген топология түрі

a.шина
b.жұлдыз
c.ұялы
d.иерархиялық жұлдызша
25.Код нәтижесі

a.20
b.120
c.6+
d.24
Контекст
Ерасылға геометрия пәні мұғалімі төменде көрсетілгендей тік бұрышты үшбұрыш шығаратын программа жазуын сұрады
*
**
***
****
*****
Алайда, программа орындаған кезде дәл суреттегідей болып шыққан жоқ. Ерасылға қатені табуға көмектесіңіз

26.Программада қолданылған алгоитм түрі
a.циклдік
b.логикалық
c.сызықтық
d.тармақталған
27.Программаны іске қосқан кезде экранға қандай нәтиже шығады
a.
* * **
* * * *
* * * *
* * * *
b.
*
* *
* * *
* * * *
* * * * *
* * * * * *
c.
*
* *
* * *
* * * *
d.
* * * * *
* * * *
* * *
* *
*
28.программа есептің берілген шартындағыдай нәтижені көрсету үшін қай жерін түзеу қажет
a.4-қатардағы end=” ” командасын алып тастау
b.3-қатарды өзгерту: for j in range(i+1):
c.5-қатардағы print(‘’) алып тастау
d.3-қатардағы i-ды n-ге өзгерту: for j in range(n):
29.Төмендегідей төртбұрыш шығару үшін дұрыс жазылған кодты тап
* * * *
* * * *
* * * *
* * * *
a.

b.

c.

d.

30.программа есептің берілген шартындағыдай нәтижені көрсету үшін қай жерін түзеу қажет
a.n=6 деп өзгерту керек
b.2-қатарды өзгерту: for i in range (n-1):
c.5-қатардағы print(‘’)-ке end=’ ’ деп қосу қажет
d.3-қатарды өшіру керек
31. Берілген құрылғылар мен анықтамалары арасындағы дұрыс сәйкестікті анықтаңыз
1.Көптеген жартылай өткізгішті элементтерден тұратын, компьютерде барлық есептеу мен ақпарат өңдеу жұмыстарын жүргізетін электронды микросхема
2.орталық процессордың шалғай құрылғыларымен деректер алмасу жұмысын жасақтайтын, аналық тақшада орналасқан микросхемалар жиынтығы
А.сопроцессор
В.чипсет
С.процессор
Д.BIOS
32. Берілген логикалық өрнектің сәйкес мәндерін анықтаңыз
|
А |
В |
? |
|
1 |
1 |
|
|
1 |
0 |
|
|
0 |
1 |
|
|
0 |
0 |
|
1.(A^B)vA
2.(AvB)^B
А. 1 0 0 0
В.1 0 1 0
С.1 1 0 0
Д.0 1 1 1
33. Берілген программа кодтары мен нәтижелері арасында дұрыс сәйкестікті анықтаңыз
1.

2.

А. В әріпін А әріпіне ауыстырады
В. А әріпін В әріпіне ауыстыру
С.17
Д.21
34. Берілген программа үзіндісіндегі сұрыптау әдістерін сәйкестендір
1.

2.

А.көпіршік
В.кірістіру
С.таңдау
Д.жылдам
35. Берілген командалар мен қызметтері арасындағы дұрыс сәйкестікті анықтаңыз
1.
![]()
2.
![]()
А.ішкі стиль
В.стильдер кестесін іске қосады
С.сыртқы құжатпен байланыс
Д.қолданушы стилі
36.11011012 санын позициялық түрге келтіріңіз
a.10410
b.10910
c.1558
d.1458
e.6В16
f.6D16
37.Python программалау тіліндегі цикл нұсқаулықтары
a.def
b.for
c.break
d.while
e.continue
f.range
38.img тегінің атрибуты бола алады
a.
b.style
c.src
d.rel
e.alt
f.div
39.HTML кодта құжат тақырыбын көрсететін тег
a.<head>
b. </html>
c. <title>
d. <html>
e. </title>
f. </body>
40.Деректерді сақтау түрі бойынша бөлінуі
a.реляциялық
b.желілік
c.фактографиялық
d.таратылған
e.құжаттық
f.орталықтандырылған
4-нұсқа
1.Суретте берілген құрылғы

a.чипсет
b.BIOS
c.шина
d.магистраль
2.MySQL деректер қорында, оң жақты сыртқы біріктіру үшін қолданылған синтаксисті көрсетіңіз

a.SELECT colum_name(s)
FROM table1
LEFT JOIN table2
ON table1.column_name=table2.column_name;
b. SELECT colum_name(s)
FROM table1
RIGHT JOIN table2
ON table1.column_name=table2.column_name;
c. SELECT colum_name(s)
FROM table2
LEFT JOIN table1
ON table1.column_name=table2.column_name;
d. SELECT colum_name(s)
FROM table
RIGHT table
ON table1.column_name=table2.column_name;
3.Компьютерлік алфавиттегі реттік нөміріне сәйкес барлық символдар кестесі
a.кодтау кестесі
b.трассировка кестесі
c.регистр кестесі
d.жад кестесі
4.Берілген логикалық сызба нәтижесі (А=1 В=0 С=1)

a.0
b.1
c.not
d.дұрыс жауап берілмеген
5.Реляциялық деректер қорындағы кестенің негізгі қасиетінің бірі
a.әрбір бағанның аты кесте ішінде қайталанады
b.кестедегі бағандардың орналасу тәртібі маңызды емес
c.бір бағанның барлық мәндері әртүрлі деректер типіне жатады
d.әр кесте объектінің әр түрлі класын сипаттайды
6.X=(1v¬1)v(0^0); Y=(1v0)^¬(0^1) берілген екі өрнектің мәнін тап
a.X=0; Y=1
b. X=1; Y=1
c. X=1; Y=0
d. X=0; Y=0
7.Екілік санау жүйесінде ең үлкен цифр қаншаға тең?
a.1
b.1111
c.2
d.10
8. «Ертең таңертең ҰБТ тапсырасың, ертерек жатып демал!» сөйлемінің ақпараттық қасиеті
a.дәлділік
b.нақтылық
c.құндылық
d.объективтілік
9.512 символдық алфавиті бар жоңғарлар тайпасының 60 әріптен тұратын хатын шабарман көрші тайпаға жеткізді. Ол қандай ақпарат көлемін жеткізді?
a.512 бит
b.540 бит
c.60 бит
d.612 бит
10.Шамаларды өсу ретімен орналастыр:
2048 бит; 1000 байт; 1 бит; 1 байт; 300 байт; 1 Кбайт
a. 1 бит; 1 байт; 300 байт; 2048 бит; 1000 байт; 1 Кбайт
b. 1 бит; 1 байт; 2048 бит; 300 байт; 1000 байт; 1 Кбайт
c. 1 байт; 1 бит; 2048 бит; 300 байт; 1000 байт; 1 Кбайт
d. 1 бит; 1 байт; 300 байт; 1000 байт; 2048 бит; 1 Кбайт
11.Ақиқат кестесінің мәнін тап (нәтиже жоғарыдан төмен қарай жазылған)
|
A |
B |
c |
(a^b)v(b^¬c) |
|
1 |
1 |
1 |
|
|
1 |
1 |
0 |
|
|
1 |
0 |
1 |
|
|
1 |
0 |
0 |
|
|
0 |
1 |
1 |
|
|
0 |
1 |
0 |
|
|
0 |
0 |
1 |
|
|
0 |
0 |
0 |
|
a.1 1 0 0 0 1 0 0
b.0 0 0 1 1 1 0 1
c.1 1 0 0 0 0 0 0
d.1 1 0 0 0 1 1 1
12.Біркестелік деректер қорында MySQL құру командасының синтаксисін толықтырыңыз:
Create table ‘TableName’(‘fieldname’__________[қосымша параметр]);
a.create database
b.dataType
c.float
d.from
13.Төмендегі код орындалғанда экранға қандай нәтиже шығады:

a.0
b.1
c.11
d.7
14.Ұзындығы 0-ден 255 таңбаға дейінгі айнымалы бөлім
a.char
b.int
c.varchar
d.float
15.Электрондық кестедегі 30 ұяшығы бар аумақты көрсетіп тұр
a.E2:G11
b.C1:R9
c.A15:D20
d.C4:F9
16.11А және 11Б сыныптарында 10112 қыз бала бар. Барлығы 1D16 оқушы болса, қанша ер бала болғаны?
a.178
b.208
c.278
d.228
17.Форманы жіберуге арналған Жіберу батырмасының кодын анықта

a.<form method=”post” action=”action_page.php”>
<input type=”text” value=”Жіберу”>
b. <form method=”post” action=”action_page.php”>
<input type=”submit” value=”Жіберу”>
c. <form method=”post” action=”action_page.php”>
<input type=”radio” value=”Жіберу”>
d. <form method=”post” action=”action_page.php”>
<input type=”button” value=”Жіберу”>
18.Төмендегі код орындалғанда экранға қандай нәтиже шығады

a.720
b.190
c.600
d.55
19.Нәтиже

a.2
b.1.5
c.1
d.0
20.Берілген схема бойынша құрылымдық формуланы анықтаңыз

a.F=(A^B)v(¬B^C)
b. F=(Av¬B)v(BvC)
c. F=(A^¬B)v(BvC)
d. F=(A^¬B)v(B^C)
21.54718 санының екілік санау жүйесіндегі мәні
a.10111001110
b.101100111001
c.1001111101101
d.10101000001
22.Берілген PHP кодына қолданылған жолдың қызметі
If (! $conn)
{
die(‘Did not connect:’ .mysql_error());
}
a.егер қосу жүргізілмесе, қатенің хабараламасын береді
b.HTML кодын аяқтау
c.деректер қорымен байланыс орнату
d.деректер қорына қосылуды жабу
23.төмендегі код орындалғанда экранға қандай нәтиже шығады:

a.55
b.35
c.199
d.269
24.Бұл құрылғы порттарына жалғанған әр компьютер мекенжайын «еске сақтап алып», реттеуші қызмет атқарып-деректерді тек адресат компьютеріне ғана жібереді
a.коммутатор
b.бағдарлауыш
c.модем
d.концентратор
25.Берілген 11-synyp кестесінен Zhandos–тың жасын 15-ке ауыстыру үшін жазылатын код:

a.UPDATE Oqushylar SET Age=15;
b.UPDATE Oqushylar SET Age=15 WHERE OqushyID=2;
c. UPDATE Oqushylar SET Age=15 WHERE OqushyID=1;
d. INSERT Oqushylar SET Age=15 WHERE OqushyID=2;
Димаш алғаш рет HTML тілінде веб-сайттың көрінісін жазды. Бірақ кейбір қателіктер жіберді. Қателіктерді тауып, Димашқа сайт версткасы бойынша көмектесіңіз

26.Айсұлтан екі тіктөртбұрыш құрады. Қай тіктөртбұрыш сыртқы болып табылатынын анықтаңыз (код қатесі дұрысталды деп есептелгенде)
a.ақ тіктөртбұрыш
b. көк тіктөртбұрыш
c. қара тіктөртбұрыш
d. сыртқы тіктөртбұрыш берілмеген
27.неліктен екі тіктөртбұрыштың біреуі экранда көрібей тұр? Код қатесін табыңыз
a.height:70px
b..juz
c..ubt
d.background-color:white
28.сыртқы тіктөртбұрышты оң жаққа 100px жылжыту қажет
a.padding-top:100px
b.margin-bottom:100px
c.padding-left:100px
d.margin-left:100px
29.Ішкі тіктөртбұрыштың биіктігін 80px-ге үлкейту қажет
a.width:80px
b.height:80px
c.width:320px
d.height:150px
30.Сыртқы тіктөртбұрыш селекторын анықтаңыз
a.айди селеторы
b.класс селекторы
c.контекстік селектор
d.тегтік селектор
31.логикалық операциялардың орындалу басымдықтарын сәйкестендіріңіз
1.and
2.or,xor
a.I (жоғары)
b.II (биік)
c.III (орта)
d.IV (төмен)
32.Фон Нейман ұсынған архитектураның негізгі қағидаларын сәйкестендіріңіз
1.жадтың біркелкілік қағидасы
2.программалық басқару қағидасы
a.компьютерде орындалатын есептер алгоитмдер көмегімен шешіледі
b.компьютердегі барлық ақпарат екілік код түрінде сақталады
c.компьютердің барлық жадындағы деректердің қолдетімділігі
d.деректер мен орындаушы кодтардың бірге сақталуы
33.JavaScript функцияларының анықтамасын сәйкестендіріңіз
1.confirm()
2.prompt()
a.пайдаланушы бір нәрсе енгізіп, ОК батырмасын басу керек немесе CANCEL JavaScript
b. Екі батырмадан тұратын question сұрақ қойылған терезесін шығарады: OK/CANCEL
c. JavaScript-тегі экран бетіне ақпаратты шығару үшін қолданылатын JavaScript функциясы
d.Хабарламамен модельді (диалогтық) терезені шығарадыжәне пайдаланушыны OK батырмасын басқанша күтетін JavaScript функциясы
34.Excel функцияларының категорияларын сәйкестендіріңіз
1.МАКС ()
2.СРЗНАЧ ()
a.математикалық
b.статистикалық
c.логикалық
d.қаржылық
35.CSS селекторлырдың стильді өзгертудің дұрыс нұсқасын сәйкестендіріңіз
1.class арқылы
2.идентификатор яғни id арқылы
a.#bir {color:blue; font-size:12px;}
b.h1{color:blue; font-size:12px;}
c..bir{color:blue; font-size:12px;}
d.-h1{color:blue; font-size:12px;}
36.Төмендегілердің қайсысы сыртқы жадқа кіреді?
a.жедел есте сақтау құрылғысы
b.тұрақты есте сақтау құрылғысы
c.кэш жады
d.қатқыл диск
e.флэш жады
f.оптикалық диск
37.IP-адрес бөліктерінің атауы
a.желі нөмірі
b.хост
c.диапазон
d.желідегі компьютер номері
e.маска
f.ішкі мекен-жай
38.кірістірілген функцияны пайдалана отырып, бойының ұзындығы бойынша әскери тексеруден өте алмай қалған ұл баланы анықтайтын формула (-лар)

a.=ЕСЛИ(ИЛИ(В5=156;В5>156); «жоғарғы көрсеткіш»; «төмен көрсеткіш»)
b. =ЕСЛИ(ИЛИ(В5=155;В5>156); «жоғарғы көрсеткіш»; «төмен көрсеткіш»)
c. =ЕСЛИ(И(В5=185;В5>156); «жоғарғы көрсеткіш»; «төмен көрсеткіш»)
d. =ЕСЛИ(ИЛИ(В5<185;В5=156); «жоғарғы көрсеткіш»; «төмен көрсеткіш»)
e. =ЕСЛИ((В5=185;В5>156); «жоғарғы көрсеткіш»; «төмен көрсеткіш»)
f. =ЕСЛИ(ИЛИ(В5=185;В5>156); «жоғарғы көрсеткіш»; «төмен көрсеткіш»)
39.Деректер қорын жобалаудың негізгі кезеңдері
a.жазбалар байланысы
b.кілттік өріс
c.өрістерді анықтау
d.кілттік жазба
e.объектілер
f.кестелер құрылымы
40.Электрондық кестеде диаграмманың шаблон(-дар)ы
a.шеңбер
b.гистограмма
c.нүктелік
d.дөңгелек
e.эллипс
f.үшбұрышты
5-нұсқа
1.Суретте көрсетілген құрылғы

А.сыртқы жады
В.тұрақты есте сақтау
С.кэш жады
Д.жедел есте сақтау
2.Жіберу жылдамдығы 240000 бит\с қа тең желіде 100 беттен, әр беті 30 жолдан, әр жолы 80 символдан тұратын хабарламаны жіберу уақыты
А.8 минут
В.8 секунд
С.4 секунд
Д.6 секунд
3.Тұрақты жадтың маңызды микросхемасы
А.BIOS
В.RAM
С.ROM
Д.CACHE
4.Сыйымдылығы үлкен есте сақтау құрылғысы
А.лазерлік диск
В.қатқыл диск
С.жұмсақ диск
Д.иілгіш диск
5.Рендеринг үшін қолданылатын құрылғы
А.RAM
В.CPU
С.ROM
Д.GPU
6.Компьютердің ішкі жадысымен тікелей жұмыс жасайтын құырылғы
А.монитор
В.процессор
С.динамик
Д.принтер
7.Ақпараттық және компьютерлік жүйелер саласында компоненттердің санына, мақсатына және негізгі сипаттамаларына негізделген белгілі бір құрамдас бөлшектер жиынтығы
А.слот
В.жинақтауыш
С.конфигурация
Д.бейнекарта
8.Дербес компьютердің архитектурасының негізін ұсынды

А.Б.Паскаль
В.Ф.Нейман
С.В.Лейбниц
Д.В.Шиккард
9.IP адресс көмектесе алмайды
А.теріс пиғылды желі қолданушыларын анықтауға
В.жергілікті желінің өткізу қабілетін арттыруға
С.желіде жасалатын қылмыстарға тосқауыл қоюға
Д.интернетте қосылған құрылғы мекен жайын анықтауға
10.Компьютердің барлық құрылғыларын басқаратын құрылғы
А.команда есептеуіші
В.арифметикалық логикалық құрылғы
С.командалар регистрі
Д.басқару құрылғысы
11.Кестедегі өріс саны

А.1
В.2
С.3
Д.4
12.www.okulyk.kz адресіндегі сатып алуға болмайтын домен деңгейі
А..okulyk
В.www
С..kz
Д..okulyk.kz
13.Динамикалық IP адрес
А.құрылғыға уақытша беріледі
В.өзгермейтін, тұрақты болып келеді
С.қолданушы өзі тағайындайды
Д.сатып алуға болмайды
14. «Тең емес» салыстыру операторының жазылуы
А.x=!y
В.x<y
С.x>y
Д.x==y
15.HTML тіліндегі тегтер CSS кодының қай стилінде ұсынылған

А.кірістірілген стиль
В.ішкі стиль
С.ендірілген стиль
Д.сыртқы стиль
16.Түрлі құрылғылар арасында кез келген бағытта деректер жіберетін шина
А.логикалық
В.басқару
С.адрестік
Д.деректер
17.Он алтылық жүйеде берілген 58В16 санының екілік санау жүйесіндегі мәні
А.111001010
В.1101000101
С.10110001011
Д.1011100110
18.Логикалық схемадағы вентиль атаулары, саны және шығыс мәні

А.2 дизъюнктор, 1 конъюнктор,1 инвентор,1
В. 2 конъюнктор,1 дизъюнктор, 1 инвентор, 0
С. 1 конъюнктор,2 дизъюнктор, 1 инвентор, 1
Д. дизъюнктор, конъюнктор,инвентор,0
19.Ернар көлемі 25 байт ақпаратты 5 секундта жіберу үшін, оған қажетті желінің өткізу қабілеті
А.125 байт\с
В. 5 байт\с
С. 5 бит\с
Д. 75 бит\с
20.Қолданбалы программа түрі
А.Microsoft Visual C++
В.Microfoft Excel
С.Microsoft Windows
Д.Microsoft Visual Basic
21.Электрондық кестеде қолданылған шартты форматтау түрі

А.бірінші және соңғы мәндерді іріктеу ережесі
В.түрлі түсті шәкілдер
С.ұяшықтарды ерекшелеу ережесі
Д.форматтаудың жаңа ережесін құру
22.Электрондық кестеде ашылмалы тізім әзірлеу үшін орындалатын бастапқы үш команда

А.Кірістіру (Вставка) Сілтемелер(Ссылки) Гиперсілтемелерді кірістіру
В.Деректер (Данные) Деректермен жұмыс (Работа с базами данных) Бағандар бойынша мәтін
С.Деректер (Данные) Деректермен жұмыс (Работа с базами данных) Консолидация
Д. Деректер (Данные) Деректермен жұмыс (Работа с базами данных) Деректерді тексеру (проверка данных)
23.film кестесі берілген. Жас ерекшелігі PG-13 және ұзақтығы 60 минуттан аз болатын фильмдерді шығаратын сұраныс

А.select * from film update rating= ‘PG-13’ and length<60
В. select * from film order by rating= ‘PG-13’ and length<60
С. select * from film select rating= ‘PG-13’ and length<60
Д. select * from film where rating= ‘PG-13’ and length<60
24.Дерек көз (Источник) өрісінде көрсетілген сілтеме түрі

А.абсолюттік
В.аралас
С.гиперсілтеме
Д.салыстырмалы
25.HTMl тілінде қолданылатын көлденең сызық сызатын жұпсыз тегті көрсетіңіз
А.<dt>
В.<h1>
С.<p>
Д.<hr>
Аделя мен Даяна автобусқа кіріп билет алды.Жол ұзақ болғандықтан Аделя билетінің нөмір цифрларының қосындысын ойша есептеп отырды.Аделя құрбысының да билетін алып есептеді. Содан кейін қосындыларды салыстырды. Аделя үйге келген соң, билеттің қосындыларын салыстыратын программа құруды шешті. Алайда, программада қате бар. Аделяға программаның қатесін табуға көмектесіңіз, ол үшін келесі тапсырманы орындаңыз.

26.Программада қолданылған циклдік алгоритм
А.while
В.for
С.input
Д.else
27.Программаға х=4567206 у=7821045 мәндерін енгізгенде шығатын нәтиже
А.20=37
В.37<>20
С.20<>37 20=37
Д.30=27 30<>27
28.x=x//10 , z=x%10 өрнектері арқылы орындалатын амалдар
А.санның қалдығын табу,санның бүтін бөлігін табу
В.санның қалдығын табу, санның дәрежесін табу
С.бөлу, санның бүтін бөлігін табу
Д.санның бүтін бөлігін табу, санның дәрежесін табу
29.Программа нәтижесінде тек бір ғана жауап шығу үшін программаны толықтыру
А.

В.

С.

Д.

30.Программаға толықтырулар жүргізгеннен кейін, бірінші билетке 456789 және екінші билетке 598741 нөмірлерін енгізгендегі нәтиже
А.40<>39
В.39<>34
С.34=34
Д.39=39
31.Берілген құрылғылардың атауы мен қызметінің сәйкестігін табыңыз
1.

2.

a.ақпаратты өңдеуге арналған құрылғы
b.негізгі процессордың қызметтік мүмкіндігін толықтырады
c.компьютерді компьютерлер желісіне қосуға мүмкіндік береді
d.программалар мен деректерді ұзақ уақыт сақтауға арналған құрылғы
32.Логикалық сызбалар мен логикалық өрнектер арасында дұрыс сәйкестікті анықтаңыз
1.

2.

a.A=1,B=0,F=1
b. A=1,B=0,F=0
c. A=1,B=0, C=1,F=1
d. A=1,B=0,C=1,F=0
33.Берілген тегтер мен оның қызметінің сәйкестігін табыңыз
1.<ol>,</ol>
2. <sub>,</sub>
a.төменгі индекс
b.маркерленген тізім
c.жоғарғы индекс
d.нөмірленген тізім
34.Берілген анықтамалар арасындағы дұрыс сәйкестікті анықтаңыз
1.кеңселік программалармен және қосымшалармен жұмыс істеуге арналған, әдетте жергілікті желілерге қосылады, жоғары өнімділігі немесе жылдамдығымен ерекшеленбеуі мүмкін
2.үлкен және күрделі графикалық қосымшалармен, фотосуреттер және бейнефайлдарды жоғары сапалы өңдеумен жұмыс істеуге арналған
a.офистік дк
b.үйге арналған дк
c.ойынға арналған дк
d.дизайнерлік дк
35.Берілген анықтамалар арасындағы дұрыс сәйкестікті анықтаңыз
1.целое()
2.корень()
a.санның таңбасын анықтайды
b.санды ең жақын бүтін санға өрнектейді
c.бөлу нәтижесінің бүтін бөлігін қалдықсыз береді
d.квадрат түбірдің оң мәнін анықтайды
36.Реляциондық деректер қорындағы кестенің негізгі қасиеттері
a.кестедегі бағандардың орналасу тәртібі маңызды емес
b.әр кесте объектінің әр түрлі класын сипаттайды
c.кестедегі жолдар ретінің орналасуы анықталған
d.бір бағанның барлық мәндері бір деректер типіне жатады
e.әрбір бағанның кесте ішінде қайталанбайтын аты бар
f.әрбір бағанның аты кесте ішінде қайталанбайды
37. 12610 санын екілік және он алтылық жүйеге ауыстырғандағы нәтижесі
a.158
b.111002
c.118
d.7Е16
e.10010012
f.11111102
38.Кестедегі бастапқы кілт бола алатын өрістер

a.аты
b.тегі
c.туған жылы
d.ID
e.мекен жайы
f.тел номері
39. A&B өрнегінің мәні
|
А |
В |
A&B |
|
0 |
0 |
|
|
0 |
1 |
|
|
1 |
0 |
|
|
1 |
1 |
|
a.
|
A&B |
|
Ақиқат |
|
Жалған |
|
Жалған |
|
жалған |
b.
|
A&B |
|
Жалған |
|
Жалған |
|
Жалған |
|
Ақиқат |
c.
|
A&B |
|
Жалған |
|
Ақиқат |
|
Жалған |
|
Ақиқат |
d.
|
A&B |
|
Жалған |
|
Жалған |
|
Жалған |
|
Жалған |
40.Берілген HTML кодта жолды оң жақ шетіне туралау тегі

a.<img>
b.<src>
c.<color>
d.<title>
e.<br>
f.<align>
6-нұсқа
1.Тұрақты жадының микросұлбасы
a.RAM
b.BIOS
c.CVOs
d.ROM
2. Көлемі 120 кбайт болатын файлды 4 минутта желі бойынша тасымалдауға кететін желінің өткізу қабілеті (секундына Кбит)
a.4
b.120
c.2
d.15
3.Жедел жад қызметі
a.Деректерді уақытша сақтайды
b.ақпаратты ұзақ мерзімге сақтайды
c.деректерді жылдам өңдейді
d.құрылғыларды тестілеуді орындайды
4.Жүйелік блок құрамына кірмейді
a.пернетақта
b.кэш жады
c.қатқыл диск
d.процессор
5.Сыртқы жад құрылғысының қызметі
a.қатынау жиілігін анықтау
b.ақпаратты ұзақ уақыт сақтау
c.ақпаратты уақытша сақтау
d.енгізу, шығару программаларының жиынтығы
6.Компьютердің конфигурациясы
a.пернетақта, жүйелік блок, динамик, принтер
b.тінтуір, динамик,жүйелік блок, пернетақта
c.жүйелік блок, монитор, пернетақта,тінтуір
d.принтер, динамик, пернетақта, монитор
7.пайдаланушының құжаттармен тегін жұмыс істеуіне, Google қосымшаларын ыңғайлы және қарапайым пайдалануына арналған онлайн-кеңсе
a. Google құжаттар
b. Google форма
c. Google meet
d. Google күнтізбе
8.Инструменталдық программа түрі
a. Google chrome
b. Microsoft Publisher
c. Borland Delphi
d. Microsoft Excel
9.Бұлттық файлдар қоймасы
a. OneNote
b. Ms Excel
c. Google drive+
d. MS Office
10.Берілген өрнектің ақиқат кестесін анықтаңыз ⌐BvB&A
a.

b.

c.
|
A |
B |
⌐BvB&A |
|
1 |
1 |
1 |
|
1 |
0 |
1 |
|
0 |
1 |
1 |
|
0 |
0 |
0 |
d.
|
A |
B |
⌐BvB&A |
|
1 |
1 |
1 |
|
1 |
0 |
1 |
|
0 |
1 |
1 |
|
0 |
0 |
1 |
11.Кестедегі мәліметтер бойынша 4 индекстегі жеңімпаздың көрсеткен нәтижесі

a. 2
b.3
c. 4
d. 1
12.Суретте берілген топология түрі

a. шина
b. иерархиялық жұлдызша
c. сақина
d. жұлдыз тәрізді
13. Жұлдыз тәрізді топологияға қосылудың ортақ нүктесі болатын құрылғы
a. ұялы телефон
b. коммутатор
c. компьютер
d. сервер
14.алгоритмді орындаудағы процессор жұмысының моделі
a. трассировка кестесі
b. алгоритмнің жұмыс істеу қабілеті
c. алгоритмді ұйымдастыру
d. алгоритмді құрастыру
15.көру нүктесін өзгерту арқылы көруге болатын сфералық проекцияда алынған үшөлшемді панорамалық фотосуреттер
a. 3Д панорама
b. кеңейтілген шындық
c. панорамалық фотосурет
d. панорамалық тур
16.процессор жүгінетін құрылығының немесе жады ұяшығының адресін жіберуге арналған шина
a. логикалық
b. басқару
c. адрестік
d. деректер
17.Берілген 14710+268=169? Өрнек нәтижесінің санау жүйесіндегі негізі
a. сегіздік
b. он алтылық
c. екілік
d. ондық+
18.Ақиқат кестесінде нәтижеге сай келмейтін Ғ функциясы


a.
b.
c.
d.
19.Суретте көрсетілген желі топологиясының түрі

a. жұлдыз
b. иерархия
c. шина
d. сақина
20.Реляциондық деректор қорындағы кестенің негізгі қасиеттерінің бірі
a. бір бағанның барлық мәндері әртүрлі дерек типіне жатады
b. кестедегі жолдар реті қатаң тәртіппен анықталған
c. кесте ішіндегі әрбір бағанның атауын 5 рет қайталауға болады
d. кестеде бағандардың орналасу тәрті маңызды емес
21.Электрондық кестеде сандарды мәтін түрінде форматтағанда ұяшықтың туралануы
a. сол жақ шеті бойынша
b. орта бойынша
c. оң жақ шеті бойынша
d. жоғарғы шеті бойынша
22.Электрондық кестеде В8 ұяшығына ашылмалы тізім ұйымдастыру үшін белгіленуі қажет ұяшықтар диапазонын анықтаңыз

a. А2:А6
b. В1:G1
c. B2:G6
d. A1:A6
23.Деректер қорында books кестесін құру үшін жазылатын, дұрыс командалар жолын анықтаңыз

a. CREATE TABLE books (kitap_id bool,kitap_aty integer(20),avtory VARCHAR(20),bagasy float);
b. CREATE TABLE books (kitap_id integer,kitap_aty VARCHAR (20),avtory VARCHAR(20),bagasy integer);
c. CREATE TABLE books (kitap_id bool,kitap_id, kitap_aty integer(20), avtory VARCHAR(20),bagasy integer);
d. CREATE TABLE books (kitap_id integer,kitap_id, kitap_aty integer(20), avtory VARCHAR(20),bagasy integer);
24.Excel кестесінде мына ұяшықтарға сандар жазылған А1-3,А2-3,В2-100,С1-450. А4 ұяшығына =МАКС(А1:В2)+$C$1 формуласы жазылған. Есептеу нәтижесін көрсетіңіз
a. 556
b. 450
c. 550
d. 156
25.HTML тілінде абзацтың басы мен соңын белгілейтін тегтер
a. <caption>, </caption>
b. <p>,</p>+
c. <h1>,</h1>
d. <ul>,</ul>
Алижанға мектепішілік олимпиадада математикалық функцияның мәнін есептеуге арналған тапсырма түсті.Тапсырманы орындау үшін программа жазды, бірақ іске қосылғанда алгоритмі дұрыс болғанымен , синтаксистік қате бар екендігі белгілі болды. Тапсырманы дұрыс орындауына көмектесу керек

26.Программадағы if x>0: операторының қызметі
a. бүтін санды енгізу
b. шартты тексеру
c. бөлшек санды енгізу
d. келесі қадамға өту
27.х=10 болғанда Алижанның алгоритмі бойынша у-тің мәні
a. 10
b. 30
c. 40
d. 20
28.Программада қолданылған алгоритм түрі
a. циклдік
b. тармақталу
c. сызықтық
d. көмекші
29.Программаны қосқанда <Type Error:’>’ not supported between instances of ‘str’ and ’int’” деген қате шықты. Қате болмауы үшін ұсынылатын дұрыс нұсқа
a. y=x+10
b. x=int(input())
c. if x==0:
d. if x>0:
30.Программадағы программалау тілінде дұрыс жазылмаған шарт
a. х==0
b. х=0
c. х>0
d. x<0
31.Берілген құрылғылардың атауы мен қызметінің сәйкестігін табыңыз
1.

2.

a. Ақпаратты өңдеуге арналған құрылғы
b. ақпаратты сақтауға арналған құрылғы
c. жедел есте сақтау құрылғысы
d. программалар мен деректерді ұзақ уақыт сақтауға арналған құрылғы
32.Логикалық операциялардың анықтамаларын сәйкестендір
1. егер аргументтердің жоқ дегенде біреуі ақиқат мән қабылдаса, онда мән ақиқат, кері жағдайда жалған болады
2. егер аргументтердің барлығы ақиқат мән қабылдаса, онда мән ақиқат, кері жағдайда жалған болады
a. инверсия
b. дизъюнкция
c. конъюнкция
d. импликация
33.Деректер қорының түрлері бойынша жіктелуінің сәйкестігін анықтаңыз
1. Деректерді сақтау түрі бойынша
2. Сақталған деректер түрі бойынша
a. орталықтандырылған және таратылған
b. иерархиялық және желілік
c. фактографиялық және құжаттық
d. реляциялық және реляциялық емес
34.Берілген программа үзіндісіндегі сұрыптау әдістерін сәйкестендір
1.

2.

a. көпіршік
b. кірістіру
c. таңдау
d. жылдам
35.Берілген ақиқат кестелері және логикалық өрнектер арасындағы дұрыс сәйкестікті анықтаңыз
1.

2.

a. X AND Y AND NOT Z
b. NOT X AND Y AND NOT Z
c. X AND NOT Y AND NOT Z
d. X AND NOT Y AND Z
36.Кестедегі бастапқы кілт бола алатын өрістер (поля)

a. мекен-жайы
b. оқушының аты-жөні
c. сыныбы
d. туған жылы
e.ID
f.телефон номері
37. 5710 санын екілік және сегіздік жүйеге ауыстырғандағы нәтиже
a. 10010012
b. 718
c. 101102
d. 258
e.158
f.1110012
38. Нормализацияланған кестедегі кілттік өріс(-тер)

a. модель
b. түсі
c. жылы
d. авто
e.шығарушы ел
f.марка
39. А*(⌐В) формуласы бойынша құрылған ақиқат кестесі

a.
|
А*(⌐В) |
|
1 |
|
1 |
|
0 |
|
0 |
b.
|
А*(⌐В) |
|
0 |
|
1 |
|
0 |
|
0 |
c.
|
А*(⌐В) |
|
1 |
|
1 |
|
0 |
|
1 |
d.
|
А*(⌐В) |
|
0 |
|
1 |
|
1 |
|
0 |
e.
|
А*(⌐В) |
|
1 |
|
1 |
|
1 |
|
1 |
f.
|
А*(⌐В) |
|
0 |
|
0 |
|
0 |
|
0 |
40. Берілген Html кодта құжат тақырыбын көрсететін тег

a. <head>
b. </head>
c. </html>
d. <title>
e. <html>
f. . </title>
7-нұсқа
1. Кітапта 300бет, эр бетінде 60 символдан тұратын45 жол бар. Осы кітаптағы символдар саны қанша килобайт ақпарат болады?
A) 791,02 Кбайт
B) 810000Кбайт
C) 792,02 Кбайт
D) 81Кбайт
2.Программалау соңында қандай нәтиже шығады?

A) "O-ge ten"
B) "on san"
C) "teris san"
D) 0
3. Диаграмманың қай түріне жатады?

А) Графика
В) Күн сәулесі
С) Жапырақша
D) Биржалық
4. Сегіздік санау жүйесі қанша разрядтан тұрады?
А) 4 разряд
B) 3 разряд
С) 2 разряд
D) 8 разряд
5. Маска дегеніміз-..
А) Желідегі компьютердің номерінен желілік адресті білуге мүмкіндік беретін үлгі
B) Кішігірім немесе ауқымды желі құруға мүмкіндік беретін IP хаттамалары.
С) Ауқымды желісі IP желі дара жагдайы
D) Интернет кызметтері комегмен курылган шкі колдануга арналган корпоративті ІР-желі
6. Он алтылық санау жүйесін 15AF16 ондық санау жүйесіне келтіріңіз.
A) 555110
B) 256810
C) 15510
D) 145810
7. Логикалық қосу қалай аталады?
А) Инверсия
В) Дизьюнкция
СІ Коньюнкния
D) Импликация
8. Логикалық схемаға қандай функция сәйкес келеді.

A) XAY
B) X A(X A Y)
C) YVX
D) XA-Y
9 . Желілік топология негізінде және белгілі бір ережелерді басшылыққа ала отырып, желінің құрамдас бөліктеріне желілік деңгейдегі пакеттерді жіберу туралы шешім қабылдайтын желілік құрылымы.
А) Модем
B) Коммутатор
С) Бағдарлауыш
D) Желілік түйін
10. Логикалық амалдарды орындаудағы басымдықтардың дұрыс реттілігі жазылған нұсқаны белгілеңіз.
A) Инверсия, конъюнкция, дизъюнкция, жақша іші
B) Логикалық терістеу, логикалық көбейту, жақша іші, логикалық қосу
C) Логикалық көбейту, жақша іші, логикалық қосу, жақша іші
D) Жақша іші, инверсия, конъюнкция, дизъюнкция
11. Деректер базасының құрылымы:
А) мәліметтер базасы - > кестелер - > жазбалар
B) кестелер - > жазбалар - > мәліметтер базасы
С) мәліметтер базасы - > жазбалар - > кестелер
D) деректер базасы - > жазбалар
12. Өлшемі 1500 Кбайт файл 5 минутта тасымалданады. Желінің тасымалдау жылдамдығын анықтаңыз.
А) 40960 бит/с
B) 30254 бит/с
С) 25487 бит/с
D) 45000 бит/с
13. Суретте бейнелеген аналық тақшаның қандай құрылғысы?

А) Бейнекарта
В) Желілік тақша
С) Дыбыстық тақша
D) Чипсет
14. "Бір тәулікте 24 сағат бар" ақпараттың қасиетін анықтаңыз.
A)Нақтылық
В) Нақты емес
С) Құндылық
D) Субъективті
15. Жүйелік ПЖ-ға не жатады?
A) Мәтіндік редакторлар
B) Операциялық жүйелер
C) Программалау тілдері
D) Тұтынушы программалары
16. <FONT> тегінің көмегімен біз мәтіннің....
А) Беттін фонын өзгерту үшін
В) Абзац енгізу үшін
С) Мәтінді беттің ортасына орналастыру үшін
D) Қаріпін, көлемін, түсін белгілейміз
17. ЦЕЛОЕ() функциясының атқаратын қызметін анықтаңыз.
A) Квадрат түбірдің мәнін анықтайды
B) Бөлу нәтижесінің бүтін бөлігін қалдықсыз береді
C) Санды көрсетілген дәлдікпен ең жақын разрядқа дейін дөңгелектейді
D) Бөлу нәтижесінің қалдығын береді
18. <BODY BGCOLOR =yellow TEXT =blue мынау тегтер нені білдіреді
A) BGCOLOR =yellow құжаттың фоны -сары, ал ТЕХТ =blue мэтіннің түсі көк
B) BGCOLOR =yellow мәтін сары, ал ТЕХ=blue фон көк
C) BGCOLOR =yellow KecTe, TEXT =blue кестедегі сызық көк
D) BGCOLOR =yellow қаріптің түсі-сары, ал ТЕХТ =blue мәтіннің түсі көк
19. 11111012 санын позициялық түрге келтіріңіз
a.10410
b.12510
c.17510
d.14510
20. А массиві үшін максимум мәндерді іздеу шарты:
A)A[i]<max
B)A[i] >max
C)A[i]%==max
D)A[i] ==max
21. Жергілікті желілердің қызметі
A)желідегі барлық компьютерлерді басқару
B)желідегі компьютерлердегі ақпаратты өңдеу
C)желідегі компьютерлердің бірлесіп жұмыс істеуін қамту
D)ортақ қатынас құру
22. Кестедегі типтік диаграммаға не жатпайды?
A) дөңгелек
B) тор
C) гистограмма
D) нүктелік
23. Веб-браузердегі HTML құжаттың файл кеңейтілімі:
A).txt
B).html
C). png
D).xls
24. Абсолютті сілтемені көрсетіңіз
A) R$5
B) $F9
C) $D$14
D) D$9
25. Шамаларды өсу ретімен орналастырыңыз: 3072 бит, 2000 байт, 2 бит, 2 байт, 400 байт, 2 Кбайт
А) 2 бит, 2 байт, 3072 бит, 400 байт, 2000 байт, 2 Кбайт
В) 3072 бит, 2000 байт, 2 бит, 2 байт, 400 байт, 2 Кбайт
С) 2 бит, 2 байт, 2000 байт, 2 Кбайт, 3072 бит, 400 байт
D) 2 бит, 2 байт, 2 Кбайт, 400 байт, 2000 байт, 3072 бит
26. Программалауда қанша өлшемді массив берілген.

A)Бірөлшемді
B)Екіөлшемді
C)Үшөлшемді
D)Көпөлшемді
27. B=sorted(A) программалық код орындалғанда
А) Өсу ретімен орналастырады
B) Кему ретімен орналастырады
C) Ең үлкен санды шығарады
D) ең кіші санды шығарады
28. Программада кездейсоқ сандарды генерациясын алу үшін қандай функция қолданылған.
-
range
-
randint
C) random
D) brint
29. А[i] масивтің индексің көрсетіңіз.
A) i
B) A
C) 0
D
)
30. C=sorted(A,reverse=True) программалық код орындалғанда.
А) Өсу ретімен орналастырады
В) Кему ретімен орналастырады
С) Ең үлкен санды шығарады
D) Ен кіші санды шығарады
31.Программа коды мен нәтижесін сәйкестендіріңіз
1. 
2.
-
0
-
1
-
2
-
3
32.Жолдық әдістер мен олардың қызметтерін сәйкестендір
1.Жолдың тек сандардан тұратынын тексереді
2.Жолдың тек әріптерден тұратынын тексереді
-
s.isdigit()
-
s.isalpha()
-
s.islower()
-
s.isupper()
33. Суретті туралау атрибуттары мен сипаттамасын сәйкестендіріңіз
1.Суреттің жоғарғы және төменгі жақтарындағы бос аймақ мөлшерін пиксельмен береді
2.Суреттің сол және оң жақ шеттеріндегі бос аймақ мөлшерін пиксельмен береді
-
height
-
width
-
vspace
-
hspace
34. Процессордың негізгі сипаттамалары мен анықтамаларын сәйкестендір
1.Процессордың машиналық сөз сақталатын ұяшық жады
2.Бір тактіде процессор өңдей алатын бит саны
-
регистрлер
-
разрядтылық
-
тактілік жиілік
-
адрестік кеңістік
35. Excel-дегі адрестер мен сипаттамаларын сәйкестендір
1.Формуланы көшіру барысында ұяшықтың адресі өзгереді
2.Формула көшірілген кезде ұяшық адресі өзгермейді
-
Салыстырмалы адрес
-
Абсолюттік адрес
-
Ұяшықтар адресі
-
Аралас адрес
36.Массив түрлері.
А) Бірөлшемді
B) Жартыөлшемді
C) Екіөлшемді
D) Көпөлшемді
E) Реттікөлшемді
F) Ретсізөлшемді
37. 11102 мен 10012 екілік сандарының қосындысын табыңыз
A) 101112
B) 11102
C) 111112
D) 110002
E) 110102
F) 10102
38. Санау жуйесінін белгіленуін көрсетіңіз
А) Резиденттік
B) Позициялық
C) Эквиваленттік
D) Резиденттік емес
Е) Позициялық емес
F) Эквиваленттік eмес
39. Электрондық кестеде статистикалық функцияны көрсетіңіз
А) КОРЕНЬ
B) ГРАДУСЫ
C) MAK
D) ЕСЛИ
Е)СРЗНАЧ
F) И
40. HTML бетіне сценарий қосу дескрипторы
A) <script type=”text/javascript”></script>
B) <AUDIO SRC=”sound.wav”></AUDIO>
C) <div id=”home”>
D) <link rel=”stylesheet” type=”text/css” =”стиль адресі”>
E) <p style=”font-size:120%;font-family:monospace;”>
F) <s></s>
8-нұсқа
1. Мәтіндік құжаттағы бір символдың өлшемі
A) 1 байт
B) 1 бит
C) 8 байт
D) 1 Мбайт
2. Дер кезінде берілген, ақпараттың уақыт ағымына сәйкестігін анықтайтын ақпараттың қасиеті
A) құндылығы
B) анықтылығы
C) өзектілігі
D) қолжетімділігі
3. =Сумм(A1:E1) формуласы берілген. Функция қандай қызмет атқарады ?
А) А1 және E1 ұяшықтарында орналасқан мәндердің қосындысы
В) А1 және Е1 диапазонында орналасқан сандардың мәндердің қосындысы
C) A1-ді E1 ұяшықтарына бөлгендегі жекелік
D) Al және E1 ұяшықтарында сандық мәндердін ортақ мәні
4. Компьютердің жады:
A)стандартты
B) регистрлік
C) сыртқы
D) бақылаушы
5. Байланыс арналарының ақпарат тасымалдау жылдамдығының өлшем бірлігі.
А) Бит
В) Байт
С) Бод
D) Бюд
6. Сегіздік санау жүйесін 3578 ондық санау жүйесіне келтіріңіз.
A) 23910
B) 13910
C) 33910
D) 43910
7. Логикалық көбейту қалай аталады?
А) Инверсия
В) Дизъюнкция
С) Конъюнкция
D) Импликация
8. Х санының көрсетілген мәндерінің қайсысы үшін өрнек ақиқат
(X > 1) /\ (X < 3)
A) 1
B) 2
C) 3
D) 4
9. Unicode кодтауда әр таңбаға екі байт белінеді. Осы кодтаудағы жиырма алты таңбадан тұратын сездің ақпараттық көлемін анықтаныз.
А) 396 бит
В) 198 бит
C) 416 бит
D) 52 бит
10. Суретте бейнелеген аналық тақшаның қандай кұрылғысы?

А) Бейнекарта
В) Желілік тақша
C) Дыбыстық тақша
D) Чипсет
11. Тұрақты жадының манызды микросұлбасы.
A) RAM
B) RUM
C) BIOS
D) API
12. Өлшемі 200 Кбайт файлды 25000 бит/с жылдамдықпен қанша уақыт ішінде тасымалдауға болады?
A) 65,5 c
B) 0,008 c
C) 55,5 c
D) 0,8 c
13. 5710 санын сегіздік жүйеге ауыстырғандағы нәтиже
a. 738
b. 718
c. 178
d. 258
14. Диаграмманың қай түріне жатады?

A) Графикалық
В) Аймақтармен
С) Үстінгі бөліктер
D) Нүктелермен
15. SQL-де кестедегі өрісті жою қызметі дұрыс жазылғанды табыңыз.
A) DROP Users COLUMN name;
B) SELECT Users DROP COLUMN name;
C) ALTER TABLE Users DROP COLUMN name;
D) TRUNCATE Users DROP COLUMN name;
16. Программалау соңында қандай натиже шығады.
a= 's'
b= 'S'
print(a==b)
A) 0
B) 1
C) True
D) False
17. Кестені кұруға кандай SQL операторы жауап береді.
A) ALTER
B) CREATE
C) MAKE
D) DROP
18. Html-де кесте тұрғызу үшін қандай тегтерді пайдаланамыз?
A) <TH>, </TH>
B) <TABLE>, </TABLE>
C) <TR>, </TR>
D) <TD>, </TD
19. Сүзгілеуді қолдану үшін берілген әдісті таңдаңыз.
А) Деректер-Сұрыптау және сүзге-Сүзгілеу
В) Формулалар-Сұрыптау және сүзге-Сүзгілеу
С) Кірістіру-Сұрыптау және сүзге-Сүзгілеу
D) Басты-Сұрыптау және сүзге-Сүзгілеу
20. Html-де абзац енгізу үшін қандай тегтерді колданады?
A) <HTML>, </HTML>
B) <P>, </P>
C) <HI>, </H1>
D) <BR>
21. Кітаптың 250 беті, әр бетінде 64 символдан тұратын 36 жол бар. Осы кітаптың бір бетіндегі ақпараттың көлемін Кбайт бойынша есептеңіз.
A) 2700 Кбайт
B) 2304 Кбайт
C) 21600 Кбайт
D) 2,25 Кбайт
22. Қашықтағы компьютерлермен байланыс үшін немесе компьютерді телефон желісіне жалғау үшін колданылатын кұрылғы.
А) Модем
В) Коммутатор
С) Бағдарлауыш
D) Желілік түйін
23. Программалау соңында қандай нәтиже аламыз.
x = True
y = False
z = False
if not x or y:
print(1)
elif not x or not y and z:
print(2)
elif not x or y or not y and x:
print(3)
else:
print(4)
А) 1
B) 2
C) 3
D) 4
24. Python программалау тіліндегі цикл нұсқаулығы
a.def
b.for
c.break
d.while
25. img тегінің атрибуты бола алады
a.
b.style
c.div
d.rel
26. Программалауда қанша өлшемді массивпен жұмыс жасалған.

А) Бірѳлшемді
В) Екіөлшемді
C) Көпөлшемді
D) Үшөлшемді
27. Программада кездейсоқ сандардың генерациясын алу үшін қандай функция қолданылған.
A) range
B) randint
C) random
D) print
28. Программалау соңында қандай нәтиже шығады?
А) Ең кіші сан
В) Ең үлкен сан
С) Оң сан
D) Tepic caн
29. Программалауда қандай цикл операторы қолданылған?
A) for
B) if
C) random
D) a[]
30. if операторының мағынасы.
А) Әйтпесе
B) Erep
C) Иә
D) Жоқ
31. Жолдық әдістер мен олардың қызметтерін сәйкестендір
1.Жолдың тек төменгі регистор әріптерінен тұратынын тексереді
2.Жолдың тек жоғарғы регистор әріптерінен тұратынын тексереді
-
s.isdigit()
-
s.isalpha()
-
s.islower()
-
s.isupper()
32. Программа нәтижесіне қарап қандай әдіс пайдаланылғанын анықтаңыз.
1.

2.

-
count
-
find
-
strip
-
replace
33. Excel-дегі адрестер мен сипаттамаларын сәйкестендір
1.Формуланы көшіру барысында ұяшықтың адресі өзгереді
2.Формула көшірілген кезде ұяшық адресі өзгермейді
-
Салыстырмалы адрес
-
Абсолюттік адрес
-
Ұяшықтар адресі
-
Аралас адрес
34. Шарттар мен түсініктемелері арасындағы сәйкестікті анықтаңыз.
1.if a%5==3:
2.if a%3==2:
-
Санды 5-ке бөлгенде 3 қалдық қалатын санды анықтайды
-
Санды 3-ке бөлгенде 2 қалдық қалатын санды анықтайды
-
Санды 5-ке бөлгенде 3 бүтін шығатын санды анықтайды
-
Санды 3-ке бөлгенде 2 бүтін шығатын санды анықтайды
35. Логикалық амалдар мен логикалық өрнектер арасындағы сәйкестікті анықтаңыз
1.Логикалық қосу
2.Логикалық терістеу
-
X and Y
-
X and Y
-
Not X
-
X and Y or X
36. F өрнегінің ақиқат кестесінің үзіндісі берілген. Қандай өрнек F өрнегіне сәйкес келеді.
|
X |
Y |
Z |
F |
|
1 |
0 |
1 |
1 |
|
1 |
1 |
0 |
0 |
|
1 |
1 |
1 |
0 |
A) -(X^Y)VZ
B) XV-Z->-Y
C) X^YV-Z
D) -(X^Y)V-Y^-Z
E) (X^Y)V-Y^-Z
F) X^-YVZ
37. Жалпы желі-дербес компьютердің қандай құрылғыларымен байланысқан жиыны бола алады.
А) Пернетақта
В) Концентратор
C) Принтер
D) Модем
Е) Маршрутзатор
F) Есеп құрылғылары
38. 100 және 101- ондық сандарды екілік сандарға түрлендіріңіз.
А) 1011110
B) 111100
C) 1100101
D) 1010101
Е) 1100100
F) 1111101
39. Деректер базасының құрылымы.
А) Реляциялық
В) Сандық
C) Иерархиялық
D) Акпараттық
Е) Желілік
F) Мәтіндік
40. Позициялық емес санау жүйесін көрсетіңіз:
A) Сегіздік санау жүйесі
В) Римдік санау жуйесі
С) Екілік санау жуйесі
D) Он алтылық санау жүйесі
E) 756
F) XVI
9-нұсқа
1.Компьютер – бұл …… ?
-
Сандық ақпаратты автоматты өңдеуге арналған құрылғы
-
Ақпаратты сақтауға арналған құрылғы
-
Басқаруды жүзеге асыратын бағдарламалық құралдардың жиынтығы ақпараттық ресурстар
-
Мәтіндік және графикалық ақпараттың кескіндері
2. Электрондық кестеде А1:С4 ұяшықтарының ауқымы көрсетілген.Бұл ауқым қанша ұяшықтан тұрады?
-
18
-
12
-
11
-
9
3. Екілік сандар
жүйесіндегі
+
.
өрнегінің
мәні:
4. Суреттегі блок сызбаның сипаттамасы:

-
Алгоритм басы және соңы
-
Есептегіш
-
Әрекетті орындау шарты
-
Деректерді енгізу және шығу
5. HTML құжатында сызықтарды сызатын Тег.
-
<TH>… </TH>
-
<HR>…</HR>
-
<Href>…</Href>
-
<OL>…</OL>
6. Paint графикалық қосымашында жасалған файлды кеңейтілуі.
-
.ppt
-
.doc
-
.xlc
-
.bmp
7. Морган Заңы боынша
логикалық өрнектің мәні
тең.
8. Веб-бетке гиперсілтеме енгізу қандай тегпен орнатылады.
-
<font color=”…”> </font>
-
<img src=”…”>
-
<a =”…”> </a>
-
<a name=”…”></a>
9. Пиксель түрінде графикалық ақпаратты ұсыну.
-
Векторлық графика
-
Компьютерлік графика
-
Векторлық және расторлық графика
-
Сызықтық графика
10.Мультимедиа-….
-
бағдарламалық жасақтама басқаруындағы инженерлік схемалар мен анимациялық бағдарламалардың өзара іс-қимылы
-
анимациялар,эффектілер,арнайы бағдарламалар, бағдарламааралық интерфейсі
-
интерактивті бағдарламалық жасақтамамен басқарылатын визуалды және дыбыстық эффектілердің өзара әрекеттесуі
-
суреттер, деректер, анимациялар және мәтіндік ақпарат
11. Электрондық пошта мекенжайында абонент аты мен доменді бөлу үшін белгі қолданады.
-
&
-
$
-
.
-
@
12. Сымсыз байланыс желісін көрсетіңіз
A) Қосақталған кабель
B) Радиобайланыс
C) Коаксиалды кабель
D) Оптикалық кабель
13. Суретті HTML құжатына енгізу үшін қолданылатын пәрмен.
-
<img src=”ris.jpg”>
-
<body background=”ris.jpg”>
-
<a =”ris.jpg”>
-
<input=”ris.jpg”>
14. Сайтты жасауға болады?
-
C++ бағдарламалау тілінде
-
Паскаль бағдарламалау тілі
-
HTML гипермәтінді белгілеу тілі
-
Электрондық кестелермен
15.SQL-де DROP мен TRUNCATE арасындағы аырмашылық не?
-
TRUNCATE-кестені тазартады, ал DROP-кестені немесе жазбаны жояды /
-
DROP-дерекқорды жояды, ал TRUNCATE-кестелерді жояды
-
DROP-кестені тазартады, ал TRUNCATE-жояды
-
Екі оператор да бір-біріне ұқсас
16. Excel-де A7, B10 және B17 ұяшықтарындағы берілген мәндердің арифметикалық ортасын есептеу формуласы қандай болады?
A) СРЗНАЧ(A7;B10:B17)
B) СРЗНАЧ(A7:B10:B17)
C) СРЗНАЧ(A7;B10;B17)
D) СРЗНАЧ(A7:B17)
17. ….-ұйыммен жеке тұлғаларға интернет қызметтері ұсынатын компания.
-
Провайдер
-
Протокол
-
Виртуальды желі
-
Адаптер
18.Қолданыстағы дерекқорды жаңа кесте құру үшін функция пайдаланыңыз.
-
NEW TABLE
-
CREATE TABLE
-
MAKE TABLE
-
HAKE TABLE
19. Кестені құруға қандай SQL операторы жауап береді?
-
ALTER
-
INSERT
-
MAKE
-
CREATE
20. Деректер базасының құрылымы.
-
кестелер-> мәліметтер базасы-> жазбалар
-
кестелер-> жазбалар-> мәліметтер базасы
-
мәліметтер базасы-> жазбалар-> кестелер
-
мәліметтер базасы-> кестелер-> жазбалар /
21. Тізімдерді құруға арналған тегтер қатарын көрсетіңіз.
A) <head>…</head>
B) <ol>…</ol>
C) <SUB>…</SUB>
D) <h1>…</h1>
22. Логикалық схемаға сай логикалық өрнекті және мәнін анықтаңыз
А=0 және В=1

A) F=(AvB)v(BvA)=1
B) F=(AvB)^(BvA)=0
C) F=(A^B)v(B^A)=1
D) F=(A^B)v(B^A)=0
23. Берілген нұсқалардың ішінен баған өзгермейтін аралас сілтемелерді таңдаңыз.
А) $C$5
В) $A45
C) B$66
D) $F$7
24. Бинарлық файлды оқу режимінде ашу үшін қандай код қолданылады?
A)
![]()
B)
![]()
C)
![]()
D)

25. Біркестелік деректер қорында MySQL құру командасының синтаксисін толықтырыңыз:
Create table ‘TableName’(‘fieldname’__________[қосымша параметр]);
a.create database
b.dataType
c.float
d.from
Python программалық тілінде берілген массивтегі ең үлкен және ең кіші мәндерді ауыстырыңыз.

26. Программада қанша өлшемді массивпен жұмыс жасалған?
A) Бір өлшемді
B) Екі өлшемді
C) Көп өлшемді
D) Үш өлшемді
27. Қандай цикл операторы қолданылған?
A) if
B) elif
C) for
D) min
28. # символы не үшін қолданылған?
A) Экран шығару үшін
B) Математикалық амалдар үшін
C)
Жай түсініктеме үшін
D) Сөзді келесі жолға түсіру үшін
29. Экранға шығару командасын қай функция атқарып тұр?
A) input
B) if
C) for
D) print
30. Программада n=10-ға деген өрнек қандай қызмет атқарады?
A) Массив саны
B) Жауап оңға тең болу
керек
C) Жауап оңға тең болмау керек
D) Жай сан
31. Сұрыптау коды мен түсініктемесі арасындағы сәйкестікті анықтаңыз.
1.A=sort()
2.A=sort(reverse=True)
-
А массивін өсу реті бойынша сұрыптап, В массивіне жүктейді
-
А массивін кему реті бойынша сұрыптап, В массивіне жүктейді
-
А массивінің өзінде өсу реті бойынша реттейді
-
А массивінің өзінде кему реті бойынша реттейді
32. Әдістер мен олардың қызметтерін сәйкестендір
1.i-нші элементті өшіріп, қайтарады.
2. i-нші элементтің алдына Х мәнін қосады
-
A.pop(i)(
-
A.remove(X)
-
A.insert(i,X)
-
A.count(X)
33. Бағдарламалық жасақтаманың сапа критерийлері мен анықтамаларын сәйкестендіріңіз
1.белгілі бір функцияларды белгілі бір уақыт аралығында сенімді түрде орындау мүмкіндігі
2.бастапқы деректерді дайындау, бағдарламалық жасақтаманы қолдану және алынған нәтижелерді бағалау үшін жұмсалатын күшті азайтуға, сондай-ақ белгілі бір пайдаланушының оң эмоцияларын туғызуға мүмкіндік беретін бағдарламалық жасақтаманың сипаттамалары
-
сенімділік
-
тиімділік
-
эргономикалық
-
мобильділік
34. Фон Нейман архитектурасының қағидаларын түсініктемелерімен сәйкестендір
1.Деректер мен орындаушы кодтардың бірге сақталуы
2.Компьютердің барлық жадындағы деректерге қолжетімділігі
-
екілік кодтау қағидасы
-
жадтың біркелкілік қағидасы
-
адрестік қағидасы
-
бағдарламалық басқару қағидасы
35. <audio> тегі атрибуттары мен қызметтері арасындағы сәйкестікті анықтаңыз.
1.Бейнені басынан бастап қайталау
2.ойнату үшін файлдың жолын анықтайды
-
loop
-
controls
-
autoplay
-
src
36. Программалау ортада қандай санды енгізсе <қате> деп шығады.
def Err():
print('kate')
n=int(input('san engiz='))
if n<=0:
Err()
A) 0
B) 1
C) -5
D) 100
E) -55
F) 9
37. Ақпаратты енгізу құрылғыларына мыналар жатады:
A)
Сканер
B)
Принтер
C)
Микрофон
D)
Пернетақта
E) Жүйелік блок
F) Монитор
38. Процессордың негізгі сипаттамалары:
A)
Ядролар саны
B)
Ауқымды
C)
Разрядтылығы
D)
Түрі
E)
Өңімділігі
F)
Тактілік жиілік
39. Python деректер түрлерін көрсетіңіз.
A) float
B) abs
C) for
D) int
E) sqrt
F) str
40. Санау жүйесінің түрлері:
A)
Жетілік санау жүйесі
B) Он алтылық санау жүйесі
C) Бестік санау жүйесі
D) Сегіздік санау жүйесі
E)
Ондық санау жүйесі
F) Төрттік санау жүйесі
10-нұсқа
1. Компьютердің негізгі конфигурациялары:
А) жүйелік блок, монитор, пернетақта, тінтуір
В) модем, пернетақта, жүйелік блок
С) пернетақта, жүйелік блок, динамик, принтер
D) принтер, тінтуір, пернетақта, жүйелік блок
2. Интернеттегі файлдарды қарауға арналған арнайы бағдарлама?
А) Іздеу менеджері (диспетчер поиска)
B) Сайт
С) Браузер
D) Іздеу жұмысы (поисковая система)
3. 1,5 Мбайт:
A) 1536 Кбайт
B) 1500 Гбайт
C) 1536 Тбайт
D) 1500 байт
4. Веб-беттін кеңейтілімі.
A) exe
B) .ppt
C) .html
D) .doc
5. Графикалық интерфейстін негізгі элементтерін көрсетіңіз.
А) Терезе, меню
В) Меню, жуйе
С) Жүйе, терезе
D) Меню , файл
6. Келесі кодты орындау нәтижесінде не пайда болады?
<?php
echo "Hello';
if (false)
echo "PHP "; echo " Certification";
echo "!!!";
A)Hello Certification!!
B) Hello PHP Certification!!!
C) HelloPHP Certification!!
D) Hello Certification!!!
7. Логикалык өрнектін мәні қандай (1v1) &(1v0)?
A) 0
B) 2
C) 1
D) 5
8. Логикалык өрнектін мәні қандай (1v1)&(0v 0)=?
A) 0
B) 1
C) 10
D) 2
9. А массиві үшін оң санын іздеу шарты:
A) A[i]<0
B) A[i]>0
C) A[i]<min
D) A[i]<max
10. Excel-де 1-ден 4 бағанға дейінгі 10 жолда орналаскан сандардын қосындысын есептеу формуласы.
A) СУММ(10, 1:4)
B) СУММ(А1:A4)
C). CУMM(A10:D10)
D) CYMM(A1:D10)
11. Кейбір елдерде 7 таңбадан тұратын автомобиль нөмірі кез-келген ретпен бас әріптерден (барлығы 30 әріп колданылады) және оңдык сандардан тұрады.Әр таңба бірдей және ең аз бит санымен, ал әр сан бірдей және ең аз байт санымен кодталады.32 автомобиль нөмірін сақтау үшін қажетті жад көлемін анықтаңыз.
A)160 байт
В)96 байт
C)224 байт
D)192 байт
12. Ең танымал реляциялық ДҚБЖ:
A) Opera
B) FoxPrо
C) Excel
D) Groove
13. АЛҚ(арифметикалық-логикалық құрылғы) орындамайтын операция:
A) Логикалық түрлендіру
B) Екілік кодты қолдану
C) Ақпаратты сақтау қызметін атқарады
D) Әліпбилік-сандық символдарды өңдейді
14. HTML құжатында такырыптың өлшемін қандай тегтер белгілейді.
A) <p></p>
B) <img srс="name">
C) <v></v>
D) <h1></h1>
15. Бүкіл кестені жою үшін қандай SQL операторы жауап береді?
A) DELETE
B) ALTER
C) UPDATE
D) DROP
16. Абсолютті сілтемені көрсетіңіз
A) A$4
B) SA4
C) SA$4
D) A4
17. Unicode кодтауда әр таңбаға екі байт бөлінеді.Осы кодтаудаты жиырма алты таңбадан тұратын сөздін ақпараттық көлемін анықтаңыз.
А) 416 бит
B) 396 бит
С) 198 бит
D) 104 бит
18. 356 санын негіздеуші 8 қосындысы түрінде жазыныз.
A) 3*82 + 5*81 + 6*80
B) 3*82 + 5*8' +6*80
C) 3*8°+ 5*8' + 6*82
D). 3*81+ 5*82+6*83
19. Persons кестесінен барлық мәндерді таңдау сұранысы.
A) SELECT ALL Persons
B) SELECT Persons
C) SELECT + FROM Persons
D) SELECT * FROM Persons
20. "ID"идентификатор өрісінін түрі дұрыс көрсетілгені
A) id INTEGER
B) id FLOAT
C) id CHAR
D) id INT
21. «Негізгі кестенің бір жазбасына бағынышты кестенің бірнеше жазбасы сәйкес келеді» берілген тұжырым кестелер арасындағы байланыстың қай түріне сәйкес келеді?
A) 1:1
B) K:K
C) K:1
D) 1:K
22. Мәтін ақпаратты тасымалдау құрылғысында 0,25 Кбайт орын алады. Юникод кодтау кестесі бойынша мәтінді қанша таңба бар екенін анықтаңыз?
A) 32
B) 15
C) 16 +
D) 8
23. Берілген ақпараттың уақыттылығы, маңыздылығы және мәнділігімен сипатталатын ақпараттың қасиетін анықтаңыз.
A) Өзектілік +
B) Нақтылық
C) Анықтылық
D) Құндылық
24. IP адресте ең көп пайдаланылатын үш маска бар. Берілген нұсқалардан В класының маскасын көрсетіңіз.
A) 255.0.0.0
B) 255.255.255.255
C) 255.255.255.0
D) 255.255.0.0
25. Қолданбалы деңгейдегі хатттамалардың бірі: файлды тасымалдау - …
A) HTTP
B) SMTP
C) FTP
D) IMAP
Есептеу басталады,онда әрбір k-ші адам шеңберден шығады,содан кейін есеп одан кейінгі адамнан жалғасады. Соңғы шеңберде қалатын адамның санын анықтайтын бағдарлама жазылған.

26. Бағдарламада қандай цикл операторын қолданылған.
A) Last
B) While
C) For
D) Range
27. Бірнеше рет қайталанып орындалатын белгілі бір іс-әрекеттерді сипаттайтын алгоритмдер тобы.
А) Циклдік алгоритм
В) Шартты алгоритм
С) Логикалық алгоритм
D) Сызыктық алгоритм
28. For операторы жұмыс жасау үшін қандай функциямен бірге қолдану керек;
A) In()
B) Integer0
C) Range()
D) Print
29. Бағдарламада п=9, к=3 болса қандай мән шығады.
A) 12
B) 11
0) 10
D) 1
30. Цикл денесін көрсетіңіз.
A) last = (last + k) % i
B) for i in range(1, n + 1)
C) last + k % i
D) k = int(input0), int(input0)
31. <audio> тегі атрибуттары мен қызметтері арасындағы сәйкестікті анықтаңыз.
1.Бет ашылғанда файл бірден ойнайды
2.Аудиоға басқару панелін қосады
-
loop
-
controls
-
autoplay
-
src
32. CSS синтаксисі мен сипаттамасымен сәйкестендір
1..col{background-color:Red;}
2..cat{background-image:url(img/cat1.gif)}
-
Шекараның түсін орнатады
-
Шекаралар үшін стильдерді орнатуға мүмкінідк береді
-
Элементтің фон түсін орнатады
-
Суретті фон ретінде пайдалануға мүмкіндік береді
33. Компьютердің ішкі құрылғылары суреттері мен анықтамаларын сәйкестендір
1.

2.

-
Орталық процесссор, жедел жад микросхемалары, дыбыстық және бейнекарталар сияқты компьютердің ішкі құрылғылары оналастырылған негізгі мөрлі тақша
-
Көптеген жартылай өткізгішті элементтерден тұратын, компьютерде барлық есептеу мен ақпарат өңдеу жұмыстарын жүргізетін электронды микросхема
-
Кернеуі, жиілігі, қуаты белгілі электр энергиясымен компьютерді жасақтайтын құрылғы
-
Компьютер құрылғылары арасындағы электрлік сигналдарды басқаратын әрі олар арқылы деректер тасымалдауды жүзеге асыратын жалғастыру арналары
34. Excel-дегі математикалық функциялар мен олардың қызметтерін сәйкестендір
1.квадрат түбірдің оң мәнін анықтайтын функция
2. радианды градусқа айналдырады
-
ABS()
-
КОРЕНЬ()
-
ЗНАК()
-
ГРАДУСЫ()
35. Python-да файлдармен жұмыс жасау әдістері мен сипаттамасын сәйкестендір
1.Ашық файлды жабады
2.Файлдың бүтін санды дескрипторын қайтарады
-
File.flush()
-
File.close()
-
File.issaty()
-
File fileno()
36. Электрондык кестеде формуланын мәні = СРЗНАЧ (А4: С4) 5-ке тен. Егер Д4 ұяшығының мәні 6 болса, формула =СУММ(А4:D4) неге тен?
A) 11
B) 16
C) 21
D) 18
E) 8
F) 22
37. Бір мекеме ішіндегі компьотерлерді біріктіретін желі.
А) Аймақтық
В) Жергілікті
С) Қалалық
D) Жаландық
Е) Дүние жүзілік
F) Корпоративтік
38. Компьютердін негізгі функциялары
A) Processing (өңдеу)
B) Simplicity (қарапайымдылық)
C) Control (басқару)
D) Visibility (көрнекілік)
E) Memory(сақтау)
F) Playback (ойнату)
39. Бағдарламаның үзіндісі берілген

Бұл цикл қанша рет орындалатынын және оны орындау нәтижесін анықтаныз.
A) 45
B) 12 рет
C) 55
D) 10 рет
E) 50
F) 9peт
40. Процессордың ішінде шина түрлері:
А) Деректер шинасы
В) процессор шинасы
С) жүйелік шинасы
D) орташа шинасы
Е) адрестік шинасы
F) басқару шинасы
Жауаптары
|
№ |
1-нұсқа |
2-нұсқа |
3-нұсқа |
4-нұсқа |
5-нұсқа |
6-нұсқа |
7-нұсқа |
8-нұсқа |
9-нұсқа |
10-нұсқа |
|
1 |
C |
B |
С |
C |
B |
B |
A |
A |
C |
A |
|
2 |
D |
D |
B |
B |
B |
C |
C |
C |
B |
C |
|
3 |
B |
D |
A |
A |
A |
A |
C |
B |
C |
A |
|
4 |
B |
A |
D |
B |
B |
A |
B |
C |
C |
C |
|
5 |
B |
A |
D |
B |
D |
B |
A |
C |
B |
A |
|
6 |
C |
D |
D |
B |
B |
C |
A |
A |
D |
D |
|
7 |
C |
A |
D |
A |
C |
A |
B |
C |
A |
C |
|
8 |
C |
C |
C |
C |
B |
B |
A |
B |
C |
B |
|
9 |
B |
C |
D |
B |
B |
C |
C |
C |
C |
B |
|
10 |
B |
D |
C |
B |
D |
B |
D |
C |
C |
C |
|
11 |
C |
B |
D |
A |
B |
D |
A |
C |
D |
D |
|
12 |
B |
B |
B |
B |
C |
B |
A |
A |
B |
B |
|
13 |
B |
C |
B |
D |
A |
B |
B |
B |
A |
D |
|
14 |
B |
B |
D |
C |
A |
A |
A |
D |
C |
D |
|
15 |
C |
B |
D |
A |
B |
A |
B |
C |
A |
D |
|
16 |
C |
C |
D |
D |
D |
C |
D |
D |
C |
C |
|
17 |
B |
C |
C |
B |
C |
D |
С |
B |
A |
A |
|
18 |
A |
A |
C |
A |
D |
B |
A |
B |
B |
B |
|
19 |
C |
C |
A |
C |
B |
C |
B |
A |
D |
D |
|
20 |
B |
D |
A |
D |
B |
D |
B |
B |
D |
D |
|
21 |
B |
C |
C |
B |
C |
A |
C |
D |
B |
D |
|
22 |
A |
A |
B |
A |
D |
A |
B |
A |
C |
C |
|
23 |
A |
D |
A |
C |
D |
B |
B |
C |
B |
A |
|
24 |
D |
C |
C |
A |
A |
C |
C |
C |
C |
D |
|
25 |
B |
A |
C |
C |
D |
B |
A |
B |
B |
C |
|
26 |
B |
B |
A |
B |
A |
B |
A |
A |
A |
C |
|
27 |
D |
B |
C |
C |
D |
D |
A |
B |
C |
A |
|
28 |
D |
B |
B |
D |
A |
B |
B |
B |
C |
C |
|
29 |
B |
C |
C |
D |
A |
B |
A |
A |
D |
D |
|
30 |
D |
D |
A |
B |
B |
B |
B |
B |
A |
B |
|
31 |
AD |
BD |
CB |
BC |
BC |
AC |
CA |
CD |
CD |
CB |
|
32 |
AB |
BD |
CB |
DA |
AD |
BC |
AB |
BA |
AC |
CD |
|
33 |
DB |
AD |
BC |
BA |
DA |
AC |
CD |
AB |
AC |
CB |
|
34 |
AC |
BA |
AC |
BB |
AD |
AC |
AB |
AB |
BC |
BD |
|
35 |
AB |
BC |
AC |
CA |
BD |
BD |
AB |
BC |
AD |
BD |
|
36 |
AC |
D |
BCF |
DEF |
ADE |
EF |
ACD |
B |
ACE |
C |
|
37 |
ACF |
ACE |
CE |
ABD |
DF |
BF |
A |
CDF |
AD |
AF |
|
38 |
ACF |
DE |
BE |
ABCF |
AD |
ADF |
BE |
CE |
ACF |
ACE |
|
39 |
ACE |
ACE |
CE |
BCF |
B |
B |
CE |
ACE |
ADE |
CD |
|
40 |
AF |
BF |
D |
BCD |
F |
AB |
A |
BF |
BDE |
AEF |
шағым қалдыра аласыз























