|
|
Дата: |
Мотивация дня: «Успех — это умение двигаться от неудачи к неудаче, не теряя энтузиазма». ― Уинстон Черчилль. |
|
|
||
|
Тема урока: |
Закон Ома для полной цепи |
|
|
Цели обучения, которые достигаются на данном уроке (ссылка на учебную программу): |
10.4.3.2 - знать и применять закон Ома для полной цепи
|
|

Блок А. Опишите название элементов, представленными на рисунке:

Дескрипторы:
- Учащиеся описывают компоненты формулы;
БЛОК В. Определите:

-
Гальванический элемент с ЭДС = 5,0 В и внутренним сопротивлением r = 0,2 Ом замкнут на проводник сопротивлением R = 40,0 Ом. Чему равно напряжение U на этом проводнике?
Дескрипторы:
- Учащиеся отвечают на вопросы закон Ома для полной цепи электрического тока;
БЛОК С.
-
ЭДС батареи 6 В, внешнее сопротивление цепи 11,5 Ом, а внутреннее – 0,5 Ом. Найти силу тока в цепи I, напряжение на зажимах батареи U и падение напряжения внутри батареи Ur.
-
. К аккумулятору с ЭДС 12 В, подключена лампочка и два параллельно соединенных резистора сопротивлением каждый по 10 Ом. Известно, что ток в цепи 0,5 А, а сопротивление лампочки R/2. Найти внутреннее сопротивление аккумулятора.

-
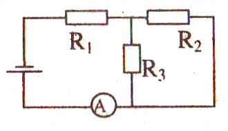
В цепи, изображенной на схеме R1 = 2,9 Ом, R2 = 7 Ом, R3 = 3 Ом, внутреннее сопротивление источника равно 1 Ом. Амперметр показывает ток 1 А. Определите ЭДС и напряжение на зажимах батареи.

|
№1. Дано: |
№2. Дано: |
№3. Дано: |
|
|
|
|
|
Найти: |
Найти: |
Найти: |
|
Решение: |
Решение: |
Решение: |
|
Ответ: |
Ответ: |
Ответ: |
Дескрипторы:
- Учащиеся решают задачи, используя формулы закон Ома для полной цепи электрического тока;
Рефлексия:
|
понятно. |
ясно. |
|
|
жүктеу мүмкіндігіне ие боласыз
Бұл материал сайт қолданушысы жариялаған. Материалдың ішінде жазылған барлық ақпаратқа жауапкершілікті жариялаған қолданушы жауап береді. Ұстаз тілегі тек ақпаратты таратуға қолдау көрсетеді. Егер материал сіздің авторлық құқығыңызды бұзған болса немесе басқа да себептермен сайттан өшіру керек деп ойласаңыз осында жазыңыз
Закон Ома для полной цепи. Рабочий лист.
|
|
Дата: |
Мотивация дня: «Успех — это умение двигаться от неудачи к неудаче, не теряя энтузиазма». ― Уинстон Черчилль. |
|
|
||
|
Тема урока: |
Закон Ома для полной цепи |
|
|
Цели обучения, которые достигаются на данном уроке (ссылка на учебную программу): |
10.4.3.2 - знать и применять закон Ома для полной цепи
|
|

Блок А. Опишите название элементов, представленными на рисунке:

Дескрипторы:
- Учащиеся описывают компоненты формулы;
БЛОК В. Определите:

-
Гальванический элемент с ЭДС = 5,0 В и внутренним сопротивлением r = 0,2 Ом замкнут на проводник сопротивлением R = 40,0 Ом. Чему равно напряжение U на этом проводнике?
Дескрипторы:
- Учащиеся отвечают на вопросы закон Ома для полной цепи электрического тока;
БЛОК С.
-
ЭДС батареи 6 В, внешнее сопротивление цепи 11,5 Ом, а внутреннее – 0,5 Ом. Найти силу тока в цепи I, напряжение на зажимах батареи U и падение напряжения внутри батареи Ur.
-
. К аккумулятору с ЭДС 12 В, подключена лампочка и два параллельно соединенных резистора сопротивлением каждый по 10 Ом. Известно, что ток в цепи 0,5 А, а сопротивление лампочки R/2. Найти внутреннее сопротивление аккумулятора.

-
В цепи, изображенной на схеме R1 = 2,9 Ом, R2 = 7 Ом, R3 = 3 Ом, внутреннее сопротивление источника равно 1 Ом. Амперметр показывает ток 1 А. Определите ЭДС и напряжение на зажимах батареи.

|
№1. Дано: |
№2. Дано: |
№3. Дано: |
|
|
|
|
|
Найти: |
Найти: |
Найти: |
|
Решение: |
Решение: |
Решение: |
|
Ответ: |
Ответ: |
Ответ: |
Дескрипторы:
- Учащиеся решают задачи, используя формулы закон Ома для полной цепи электрического тока;
Рефлексия:
|
понятно. |
ясно. |
|
|
шағым қалдыра аласыз







