1-ТОҚСАН
БӨЛІМ БОЙЫНША ЖИЫНТЫҚ БАҒАЛАУ ТАПСЫРМАЛАРЫ
|
«Жылу құбылыстары» бөлімібойыншажиынтықбағалау |
|
|
|
|
|
Орындаууақыты |
25 минут І нұсқа |
|
Тапсырма
Қайконтейнердегігаздыңтығыздығыжоғарыжәнетемпературасытөмен?
[1]
В) 100 °С С) 0 °С D) -273 °С [1] |
|
-
Массасы 5 кгмырышбөлігін 100 ºС-қақыздыруүшін 20 кДжэнергияберілді. Мырыштыңменшіктіжылусыйымдылығынанықтаңыз.
[2]
-
1суреттеэнергияныңсудатасымалдануынзерттейтінекітәжірибекөрсетілген.

Cурет 1
-
Тәжірибе 1
Суықсуастынанбірқалыптыбаяуқыздырылыпжатыр. Жоғарыдағымұзбөлігісуқайнамастанбұрынериді.
Тәжірибе 2
Суықсужоғарыжағынанбірқалыптыбаяуқыздырылыпжатыр. Арнайыторкөмегіменсудаастындаұстаптұрғанмұзбөлігіжоғарыдағысуқайнапбастағанкездедеқаттыкүйдеболады.
а) Шыныарқылыэнергияның (жылудың) тасымалданупроцесіқалайаталады?
[1]
b) Біріншітәжірибедетөмендегісуданжоғарыдағымұзэнергияныңберілуінсипаттайтыннегізгіпроцестіңатынжазыңыз.
[1]
Жоғарыдағы (b) процесс қалайжүзегеасатынынсипаттаңыз.


с) Неліктен 2-тәжірибеде, төмендегімұзбөлігіжоғарыдағы су қайнапбастағанкезде де ерімеді? Екісебебінұсыныңыз.
1.
2.
[1]
[2]
-
Массасы 500 г таскөміртолықжанғандабөлінетінжылудыпайдаланып, сумассасыныңқаншамөлшерін 20 ºС-тан 70 ºС-қадейінқыздыруғаболады? Судыңменшіктіжылусыйымдылығы 4200 Дж/(кг·ºС), таскөмірдіңменшіктіжанужылуы 30МДж/кг.
[4]
Жалпыбалл:13
1 -нұсқа
|
Тапсырма
[1] 2.Судың қайнау температурасы 100°. Осы температураны Кельвин шкаласына айналдырыңыз? А) 123 К В) 173 К С) 273 К D) 373 К [1] 3.Массасы 6 кг мырыш бөлігін 100 ºС-қа қыздыру үшін 30 кДж энергия берілді. Мырыштың меншікті жылу сыйымдылығын анықтаңыз. [2] |
4.Суретте массалары бірдей екі заттың жылулық ұлғаю графигі тәжірибесі көрсетілген.
а) Суреттегі 1-ші заттың температурасы 25 минут өткен соң ,қалай өзгерді? [1]
b)Суреттегі 2-ші заттың температурасын 100°С-қа дейін қыздыру үшін қанша уақыт [1]
қажет болды?

Жоғарыдағы (b) процесс қалай жүзеге асатынын сипаттаңыз.[1]


с) Неліктен тәжірибеде, төмендегі бөлігі жоғарыдағы затқайнап бастаған кезде неліктен өзгерді? Екі себебін ұсыныңыз.
1.
2. [2]
5.Массасы 400 г таскөмір толық жанғанда бөлінетін жылуды пайдаланып, су массасының қанша мөлшерін 10 ºС-тан 60 ºС-қа дейін қыздыруға болады? Судың меншікті жылу сыйымдылығы 4200 Дж/(кг·ºС), таскөмірдің меншікті жану жылуы 30МДж/кг.[4]Жалпы балл:13
1-ТОҚСАН ІІ -нұсқа
|
Тапсырма
1 2 3 [1] 2.Дені сау адамның температурасы 36°С. Осы температураны Кельвин шкаласына айналдырыңыз?
В) 309 К С) 36 К D) 237К[1] 3. Массасы 5 кг мырыш бөлігін 20°С –тан 100 ºС-қа қыздыру үшін 20 кДж энергия берілді. Мырыштың меншікті жылу сыйымдылығынанықтаңыз. [2] |
4.Суретте массалары бірдей екі заттың жылулық ұлғаю графигі тәжірибесікөрсетілген.
а) Суреттегі 1-ші заттың температурасы 25 минут өткен соң ,қалай өзгерді? [1]
b)Суреттегі 2-ші заттың температурасын 100°С-қа дейін қыздыру үшін қанша уақыт [1]
қажет болды?

Жоғарыдағы (b) процесс қалай жүзеге асатынын сипаттаңыз. [1]


с) Неліктен тәжірибеде, төмендегі бөлігі жоғарыдағы зат қайнап бастаған кезде неліктен өзгерді? Екі себебін ұсыныңыз.
1.
2. [2]
5. Массасы 1,5кг алюминий бакқа массасы 10 кг су құйылған. Бақтағы суды 20 ºС-тан 100 ºС-қа қыздыру үшін қанша жылу мөлшері қажет? Судың меншікті жылу сыйымдылығы 4200 Дж/(кг·ºС), алюминийдің меншікті жылу сыйымдылығы 920 Дж/(кг·ºС).[4]
Жалпы балл:13
3- нұсқа
-
Тапсырма
-
1.Контейнерлердебірдейгаздыңмолекулаларыберілген. Дөңгелекшелер газ молекулаларын, бағдаршалар газ молекулаларыныңқозғалыс бағытынжәнежылдамдығынсипаттайды. Ұзынбағдаршажоғарыжылдамдықтысипаттайды.
Қайконтейнердегігаздыңтығыздығы төмен жәнетемпературасы жоғары?

[1]
-
-
2. Дені сау адамның қалыпты температурасы 36°С . Оның температурасының абсолют мәні қандай болады?
-
А) 273КВ) 309 КС) 36 К D)237К[1]
-
-
Массасы 5 кг мырыш бөлігін 20°С –тан 100 ºС-қа қыздыру үшін 20 кДж энергия берілді. Мырыштыңменшіктіжылусыйымдылығынанықтаңыз.
[2]
-
1суреттеэнергияныңсудатасымалдануынзерттейтінтәжірибекөрсетілген.
1
2
Cурет 1-
Тәжірибе
Суықсу ортасынан бірқалыпты баяу қыздырылып жатыр. 1-ші термометрдің көрсетуі бірден жоғарлайды, сосын 2-ші термометрдің көрсетуі жоғарлайды.
Тәжірибе
Суықсу ортасынан бірқалыптыбаяуқыздырылыпжатыр. 2-ші термометрдің көрсетуі бірден жоғарлайды, сосын 1-ші термометрдің көрсетуі жоғарлайды.
а) Шыны арқылы энергияның (жылудың) тасымалданупроцесіқалайаталады?
[1]
b) Бірінші термометрдің неліктен тез жоғарлайтынын сипаттайтын негізгі процестің атын жазыңыз.
[1]
Жоғарыдағы (b) процесс қалай жүзеге асатынын сипаттаңыз.


[1]
с) Неліктен 2-ші термометрдің баяу жоғарлайтынын түсіндіңіз? Екі себебін ұсыныңыз.
1.
2.
[2]
5.Массасы 700 г құрғақ отын толық жанғанда бөлінетін жылуды пайдаланып, су массасының қанша мөлшерін 200С-тан 900С-қа дейін қыздыруға болады? Судың меншікті жылу сыйымдылығы 4200Дж/кг0С,құрғақ отынның меншікті жану жылуы
10 МДж/кг. [4]
|
Бағалаукритерийлері |
Тапсырма № |
Дескриптор |
Балл |
|
Білімалушы |
|||
|
Молекулалы-кинетикалық теорияныңнегізгіқағидаларынқолданады |
1 |
Тығыздығы төмен және температурасы Жоғарыгазорналасқанконтейнердіанықтайды; |
1 |
|
Температураныңмәндерінәртүрлі шкала (Цельсий, Кельвин) бойыншаөрнектейді |
2 |
Абсолют нөл температураның мәнін анықтайды; |
1 |
|
Жылуалмасупроцесікезіндеалған / бергенжылумөлшерінанықтайды |
3 |
Жылумөлшерінің формуласын қолданады; |
1 |
|
Мырыштың меншіктіжылу Сыйымдылығын есептейді; |
1 |
||
|
Жылуберілудіңтүрлерінсалыстырады |
4 |
а) Шыныарқылыберілетінжылуберілу түрін анықтайды; |
1 |
|
б) Судан мұзға берілетін жылудың берілу түрінжазады; |
1 |
||
|
Жылуберілу процесін сипаттайды; |
1 |
||
|
с) термометрлердің көрсетулері неліктен бірдей өзгермейтінін түсіндіреді. Жылудыңберілунің неге бірдей болмау себебінжазады; |
1 |
||
|
Жылуберілудіңекі Себебінжазады; |
1 |
||
|
Отынныңжануыкезіндебөлінгенжылумөлшерінанықтайды |
5 |
Жылумөлшерінесептеуформуласын қолданады; |
1 |
|
Алюмини багты қыздыруғақажеттіжылумөлшерінесептейді; |
1 |
||
|
Судықыздыруғақажеттіжылумөлшерін есептейді; |
1 |
||
|
Жалпы жылумөлшерінесептейді; |
1 |
||
|
Жалпыбалл |
13 |
||
2-ТОҚСАНБӨЛІМБОЙЫНШАЖИЫНТЫҚБАҒАЛАУТАПСЫРМАЛАРЫ
№1 БЖБ Термодинамиканегіздері» бөлімібойыншажиынтықбағалау
Оқумақсаттары:8.3.2.17 – термодинамиканыңбіріншізаңыныңмағынасынтүсіндіру
8.3.2.22 – жылу қозғалтқыштарындағы энергияның түрленуін сипаттау
8.3.2.20 – іштен жану қозғалтқышының, бу турбинасының жұмыс істеу
принципін сипаттау
8.3.2.19 – жылу қозғалтқышының пайдалы әрекет коэффициентін анықтау
8.3.2.21 – жылу қозғалтқыштарын жетілдіру жолдарын ұсыну
Бағалау критерийлері Білім алушы
• Термодинамиканың бірінші заңын есеп шығарғанда қолданады
• Жылу қозғалтқыштарындағы энергияның түрленуін сипаттайды
• Іштен жану қозғалтқышының жұмыс істеу принципін сипаттайды
• Жылу қозғалтқышының пайдалы әрекет коэффициентін анықтау әдісін
сипаттайды және жылу қозғалтқыштарын жетілдіру жолдарын ұсынады
Ойлау дағдыларының деңгейлері Қолдану
Орындау уақыты 20 минут
Тапсырма І-нұсқа
1. Изотермиялық сығылу кезінде газ қоршаған денеге 800 Дж жылу мөлшерін береді. Газдың ішкі энергиясының өзгерісі қандай? [2]
2. Белгілі бір процесс кезінде газ 5 МДж жұмыс атқарды. Осы кезде ішкі энергия 2 МДж-ға кемиді.
a) Газға берілген энергия қайда жұмсалатынын термодинамиканың бірінші заңы негізінде түсіндіріңіз және формуласын жазыңыз. [2]
b) Газға қандай жылу мөлшері берілгенін есептеңіз. [1]
3. Идеал жылу машинасында қыздырғыштан алынатын әр килоджоуль энергия есебінен 300 Дж жұмыс атқарылады, ал тоңазытқыш температурасы 280 К.
a) Қоршаған ортаға бөлінген энергияны анықтаңыз. [1]
b) Машинаның ПӘК-ін есептеңіз. [1]
c) Идеал машинаның ПӘК-ін анықтайтын Карно формуласын жазып, қыздырғыштың
температурасын анықта. . [2]
4. Автокөліктің іштен жану қозғалтқышы 6 сағ жұмыс істегенде 1,7 л бензин жұмсайды, ал двигательдің ПӘК-і 20 %. Бензин тығыздығы 700 кг/м3. Бензиннің меншікті жану жылуы 46 МДж/кг.
a) Бензиннің массасын анықтаңыз. [1]
b) Бензин толық жанғанда бөлінетін жылу мөлшерін есептеңіз. [1]
c) ПӘК-інің формуласы арқылы пайдалы жұмысты анықтаңыз. [1]
Жалпы балл: 12
Тапсырма ІІ- нұсқа
1. Жабық ыдыстағы газды 150 Дж жылу жұмсап қыздарғанда ол қандай жұмыс атқарады? Осы процесте оның ішкі энергиясы қалай өзгереді?[2]
2. Газдың көлемі 0,3 м3-тен 600л-ге дейін ұлғайғанда 400 Дж жұмыс жасалған. Егер газ жұмыс жасау процесінде өзгермесе, онда оның қысымы қандай?
a) Газдың ұлғаю кезінде қандай процесс болатынын термодинамиканың бірінші заңы негізінде түсіндіріңіз және жұмыстың формуласын жазыңыз. [2]
b) Газдың қысымы қандай болатынын есептеңіз. [1]
3. Идеал жылу машинасы300 Дж жұмыс атқара отырып, тоңазытқыщқа 700 Дж энергия бөледі. Ал қыздырғыштың температурасы 400 К.
a) Қыздырғыштаналатын энергияны анықтаңыз. [1]
b) Машинаның ПӘК-ін есептеңіз. [1]
c) Идеал машинаның ПӘК-ін анықтайтын Карно формуласын жазып, тоңазытқыштың
температурасын анықта. [2]
4. Қозғалтқышының ПӘК-і 25% автокөлік 3 сағ жүргенде 35 л бензин пайдаланады. Бензин тығыздығы 700 кг/м3. Бензиннің меншікті жану жылуы 46 МДж/кг.
a) Бензиннің массасын анықтаңыз. [1]
b) Бензин толық жанғанда бөлінетін жылу мөлшерін есептеңіз. [1]
c) ПӘК-інің формуласы арқылы қозғалтқыштың орта қуатын анықтаңыз. [1]
Жалпы балл: 12

Тапсырма. IV нұсқа
1.Изобаралық процесс кезінде газ қоршаған денеге 700 Дж жылу мөлшерін береді. Газдың жұмысы 500Дж-га тең .Газдың ішкі энергиясының өзгерісі қандай? [ 2]
2. Белгілі бір процесс кезінде 7МДж жұмыс атқарды.Осы кезде ішкі энергия 4МДж-ға кемиді.
а) Газға берілген энергия қайда жұмсалатынын термодинамиканың бірінші заңы негізінде түсіндіріңіз және формуласын жазыңыз. [ 2]
В) Газға қандай жылу мөлшері берілгенін есептеңіз. [ 1]
3. Идеал жылу машинасында қыздырғыштан алынатын 2000 Дж энергия есебінен 400Дж жұмыс атқарылады,ал тоңазытқыш температурасы 280 К.
А) Қоршаған ортаға бөлінген энергияны анықтаңыз. [ 1]
В) Машинаның ПӘК-ін есептеңіз. [ 1]
С) Идеал машинаның ПӘК-ін анықтайтын Карно формуласын жазып, есептеңдер. [ 2]
4. Автокөліктің іштен жану қозғалтқышы 6 сағ жұмыс істегенде 4 л бензин жұмсайды,ал двигательдің ПӘК-і 40%.Бензин тығыздығы 700кг/м3 .Бензиннің меншікті жану жылуы 46∙106 Дж/кг
А) Бензиннің массасын анықтаңыз. [ 1]
В) Бензин толық жанғанда бөлінетін жылу мөлшерін есептеңіз. [ 1]
С) ПӘК-інің формуласы арқылы пайдалы куатты аныкта . [ 1]
Жалпы балл: 12
|
Бағалау критерийлері |
Тапсырма № |
Дескриптор |
Балл |
|
Білім алушы |
|||
|
Термодинамиканың бірінші заңын есеп шығарғанда қолданады
|
1 |
Термодинамиканың бірінші заңын қолданады. |
1 |
|
Газдың ішкі энергиясының өзгерісін анықтайды. |
1 |
||
|
Жылу қозғалтқыштарындағы энергияның түрленуін сипаттайды
|
2 |
a) Қай процесске байланысты екендігін анықтайды және термодинамиканың бірінші заңының формуласын жазады. |
2 |
|
b) Газға қандай жылу мөлшері берілгенін анықтайды. |
1 |
||
|
Іштен жану қозғалтқышының жұмыс істеу принципін сипаттайды
|
3 |
a) Қоршаған ортаға бөлінген энергияны анықтайды. |
1 |
|
b) Машинаның ПӘК-ін есептейді. |
1 |
||
|
c) Идеал машинаның ПӘК-ін анықтайтын Карно формуласын жазады. |
2 |
||
|
Жылу қозғалтқышының пайдалы әрекет коэффициентін анықтау әдісін сипаттайды және жылу қозғалтқыштарын жетілдіру жолдарын ұсынады |
4 |
a) Бензиннің массасын анықтайды. |
1 |
|
b) Бензин толық жанғанда бөлінетін жылу мөлшерін есептейді. |
1 |
||
|
c) ПӘК-інің формуласы арқылы пайдалы жұмысты анықтайды. |
1 |
||
|
Жалпы балл |
|
|
12 |
«Термодинамика негіздері» бөлімі бойынша жиынтық бағалаудың нәтижесіне қатысты ата-аналарға ақпарат ұсынуға арналған рубрика
|
Бағалау критерийлері |
Оқу жетістіктерінің деңгейі |
||
|
төмен |
орташа |
жоғары |
|
|
Термодинамиканың бірінші заңын есеп шығарғанда қолданады
|
Т |
Термодинамиканың бірінші заңын кез
келген нақты жағдаяттарда қолданғанда қателерге жол
береді.
|
Термодинамиканың бірінші заңын кез келген нақты жағдаяттарда дұрыс қолданады.
|
|
Жылу қозғалтқыштарындағы энергияның түрленуін сипаттайды |
Жылу
қозғалтқыштарындағы энергияның
түрленуін сипаттау қиындық тудырады. |
Жылу қозғалтқыштарындағы энергияның түрленуін сипаттауда кішігірім қателерге жол береді.
|
Жылу қозғалтқыштарындағы энергияның түрленуін
сипаттайды. |
|
Іштен жану қозғалтқышының жұмыс істеу принципін сипаттайды |
Іштен жану қозғалтқышының жұмыс істеу принципін түсіндіруге қиындық тудырады.
|
Іштен жану қозғалтқышының жұмыс істеу принципін түсіндіреді, бірақ жауаптарында кішігірім қателерге жол береді.
|
Іштен жану қозғалтқышының жұмыс істеу принципі
дұрыс қалыптасқан. |
|
Жылу қозғалтқышының пайдалы әрекет коэффициентін анықтау әдісін сипаттайды және жылу қозғалтқыштарын жетілдіру жолдарын ұсына алады |
Жылу қозғалтқыштарының ПӘК-ін арттыру жолдарын ұсыну қиындық тудырады.
|
Жылу қозғалтқыштарын жетілдіру жолдарын ұсына алады, тұжырымдама жасағанда қателерге жол береді.
|
Жылу қозғалтқыштарын жетілдіру жолдарын дұрыс
ұсынады. |
№2 БЖБ «Электростатика негіздері» бөлімі бойынша жиынтық бағалау
Оқу
мақсаттары
8.4.1.1 - электр зарядын
сипаттау
8.4.1.5 - Кулон заңын есептер шығаруда қолдану
8.4.1.6 - электр өрісі және оның күштік сипаттамасы ұғымдарының
физикалық мағынасын түсіндіру
8.4.1.10 - конденсаторлардың құрылысын және қолданылуын сипаттау Бағалау критерийлері Білім алушы
-
Үйкеліс арқылы денені электрлендіру құбылысын сипаттайды
-
Кулон заңын есептер шығаруда қолданады
-
Электр өрісі және оның күштік сипаттамасы ұғымдарының физикалық мағынасын анықтайды
-
Конденсаторлардың құрылысын және қолданылуын сипаттайды
|
Ойлау дағдыларының деңгейлері |
Қолдану |
|
Орындау уақыты Тапсырма І-нұсқа |
25 минут |
1.Эбонит таяқшаны құрғақ жүнге үйкегенде ол теріс заряд алды. Неліктен эбонит таяқша теріс зарядқа ие болды?
-
Таяқша жүннен электрондар алды
-
Таяқша жүннен нейтрондар алды
-
Таяқша жүнге электрондар берді
-
Таяқша жүнге нейтрондар берді
[1]
-
Кеңістікте орналасқан екі нүктелік зарядтар көрсетілген. Олардың зарядтары сәйкесінше -12 мкКл және 3 мкКл. k = 9·109 Н
м2/Кл2.

Нүктелік зарядтар вакуумда орналасқан және олардың ара қашықтығы 8 см деп есептеп
әсерлесу күшінің сандық мәнін анықтаңыз. [2]
-
С нүктесіндегі электр өрісі тарапынан ? = −3·10−7 PКл зарядқа 0,035 Н күш әсер етеді.
Осы С нүктесіндегі электр
өрісінің кернеулігін анықтаңдар. 
[2]
-
а) Конденсаторды қолдану аймағына екі мысал келтіріңіз.
[1]
b) Суретте конденсаторларды жалғау тәсілдері көрсетілген.

-
сурет бойынша жалпы сыйымдылықты анықтау формуласын жазыңыз.
[1]
-
сурет бойынша жалпы сыйымдылықты анықтау формуласын жазыңыз.
[1]
Жалпы балл: 8
|
ІІнұсқа |
-
Шыны таяқшаны қағазбен үйкегенде ол оң заряд алды. Неліктен шыны таяқша оң зарядқа ие болды?
-
Таяқша қағаздан электрондар алды
-
Таяқша қағазданнейтрондар алды
-
Таяқша қағазға электрондар берді
-
Таяқша қағазға нейтрондар берді
[1]
-
Кеңістікте орналасқан екі нүктелік зарядтар көрсетілген. Олардың зарядтары сәйкесінше -12 мкКл және 4 мкКл. k = 9·109 Н
м2/Кл2.

Нүктелік зарядтар вакуумда орналасқан және олардың ара қашықтығы 6 см деп есептеп
әсерлесу күшінің сандық мәнін анықтаңыз. [2]
-
2,6*10-7 Кл зарядты өрістің бір нүктесінен екінші нүктесіне дейін жылжытқанда өріс 13*10-5 Дж жұмыс атқарады. Осы өріс нүктелерінің потенциалдар айырымы қандай?[2]
-
а) Конденсаторды қолдану аймағына екі мысал келтіріңіз.[1]
b) Суретте конденсаторларды жалғау тәсілдері көрсетілген.

1 сурет 2 сурет
-
1 сурет бойынша жалпы сыйымдылықты анықтау формуласын жазыңыз.
[1]
-
2 сурет бойынша жалпы сыйымдылықты анықтау формуласын жазыңыз.
[1]
Жалпы балл: 8
|
ІІІ-нұсқа |
|
-
1.Пластмасс таяқшаны құрғақ жүнге үйкегенде ол теріс заряд алды. Неліктен эбонит таяқша теріс зарядқа ие болды?
-
Таяқша жүннен электрондар алды
-
Таяқша жүннен нейтрондар алды
-
Таяқша жүнге электрондар берді
-
Таяқша жүнге нейтрондар берді
-
2.Кеңістікте орналасқан екі нүктелік зарядтар көрсетілген. Олардың зарядтары
сәйкесінше2 мкКл және 4
мкКл. k =
9·109 Н
м2/Кл2.

Нүктелік зарядтар вакуумда орналасқан және олардың ара қашықтығы 2см деп есептеп
әсерлесу күшінің сандық мәнін анықтаңыз. [2]
3.10-7 Кл заряд тұрған нүктеде электр өрісінің кернеулігі 5 В/м.. Зарядқа әсер ететін
күшті табу керек. [2]
4.а) Конденсаторды қолдану аймағына екі мысал келтіріңіз.[1]
b) Суретте конденсаторларды жалғау тәсілдері көрсетілген.

1 сурет 2 сурет
-
1 сурет бойынша жалпы сыйымдылықты анықтау формуласын жазыңыз.
[1]
-
2 сурет бойынша жалпы сыйымдылықты анықтау формуласын жазыңыз.
[1]
Жалпы балл: 8
ІҮ-нұска
1.Зарядталған денелердің (1-сурет) өзара әрекетедұрыскескінделгенбе?
![]()
-
+ -
+ - +
1 2 3 1-сурет
-
1
-
2
-
3
-
1,2,3
[1]
2. Аспандағы екі бұлттың электр зарядтары сәйкесінше 20 Кл және 30 Кл. Бұлттар арасында орташа қашықтық 30км болса, онда олар бір-бірімен қандай күшпен әрекеттеседі?
[2]
3.Біртекті электростатикалық өрістегі зарядтың шамасы 5*10-7 Кл. Өріс
тарапынан зарядқа әсер ететін күш 2,5кН. Өрістің кернеулігі қандай?
[2]
-
а) Конденсатордықолдануаймағынаекімысалкелтіріңіз. [ 1]
-
Суреттеконденсаторлардыжалғаутәсілдерікөрсетілген.

1 суретбойыншажалпысыйымдылықтыанықтауформуласынжазыңыз. [ 1]
2 суретбойыншажалпысыйымдылықтыанықтауформуласынжазыңыз [1]
Жалпы балл: 8
16
|
Бағалау критерийлері |
Тапсыр ма № |
Дескриптор |
Балл |
|
Білім алушы |
|||
|
Үйкеліс арқылы денені электрлендіру құбылысын сипаттайды |
1 |
Үйкеліс арқылы дене қалай электрленетінін анықтайды. |
1 |
|
Кулон заңын есептер шығаруда қолданады |
2 |
Кулон заңын жазады. |
1 |
|
Зарядтардың әсерлесу күшін есептейді. |
1 |
||
|
Электр өрісі және оның күштік сипаттамасы ұғымдарының физикалық мағынасын анықтайды
|
3 |
Зарядтардың электр өрістерінің күш сызықтырын суретке салып көрсетеді. |
1 |
|
С нүктесіндегі электр өрісінің кернеулігін анықтайды. |
1 |
||
|
Конденсаторлардың құрылысын және қолданылуын сипаттайды |
4 |
Конденсаторды қолдану аймағына екі мысал келтіреді. |
1 |
|
Конденсаторларды жалғау тәсіліне сәйкес жалпы сыйымдылықты анықтайтын формуласын жазады. |
2 |
||
|
Жалпы балл |
|
|
8 |
«Электростатика негіздері» бөлімі бойынша жиынтық бағалаудың нәтижесіне қатысты ата-аналарға ақпарат ұсынуға арналған рубрика
|
Бағалау критерийлері |
Оқу жетістіктерінің деңгейі |
||
|
төмен |
орташа |
жоғары |
|
|
Үйкеліс арқылы денені электрлендіру құбылысын сипаттайды
|
Электрондардың бір денеден екінші
денеге ауысуы арқылы денелер зарядталатынын сипаттау қиындық
тудырады. |
Электрондардың бір денеден екінші
денеге ауысуы арқылы денелер зарядталатынын түсіндіргенде қателерге
жол береді. |
Электрондардың бір денеден екінші денеге ауысуы арқылы денелер зарядталатынын түсіндіре алады.
|
|
Кулон заңын есептер шығаруда қолданады
|
Кулон заңын біледі, бірақ есептер
шығарғанда қолдану қиындық тудырады. |
К |
Кулон заңын біледі, есептер шығарғанда қолданады.
|
|
Электр өрісі және оның күштік сипаттамасы ұғымдарының физикалық мағынасын анықтайды |
Кернеуліктің векторлық шама екенін
ескермей, қателіктерге жол береді. |
Кернеуліктің векторлық шама екенін біледі.
Есептеулерде кіші-гірім қателерге жол
береді. |
Кернеуліктің векторлық шама екенін біледі. Есептеулерде қателер жібермейді.
|
|
Конденсаторлардың құрылысын және қолданылуын сипаттайды |
Конденсаторлардың құрылысын біледі
бірақ қолданылуын сипаттау қиындық тудырады.
|
Конденсаторларды жалғау тәсілдерін
қатысты есептеулерде кіші-гірім қателер жіберді.
|
Конденсаторлардың құрылысын біледі және қолданылуын сипаттайды.
|
3-ТОҚСАН БӨЛІМ БОЙЫНША ЖИЫНТЫҚ БАҒАЛАУ ТАПСЫРМАЛАРЫ
|
Оқу мақсаттары |
8.4.2.2 - электр схемасын графикалық бейнелеуде электр тізбегі элементтерінің шартты белгілерін қолдану 8.4.2.11 - өткізгіштерді тізбектей және параллель жалғауда тізбек бөлігі үшін Ом заңын қолданып, электр тізбектеріне есептеулер жүргізу 8.4.2.13 - Джоуль-Ленц заңын есептер шығару үшін қолдану |
|
Бағалау критерийлері |
Білім алушы
|
|
Ойлау дағдыларының деңгейлері |
Қолдану |
|
Орындау уақыты |
25 минут |
|
|
|
|
|
|
Тапсырма І-нұсқа
-
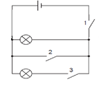
С
уретте оқушы екі шамды да ток көзіне қосу үшін қандай кілттерді
пайдаланады? A)1 және 2-
1, 2 және 3
-
1 және 3
-
2 және 3
-
[1]
-
60 Вт, 240 В белгісі бар төрт шам номинал режимде жұмыс жасау үшін қай сұлба бойынша жалғау тиімдірек? Ток күші неге тең?

[1]
[2]
-
1 суретте электр тізбегі көрсетілген.

1 сурет
а) Электр тізбегі ток көзіне қосылғанда шам жанады, бірақ амперметр бағдаршасы (стрелка) кейін қарай ауытқиды. Амперметр дұрыс жұмыс жасау үшін тізбекке қандай өзгеріс жасау қажет?
[1]
b) Амперметр қандай шаманы өлшейді?
[1]
с)Шамдағы потенциалдар айырымы 6 В болса, шамнан өтетін ток күшін есептеңіз.
[2]
d)Шам тізбекте 30 мин қосылып тұрса қанша энергия бөлінеді?
[2]
Жалпы балл: 9
Тапсырма ІІ-нұсқа
-
С
уретте
оқушы екі шамды да ток көзіне қосу үшін қандай кілттерді
пайдаланады? A)1 және 2-
1, 2 және 3
-
1 және 3
-
2 және 3
-
[1]
-
80 Вт, 240 В белгісі бар төрт шам номинал режимде жұмыс жасау үшін қай сұлба бойынша жалғау тиімдірек? Ток күші неге тең?
А В С Д

[1]
[2]
-
1 суретте электр тізбегі көрсетілген.

1 сурет
а) Электр тізбегі ток көзіне қосылғанда шам жанады, бірақ амперметр бағдаршасы (стрелка)
кейін қарай ауытқиды. Амперметр дұрыс жұмыс жасау үшін тізбекке қандай өзгеріс жасау қажет?
[1]
b) Амперметр тізбекке қалай жалғанады?
[1]
с)Шамдағы потенциалдар айырымы 8 В болса, шамнан өтетін ток күшін есептеңіз.
[2]
d)Шам тізбекте 45 мин қосылып тұрса қанша энергия бөлінеді?
[2]
Жалпы балл: 9
Тапсырма ІІІ-нұсқа
-
С
уретте
оқушы екі шамды да ток көзіне қосу үшін қандай кілттерді
пайдаланады? A) 1,
2 және 3
В)2 және 3
С)1 және 2
Д) 1 және 3
[1]
-
40 Вт, 240 В белгісі бар төрт шам номинал режимде жұмыс жасау үшін қай сұлба бойынша жалғау тиімдірек? Ток күші неге тең?
А В С Д

[1]
[2]
-
1 суретте электр тізбегі көрсетілген.

1 сурет
а) Электр тізбегі ток көзіне қосылғанда шам жанады, бірақ амперметр бағдаршасы (стрелка)
кейін қарай ауытқиды. Амперметр дұрыс жұмыс жасау үшін тізбекке қандай өзгеріс жасау қажет?
[1]
b) Амперметр тізбекке қалай жалғанады?
[1]
с)Шамдағы потенциалдар айырымы 4 В болса, шамнан өтетін ток күшін есептеңіз.
[2]
d)Шам тізбекте 20 мин қосылып тұрса қанша энергия бөлінеді?
[2]
Жалпы балл: 9
ТапсырмаІҮ-нұсқа
1.Суретте оқушы екі шамды да ток көзіне қосу үшін қандай кілттерді пайдаланады?
-
1 және 2
-
1, 2 және 3
-
1 және 3
-
2 және 3

[1]
2.Кедергілері 20 Ом және 30 Ом болатын екі резистор кернеуі 24 В электр тізбегіне жалғанған. Тізбекке екі резисторды тізбектей және параллель жалғағандағы ток күші қандай?
[2]
-
1 суреттеэлектртізбегікөрсетілген.

-
сурет
а) Электр тізбегі ток көзінеқосылғандашамжанады, бірақ амперметр бағдаршасыкейінқарайауытқиды. Амперметр дұрысжұмысжасауүшінтізбеккеқандайөзгерісжасауқажет?
[1]
-
Амперметр қандай шаманы өлшейді?[1]
с) Шамдағыпотенциалдарайырымы 8 Вболса, шамнанөтетін ток күшінесептеңіз.[2]
-
Шамтізбекте 60 мин қосылыптұрсақанша энергия бөлінеді?[2]
Жалпы балл: 9
|
Бағалау критерийлері |
Тапсыр ма № |
Дескриптор |
Балл |
|
Білім алушы |
|||
|
Электр схемасын графикалық бейнелеуде электр тізбегі элементтерінің шартты белгілерін қолданады |
1 |
Электр шамының жануы үшін қай кілттерді қосу керек екендігін анықтайды |
1 |
|
Өткізгіштерді тізбектей және параллель жалғауда тізбек бөлігі үшін Ом заңын қолданып, электр тізбектеріне есептеулер жүргізеді |
2 |
Паралель және тізбектей жалғауларды ажыратады |
1
|
|
Электр шамының жануы үшін тізбекті жалғану нүктесін табады |
1 |
||
|
Токтың энергетикалық параметрлерін табу үшін тұрақты ток заңдарын есептер шығаруда қолданады
|
3 |
a) Амперметр дұрыс жұмыс жасау үшін тізбекке қандай өзгеріс жасау қажеттігін анықтайды |
1 |
|
b) Амперметр қандай шаманы өлшейтінін анықтайды |
1 |
||
|
c) Шамнан өтетін ток күшін анықтайтын формуланы қолданады Шамнан өтетін ток күшін есептейді |
1
1 |
||
|
d) Джоуль-Ленц заңын қолданады
Бөлінетін энергияны анықтайды |
1
1 |
||
|
Жалпы балл |
|
9 |
|
«Тұрақты электр тогы» бөлімі бойынша жиынтық бағалаудың нәтижесіне қатысты ата-аналарға ақпарат ұсынуға арналған рубрика
|
Бағалау критерийлері |
Оқу жетістіктерінің деңгейі |
||
|
төмен |
орташа |
жоғары |
|
|
Электр схемасын графикалық бейнелеуде электр тізбегі элементтерінің шартты белгілерін қолданады |
Электр схемасына талдау жасау қиындық
тудырады. |
Электр схемасын түсінеді, сапалы есептерге талдау
жүргізгенде кішігірім қателіктерге жол
береді. |
Электр схемасын түсінеді, дұрыс талдайды сапалы есептер шығарғанда қолдана алады.
|
|
Өткізгіштерді тізбектей және параллель жалғауда тізбек бөлігі үшін Ом заңын қолданып, электр тізбектеріне есептеулер жүргізеді |
Өткізгіштерді тізбектей және параллель
жалғауда тізбек бөлігін есептеуге аранлған заңдылықтарды қолдану
қиындық тудырады. |
Өткізгіштерді тізбектей және параллель жалғауда
тізбек бөлігіне арналған заңдылықтарды біледі, бірақ қолданғанда
қате жібереді. |
Өткізгіштерді тізбектей және параллель
жалғауда тізбек бөлігіне арналған заңдылықтарды нақты сапалы
есептер шығаруға қолданады. |
|
Токтың энергетикалық параметрлерін табу үшін тұрақты ток заңдарын есептер шығаруда қолданады |
Кедергінің физикалық мағынасын, оның
өлшем бірлігін сипаттайды, жұмыс және қуат формулаларын есептеуде
қиындық тудырады. |
Кедергінің физикалық мағынасын, оның өлшем
бірлігін сипаттайды, жұмыс және қуат формулаларын есептеуде кезінде
кіші-гірім қателіктерге жол береді. |
Кедергінің физикалық мағынасын, оның өлшем бірлігін сипаттайды, жұмыс және қуат формулаларын есептеулер жүргізеді.
|
22
3-ТОҚСАН БӨЛІМ БОЙЫНША ЖИЫНТЫҚ БАҒАЛАУ ТАПСЫРМАЛАРЫ
№2 БЖБ «Электромагниттік құбылыстар» бөлімі бойынша жиынтық бағалау
|
Оқу мақсаттары |
8.4.3.1 - магниттердің негізгі қасиеттеріне сипаттама беру және магнит өрісін күш сызықтары арқылы графикалық бейнелеу; 8.4.3.5 - магнит өрісінің тогы бар өткізгішке әсерін сипаттау 8.4.3.6 - электрқозғалтқыштың және электр өлшеуіш құралдардың жұмыс істеу принципін түсіндіру |
|
Бағалау критерийлері |
Білім алушы
|
|
Ойлау дағдыларының деңгейлері |
Қолдану |
|
Орындау уақыты |
25 минут |

-
сурет
Қай компастың бағдаршасы (стрелка) дұрыс бағытталған?
[1]
-
2-суретте соленоид және оған өте сезімтал вольтметр жалғанған.

-
- сурет
Қандай жағдайда вольтметрдің көрсеткіші нольге тең?
А) Магнитті соленоидақа жақын қозғалтпай ұстағанда
В) Магнитті соленоидтан алыстатқанда
С) Магнитті соленоидқа жақындатқанда
D) Соленоидты магнитке жақындатқанда [1]
3. 3-суретте магнит полюстарының арасына ілінген иілгіш жұмсақ сым көрсетілген. Сым 12 В ток көзіне қосылған. Бастапқы кезде кілт ажыратулы тұрады.

3-сурет
а) Кілтті қосқанда сым неліктен орнынан қозғалып кететінін түсіндіріңіз. [1]
b) Сымның қай жаққа ауытқитынын анықтаңыз. [1]
с) Сым қозғалғанда энергияның түрленуін жазыңыз. [1]
4.4-суретте катушкаға оралған сым орамдары қатты оське кигізіліп, магнит өрісінде
орналастырылған.

4-сурет
А)Катушканы ток көзіне жалғап осы суретті толықтырыңыз.
[1]
В)Катушканы ток көзіне жалғағанда қандай құбылыс орын алады?
[1]
Жалпы балл: 7
ТапсырмаІІ-нұсқа
-
С
уретте
жолақ магниттің магниттік сызықтары және 1,2,3 магнит тілшелер
көрсетілген. Қай тілшеге магнит күшті, қайсына әлсіз әсер
етеді.
А) 1-ші тілшеге күшті, 2-тілшеге әлсіз;
Б) 2-ші тілшеге күшті, 1-тілшеге әлсіз;
В)3-ші тілшеге күшті, 2-тілшеге әлсіз;
Г) ешбір тілшеге әсер етпейді;
Д) а-г жауаптар аасында дұрысы жоқ.
[1]
-
Суретте магнит өрісінде орналасқан тогы бар өткізгіш көрсетілген. Өткізгішке әсер ететін күштің бағытын көрсетіңдер. Оның бағытын қандай ережемен анықтайды?
А) Өтуізгішке әсер ететін күш оңға қарай бағытталған, Ампер күші;
Б)Өтуізгішке әсер ететін күш солға қарай бағытталған, Ампер күші;
В)Өтуізгішке әсер ететін күш тік төмен қарай бағытталған, Бұрғы ережесі;
Г) Өтуізгішке әсер ететін күш тік жоғары қарай бағытталған, Ампер күші;
Д) а-г жауаптар аасында дұрысы жоқ.
[1]
3. Суретте кімнің тәжірибесі тәжірибе көрсетілген?
А) Электромагниттік индукия құбылысы деген не? [1]
Б) Индукциялық ток дегеніміз не? [1]
В) Айнымалы ток дегеніміз не?[1]

4.Суретте таға тәрізді
магниттің ортасына тогы бар өткізгіш орналастырылған. Не себептен
өткізгіш оған тартылады немесе одан тебіледі? Бұл кімнің
тәжірибесі? Б
[2]
ІІІ-нұсқа
1
.Суретте жолақ магниттің
магниттік сызықтары және 1,2,3 магнит тілшелер көрсетілген. Қай
тілшеге магнит күшті, қайсына әлсіз әсер
етеді.
А) 1-ші тілшеге күшті, 2-тілшеге әлсіз;
Б) 3-ші тілшеге күшті, 2-тілшеге әлсіз;
В)2-ші тілшеге күшті, 1-тілшеге әлсіз;
Г) ешбір тілшеге әсер етпейді;
Д) а-г жауаптар аасында дұрысы жоқ.
[1]
2. Тогы бар шарғының магнит өрісін күшейту үшін:
1) ток күшін арттыру;
2) орам сандарын арттыру;
3) шарғы ішіне темір өзекше енгізу;
А) тек 1;Б) тек 2;В) тек 3; Г) 1,2,3; Д) ондай жағдай мүмкін емес. [1]
3.Суретте көрсетілген тоғы бар түзу өткізгіштің магнит өрісінің күш сызықтары-
ның бағыттарын қандай ережемен оқылады?
А) Электромагниттік индукия құбылысы деген не? [1]
Б) Индукциялық ток дегеніміз не?[1]
В) Айнымалы ток дегеніміз не?[1]

4. Бұл кімнің тәжірибесі? Қолданған құралдар қалайдеп аталады?Ғалым ашқан бұл құбылыс физика тарихына қандайатаумен енген?Электр тогы қала пайда болатынын жаз. Б
[2]

Тапсырма ІҮ-нұсқа.
-
Өткізгіш айналасындағы магнит өрісінің күш сызыктарыбағытын көрсетіңдер.
В
![]()
I I
I
- +
1-сурет [1]
2.Бірінші өткізгіштенекінші өткізгішке әрекет ететенкүш бағытынанықтаңдар.Ал егер:
А)сол жақтағы өткізгіштегі ток күшінің бағытын
Б)екінші өткізгіштегіток күшінің бағытын
В)екі өткізгіштегі де ток күшінің бағыттарын өзгертер болсақ,күш бағыты қалай өзгерер еді?
![]()
![]()
I
1 xI2
xВ
x x
x x
[1]
3. Суретте кімнің тәжірибесі тәжірибе көрсетілген?
А) Электромагниттік индукия құбылысы деген не? [1]
Б) Индукциялық ток дегеніміз не?[1]
В) Айнымалы ток дегеніміз не?
[1]
4
-суретте катушкаға
оралған сым орамдары қатты оське кигізіліп, магнит өрісінде
орналастырылған.
4-сурет
Катушканы ток көзіне жалғап осы суретті толықтырыңыз. [1]
Катушканы ток көзінежалғағанда қандай құбылыс орын алады? [1]
Жалпы 7балл
|
Бағалау критерийлері |
Тапсыр ма № |
Дескриптор |
Балл |
|
Білім алушы |
|||
|
Магнит өрісін күш сызықтарын графикалық түрдебейнелейді |
1 |
Тұрақты магниттің магнит өрісінің күш сызықтарын сызады. |
1 |
|
Жолақ магнит пен соленоидтың магнит өрістерін салыстырады |
2 |
Электромагнттік индукция құбылысын сипаттайды. |
1 |
|
Электрқозғалтқыштың және электр өлшеуіш құралдардың жұмыс істеу принципін сипаттайды |
3 |
a) Кілтті қосқанда сым неліктен орнынан қозғалып кететінін анықтайды. |
1 |
|
b) Сымның қай жаққа ауытқитынын анықтайды. |
1 |
||
|
c) Сым қозғалғанда қай энергия қандай энергияға түрленетінін анықтайды. |
1 |
||
|
d) Токтың бағытын көрсетеді. |
1 |
||
|
Орын алған құбылысты сипаттайды. |
1 |
||
|
Жалпы балл |
7 |
||
|
|
|
||
«Электромагниттік құбылыстар» бөлімі бойынша жиынтық бағалаудың нәтижесіне қатысты ата-аналарға ақпарат ұсынуға арналған рубрика
|
Бағалау критерийлері |
Оқу жетістіктерінің деңгейі |
|
|
|
|
|
|
|||||
|
төмен |
орташа |
жоғары |
|
|
|
|
|
|
||||
|
Магнит өрісін күш сызықтарын графикалық түрде бейнелейді
|
Магнит өрісінің күш сызықтарын сызып көрсету қиындық тудырады.
|
Магнит өрісінің күш сызықтарын дұрыс салып көрсеті қиындық тудырады. |
Магнит өрісінің күш сызықтарының табиғатын терең түсінген, күш сызықтарын сызып көрсетеді. |
|
|
|
|
|
|
|||
|
|
|
|
|
|
|
|||||||
|
Жолақ магнит пен соленоидтың магнит өрістерін салыстырады |
Э
|
Э
|
Электромагниттік индукция құбылысын біледі және түсіндіре алады. |
|
|
|
|
|
|
|||
|
|
|
|
|
|||||||||
|
Электрқозғалтқыштың және электр өлшеуіш құралдардың жұмыс істеу принципін сипаттайды |
Э |
Э |
Э |
|
|
|
|
|
|
|||
4-ТОҚСАН БӨЛІМ БОЙЫНША ЖИЫНТЫҚ БАҒАЛАУ ТАПСЫРМАЛАРЫ
№ 1 БЖБ «Жарық құбылыстары» бөлімі бойынша жиынтық бағалау
|
Оқу мақсаттары |
8.5.1.4 – жазық айнада дененің кескінін алу және оны сипаттау 8.5.1.7 – жарықтың сыну заңын пайдаланып есептер шығару 8.5.1.8 – тәжірибеге сүйене отырып толық ішкі шағылу құбылысын түсіндіру 8.5.1.13 – жұқа линзада сәуленің жолын салу және кескінге сипаттама беру |
|
Бағалау критерийлері |
Білім алушы
|
|
Ойлау дағдыларының деңгейлері |
Қолдану |
|
Орындау уақыты Тапсырма І-нұсқа |
20 минут |
-
Жазық айнада тура кескін пайда болды.

Кескіннің басқа сипаттамалары дұрыс көрсетілген жауапты таңдаңыз.
|
|
Бүйір жағы бойынша төңкерілген (сол жағы оңға) |
Сызықтық ұлғаюы (объектіге қарағанда үлкен) |
Жалған |
|
А |
жоқ |
ия |
ия |
|
В |
ия |
жоқ |
жоқ |
|
С |
ия |
жоқ |
ия |
|
D |
ия |
ия |
жоқ |
[1]
-
Жарық сәулесі шыныдан ауаға 400 түсу бұрышымен өтіп жатыр. Шыны-ауа шекарасы үшін шекті бұрыш 42°. Қай суретте жарық сәулесінің жүрісі дұрыс көрсетілген?

[1]
-
Фокус қашықтығы 10 см болатын жинағыш линзадан 30 см қашықтықта объект орналасқан. Кескіннен линзаға дейінгі қашықтықты анықтаңыз.
А) 30 см
В) 10 см
С) 20 см
D) 15 см[1]
-
OX нәрсесі жинағыш линзаның алдында орналасқан. Линза IY кескінін пайда етеді.
4.1 суретте нәрседен кескінге дейін екі сәуле көрсетілген.

сурет
а) Суретте линзаның бас фокусын және фокус қашықтығын мұқият белгілеңіз
[2]
X тан Y ке үшінші сәулені сызыңыз.
[1]
b) Кескінді сипаттау үшін төмендегі берілген сөздерді қолдануға болады.
Суреттегі кескінді сипаттайтын сөздерді таңдаңыз.
Шын □
Жалған □
Үлкейтілген □
Кішірейтілген □
Төңкерілген □
Тура □
Кескіннен линзаға дейінгі қашықтық нәрседен линзаға дейінгі қашықтықтан кіші □ Кескіннен линзаға дейінгі қашықтық
нәрседен линзаға дейінгі қашықтықтан үлкен □
[2]
с) Суреттегі нәрсе линзадан алыстаса кескінде қандай өзгеріс болатынын тұжырымдаңыз.
-
.................................................................................................................................
-
.................................................................................................................................
[2]
Жалпы балл: 10
Тапсырма ІІ-нұсқа
1. Фокус қашықтығы 10 см болатын жинағыш линзадан 15 см қашықтықта кескін пайда болса,обьект линзадан қандай қашықтықтаорналасқанын анықтаңыз.
А) 30 см В) 10 см С) 20 см D) 15 см[1]
2.
Жарық сәулесі ауадан
шыныға 400 түсу бұрышымен түсіп, одан бір бөлігі сынып
өтіп, бір бөлігі шыныдан шағылған. Егер сыну бұрысы
250
болса, онда шағылу сәуле мен
сынған сәуленің арасы қанша градус
болады?
[1]
-
OX нәрсесі жинағыш линзаның алдында орналасқан. Линза IY кескінін пайда етеді.
Суретте нәрседен кескінге
дейін екі сәуле көрсетілген. 
сурет
а) Суреттелинзаның бас фокусын және фокус қашықтығын мұқият белгілеңіз
[2]
X тан Y ке үшінші сәулені сызыңыз.
[1]
b) Кескінді сипаттау үшін төмендегі берілген сөздерді қолдануға болады.
Суреттегі кескінді сипаттайтын сөздерді таңдаңыз.
Шын □
Жалған □
Үлкейтілген □
Кішірейтілген □
Төңкерілген □
Тура □
Кескіннен линзаға дейінгі қашықтық нәрседен линзаға дейінгі қашықтықтан кіші □ Кескіннен линзаға дейінгі қашықтық
нәрседен линзаға дейінгі қашықтықтан үлкен □
[2]
с) Суреттегі нәрсе линзадан алыстаса кескінде қандай өзгеріс болатынын тұжырымдаңыз.
1).................................................................................................................................
2).................................................................................................................................
[2]
4. Жазық айнада тура кескін пайда болды.

Кескіннің басқа сипаттамалары дұрыс көрсетілген жауапты таңдаңыз.
|
|
Бүйір жағы бойынша төңкерілген (сол жағы оңға) |
Сызықтық ұлғаюы (объектіге қарағанда үлкен) |
Жалған |
|
А |
жоқ |
ия |
ия |
|
В |
ия |
жоқ |
ия |
|
С |
ия |
жоқ |
жоқ |
|
D |
ия |
ия |
жоқ |
[1]
Жалпы балл: 10
Тапсырма ІІІ-нұсқа
-
Сәуленің түсу бұрышы 60˚.Сәуленің шағылу бұрышы неге тең?
А) 30 ˚ В) 120˚ С) 60 ˚ D) 15˚ [1]
2. Жарық сәулесі ауадан шыныға
300
түсу бұрышымен түсіп, одан бір
бөлігі сынып өтіп, бір бөлігі шыныдан шағылған. Егер сыну бұрышы
230
болса, онда шағылу сәуле мен
сынған сәуленің арасы қанша градус
болады?
[1]
3.OX нәрсесі жинағыш линзаның алдында орналасқан. Линза IY кескінін пайда етеді.
Суретте нәрседен кескінге
дейін екі сәуле көрсетілген. 
сурет
а) Суреттелинзаның бас фокусын және фокус қашықтығын мұқият белгілеңіз
[2]
X тан Y ке үшінші сәулені сызыңыз.
[1]
b) Кескінді сипаттау үшін төмендегі берілген сөздерді қолдануға болады.
Суреттегі кескінді сипаттайтын сөздерді таңдаңыз.
Шын □
Жалған □
Үлкейтілген □
Кішірейтілген □
Төңкерілген □
Тура □
Кескіннен линзаға дейінгі қашықтық нәрседен линзаға дейінгі қашықтықтан кіші □ Кескіннен линзаға дейінгі қашықтық
нәрседен линзаға дейінгі қашықтықтан үлкен □
[2]
с) Суреттегі нәрсе линзадан алыстаса кескінде қандай өзгеріс болатынын тұжырымдаңыз.
1).................................................................................................................................
2).................................................................................................................................
[2]
4.. Жарық жылдамдығы неге тең?
А) 3*10⁸ м/с В) 3*10⁷ м/с С) 3*10³ м/с Д) 3*10⁵ м/с [1]
Жалпы балл: 10
Тапсырма ІҮ нұсқа
1.Жұқа жинағыш линзаның фокус қашықтығы 20 см, нәрседен линзаға дейінгі қашықтық 40 см болғанда, кескін линзадан қандай қашықтықта орналасады.
А)30см В) 40см С) 20см Д) 15см Е) 10см [1]
2. . Жазықайнада тура кескінпайдаболды.

Кескінніңбасқасипаттамаларыдұрыскөрсетілгенжауаптытаңдаңыз.
|
|
Бүйіржағыбойыншатөңкерілген (солжағыоңға) |
Сызықтықұлғаюы (объектігеқарағандаүлкен) |
Жалған |
|
А |
жоқ |
ия |
ия |
|
В |
ия |
жоқ |
ия |
|
С |
ия |
жоқ |
жоқ |
|
D |
ия |
ия |
жоқ |
[1]
3.Жарықсәулесішыныданауаға40отүсубұрышыменөтіпжатыр.Шыны-ауашекарасыүшіншектібұрыш 32°. Қайсуреттежарықсәулесініңжүрісідұрыскөрсетілген?

[ 1]
4.OXнәрсесіжинағышлинзаныңалдындаорналасқан. ЛинзаIYкескінінбереді.4.1-суреттенәрседенкескінгедейінекісәулекөрсетілген.

4.1 - сурет
а) 4.1 суреттелинзаныңбасфокусынжәнефокусқашықтығынмұқиятбелгілеңіз [2]
X тан Y кеүшіншісәуленісызыңыз. [1]
в) Кескіндісипаттауүшінтөмендегіберілгенсөздердіқолдануғаболады.
4.1 суреттегікескіндісипаттайтынсөздерді “V” белгісіменбелгілеп, таңдаңыз.
Шын □
Жалған □
Үлкейтілген □
Кішірейтілген □
Төңкерілген □
Тура □
Кескінненлинзағадейінгіқашықтық
нәрседенлинзағадейінгіқашықтықтанкіші □
Кескінненлинзағадейінгіқашықтық
нәрседенлинзағадейінгіқашықтықтанүлкен □ [ 2]
с) 4.1 суреттегінәрселинзаданалыстасакескіндеқандайөзгерісболатынынтұжырымдаңыз.
1) ..............................................................................................................
2) ............................................................................................................... [ 2]
Жалпы балл: 10
|
Бағалау критерийлері |
Тапсырма № |
Дескриптор |
Балл |
|
Білім алушы |
|||
|
Жазық айнада дененің кескінін алу және оны сипаттайды |
1 |
Жазық айна арқылы алынатын кескінді дұрыс сипаттайды |
1 |
|
Тәжірибеге талдау жүргізіп, толық ішкі шағылу құбылысын анықтайды |
2 |
Толық іштей шағылу құбылысын сипаттайды |
1 |
|
Жұқа линза формуласын есептер шығару үшін қолданады |
3 |
Жұқа линзаның формуласын қолданады
|
1 |
|
Жұқа линзада сәуленің жолын салады және кескінге сипаттама береді
|
4 |
a) Линзаның бас фокусын және фокус қашықтығын белгілейді |
2 |
|
Үшінші сәулені сызады |
1 |
||
|
b) Кескінді сипаттайтын сөздерді таңдайды |
2 |
||
|
c) Кескінде қандай өзгеріс болатынын тұжырымдайды
|
2 |
||
|
Жалпы балл |
|
|
10 |
|
Бағалау критерийлері |
Оқу жетістіктерінің деңгейі |
|||
|
төмен |
орташа |
жоғары |
||
|
Жазық айнада дененің кескінін алу және оны сипаттайды |
Жарық сәулесінің шағылу заңын сипаттауда қиындық тудырады. |
Жарық сәулесінің шағылу заңын біледі, нақты есептер шығарғанда қолданады, бірақ кескінді сипаттағанда қате жібереді.
|
Жарық сәулесінің шағылу заңын нақты есептер шығарғанда
қолданады, жазық айна арқылы алынатын
кескінді дұрыс сипаттайды. |
|
|
|
|
|||
|
|
||||
|
Тәжірибеге талдау жүргізіп, толық ішкі шағылу құбылысын анықтайды |
Толық іштей шағылу құбылысын түсіндіру қиындық тудырады тудырады. |
Толық іштей шағылу құбылысын
сипаттағанда кіші-гірім қателіктерге жол береді.
|
Толық іштей шағылу құбылысын түсіндіреді.
|
|
|
|
|
|||
|
|
||||
|
Жұқа линза формуласын есептер шығару үшін қолданады |
Жұқа линза формуласын есептер шығару үшін қолдану қиындық тудырады. |
Жұқа линза формуласын есептер шығару үшін қолданады, есептеулер жүргізгенде кіші-гірім қателерге жол береді.
|
Жұқа линза формуласын есептер шығару үшін қолданады.
|
|
|
|
|
|||
|
|
||||
|
Жұқа линзада сәуленің жолын салады және кескінге сипаттама береді
|
Жұқа линзаны сипаттайтын негізгі нүктелер мен физикалық шамаларды нақты есептер шығаруға қолдану |
Жұқа линзаны сипаттайтын негізгі
нүктелер мен физикалық шамаларды кез келген жағдаяттарда
қолданғанда қате жібереді . |
Жұқа линзаны сипаттайтын негізгі нүктелер мен сызбаларды барлық жағдайларда дұрыс қолданады.
|
|
жүктеу мүмкіндігіне ие боласыз
Бұл материал сайт қолданушысы жариялаған. Материалдың ішінде жазылған барлық ақпаратқа жауапкершілікті жариялаған қолданушы жауап береді. Ұстаз тілегі тек ақпаратты таратуға қолдау көрсетеді. Егер материал сіздің авторлық құқығыңызды бұзған болса немесе басқа да себептермен сайттан өшіру керек деп ойласаңыз осында жазыңыз
Физика пәні 8 сынып БЖБ тапсырмалары
Физика пәні 8 сынып БЖБ тапсырмалары
1-ТОҚСАН
БӨЛІМ БОЙЫНША ЖИЫНТЫҚ БАҒАЛАУ ТАПСЫРМАЛАРЫ
|
«Жылу құбылыстары» бөлімібойыншажиынтықбағалау |
|
|
|
|
|
Орындаууақыты |
25 минут І нұсқа |
|
Тапсырма
Қайконтейнердегігаздыңтығыздығыжоғарыжәнетемпературасытөмен?
[1]
В) 100 °С С) 0 °С D) -273 °С [1] |
|
-
Массасы 5 кгмырышбөлігін 100 ºС-қақыздыруүшін 20 кДжэнергияберілді. Мырыштыңменшіктіжылусыйымдылығынанықтаңыз.
[2]
-
1суреттеэнергияныңсудатасымалдануынзерттейтінекітәжірибекөрсетілген.

Cурет 1
-
Тәжірибе 1
Суықсуастынанбірқалыптыбаяуқыздырылыпжатыр. Жоғарыдағымұзбөлігісуқайнамастанбұрынериді.
Тәжірибе 2
Суықсужоғарыжағынанбірқалыптыбаяуқыздырылыпжатыр. Арнайыторкөмегіменсудаастындаұстаптұрғанмұзбөлігіжоғарыдағысуқайнапбастағанкездедеқаттыкүйдеболады.
а) Шыныарқылыэнергияның (жылудың) тасымалданупроцесіқалайаталады?
[1]
b) Біріншітәжірибедетөмендегісуданжоғарыдағымұзэнергияныңберілуінсипаттайтыннегізгіпроцестіңатынжазыңыз.
[1]
Жоғарыдағы (b) процесс қалайжүзегеасатынынсипаттаңыз.


с) Неліктен 2-тәжірибеде, төмендегімұзбөлігіжоғарыдағы су қайнапбастағанкезде де ерімеді? Екісебебінұсыныңыз.
1.
2.
[1]
[2]
-
Массасы 500 г таскөміртолықжанғандабөлінетінжылудыпайдаланып, сумассасыныңқаншамөлшерін 20 ºС-тан 70 ºС-қадейінқыздыруғаболады? Судыңменшіктіжылусыйымдылығы 4200 Дж/(кг·ºС), таскөмірдіңменшіктіжанужылуы 30МДж/кг.
[4]
Жалпыбалл:13
1 -нұсқа
|
Тапсырма
[1] 2.Судың қайнау температурасы 100°. Осы температураны Кельвин шкаласына айналдырыңыз? А) 123 К В) 173 К С) 273 К D) 373 К [1] 3.Массасы 6 кг мырыш бөлігін 100 ºС-қа қыздыру үшін 30 кДж энергия берілді. Мырыштың меншікті жылу сыйымдылығын анықтаңыз. [2] |
4.Суретте массалары бірдей екі заттың жылулық ұлғаю графигі тәжірибесі көрсетілген.
а) Суреттегі 1-ші заттың температурасы 25 минут өткен соң ,қалай өзгерді? [1]
b)Суреттегі 2-ші заттың температурасын 100°С-қа дейін қыздыру үшін қанша уақыт [1]
қажет болды?

Жоғарыдағы (b) процесс қалай жүзеге асатынын сипаттаңыз.[1]


с) Неліктен тәжірибеде, төмендегі бөлігі жоғарыдағы затқайнап бастаған кезде неліктен өзгерді? Екі себебін ұсыныңыз.
1.
2. [2]
5.Массасы 400 г таскөмір толық жанғанда бөлінетін жылуды пайдаланып, су массасының қанша мөлшерін 10 ºС-тан 60 ºС-қа дейін қыздыруға болады? Судың меншікті жылу сыйымдылығы 4200 Дж/(кг·ºС), таскөмірдің меншікті жану жылуы 30МДж/кг.[4]Жалпы балл:13
1-ТОҚСАН ІІ -нұсқа
|
Тапсырма
1 2 3 [1] 2.Дені сау адамның температурасы 36°С. Осы температураны Кельвин шкаласына айналдырыңыз?
В) 309 К С) 36 К D) 237К[1] 3. Массасы 5 кг мырыш бөлігін 20°С –тан 100 ºС-қа қыздыру үшін 20 кДж энергия берілді. Мырыштың меншікті жылу сыйымдылығынанықтаңыз. [2] |
4.Суретте массалары бірдей екі заттың жылулық ұлғаю графигі тәжірибесікөрсетілген.
а) Суреттегі 1-ші заттың температурасы 25 минут өткен соң ,қалай өзгерді? [1]
b)Суреттегі 2-ші заттың температурасын 100°С-қа дейін қыздыру үшін қанша уақыт [1]
қажет болды?

Жоғарыдағы (b) процесс қалай жүзеге асатынын сипаттаңыз. [1]


с) Неліктен тәжірибеде, төмендегі бөлігі жоғарыдағы зат қайнап бастаған кезде неліктен өзгерді? Екі себебін ұсыныңыз.
1.
2. [2]
5. Массасы 1,5кг алюминий бакқа массасы 10 кг су құйылған. Бақтағы суды 20 ºС-тан 100 ºС-қа қыздыру үшін қанша жылу мөлшері қажет? Судың меншікті жылу сыйымдылығы 4200 Дж/(кг·ºС), алюминийдің меншікті жылу сыйымдылығы 920 Дж/(кг·ºС).[4]
Жалпы балл:13
3- нұсқа
-
Тапсырма
-
1.Контейнерлердебірдейгаздыңмолекулаларыберілген. Дөңгелекшелер газ молекулаларын, бағдаршалар газ молекулаларыныңқозғалыс бағытынжәнежылдамдығынсипаттайды. Ұзынбағдаршажоғарыжылдамдықтысипаттайды.
Қайконтейнердегігаздыңтығыздығы төмен жәнетемпературасы жоғары?

[1]
-
-
2. Дені сау адамның қалыпты температурасы 36°С . Оның температурасының абсолют мәні қандай болады?
-
А) 273КВ) 309 КС) 36 К D)237К[1]
-
-
Массасы 5 кг мырыш бөлігін 20°С –тан 100 ºС-қа қыздыру үшін 20 кДж энергия берілді. Мырыштыңменшіктіжылусыйымдылығынанықтаңыз.
[2]
-
1суреттеэнергияныңсудатасымалдануынзерттейтінтәжірибекөрсетілген.
1
2
Cурет 1-
Тәжірибе
Суықсу ортасынан бірқалыпты баяу қыздырылып жатыр. 1-ші термометрдің көрсетуі бірден жоғарлайды, сосын 2-ші термометрдің көрсетуі жоғарлайды.
Тәжірибе
Суықсу ортасынан бірқалыптыбаяуқыздырылыпжатыр. 2-ші термометрдің көрсетуі бірден жоғарлайды, сосын 1-ші термометрдің көрсетуі жоғарлайды.
а) Шыны арқылы энергияның (жылудың) тасымалданупроцесіқалайаталады?
[1]
b) Бірінші термометрдің неліктен тез жоғарлайтынын сипаттайтын негізгі процестің атын жазыңыз.
[1]
Жоғарыдағы (b) процесс қалай жүзеге асатынын сипаттаңыз.


[1]
с) Неліктен 2-ші термометрдің баяу жоғарлайтынын түсіндіңіз? Екі себебін ұсыныңыз.
1.
2.
[2]
5.Массасы 700 г құрғақ отын толық жанғанда бөлінетін жылуды пайдаланып, су массасының қанша мөлшерін 200С-тан 900С-қа дейін қыздыруға болады? Судың меншікті жылу сыйымдылығы 4200Дж/кг0С,құрғақ отынның меншікті жану жылуы
10 МДж/кг. [4]
|
Бағалаукритерийлері |
Тапсырма № |
Дескриптор |
Балл |
|
Білімалушы |
|||
|
Молекулалы-кинетикалық теорияныңнегізгіқағидаларынқолданады |
1 |
Тығыздығы төмен және температурасы Жоғарыгазорналасқанконтейнердіанықтайды; |
1 |
|
Температураныңмәндерінәртүрлі шкала (Цельсий, Кельвин) бойыншаөрнектейді |
2 |
Абсолют нөл температураның мәнін анықтайды; |
1 |
|
Жылуалмасупроцесікезіндеалған / бергенжылумөлшерінанықтайды |
3 |
Жылумөлшерінің формуласын қолданады; |
1 |
|
Мырыштың меншіктіжылу Сыйымдылығын есептейді; |
1 |
||
|
Жылуберілудіңтүрлерінсалыстырады |
4 |
а) Шыныарқылыберілетінжылуберілу түрін анықтайды; |
1 |
|
б) Судан мұзға берілетін жылудың берілу түрінжазады; |
1 |
||
|
Жылуберілу процесін сипаттайды; |
1 |
||
|
с) термометрлердің көрсетулері неліктен бірдей өзгермейтінін түсіндіреді. Жылудыңберілунің неге бірдей болмау себебінжазады; |
1 |
||
|
Жылуберілудіңекі Себебінжазады; |
1 |
||
|
Отынныңжануыкезіндебөлінгенжылумөлшерінанықтайды |
5 |
Жылумөлшерінесептеуформуласын қолданады; |
1 |
|
Алюмини багты қыздыруғақажеттіжылумөлшерінесептейді; |
1 |
||
|
Судықыздыруғақажеттіжылумөлшерін есептейді; |
1 |
||
|
Жалпы жылумөлшерінесептейді; |
1 |
||
|
Жалпыбалл |
13 |
||
2-ТОҚСАНБӨЛІМБОЙЫНШАЖИЫНТЫҚБАҒАЛАУТАПСЫРМАЛАРЫ
№1 БЖБ Термодинамиканегіздері» бөлімібойыншажиынтықбағалау
Оқумақсаттары:8.3.2.17 – термодинамиканыңбіріншізаңыныңмағынасынтүсіндіру
8.3.2.22 – жылу қозғалтқыштарындағы энергияның түрленуін сипаттау
8.3.2.20 – іштен жану қозғалтқышының, бу турбинасының жұмыс істеу
принципін сипаттау
8.3.2.19 – жылу қозғалтқышының пайдалы әрекет коэффициентін анықтау
8.3.2.21 – жылу қозғалтқыштарын жетілдіру жолдарын ұсыну
Бағалау критерийлері Білім алушы
• Термодинамиканың бірінші заңын есеп шығарғанда қолданады
• Жылу қозғалтқыштарындағы энергияның түрленуін сипаттайды
• Іштен жану қозғалтқышының жұмыс істеу принципін сипаттайды
• Жылу қозғалтқышының пайдалы әрекет коэффициентін анықтау әдісін
сипаттайды және жылу қозғалтқыштарын жетілдіру жолдарын ұсынады
Ойлау дағдыларының деңгейлері Қолдану
Орындау уақыты 20 минут
Тапсырма І-нұсқа
1. Изотермиялық сығылу кезінде газ қоршаған денеге 800 Дж жылу мөлшерін береді. Газдың ішкі энергиясының өзгерісі қандай? [2]
2. Белгілі бір процесс кезінде газ 5 МДж жұмыс атқарды. Осы кезде ішкі энергия 2 МДж-ға кемиді.
a) Газға берілген энергия қайда жұмсалатынын термодинамиканың бірінші заңы негізінде түсіндіріңіз және формуласын жазыңыз. [2]
b) Газға қандай жылу мөлшері берілгенін есептеңіз. [1]
3. Идеал жылу машинасында қыздырғыштан алынатын әр килоджоуль энергия есебінен 300 Дж жұмыс атқарылады, ал тоңазытқыш температурасы 280 К.
a) Қоршаған ортаға бөлінген энергияны анықтаңыз. [1]
b) Машинаның ПӘК-ін есептеңіз. [1]
c) Идеал машинаның ПӘК-ін анықтайтын Карно формуласын жазып, қыздырғыштың
температурасын анықта. . [2]
4. Автокөліктің іштен жану қозғалтқышы 6 сағ жұмыс істегенде 1,7 л бензин жұмсайды, ал двигательдің ПӘК-і 20 %. Бензин тығыздығы 700 кг/м3. Бензиннің меншікті жану жылуы 46 МДж/кг.
a) Бензиннің массасын анықтаңыз. [1]
b) Бензин толық жанғанда бөлінетін жылу мөлшерін есептеңіз. [1]
c) ПӘК-інің формуласы арқылы пайдалы жұмысты анықтаңыз. [1]
Жалпы балл: 12
Тапсырма ІІ- нұсқа
1. Жабық ыдыстағы газды 150 Дж жылу жұмсап қыздарғанда ол қандай жұмыс атқарады? Осы процесте оның ішкі энергиясы қалай өзгереді?[2]
2. Газдың көлемі 0,3 м3-тен 600л-ге дейін ұлғайғанда 400 Дж жұмыс жасалған. Егер газ жұмыс жасау процесінде өзгермесе, онда оның қысымы қандай?
a) Газдың ұлғаю кезінде қандай процесс болатынын термодинамиканың бірінші заңы негізінде түсіндіріңіз және жұмыстың формуласын жазыңыз. [2]
b) Газдың қысымы қандай болатынын есептеңіз. [1]
3. Идеал жылу машинасы300 Дж жұмыс атқара отырып, тоңазытқыщқа 700 Дж энергия бөледі. Ал қыздырғыштың температурасы 400 К.
a) Қыздырғыштаналатын энергияны анықтаңыз. [1]
b) Машинаның ПӘК-ін есептеңіз. [1]
c) Идеал машинаның ПӘК-ін анықтайтын Карно формуласын жазып, тоңазытқыштың
температурасын анықта. [2]
4. Қозғалтқышының ПӘК-і 25% автокөлік 3 сағ жүргенде 35 л бензин пайдаланады. Бензин тығыздығы 700 кг/м3. Бензиннің меншікті жану жылуы 46 МДж/кг.
a) Бензиннің массасын анықтаңыз. [1]
b) Бензин толық жанғанда бөлінетін жылу мөлшерін есептеңіз. [1]
c) ПӘК-інің формуласы арқылы қозғалтқыштың орта қуатын анықтаңыз. [1]
Жалпы балл: 12

Тапсырма. IV нұсқа
1.Изобаралық процесс кезінде газ қоршаған денеге 700 Дж жылу мөлшерін береді. Газдың жұмысы 500Дж-га тең .Газдың ішкі энергиясының өзгерісі қандай? [ 2]
2. Белгілі бір процесс кезінде 7МДж жұмыс атқарды.Осы кезде ішкі энергия 4МДж-ға кемиді.
а) Газға берілген энергия қайда жұмсалатынын термодинамиканың бірінші заңы негізінде түсіндіріңіз және формуласын жазыңыз. [ 2]
В) Газға қандай жылу мөлшері берілгенін есептеңіз. [ 1]
3. Идеал жылу машинасында қыздырғыштан алынатын 2000 Дж энергия есебінен 400Дж жұмыс атқарылады,ал тоңазытқыш температурасы 280 К.
А) Қоршаған ортаға бөлінген энергияны анықтаңыз. [ 1]
В) Машинаның ПӘК-ін есептеңіз. [ 1]
С) Идеал машинаның ПӘК-ін анықтайтын Карно формуласын жазып, есептеңдер. [ 2]
4. Автокөліктің іштен жану қозғалтқышы 6 сағ жұмыс істегенде 4 л бензин жұмсайды,ал двигательдің ПӘК-і 40%.Бензин тығыздығы 700кг/м3 .Бензиннің меншікті жану жылуы 46∙106 Дж/кг
А) Бензиннің массасын анықтаңыз. [ 1]
В) Бензин толық жанғанда бөлінетін жылу мөлшерін есептеңіз. [ 1]
С) ПӘК-інің формуласы арқылы пайдалы куатты аныкта . [ 1]
Жалпы балл: 12
|
Бағалау критерийлері |
Тапсырма № |
Дескриптор |
Балл |
|
Білім алушы |
|||
|
Термодинамиканың бірінші заңын есеп шығарғанда қолданады
|
1 |
Термодинамиканың бірінші заңын қолданады. |
1 |
|
Газдың ішкі энергиясының өзгерісін анықтайды. |
1 |
||
|
Жылу қозғалтқыштарындағы энергияның түрленуін сипаттайды
|
2 |
a) Қай процесске байланысты екендігін анықтайды және термодинамиканың бірінші заңының формуласын жазады. |
2 |
|
b) Газға қандай жылу мөлшері берілгенін анықтайды. |
1 |
||
|
Іштен жану қозғалтқышының жұмыс істеу принципін сипаттайды
|
3 |
a) Қоршаған ортаға бөлінген энергияны анықтайды. |
1 |
|
b) Машинаның ПӘК-ін есептейді. |
1 |
||
|
c) Идеал машинаның ПӘК-ін анықтайтын Карно формуласын жазады. |
2 |
||
|
Жылу қозғалтқышының пайдалы әрекет коэффициентін анықтау әдісін сипаттайды және жылу қозғалтқыштарын жетілдіру жолдарын ұсынады |
4 |
a) Бензиннің массасын анықтайды. |
1 |
|
b) Бензин толық жанғанда бөлінетін жылу мөлшерін есептейді. |
1 |
||
|
c) ПӘК-інің формуласы арқылы пайдалы жұмысты анықтайды. |
1 |
||
|
Жалпы балл |
|
|
12 |
«Термодинамика негіздері» бөлімі бойынша жиынтық бағалаудың нәтижесіне қатысты ата-аналарға ақпарат ұсынуға арналған рубрика
|
Бағалау критерийлері |
Оқу жетістіктерінің деңгейі |
||
|
төмен |
орташа |
жоғары |
|
|
Термодинамиканың бірінші заңын есеп шығарғанда қолданады
|
Т |
Термодинамиканың бірінші заңын кез
келген нақты жағдаяттарда қолданғанда қателерге жол
береді.
|
Термодинамиканың бірінші заңын кез келген нақты жағдаяттарда дұрыс қолданады.
|
|
Жылу қозғалтқыштарындағы энергияның түрленуін сипаттайды |
Жылу
қозғалтқыштарындағы энергияның
түрленуін сипаттау қиындық тудырады. |
Жылу қозғалтқыштарындағы энергияның түрленуін сипаттауда кішігірім қателерге жол береді.
|
Жылу қозғалтқыштарындағы энергияның түрленуін
сипаттайды. |
|
Іштен жану қозғалтқышының жұмыс істеу принципін сипаттайды |
Іштен жану қозғалтқышының жұмыс істеу принципін түсіндіруге қиындық тудырады.
|
Іштен жану қозғалтқышының жұмыс істеу принципін түсіндіреді, бірақ жауаптарында кішігірім қателерге жол береді.
|
Іштен жану қозғалтқышының жұмыс істеу принципі
дұрыс қалыптасқан. |
|
Жылу қозғалтқышының пайдалы әрекет коэффициентін анықтау әдісін сипаттайды және жылу қозғалтқыштарын жетілдіру жолдарын ұсына алады |
Жылу қозғалтқыштарының ПӘК-ін арттыру жолдарын ұсыну қиындық тудырады.
|
Жылу қозғалтқыштарын жетілдіру жолдарын ұсына алады, тұжырымдама жасағанда қателерге жол береді.
|
Жылу қозғалтқыштарын жетілдіру жолдарын дұрыс
ұсынады. |
№2 БЖБ «Электростатика негіздері» бөлімі бойынша жиынтық бағалау
Оқу
мақсаттары
8.4.1.1 - электр зарядын
сипаттау
8.4.1.5 - Кулон заңын есептер шығаруда қолдану
8.4.1.6 - электр өрісі және оның күштік сипаттамасы ұғымдарының
физикалық мағынасын түсіндіру
8.4.1.10 - конденсаторлардың құрылысын және қолданылуын сипаттау Бағалау критерийлері Білім алушы
-
Үйкеліс арқылы денені электрлендіру құбылысын сипаттайды
-
Кулон заңын есептер шығаруда қолданады
-
Электр өрісі және оның күштік сипаттамасы ұғымдарының физикалық мағынасын анықтайды
-
Конденсаторлардың құрылысын және қолданылуын сипаттайды
|
Ойлау дағдыларының деңгейлері |
Қолдану |
|
Орындау уақыты Тапсырма І-нұсқа |
25 минут |
1.Эбонит таяқшаны құрғақ жүнге үйкегенде ол теріс заряд алды. Неліктен эбонит таяқша теріс зарядқа ие болды?
-
Таяқша жүннен электрондар алды
-
Таяқша жүннен нейтрондар алды
-
Таяқша жүнге электрондар берді
-
Таяқша жүнге нейтрондар берді
[1]
-
Кеңістікте орналасқан екі нүктелік зарядтар көрсетілген. Олардың зарядтары сәйкесінше -12 мкКл және 3 мкКл. k = 9·109 Н
м2/Кл2.

Нүктелік зарядтар вакуумда орналасқан және олардың ара қашықтығы 8 см деп есептеп
әсерлесу күшінің сандық мәнін анықтаңыз. [2]
-
С нүктесіндегі электр өрісі тарапынан ? = −3·10−7 PКл зарядқа 0,035 Н күш әсер етеді.
Осы С нүктесіндегі электр
өрісінің кернеулігін анықтаңдар. 
[2]
-
а) Конденсаторды қолдану аймағына екі мысал келтіріңіз.
[1]
b) Суретте конденсаторларды жалғау тәсілдері көрсетілген.

-
сурет бойынша жалпы сыйымдылықты анықтау формуласын жазыңыз.
[1]
-
сурет бойынша жалпы сыйымдылықты анықтау формуласын жазыңыз.
[1]
Жалпы балл: 8
|
ІІнұсқа |
-
Шыны таяқшаны қағазбен үйкегенде ол оң заряд алды. Неліктен шыны таяқша оң зарядқа ие болды?
-
Таяқша қағаздан электрондар алды
-
Таяқша қағазданнейтрондар алды
-
Таяқша қағазға электрондар берді
-
Таяқша қағазға нейтрондар берді
[1]
-
Кеңістікте орналасқан екі нүктелік зарядтар көрсетілген. Олардың зарядтары сәйкесінше -12 мкКл және 4 мкКл. k = 9·109 Н
м2/Кл2.

Нүктелік зарядтар вакуумда орналасқан және олардың ара қашықтығы 6 см деп есептеп
әсерлесу күшінің сандық мәнін анықтаңыз. [2]
-
2,6*10-7 Кл зарядты өрістің бір нүктесінен екінші нүктесіне дейін жылжытқанда өріс 13*10-5 Дж жұмыс атқарады. Осы өріс нүктелерінің потенциалдар айырымы қандай?[2]
-
а) Конденсаторды қолдану аймағына екі мысал келтіріңіз.[1]
b) Суретте конденсаторларды жалғау тәсілдері көрсетілген.

1 сурет 2 сурет
-
1 сурет бойынша жалпы сыйымдылықты анықтау формуласын жазыңыз.
[1]
-
2 сурет бойынша жалпы сыйымдылықты анықтау формуласын жазыңыз.
[1]
Жалпы балл: 8
|
ІІІ-нұсқа |
|
-
1.Пластмасс таяқшаны құрғақ жүнге үйкегенде ол теріс заряд алды. Неліктен эбонит таяқша теріс зарядқа ие болды?
-
Таяқша жүннен электрондар алды
-
Таяқша жүннен нейтрондар алды
-
Таяқша жүнге электрондар берді
-
Таяқша жүнге нейтрондар берді
-
2.Кеңістікте орналасқан екі нүктелік зарядтар көрсетілген. Олардың зарядтары
сәйкесінше2 мкКл және 4
мкКл. k =
9·109 Н
м2/Кл2.

Нүктелік зарядтар вакуумда орналасқан және олардың ара қашықтығы 2см деп есептеп
әсерлесу күшінің сандық мәнін анықтаңыз. [2]
3.10-7 Кл заряд тұрған нүктеде электр өрісінің кернеулігі 5 В/м.. Зарядқа әсер ететін
күшті табу керек. [2]
4.а) Конденсаторды қолдану аймағына екі мысал келтіріңіз.[1]
b) Суретте конденсаторларды жалғау тәсілдері көрсетілген.

1 сурет 2 сурет
-
1 сурет бойынша жалпы сыйымдылықты анықтау формуласын жазыңыз.
[1]
-
2 сурет бойынша жалпы сыйымдылықты анықтау формуласын жазыңыз.
[1]
Жалпы балл: 8
ІҮ-нұска
1.Зарядталған денелердің (1-сурет) өзара әрекетедұрыскескінделгенбе?
![]()
-
+ -
+ - +
1 2 3 1-сурет
-
1
-
2
-
3
-
1,2,3
[1]
2. Аспандағы екі бұлттың электр зарядтары сәйкесінше 20 Кл және 30 Кл. Бұлттар арасында орташа қашықтық 30км болса, онда олар бір-бірімен қандай күшпен әрекеттеседі?
[2]
3.Біртекті электростатикалық өрістегі зарядтың шамасы 5*10-7 Кл. Өріс
тарапынан зарядқа әсер ететін күш 2,5кН. Өрістің кернеулігі қандай?
[2]
-
а) Конденсатордықолдануаймағынаекімысалкелтіріңіз. [ 1]
-
Суреттеконденсаторлардыжалғаутәсілдерікөрсетілген.

1 суретбойыншажалпысыйымдылықтыанықтауформуласынжазыңыз. [ 1]
2 суретбойыншажалпысыйымдылықтыанықтауформуласынжазыңыз [1]
Жалпы балл: 8
16
|
Бағалау критерийлері |
Тапсыр ма № |
Дескриптор |
Балл |
|
Білім алушы |
|||
|
Үйкеліс арқылы денені электрлендіру құбылысын сипаттайды |
1 |
Үйкеліс арқылы дене қалай электрленетінін анықтайды. |
1 |
|
Кулон заңын есептер шығаруда қолданады |
2 |
Кулон заңын жазады. |
1 |
|
Зарядтардың әсерлесу күшін есептейді. |
1 |
||
|
Электр өрісі және оның күштік сипаттамасы ұғымдарының физикалық мағынасын анықтайды
|
3 |
Зарядтардың электр өрістерінің күш сызықтырын суретке салып көрсетеді. |
1 |
|
С нүктесіндегі электр өрісінің кернеулігін анықтайды. |
1 |
||
|
Конденсаторлардың құрылысын және қолданылуын сипаттайды |
4 |
Конденсаторды қолдану аймағына екі мысал келтіреді. |
1 |
|
Конденсаторларды жалғау тәсіліне сәйкес жалпы сыйымдылықты анықтайтын формуласын жазады. |
2 |
||
|
Жалпы балл |
|
|
8 |
«Электростатика негіздері» бөлімі бойынша жиынтық бағалаудың нәтижесіне қатысты ата-аналарға ақпарат ұсынуға арналған рубрика
|
Бағалау критерийлері |
Оқу жетістіктерінің деңгейі |
||
|
төмен |
орташа |
жоғары |
|
|
Үйкеліс арқылы денені электрлендіру құбылысын сипаттайды
|
Электрондардың бір денеден екінші
денеге ауысуы арқылы денелер зарядталатынын сипаттау қиындық
тудырады. |
Электрондардың бір денеден екінші
денеге ауысуы арқылы денелер зарядталатынын түсіндіргенде қателерге
жол береді. |
Электрондардың бір денеден екінші денеге ауысуы арқылы денелер зарядталатынын түсіндіре алады.
|
|
Кулон заңын есептер шығаруда қолданады
|
Кулон заңын біледі, бірақ есептер
шығарғанда қолдану қиындық тудырады. |
К |
Кулон заңын біледі, есептер шығарғанда қолданады.
|
|
Электр өрісі және оның күштік сипаттамасы ұғымдарының физикалық мағынасын анықтайды |
Кернеуліктің векторлық шама екенін
ескермей, қателіктерге жол береді. |
Кернеуліктің векторлық шама екенін біледі.
Есептеулерде кіші-гірім қателерге жол
береді. |
Кернеуліктің векторлық шама екенін біледі. Есептеулерде қателер жібермейді.
|
|
Конденсаторлардың құрылысын және қолданылуын сипаттайды |
Конденсаторлардың құрылысын біледі
бірақ қолданылуын сипаттау қиындық тудырады.
|
Конденсаторларды жалғау тәсілдерін
қатысты есептеулерде кіші-гірім қателер жіберді.
|
Конденсаторлардың құрылысын біледі және қолданылуын сипаттайды.
|
3-ТОҚСАН БӨЛІМ БОЙЫНША ЖИЫНТЫҚ БАҒАЛАУ ТАПСЫРМАЛАРЫ
|
Оқу мақсаттары |
8.4.2.2 - электр схемасын графикалық бейнелеуде электр тізбегі элементтерінің шартты белгілерін қолдану 8.4.2.11 - өткізгіштерді тізбектей және параллель жалғауда тізбек бөлігі үшін Ом заңын қолданып, электр тізбектеріне есептеулер жүргізу 8.4.2.13 - Джоуль-Ленц заңын есептер шығару үшін қолдану |
|
Бағалау критерийлері |
Білім алушы
|
|
Ойлау дағдыларының деңгейлері |
Қолдану |
|
Орындау уақыты |
25 минут |
|
|
|
|
|
|
Тапсырма І-нұсқа
-
С
уретте оқушы екі шамды да ток көзіне қосу үшін қандай кілттерді
пайдаланады? A)1 және 2-
1, 2 және 3
-
1 және 3
-
2 және 3
-
[1]
-
60 Вт, 240 В белгісі бар төрт шам номинал режимде жұмыс жасау үшін қай сұлба бойынша жалғау тиімдірек? Ток күші неге тең?

[1]
[2]
-
1 суретте электр тізбегі көрсетілген.

1 сурет
а) Электр тізбегі ток көзіне қосылғанда шам жанады, бірақ амперметр бағдаршасы (стрелка) кейін қарай ауытқиды. Амперметр дұрыс жұмыс жасау үшін тізбекке қандай өзгеріс жасау қажет?
[1]
b) Амперметр қандай шаманы өлшейді?
[1]
с)Шамдағы потенциалдар айырымы 6 В болса, шамнан өтетін ток күшін есептеңіз.
[2]
d)Шам тізбекте 30 мин қосылып тұрса қанша энергия бөлінеді?
[2]
Жалпы балл: 9
Тапсырма ІІ-нұсқа
-
С
уретте
оқушы екі шамды да ток көзіне қосу үшін қандай кілттерді
пайдаланады? A)1 және 2-
1, 2 және 3
-
1 және 3
-
2 және 3
-
[1]
-
80 Вт, 240 В белгісі бар төрт шам номинал режимде жұмыс жасау үшін қай сұлба бойынша жалғау тиімдірек? Ток күші неге тең?
А В С Д

[1]
[2]
-
1 суретте электр тізбегі көрсетілген.

1 сурет
а) Электр тізбегі ток көзіне қосылғанда шам жанады, бірақ амперметр бағдаршасы (стрелка)
кейін қарай ауытқиды. Амперметр дұрыс жұмыс жасау үшін тізбекке қандай өзгеріс жасау қажет?
[1]
b) Амперметр тізбекке қалай жалғанады?
[1]
с)Шамдағы потенциалдар айырымы 8 В болса, шамнан өтетін ток күшін есептеңіз.
[2]
d)Шам тізбекте 45 мин қосылып тұрса қанша энергия бөлінеді?
[2]
Жалпы балл: 9
Тапсырма ІІІ-нұсқа
-
С
уретте
оқушы екі шамды да ток көзіне қосу үшін қандай кілттерді
пайдаланады? A) 1,
2 және 3
В)2 және 3
С)1 және 2
Д) 1 және 3
[1]
-
40 Вт, 240 В белгісі бар төрт шам номинал режимде жұмыс жасау үшін қай сұлба бойынша жалғау тиімдірек? Ток күші неге тең?
А В С Д

[1]
[2]
-
1 суретте электр тізбегі көрсетілген.

1 сурет
а) Электр тізбегі ток көзіне қосылғанда шам жанады, бірақ амперметр бағдаршасы (стрелка)
кейін қарай ауытқиды. Амперметр дұрыс жұмыс жасау үшін тізбекке қандай өзгеріс жасау қажет?
[1]
b) Амперметр тізбекке қалай жалғанады?
[1]
с)Шамдағы потенциалдар айырымы 4 В болса, шамнан өтетін ток күшін есептеңіз.
[2]
d)Шам тізбекте 20 мин қосылып тұрса қанша энергия бөлінеді?
[2]
Жалпы балл: 9
ТапсырмаІҮ-нұсқа
1.Суретте оқушы екі шамды да ток көзіне қосу үшін қандай кілттерді пайдаланады?
-
1 және 2
-
1, 2 және 3
-
1 және 3
-
2 және 3

[1]
2.Кедергілері 20 Ом және 30 Ом болатын екі резистор кернеуі 24 В электр тізбегіне жалғанған. Тізбекке екі резисторды тізбектей және параллель жалғағандағы ток күші қандай?
[2]
-
1 суреттеэлектртізбегікөрсетілген.

-
сурет
а) Электр тізбегі ток көзінеқосылғандашамжанады, бірақ амперметр бағдаршасыкейінқарайауытқиды. Амперметр дұрысжұмысжасауүшінтізбеккеқандайөзгерісжасауқажет?
[1]
-
Амперметр қандай шаманы өлшейді?[1]
с) Шамдағыпотенциалдарайырымы 8 Вболса, шамнанөтетін ток күшінесептеңіз.[2]
-
Шамтізбекте 60 мин қосылыптұрсақанша энергия бөлінеді?[2]
Жалпы балл: 9
|
Бағалау критерийлері |
Тапсыр ма № |
Дескриптор |
Балл |
|
Білім алушы |
|||
|
Электр схемасын графикалық бейнелеуде электр тізбегі элементтерінің шартты белгілерін қолданады |
1 |
Электр шамының жануы үшін қай кілттерді қосу керек екендігін анықтайды |
1 |
|
Өткізгіштерді тізбектей және параллель жалғауда тізбек бөлігі үшін Ом заңын қолданып, электр тізбектеріне есептеулер жүргізеді |
2 |
Паралель және тізбектей жалғауларды ажыратады |
1
|
|
Электр шамының жануы үшін тізбекті жалғану нүктесін табады |
1 |
||
|
Токтың энергетикалық параметрлерін табу үшін тұрақты ток заңдарын есептер шығаруда қолданады
|
3 |
a) Амперметр дұрыс жұмыс жасау үшін тізбекке қандай өзгеріс жасау қажеттігін анықтайды |
1 |
|
b) Амперметр қандай шаманы өлшейтінін анықтайды |
1 |
||
|
c) Шамнан өтетін ток күшін анықтайтын формуланы қолданады Шамнан өтетін ток күшін есептейді |
1
1 |
||
|
d) Джоуль-Ленц заңын қолданады
Бөлінетін энергияны анықтайды |
1
1 |
||
|
Жалпы балл |
|
9 |
|
«Тұрақты электр тогы» бөлімі бойынша жиынтық бағалаудың нәтижесіне қатысты ата-аналарға ақпарат ұсынуға арналған рубрика
|
Бағалау критерийлері |
Оқу жетістіктерінің деңгейі |
||
|
төмен |
орташа |
жоғары |
|
|
Электр схемасын графикалық бейнелеуде электр тізбегі элементтерінің шартты белгілерін қолданады |
Электр схемасына талдау жасау қиындық
тудырады. |
Электр схемасын түсінеді, сапалы есептерге талдау
жүргізгенде кішігірім қателіктерге жол
береді. |
Электр схемасын түсінеді, дұрыс талдайды сапалы есептер шығарғанда қолдана алады.
|
|
Өткізгіштерді тізбектей және параллель жалғауда тізбек бөлігі үшін Ом заңын қолданып, электр тізбектеріне есептеулер жүргізеді |
Өткізгіштерді тізбектей және параллель
жалғауда тізбек бөлігін есептеуге аранлған заңдылықтарды қолдану
қиындық тудырады. |
Өткізгіштерді тізбектей және параллель жалғауда
тізбек бөлігіне арналған заңдылықтарды біледі, бірақ қолданғанда
қате жібереді. |
Өткізгіштерді тізбектей және параллель
жалғауда тізбек бөлігіне арналған заңдылықтарды нақты сапалы
есептер шығаруға қолданады. |
|
Токтың энергетикалық параметрлерін табу үшін тұрақты ток заңдарын есептер шығаруда қолданады |
Кедергінің физикалық мағынасын, оның
өлшем бірлігін сипаттайды, жұмыс және қуат формулаларын есептеуде
қиындық тудырады. |
Кедергінің физикалық мағынасын, оның өлшем
бірлігін сипаттайды, жұмыс және қуат формулаларын есептеуде кезінде
кіші-гірім қателіктерге жол береді. |
Кедергінің физикалық мағынасын, оның өлшем бірлігін сипаттайды, жұмыс және қуат формулаларын есептеулер жүргізеді.
|
22
3-ТОҚСАН БӨЛІМ БОЙЫНША ЖИЫНТЫҚ БАҒАЛАУ ТАПСЫРМАЛАРЫ
№2 БЖБ «Электромагниттік құбылыстар» бөлімі бойынша жиынтық бағалау
|
Оқу мақсаттары |
8.4.3.1 - магниттердің негізгі қасиеттеріне сипаттама беру және магнит өрісін күш сызықтары арқылы графикалық бейнелеу; 8.4.3.5 - магнит өрісінің тогы бар өткізгішке әсерін сипаттау 8.4.3.6 - электрқозғалтқыштың және электр өлшеуіш құралдардың жұмыс істеу принципін түсіндіру |
|
Бағалау критерийлері |
Білім алушы
|
|
Ойлау дағдыларының деңгейлері |
Қолдану |
|
Орындау уақыты |
25 минут |

-
сурет
Қай компастың бағдаршасы (стрелка) дұрыс бағытталған?
[1]
-
2-суретте соленоид және оған өте сезімтал вольтметр жалғанған.

-
- сурет
Қандай жағдайда вольтметрдің көрсеткіші нольге тең?
А) Магнитті соленоидақа жақын қозғалтпай ұстағанда
В) Магнитті соленоидтан алыстатқанда
С) Магнитті соленоидқа жақындатқанда
D) Соленоидты магнитке жақындатқанда [1]
3. 3-суретте магнит полюстарының арасына ілінген иілгіш жұмсақ сым көрсетілген. Сым 12 В ток көзіне қосылған. Бастапқы кезде кілт ажыратулы тұрады.

3-сурет
а) Кілтті қосқанда сым неліктен орнынан қозғалып кететінін түсіндіріңіз. [1]
b) Сымның қай жаққа ауытқитынын анықтаңыз. [1]
с) Сым қозғалғанда энергияның түрленуін жазыңыз. [1]
4.4-суретте катушкаға оралған сым орамдары қатты оське кигізіліп, магнит өрісінде
орналастырылған.

4-сурет
А)Катушканы ток көзіне жалғап осы суретті толықтырыңыз.
[1]
В)Катушканы ток көзіне жалғағанда қандай құбылыс орын алады?
[1]
Жалпы балл: 7
ТапсырмаІІ-нұсқа
-
С
уретте
жолақ магниттің магниттік сызықтары және 1,2,3 магнит тілшелер
көрсетілген. Қай тілшеге магнит күшті, қайсына әлсіз әсер
етеді.
А) 1-ші тілшеге күшті, 2-тілшеге әлсіз;
Б) 2-ші тілшеге күшті, 1-тілшеге әлсіз;
В)3-ші тілшеге күшті, 2-тілшеге әлсіз;
Г) ешбір тілшеге әсер етпейді;
Д) а-г жауаптар аасында дұрысы жоқ.
[1]
-
Суретте магнит өрісінде орналасқан тогы бар өткізгіш көрсетілген. Өткізгішке әсер ететін күштің бағытын көрсетіңдер. Оның бағытын қандай ережемен анықтайды?
А) Өтуізгішке әсер ететін күш оңға қарай бағытталған, Ампер күші;
Б)Өтуізгішке әсер ететін күш солға қарай бағытталған, Ампер күші;
В)Өтуізгішке әсер ететін күш тік төмен қарай бағытталған, Бұрғы ережесі;
Г) Өтуізгішке әсер ететін күш тік жоғары қарай бағытталған, Ампер күші;
Д) а-г жауаптар аасында дұрысы жоқ.
[1]
3. Суретте кімнің тәжірибесі тәжірибе көрсетілген?
А) Электромагниттік индукия құбылысы деген не? [1]
Б) Индукциялық ток дегеніміз не? [1]
В) Айнымалы ток дегеніміз не?[1]

4.Суретте таға тәрізді
магниттің ортасына тогы бар өткізгіш орналастырылған. Не себептен
өткізгіш оған тартылады немесе одан тебіледі? Бұл кімнің
тәжірибесі? Б
[2]
ІІІ-нұсқа
1
.Суретте жолақ магниттің
магниттік сызықтары және 1,2,3 магнит тілшелер көрсетілген. Қай
тілшеге магнит күшті, қайсына әлсіз әсер
етеді.
А) 1-ші тілшеге күшті, 2-тілшеге әлсіз;
Б) 3-ші тілшеге күшті, 2-тілшеге әлсіз;
В)2-ші тілшеге күшті, 1-тілшеге әлсіз;
Г) ешбір тілшеге әсер етпейді;
Д) а-г жауаптар аасында дұрысы жоқ.
[1]
2. Тогы бар шарғының магнит өрісін күшейту үшін:
1) ток күшін арттыру;
2) орам сандарын арттыру;
3) шарғы ішіне темір өзекше енгізу;
А) тек 1;Б) тек 2;В) тек 3; Г) 1,2,3; Д) ондай жағдай мүмкін емес. [1]
3.Суретте көрсетілген тоғы бар түзу өткізгіштің магнит өрісінің күш сызықтары-
ның бағыттарын қандай ережемен оқылады?
А) Электромагниттік индукия құбылысы деген не? [1]
Б) Индукциялық ток дегеніміз не?[1]
В) Айнымалы ток дегеніміз не?[1]

4. Бұл кімнің тәжірибесі? Қолданған құралдар қалайдеп аталады?Ғалым ашқан бұл құбылыс физика тарихына қандайатаумен енген?Электр тогы қала пайда болатынын жаз. Б
[2]

Тапсырма ІҮ-нұсқа.
-
Өткізгіш айналасындағы магнит өрісінің күш сызыктарыбағытын көрсетіңдер.
В
![]()
I I
I
- +
1-сурет [1]
2.Бірінші өткізгіштенекінші өткізгішке әрекет ететенкүш бағытынанықтаңдар.Ал егер:
А)сол жақтағы өткізгіштегі ток күшінің бағытын
Б)екінші өткізгіштегіток күшінің бағытын
В)екі өткізгіштегі де ток күшінің бағыттарын өзгертер болсақ,күш бағыты қалай өзгерер еді?
![]()
![]()
I
1 xI2
xВ
x x
x x
[1]
3. Суретте кімнің тәжірибесі тәжірибе көрсетілген?
А) Электромагниттік индукия құбылысы деген не? [1]
Б) Индукциялық ток дегеніміз не?[1]
В) Айнымалы ток дегеніміз не?
[1]
4
-суретте катушкаға
оралған сым орамдары қатты оське кигізіліп, магнит өрісінде
орналастырылған.
4-сурет
Катушканы ток көзіне жалғап осы суретті толықтырыңыз. [1]
Катушканы ток көзінежалғағанда қандай құбылыс орын алады? [1]
Жалпы 7балл
|
Бағалау критерийлері |
Тапсыр ма № |
Дескриптор |
Балл |
|
Білім алушы |
|||
|
Магнит өрісін күш сызықтарын графикалық түрдебейнелейді |
1 |
Тұрақты магниттің магнит өрісінің күш сызықтарын сызады. |
1 |
|
Жолақ магнит пен соленоидтың магнит өрістерін салыстырады |
2 |
Электромагнттік индукция құбылысын сипаттайды. |
1 |
|
Электрқозғалтқыштың және электр өлшеуіш құралдардың жұмыс істеу принципін сипаттайды |
3 |
a) Кілтті қосқанда сым неліктен орнынан қозғалып кететінін анықтайды. |
1 |
|
b) Сымның қай жаққа ауытқитынын анықтайды. |
1 |
||
|
c) Сым қозғалғанда қай энергия қандай энергияға түрленетінін анықтайды. |
1 |
||
|
d) Токтың бағытын көрсетеді. |
1 |
||
|
Орын алған құбылысты сипаттайды. |
1 |
||
|
Жалпы балл |
7 |
||
|
|
|
||
«Электромагниттік құбылыстар» бөлімі бойынша жиынтық бағалаудың нәтижесіне қатысты ата-аналарға ақпарат ұсынуға арналған рубрика
|
Бағалау критерийлері |
Оқу жетістіктерінің деңгейі |
|
|
|
|
|
|
|||||
|
төмен |
орташа |
жоғары |
|
|
|
|
|
|
||||
|
Магнит өрісін күш сызықтарын графикалық түрде бейнелейді
|
Магнит өрісінің күш сызықтарын сызып көрсету қиындық тудырады.
|
Магнит өрісінің күш сызықтарын дұрыс салып көрсеті қиындық тудырады. |
Магнит өрісінің күш сызықтарының табиғатын терең түсінген, күш сызықтарын сызып көрсетеді. |
|
|
|
|
|
|
|||
|
|
|
|
|
|
|
|||||||
|
Жолақ магнит пен соленоидтың магнит өрістерін салыстырады |
Э
|
Э
|
Электромагниттік индукция құбылысын біледі және түсіндіре алады. |
|
|
|
|
|
|
|||
|
|
|
|
|
|||||||||
|
Электрқозғалтқыштың және электр өлшеуіш құралдардың жұмыс істеу принципін сипаттайды |
Э |
Э |
Э |
|
|
|
|
|
|
|||
4-ТОҚСАН БӨЛІМ БОЙЫНША ЖИЫНТЫҚ БАҒАЛАУ ТАПСЫРМАЛАРЫ
№ 1 БЖБ «Жарық құбылыстары» бөлімі бойынша жиынтық бағалау
|
Оқу мақсаттары |
8.5.1.4 – жазық айнада дененің кескінін алу және оны сипаттау 8.5.1.7 – жарықтың сыну заңын пайдаланып есептер шығару 8.5.1.8 – тәжірибеге сүйене отырып толық ішкі шағылу құбылысын түсіндіру 8.5.1.13 – жұқа линзада сәуленің жолын салу және кескінге сипаттама беру |
|
Бағалау критерийлері |
Білім алушы
|
|
Ойлау дағдыларының деңгейлері |
Қолдану |
|
Орындау уақыты Тапсырма І-нұсқа |
20 минут |
-
Жазық айнада тура кескін пайда болды.

Кескіннің басқа сипаттамалары дұрыс көрсетілген жауапты таңдаңыз.
|
|
Бүйір жағы бойынша төңкерілген (сол жағы оңға) |
Сызықтық ұлғаюы (объектіге қарағанда үлкен) |
Жалған |
|
А |
жоқ |
ия |
ия |
|
В |
ия |
жоқ |
жоқ |
|
С |
ия |
жоқ |
ия |
|
D |
ия |
ия |
жоқ |
[1]
-
Жарық сәулесі шыныдан ауаға 400 түсу бұрышымен өтіп жатыр. Шыны-ауа шекарасы үшін шекті бұрыш 42°. Қай суретте жарық сәулесінің жүрісі дұрыс көрсетілген?

[1]
-
Фокус қашықтығы 10 см болатын жинағыш линзадан 30 см қашықтықта объект орналасқан. Кескіннен линзаға дейінгі қашықтықты анықтаңыз.
А) 30 см
В) 10 см
С) 20 см
D) 15 см[1]
-
OX нәрсесі жинағыш линзаның алдында орналасқан. Линза IY кескінін пайда етеді.
4.1 суретте нәрседен кескінге дейін екі сәуле көрсетілген.

сурет
а) Суретте линзаның бас фокусын және фокус қашықтығын мұқият белгілеңіз
[2]
X тан Y ке үшінші сәулені сызыңыз.
[1]
b) Кескінді сипаттау үшін төмендегі берілген сөздерді қолдануға болады.
Суреттегі кескінді сипаттайтын сөздерді таңдаңыз.
Шын □
Жалған □
Үлкейтілген □
Кішірейтілген □
Төңкерілген □
Тура □
Кескіннен линзаға дейінгі қашықтық нәрседен линзаға дейінгі қашықтықтан кіші □ Кескіннен линзаға дейінгі қашықтық
нәрседен линзаға дейінгі қашықтықтан үлкен □
[2]
с) Суреттегі нәрсе линзадан алыстаса кескінде қандай өзгеріс болатынын тұжырымдаңыз.
-
.................................................................................................................................
-
.................................................................................................................................
[2]
Жалпы балл: 10
Тапсырма ІІ-нұсқа
1. Фокус қашықтығы 10 см болатын жинағыш линзадан 15 см қашықтықта кескін пайда болса,обьект линзадан қандай қашықтықтаорналасқанын анықтаңыз.
А) 30 см В) 10 см С) 20 см D) 15 см[1]
2.
Жарық сәулесі ауадан
шыныға 400 түсу бұрышымен түсіп, одан бір бөлігі сынып
өтіп, бір бөлігі шыныдан шағылған. Егер сыну бұрысы
250
болса, онда шағылу сәуле мен
сынған сәуленің арасы қанша градус
болады?
[1]
-
OX нәрсесі жинағыш линзаның алдында орналасқан. Линза IY кескінін пайда етеді.
Суретте нәрседен кескінге
дейін екі сәуле көрсетілген. 
сурет
а) Суреттелинзаның бас фокусын және фокус қашықтығын мұқият белгілеңіз
[2]
X тан Y ке үшінші сәулені сызыңыз.
[1]
b) Кескінді сипаттау үшін төмендегі берілген сөздерді қолдануға болады.
Суреттегі кескінді сипаттайтын сөздерді таңдаңыз.
Шын □
Жалған □
Үлкейтілген □
Кішірейтілген □
Төңкерілген □
Тура □
Кескіннен линзаға дейінгі қашықтық нәрседен линзаға дейінгі қашықтықтан кіші □ Кескіннен линзаға дейінгі қашықтық
нәрседен линзаға дейінгі қашықтықтан үлкен □
[2]
с) Суреттегі нәрсе линзадан алыстаса кескінде қандай өзгеріс болатынын тұжырымдаңыз.
1).................................................................................................................................
2).................................................................................................................................
[2]
4. Жазық айнада тура кескін пайда болды.

Кескіннің басқа сипаттамалары дұрыс көрсетілген жауапты таңдаңыз.
|
|
Бүйір жағы бойынша төңкерілген (сол жағы оңға) |
Сызықтық ұлғаюы (объектіге қарағанда үлкен) |
Жалған |
|
А |
жоқ |
ия |
ия |
|
В |
ия |
жоқ |
ия |
|
С |
ия |
жоқ |
жоқ |
|
D |
ия |
ия |
жоқ |
[1]
Жалпы балл: 10
Тапсырма ІІІ-нұсқа
-
Сәуленің түсу бұрышы 60˚.Сәуленің шағылу бұрышы неге тең?
А) 30 ˚ В) 120˚ С) 60 ˚ D) 15˚ [1]
2. Жарық сәулесі ауадан шыныға
300
түсу бұрышымен түсіп, одан бір
бөлігі сынып өтіп, бір бөлігі шыныдан шағылған. Егер сыну бұрышы
230
болса, онда шағылу сәуле мен
сынған сәуленің арасы қанша градус
болады?
[1]
3.OX нәрсесі жинағыш линзаның алдында орналасқан. Линза IY кескінін пайда етеді.
Суретте нәрседен кескінге
дейін екі сәуле көрсетілген. 
сурет
а) Суреттелинзаның бас фокусын және фокус қашықтығын мұқият белгілеңіз
[2]
X тан Y ке үшінші сәулені сызыңыз.
[1]
b) Кескінді сипаттау үшін төмендегі берілген сөздерді қолдануға болады.
Суреттегі кескінді сипаттайтын сөздерді таңдаңыз.
Шын □
Жалған □
Үлкейтілген □
Кішірейтілген □
Төңкерілген □
Тура □
Кескіннен линзаға дейінгі қашықтық нәрседен линзаға дейінгі қашықтықтан кіші □ Кескіннен линзаға дейінгі қашықтық
нәрседен линзаға дейінгі қашықтықтан үлкен □
[2]
с) Суреттегі нәрсе линзадан алыстаса кескінде қандай өзгеріс болатынын тұжырымдаңыз.
1).................................................................................................................................
2).................................................................................................................................
[2]
4.. Жарық жылдамдығы неге тең?
А) 3*10⁸ м/с В) 3*10⁷ м/с С) 3*10³ м/с Д) 3*10⁵ м/с [1]
Жалпы балл: 10
Тапсырма ІҮ нұсқа
1.Жұқа жинағыш линзаның фокус қашықтығы 20 см, нәрседен линзаға дейінгі қашықтық 40 см болғанда, кескін линзадан қандай қашықтықта орналасады.
А)30см В) 40см С) 20см Д) 15см Е) 10см [1]
2. . Жазықайнада тура кескінпайдаболды.

Кескінніңбасқасипаттамаларыдұрыскөрсетілгенжауаптытаңдаңыз.
|
|
Бүйіржағыбойыншатөңкерілген (солжағыоңға) |
Сызықтықұлғаюы (объектігеқарағандаүлкен) |
Жалған |
|
А |
жоқ |
ия |
ия |
|
В |
ия |
жоқ |
ия |
|
С |
ия |
жоқ |
жоқ |
|
D |
ия |
ия |
жоқ |
[1]
3.Жарықсәулесішыныданауаға40отүсубұрышыменөтіпжатыр.Шыны-ауашекарасыүшіншектібұрыш 32°. Қайсуреттежарықсәулесініңжүрісідұрыскөрсетілген?

[ 1]
4.OXнәрсесіжинағышлинзаныңалдындаорналасқан. ЛинзаIYкескінінбереді.4.1-суреттенәрседенкескінгедейінекісәулекөрсетілген.

4.1 - сурет
а) 4.1 суреттелинзаныңбасфокусынжәнефокусқашықтығынмұқиятбелгілеңіз [2]
X тан Y кеүшіншісәуленісызыңыз. [1]
в) Кескіндісипаттауүшінтөмендегіберілгенсөздердіқолдануғаболады.
4.1 суреттегікескіндісипаттайтынсөздерді “V” белгісіменбелгілеп, таңдаңыз.
Шын □
Жалған □
Үлкейтілген □
Кішірейтілген □
Төңкерілген □
Тура □
Кескінненлинзағадейінгіқашықтық
нәрседенлинзағадейінгіқашықтықтанкіші □
Кескінненлинзағадейінгіқашықтық
нәрседенлинзағадейінгіқашықтықтанүлкен □ [ 2]
с) 4.1 суреттегінәрселинзаданалыстасакескіндеқандайөзгерісболатынынтұжырымдаңыз.
1) ..............................................................................................................
2) ............................................................................................................... [ 2]
Жалпы балл: 10
|
Бағалау критерийлері |
Тапсырма № |
Дескриптор |
Балл |
|
Білім алушы |
|||
|
Жазық айнада дененің кескінін алу және оны сипаттайды |
1 |
Жазық айна арқылы алынатын кескінді дұрыс сипаттайды |
1 |
|
Тәжірибеге талдау жүргізіп, толық ішкі шағылу құбылысын анықтайды |
2 |
Толық іштей шағылу құбылысын сипаттайды |
1 |
|
Жұқа линза формуласын есептер шығару үшін қолданады |
3 |
Жұқа линзаның формуласын қолданады
|
1 |
|
Жұқа линзада сәуленің жолын салады және кескінге сипаттама береді
|
4 |
a) Линзаның бас фокусын және фокус қашықтығын белгілейді |
2 |
|
Үшінші сәулені сызады |
1 |
||
|
b) Кескінді сипаттайтын сөздерді таңдайды |
2 |
||
|
c) Кескінде қандай өзгеріс болатынын тұжырымдайды
|
2 |
||
|
Жалпы балл |
|
|
10 |
|
Бағалау критерийлері |
Оқу жетістіктерінің деңгейі |
|||
|
төмен |
орташа |
жоғары |
||
|
Жазық айнада дененің кескінін алу және оны сипаттайды |
Жарық сәулесінің шағылу заңын сипаттауда қиындық тудырады. |
Жарық сәулесінің шағылу заңын біледі, нақты есептер шығарғанда қолданады, бірақ кескінді сипаттағанда қате жібереді.
|
Жарық сәулесінің шағылу заңын нақты есептер шығарғанда
қолданады, жазық айна арқылы алынатын
кескінді дұрыс сипаттайды. |
|
|
|
|
|||
|
|
||||
|
Тәжірибеге талдау жүргізіп, толық ішкі шағылу құбылысын анықтайды |
Толық іштей шағылу құбылысын түсіндіру қиындық тудырады тудырады. |
Толық іштей шағылу құбылысын
сипаттағанда кіші-гірім қателіктерге жол береді.
|
Толық іштей шағылу құбылысын түсіндіреді.
|
|
|
|
|
|||
|
|
||||
|
Жұқа линза формуласын есептер шығару үшін қолданады |
Жұқа линза формуласын есептер шығару үшін қолдану қиындық тудырады. |
Жұқа линза формуласын есептер шығару үшін қолданады, есептеулер жүргізгенде кіші-гірім қателерге жол береді.
|
Жұқа линза формуласын есептер шығару үшін қолданады.
|
|
|
|
|
|||
|
|
||||
|
Жұқа линзада сәуленің жолын салады және кескінге сипаттама береді
|
Жұқа линзаны сипаттайтын негізгі нүктелер мен физикалық шамаларды нақты есептер шығаруға қолдану |
Жұқа линзаны сипаттайтын негізгі
нүктелер мен физикалық шамаларды кез келген жағдаяттарда
қолданғанда қате жібереді . |
Жұқа линзаны сипаттайтын негізгі нүктелер мен сызбаларды барлық жағдайларда дұрыс қолданады.
|
|
шағым қалдыра аласыз















