Күні:
Сыныбы: 11
Пәні:физика
|
Сабақтың аты |
§ 3.7Модуляция және детекторлау |
|
Сілтеме |
Жоспар |
|
Жалпы мақсаты |
|
|
Күтілетін нәтиже |
|
|
Негізгі идеялар |
Амплитудалық модуляция туралы түсінік беру.
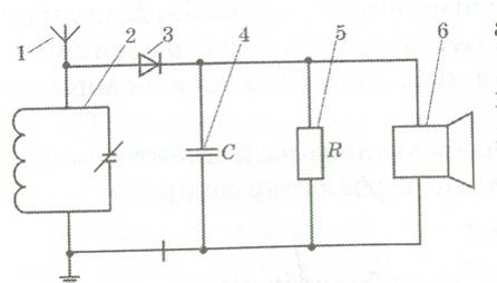
Транзисторлы генераторда өндірілетін жоғары жиілікті тербеліс графигі. Егер генератор контурының тізбегіндегі жоғары жиілікті айнымалы токтың амплитудасы дыбыс жиіліктеріне сәйкес үздіксіз өзгереді, яғни жоғары жиілікті тербелістердің модуляциясы іске аасады. Детекторлы радиоқабылдағыштың құрылысы мен жұмыс істеу принципі.
Микрофон қосылғанда дыбыс толқындары оның тізбегінде төменгі жиілікті электр тогын тудырады.
1-антенна, 2-резонанстық контур, 3-детектор, 4-конденсатор, 5-резистор, 6-дыбысзорайтқыш
|
|
Тапсырмалар |
Топтық жұмыс |
|
Тапсырмалар |
Жұптық жұмыс |
|
Тапсырмалар |
Жеке жұмыс «Блум таксономиясы» |
Сабақ бойынша мұғалімнің жазбалары: (мұғалім және оқушы немен айналысады)
І.Ұйымдастыру (2 минут)
-
Сәлемдесу
-
Сынып оқушыларына жағымды ахуал туғызу
-
Түгелдеу
1.2. Топқа бөлу (1,2,3 сандарына байланысты 3 топқа бөлінеді)
ІІ. Үй тапсырмасын сұрау (4 минут)
-
Электромагниттік толқын ағынының тығыздығы толқынның қандай сипаттамасы болып табылады?
-
Толқынның энергиясы қашықтыққа байланысты қалай өзгереді?
-
Толқын энергиясының электромагниттік тербеліс жиілігіне тәуелділігі қандай?
-
Электромагниттік толқындардың қандай қасиеттері бар?
-
Қандай толқын поляризацияланған толқын деп аталады?
ІІІ. Талқылау үшін сұрақтар беріледі (3 минут)
-
Модуляция деген не?
-
Амплитудалық модуляция деген не?
-
Модулятор қалай жұмыс істейді?
-
Детекторды қандай мақсат үшін қолданады?
-
ІҮ. Топтық жұмыс «Жигсо» (15 минут)
Сіздің тобыңызда 5 рөлді: лидер, баяндамашы, хатшы, уақыт сақшысы және бақылаушыларды анықтаңыз. Жұмыс төмендегідей жоспармен жүреді:
Берілген мәтінді оқып, топпен бірлесе отырып, талқылайды және әр топтың бақылаушысы жасаған жұмыстарға сәйкес бақылау парағын жүргізеді.
Бақылаушының бағалау парағы
|
№ |
Бағалау өлшемдері |
Көш басшы |
Хатшы |
Баяндамашы |
Уақыт сақшысы |
|
1 |
Тақырыптың ашылуына үлес қосу |
|
|
|
|
|
2 |
Міндетін атқару |
|
|
|
|
|
3 |
Топтық жұмысқа атсалысуы |
|
|
|
|
Әр оқушы өзіне жүктелген рөлдің міндеттерін атқарады.
Топ пікірлерін тыңдау.
Ү. Жұптық жұмыс «Пилот - Штурман» (5 минут)
(Штурман – басқарушы, пилот – орындаушы)
Б
ерілген
суретті түсіндіру, яғни штурман айтып отырады, пилот қағаз бетіне
түсіріп отырады.

Жұптың пікірлерін тыңдау, барлық айтылған ой-пікірлерді бағалаудың мақсатына сәйкестендіру
VІ. Жеке жұмыс «Блум таксономиясы» (13 минут)
|
1 |
Білу |
Модуляция және детекторлеу дегеніміз не? |
|
|
2 |
Түсіну |
Модуляция және детекторлеудің қолданылуын түсіндір? |
|
|
3 |
Қолдану |
Радиоқабылдағыштар радиосигналдарды не арқылы қабылдайды? |
|
|
4 |
Талдау |
Модуляция және детекторлеуді салыстыр? |
|
|
5 |
Жинақтау |
Радиоқабылдағыштардың жұмыс істеу принципіне мысал келтір? |
|
|
6 |
Бағалау |
Модуляция және детекторлеудің радиоқабылдағыш үшін маңызы қаншама? |
|
Жасаған жұмыстарын 2 жұлдыз, 1 ұсыныспен бағалау.
ҮІ. Кері байланыс (не үйрендім, не қиын болды, сұрақ.) (3 минут)
|
Кейінгі тапсырмалар |
Эссе жазу |
|
Кейінгі оқу |
§ 3.7Модуляция және детекторлау |
жүктеу мүмкіндігіне ие боласыз
Бұл материал сайт қолданушысы жариялаған. Материалдың ішінде жазылған барлық ақпаратқа жауапкершілікті жариялаған қолданушы жауап береді. Ұстаз тілегі тек ақпаратты таратуға қолдау көрсетеді. Егер материал сіздің авторлық құқығыңызды бұзған болса немесе басқа да себептермен сайттан өшіру керек деп ойласаңыз осында жазыңыз
Модуляция және детекторлау 11 сынып
Модуляция және детекторлау 11 сынып
Күні:
Сыныбы: 11
Пәні:физика
|
Сабақтың аты |
§ 3.7Модуляция және детекторлау |
|
Сілтеме |
Жоспар |
|
Жалпы мақсаты |
|
|
Күтілетін нәтиже |
|
|
Негізгі идеялар |
Амплитудалық модуляция туралы түсінік беру.
Транзисторлы генераторда өндірілетін жоғары жиілікті тербеліс графигі. Егер генератор контурының тізбегіндегі жоғары жиілікті айнымалы токтың амплитудасы дыбыс жиіліктеріне сәйкес үздіксіз өзгереді, яғни жоғары жиілікті тербелістердің модуляциясы іске аасады. Детекторлы радиоқабылдағыштың құрылысы мен жұмыс істеу принципі.
Микрофон қосылғанда дыбыс толқындары оның тізбегінде төменгі жиілікті электр тогын тудырады.
1-антенна, 2-резонанстық контур, 3-детектор, 4-конденсатор, 5-резистор, 6-дыбысзорайтқыш
|
|
Тапсырмалар |
Топтық жұмыс |
|
Тапсырмалар |
Жұптық жұмыс |
|
Тапсырмалар |
Жеке жұмыс «Блум таксономиясы» |
Сабақ бойынша мұғалімнің жазбалары: (мұғалім және оқушы немен айналысады)
І.Ұйымдастыру (2 минут)
-
Сәлемдесу
-
Сынып оқушыларына жағымды ахуал туғызу
-
Түгелдеу
1.2. Топқа бөлу (1,2,3 сандарына байланысты 3 топқа бөлінеді)
ІІ. Үй тапсырмасын сұрау (4 минут)
-
Электромагниттік толқын ағынының тығыздығы толқынның қандай сипаттамасы болып табылады?
-
Толқынның энергиясы қашықтыққа байланысты қалай өзгереді?
-
Толқын энергиясының электромагниттік тербеліс жиілігіне тәуелділігі қандай?
-
Электромагниттік толқындардың қандай қасиеттері бар?
-
Қандай толқын поляризацияланған толқын деп аталады?
ІІІ. Талқылау үшін сұрақтар беріледі (3 минут)
-
Модуляция деген не?
-
Амплитудалық модуляция деген не?
-
Модулятор қалай жұмыс істейді?
-
Детекторды қандай мақсат үшін қолданады?
-
ІҮ. Топтық жұмыс «Жигсо» (15 минут)
Сіздің тобыңызда 5 рөлді: лидер, баяндамашы, хатшы, уақыт сақшысы және бақылаушыларды анықтаңыз. Жұмыс төмендегідей жоспармен жүреді:
Берілген мәтінді оқып, топпен бірлесе отырып, талқылайды және әр топтың бақылаушысы жасаған жұмыстарға сәйкес бақылау парағын жүргізеді.
Бақылаушының бағалау парағы
|
№ |
Бағалау өлшемдері |
Көш басшы |
Хатшы |
Баяндамашы |
Уақыт сақшысы |
|
1 |
Тақырыптың ашылуына үлес қосу |
|
|
|
|
|
2 |
Міндетін атқару |
|
|
|
|
|
3 |
Топтық жұмысқа атсалысуы |
|
|
|
|
Әр оқушы өзіне жүктелген рөлдің міндеттерін атқарады.
Топ пікірлерін тыңдау.
Ү. Жұптық жұмыс «Пилот - Штурман» (5 минут)
(Штурман – басқарушы, пилот – орындаушы)
Б
ерілген
суретті түсіндіру, яғни штурман айтып отырады, пилот қағаз бетіне
түсіріп отырады.

Жұптың пікірлерін тыңдау, барлық айтылған ой-пікірлерді бағалаудың мақсатына сәйкестендіру
VІ. Жеке жұмыс «Блум таксономиясы» (13 минут)
|
1 |
Білу |
Модуляция және детекторлеу дегеніміз не? |
|
|
2 |
Түсіну |
Модуляция және детекторлеудің қолданылуын түсіндір? |
|
|
3 |
Қолдану |
Радиоқабылдағыштар радиосигналдарды не арқылы қабылдайды? |
|
|
4 |
Талдау |
Модуляция және детекторлеуді салыстыр? |
|
|
5 |
Жинақтау |
Радиоқабылдағыштардың жұмыс істеу принципіне мысал келтір? |
|
|
6 |
Бағалау |
Модуляция және детекторлеудің радиоқабылдағыш үшін маңызы қаншама? |
|
Жасаған жұмыстарын 2 жұлдыз, 1 ұсыныспен бағалау.
ҮІ. Кері байланыс (не үйрендім, не қиын болды, сұрақ.) (3 минут)
|
Кейінгі тапсырмалар |
Эссе жазу |
|
Кейінгі оқу |
§ 3.7Модуляция және детекторлау |
шағым қалдыра аласыз














