Бекітемін
Директордың оқу ісі жөніндегі орынбасары Д. Оспанова
|
Білім беру ұйымының атауы |
№101 мектеп лицейі |
|||||
|
Пәні: |
Физика |
|||||
|
Бөлім: |
8.3 А Тұрақты электр тогы |
|||||
|
Педагогтің аты-жөні: |
Саулебекова К.Т. |
|||||
|
Күні: |
20.01.2025-22.01.2025 |
|||||
|
Сынып: 8Д,8Ж |
Қатысушылар саны: |
Қатыспағандар саны: |
||||
|
Сабақтың тақырыбы: |
Тiзбек бөлiгi үшiн Ом заңы |
|||||
|
Оқу бағдарламасына сәйкес оқыту мақсаты: |
8.4.2.6 – тізбек бөлігі үшін Ом заңын есептер шығаруда қолдану; |
|||||
|
Сабақтың мақсаты |
Кедергі, кернеу және ток күшінің байланысын анықтайды Тізбек бөлігі үшін Ом заңын графиктік және сандық есептерде қолданып есептер шығарады |
|||||
|
Сабақтың құндылығы |
Тәртіп пен әділдік, нормалар мен ережелерді сақтау қажеттілігін түсіну; қоғамды қорғау мен қауіпсіздікті қамтамасыз етудегі заң мен тәртіптің маңыздылығын білу. |
|||||
|
Сабақтың барысы |
||||||
|
Сабақтың кезеңі//уақыты |
Педагогтің әрекеті |
Оқушының әрекеті |
Бағалау |
Ресурстар |
||
|
Ұйымдастыру Өзін-өзі тексеру Сабақтың басы Өткен білімді еске түсіру 7 минут Жаңа білім 10 минут |
Ұйымдастыру кезеңі. Оқушылармен сәлемдесу, оқушыларды түгелдеу. Оқушылардың сабаққа дайындығын тексеру. Оқушылардың назарын сабаққа аудару. Оқушылардың шапшаңдығын және теориялық материалды меңгеру деңгейін тексеру үшін ауызша сұрақтар беріледі.
Аттас заряттар бір-бірімен тартылама ма? (жоқ) Ток күшінің өлшем бірлігі омметр. (жоқ) Электр кернеуін өлшейтін құрал амперметр (жоқ) Ток күшін өлшейтін құрал амперметр (иә) Электр тогының магниттік әсері болама ма? (иә) Әр аттас заряттар бірін-бірі тебеме? (жоқ) Электр кернеуінің өлшем бірлігі Ом (жоқ) Электр кернеуінің өлшем бірлігі вольт (иә) Кедергіні R-әрпімен белгілей ме? (иә) Кедергінің өлшем бірлігі секунд (жоқ) Кедергіні өлшейтін құрал реостат (иә) Электр тогының химиялық әсері болама ма? (иә) Жауаптарын мұғалім айтады, оқушылар өзара бағалау жүргізеді.Оқушылардың жауаптарына мұғалім кері байланыс жасайды.
Ток күші кернеуден қалай тәуелді? Ток күші басқа қандай шамаға тәуелді болады?
Сұраққа жауап беру мақсатында шағын зерттеу жұмысын жүргізеді.
Т Мұғалім түсіндірмесі: Оқушылармен бірге зерттеу нәтижесінен ток күші, кернеу және кедергінің арасындағы сандық байланысты анықтап, формуласын, Ом заңының физикалық мағынасын түсіндіреді: Теориялық материал Тізбек бөлігіндегі токтыӊ күші, тізбек ұштарындағы кернеу және тізбек бөлігініӊ кедергі арасындағы тәуелділікті 1827 ж. неміс физигі Ом Георг анықтады. Бұл тәуелділік Ом заӊы деп аталады. |
Оқушылар үй тапсырмасын қайталау сұрақтарына «иә» немесе «жоқ» деп тез-тез жауап береді. Оқушылар зерттеу нәтижесін қолданып, Ом заңын тұжырымдайды. |
ҚБ: «Ынталандыру, мадақтау» ҚБ: «Бір сөйлем» әдісі арқылы зерттеу нәтижесін қорытындылайды. |
ДК экран Оқулық Слайд Қосымша №1 phet.colorado. com электрлік сұлба |
||
|
8 минут |
Тапсырмалар: 1.Электр үтігі 220В желіге қосылған. Үтіктің қыздыру элекментінің кедергісі 50Ом болса, ондағы ток күші қандай? 2. Кернеуі 12В тоқ көзіне қосылған электр шамы арқылы 2А ток өтеді. Кедергісі қандай? 3. Қалта фонары қыл сымының кедергісі 15 Ом және шамнан өтетін ток күші 0,3 А болса, онда батареяның кернеуі қандай болар еді? 4. Берілген графикті
пайдаланып, кедергінің мәнін анықтаңыз:
|
Оқушылар жұптасып берілген есептерді шығарады. |
БК: Ом заңын қолданып есептер шығарады. Дескриптор: 1.Есептің шартын жазады 2.Қажетті формуланы анықтайды. 3.Ізделінді шаманы есептейді. |
Қосымша №2 Таратпа материал |
||
|
Бекіту 15 минут Кері байланыс Сабақтың соңы. 5 минут |
Ом заңына байланысты сұрақтар мен саралау тапсырмалары беріледі: 5.Ом заңының физикалық мағынасын бағалау: Логикалық сұрақ Бөлмеде бір шам бар, 3 ажыратқыш бөлменің сыртында, олардың біреуі ғана осы бөлмедегі шамды жаға алады, қалған ажыратқыш жұмыс істемейді. Ажыратқыштардың қайсысы шамды жағатынын білу қажет. (Бөлмеге бір рет кіруге болады. Ажыратқыштардың барлығы бірдей, есіктер тығыз жабылған, ешбір жарық көрінбейді.) https://app.quizwhizzer.com/play?code=96394 Бекіту сұрақтары
Үй тапсырмасы: Омзаңы тақырыбын оқу, 4.3 жаттығу |
Оқушылар Ом заңы және оған тәуелді шамаларды талдап, ток күші, кернеу және кедергі арасындағы ара қатынасын талдайды. |
БК: Ом заңын қолданып, сандық, графиктік есептер шығарады |
Қосымша №3 Оқулық слайд https://app.quizwhizzer.com/play?code=96394 |
||
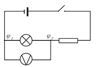
1. Ток күші, кернеу және кедергі арасындағы тәуелділікті тәжірибеде тексерейік. Оныӊ үшін төмендегі тізбекті құрастырамыз.

1 топ: Берілген тізбектің сұлбасын бейнелеңіздер:
а) Тізбектіӊ кедергісі тұрақты болған кезінде ток күшініӊ кернеуге тәуелділігін анықтаңыз, егер кернеу U = 1,5 В, ток күші I= 0,1 А

2) Кернеу U = 4,5 В, ток күші I= 0,3 А 3) Кернеу U = 9,0 В, ток күші I= 0,6 А
2 топ: Берілген тізбектің сұлбасын бейнелеңіздер:

3 топ: Берілген тізбекті құрастырыңыздар: Ток күші мен кернеудің мәнін пайдалана отырып, кедергінің мәнін анықтаңыз:

ҚБ: «Бір сөйлем» әдісі арқылы зерттеу нәтижесін қорытындылайды.
Қосымша №2
Жұптық жұмыс:
1.Электр үтігі 220В желіге қосылған. Үтіктің қыздыру элекментінің кедергісі 50Ом болса, ондағы ток күші қандай?
2. Кернеуі 12В тоқ көзіне қосылған электр шамы арқылы 2А ток өтеді. Кедергісі қандай?
3. Қалта фонары қыл сымының кедергісі 15 Ом және шамнан өтетін ток күші 0,3 А болса, онда батареяның кернеуі қандай болар еді?
4. Берілген графикті пайдаланып, кедергінің мәнін анықтаңыз:

БК: Ом заңын қолданып есептер шығарады.
Дескриптор:
1.Есептің шартын жазады
2.Қажетті формуланы анықтайды.
3.Ізделінді шаманы есептейді.
Қосымша №3 Жеке жұмыс:
|
Тiзбек бөлiгi үшiн Ом заңы |
||
|
8.4.2.6 – тізбек бөлігі үшін Ом заңын есептер шығаруда қолдану; |
||
|
Блок А-2 балл |
||
|
|
|
|
|
|
|
Блок В-3 балл |
||
|
4.Тұрақты температурадағы металл өткізгіштің вольт-амперлік сипаттамасының графигі бейнеленген. Графикті пайдалана отырып металл сымның кедергісін анықтаңыз.
|
|
|
Блок С-5 балл |
||
6. Электр тізбегіндегі қандай жалғаудағы құрал резистордың кедергісін дәл өлшейді
|
5. Тізбектің бөлігіндегі кілтті тұйықтағанда кедергінің мәні қандай?
6. Электр тізбегіндегі қандай жалғаудағы құрал резистордың кедергісін дәл өлшейді
|
|
Дескриптор:
-
Құралдың атауын жазады
-
Жалғану түрін анықтайды
-
Кернеу, ток күші және кедергінің арақатысын сипаттайды
-
Ом заңын түрлендіріп, графиктен кедергінің мәнін есептейді
-
Тізбектің кедергісін анықтайды
-
Берілген сұлбаларды талдап, дұрыс нұсқасын табады
жүктеу мүмкіндігіне ие боласыз
Бұл материал сайт қолданушысы жариялаған. Материалдың ішінде жазылған барлық ақпаратқа жауапкершілікті жариялаған қолданушы жауап береді. Ұстаз тілегі тек ақпаратты таратуға қолдау көрсетеді. Егер материал сіздің авторлық құқығыңызды бұзған болса немесе басқа да себептермен сайттан өшіру керек деп ойласаңыз осында жазыңыз
Ом заңы 8сынып
Ом заңы 8сынып
Бекітемін
Директордың оқу ісі жөніндегі орынбасары Д. Оспанова
|
Білім беру ұйымының атауы |
№101 мектеп лицейі |
|||||
|
Пәні: |
Физика |
|||||
|
Бөлім: |
8.3 А Тұрақты электр тогы |
|||||
|
Педагогтің аты-жөні: |
Саулебекова К.Т. |
|||||
|
Күні: |
20.01.2025-22.01.2025 |
|||||
|
Сынып: 8Д,8Ж |
Қатысушылар саны: |
Қатыспағандар саны: |
||||
|
Сабақтың тақырыбы: |
Тiзбек бөлiгi үшiн Ом заңы |
|||||
|
Оқу бағдарламасына сәйкес оқыту мақсаты: |
8.4.2.6 – тізбек бөлігі үшін Ом заңын есептер шығаруда қолдану; |
|||||
|
Сабақтың мақсаты |
Кедергі, кернеу және ток күшінің байланысын анықтайды Тізбек бөлігі үшін Ом заңын графиктік және сандық есептерде қолданып есептер шығарады |
|||||
|
Сабақтың құндылығы |
Тәртіп пен әділдік, нормалар мен ережелерді сақтау қажеттілігін түсіну; қоғамды қорғау мен қауіпсіздікті қамтамасыз етудегі заң мен тәртіптің маңыздылығын білу. |
|||||
|
Сабақтың барысы |
||||||
|
Сабақтың кезеңі//уақыты |
Педагогтің әрекеті |
Оқушының әрекеті |
Бағалау |
Ресурстар |
||
|
Ұйымдастыру Өзін-өзі тексеру Сабақтың басы Өткен білімді еске түсіру 7 минут Жаңа білім 10 минут |
Ұйымдастыру кезеңі. Оқушылармен сәлемдесу, оқушыларды түгелдеу. Оқушылардың сабаққа дайындығын тексеру. Оқушылардың назарын сабаққа аудару. Оқушылардың шапшаңдығын және теориялық материалды меңгеру деңгейін тексеру үшін ауызша сұрақтар беріледі.
Аттас заряттар бір-бірімен тартылама ма? (жоқ) Ток күшінің өлшем бірлігі омметр. (жоқ) Электр кернеуін өлшейтін құрал амперметр (жоқ) Ток күшін өлшейтін құрал амперметр (иә) Электр тогының магниттік әсері болама ма? (иә) Әр аттас заряттар бірін-бірі тебеме? (жоқ) Электр кернеуінің өлшем бірлігі Ом (жоқ) Электр кернеуінің өлшем бірлігі вольт (иә) Кедергіні R-әрпімен белгілей ме? (иә) Кедергінің өлшем бірлігі секунд (жоқ) Кедергіні өлшейтін құрал реостат (иә) Электр тогының химиялық әсері болама ма? (иә) Жауаптарын мұғалім айтады, оқушылар өзара бағалау жүргізеді.Оқушылардың жауаптарына мұғалім кері байланыс жасайды.
Ток күші кернеуден қалай тәуелді? Ток күші басқа қандай шамаға тәуелді болады?
Сұраққа жауап беру мақсатында шағын зерттеу жұмысын жүргізеді.
Т Мұғалім түсіндірмесі: Оқушылармен бірге зерттеу нәтижесінен ток күші, кернеу және кедергінің арасындағы сандық байланысты анықтап, формуласын, Ом заңының физикалық мағынасын түсіндіреді: Теориялық материал Тізбек бөлігіндегі токтыӊ күші, тізбек ұштарындағы кернеу және тізбек бөлігініӊ кедергі арасындағы тәуелділікті 1827 ж. неміс физигі Ом Георг анықтады. Бұл тәуелділік Ом заӊы деп аталады. |
Оқушылар үй тапсырмасын қайталау сұрақтарына «иә» немесе «жоқ» деп тез-тез жауап береді. Оқушылар зерттеу нәтижесін қолданып, Ом заңын тұжырымдайды. |
ҚБ: «Ынталандыру, мадақтау» ҚБ: «Бір сөйлем» әдісі арқылы зерттеу нәтижесін қорытындылайды. |
ДК экран Оқулық Слайд Қосымша №1 phet.colorado. com электрлік сұлба |
||
|
8 минут |
Тапсырмалар: 1.Электр үтігі 220В желіге қосылған. Үтіктің қыздыру элекментінің кедергісі 50Ом болса, ондағы ток күші қандай? 2. Кернеуі 12В тоқ көзіне қосылған электр шамы арқылы 2А ток өтеді. Кедергісі қандай? 3. Қалта фонары қыл сымының кедергісі 15 Ом және шамнан өтетін ток күші 0,3 А болса, онда батареяның кернеуі қандай болар еді? 4. Берілген графикті
пайдаланып, кедергінің мәнін анықтаңыз:
|
Оқушылар жұптасып берілген есептерді шығарады. |
БК: Ом заңын қолданып есептер шығарады. Дескриптор: 1.Есептің шартын жазады 2.Қажетті формуланы анықтайды. 3.Ізделінді шаманы есептейді. |
Қосымша №2 Таратпа материал |
||
|
Бекіту 15 минут Кері байланыс Сабақтың соңы. 5 минут |
Ом заңына байланысты сұрақтар мен саралау тапсырмалары беріледі: 5.Ом заңының физикалық мағынасын бағалау: Логикалық сұрақ Бөлмеде бір шам бар, 3 ажыратқыш бөлменің сыртында, олардың біреуі ғана осы бөлмедегі шамды жаға алады, қалған ажыратқыш жұмыс істемейді. Ажыратқыштардың қайсысы шамды жағатынын білу қажет. (Бөлмеге бір рет кіруге болады. Ажыратқыштардың барлығы бірдей, есіктер тығыз жабылған, ешбір жарық көрінбейді.) https://app.quizwhizzer.com/play?code=96394 Бекіту сұрақтары
Үй тапсырмасы: Омзаңы тақырыбын оқу, 4.3 жаттығу |
Оқушылар Ом заңы және оған тәуелді шамаларды талдап, ток күші, кернеу және кедергі арасындағы ара қатынасын талдайды. |
БК: Ом заңын қолданып, сандық, графиктік есептер шығарады |
Қосымша №3 Оқулық слайд https://app.quizwhizzer.com/play?code=96394 |
||
1. Ток күші, кернеу және кедергі арасындағы тәуелділікті тәжірибеде тексерейік. Оныӊ үшін төмендегі тізбекті құрастырамыз.

1 топ: Берілген тізбектің сұлбасын бейнелеңіздер:
а) Тізбектіӊ кедергісі тұрақты болған кезінде ток күшініӊ кернеуге тәуелділігін анықтаңыз, егер кернеу U = 1,5 В, ток күші I= 0,1 А

2) Кернеу U = 4,5 В, ток күші I= 0,3 А 3) Кернеу U = 9,0 В, ток күші I= 0,6 А
2 топ: Берілген тізбектің сұлбасын бейнелеңіздер:

3 топ: Берілген тізбекті құрастырыңыздар: Ток күші мен кернеудің мәнін пайдалана отырып, кедергінің мәнін анықтаңыз:

ҚБ: «Бір сөйлем» әдісі арқылы зерттеу нәтижесін қорытындылайды.
Қосымша №2
Жұптық жұмыс:
1.Электр үтігі 220В желіге қосылған. Үтіктің қыздыру элекментінің кедергісі 50Ом болса, ондағы ток күші қандай?
2. Кернеуі 12В тоқ көзіне қосылған электр шамы арқылы 2А ток өтеді. Кедергісі қандай?
3. Қалта фонары қыл сымының кедергісі 15 Ом және шамнан өтетін ток күші 0,3 А болса, онда батареяның кернеуі қандай болар еді?
4. Берілген графикті пайдаланып, кедергінің мәнін анықтаңыз:

БК: Ом заңын қолданып есептер шығарады.
Дескриптор:
1.Есептің шартын жазады
2.Қажетті формуланы анықтайды.
3.Ізделінді шаманы есептейді.
Қосымша №3 Жеке жұмыс:
|
Тiзбек бөлiгi үшiн Ом заңы |
||
|
8.4.2.6 – тізбек бөлігі үшін Ом заңын есептер шығаруда қолдану; |
||
|
Блок А-2 балл |
||
|
|
|
|
|
|
|
Блок В-3 балл |
||
|
4.Тұрақты температурадағы металл өткізгіштің вольт-амперлік сипаттамасының графигі бейнеленген. Графикті пайдалана отырып металл сымның кедергісін анықтаңыз.
|
|
|
Блок С-5 балл |
||
6. Электр тізбегіндегі қандай жалғаудағы құрал резистордың кедергісін дәл өлшейді
|
5. Тізбектің бөлігіндегі кілтті тұйықтағанда кедергінің мәні қандай?
6. Электр тізбегіндегі қандай жалғаудағы құрал резистордың кедергісін дәл өлшейді
|
|
Дескриптор:
-
Құралдың атауын жазады
-
Жалғану түрін анықтайды
-
Кернеу, ток күші және кедергінің арақатысын сипаттайды
-
Ом заңын түрлендіріп, графиктен кедергінің мәнін есептейді
-
Тізбектің кедергісін анықтайды
-
Берілген сұлбаларды талдап, дұрыс нұсқасын табады
шағым қалдыра аласыз
Ж: 3 топқа
өткен сабақта өтілген электр тізбектерінің сұлбасы ұсынылады. Әр
топ өз сұлбасының phet.colorado сайтында құрастырады. Ізделінді
шаманы анықтайды.


















