10
1 ОБЩИЕ ВОПРОСЫ ПРОЕКТИРОВАНИЯ СИСТЕМ ЭЛЕКТРОСНАБЖЕНИЯ
1.1 Цели проектирования
Определить расчетные электрические нагрузки с максимальной точностью. Разработать рациональную, экономически обоснованную систему электроснабжения объекта.
Электрические нагрузки рассчитываются по общепринятым методикам. Разработка системы электроснабжения должна быть удобной для эксплуатации, обеспечивать надежность и гибкость.
В данном курсе рассматриваются вновь проектируемые СЭС и стадии проектирования.
Проектные работы выполняются проектными органиязациями отраслей.
Проектирование выполняется на основании технического задания. Техническое задание оформляется и выдается проектировщикам заказчиком. Процесс проектирования разделяют на стадии:
- предпроектная,
- проект,
- рабочий проект,
- рабочая документация.
На предпроектной стадии определяется результирующая электрическая нагрузка, позволяющая решить вопрос о возможности присоединения проектируемого объекта к существующим сетям. Решить вопрос о баллансовом разграничении электроснабжения. Выполнить предварительные технико-экономические расчеты.
Ожидаемая электрическая нагрузка определяется по фактическому энергопотреблению предриятий аналогов, если таковые имеются. Если нет такового предприятия расчет выполняется методом коэффициента спроса на основании установленной мощности нагрузки. Для объекта с разработанным технологическим процессом, обычно это не составляет большой проблемы. Если проектирование связано с большими объемами освоения, определение ожидаемых электрических нагрузок выполняется по удельным показателям энергопотребления. В удельные нагрузки по отраслям должны включаться расходы как на основное так и вспомогательное оборудование. Доля электропотребления вспомогательного оборудования имеет тенденцию к росту, в связи с требованиями экологии, с широким внедрением автоматизации в производства.
Для получения достоверных данных по удельным нагрузкам необходимо проектные организации должны создавать банки данных по электропотреблению предриятий отраслей. Это трудоемкое направление, требующее всестороннего анализа.
На стадии проект выполняется расчет электрических до 1 кВ в целом по предприятию, определяются мощность и количество цеховых трансформаторных подстанций для заказа электрооборудования ГПП, РП, ТП.
Выполняется расчет электрических нагрузок на 10(6) кВ и выше до сборных шин ГПП. Выполняется определение нагрузки предприятия в точке балансового разграничения с энергосистемой. Производится окончательный выбор числа и мощности трансформатров с учетом средств компенсации реактивной мощности.
На стадии рабочий проект рекомендуется следующая последовательность.
1) Расчет электрических нагрузок до 1 кВ в целом, предварительное количество и мощность трансформаторных подстанций и их месторасположение.
2) Расчет электрических нагрузок питающих сетей до 1 КВ и на шинах каждой трансформаторной подстанции и составление схемы питающей сети до 1 кВ. цель расчета – выбор сечений питающих проводников и защитных аппаратов.
3) Выполняется расчет электрических нагрузок на 10(6) кВ и выше на сборных шин РП и ГПП.
4) Выполняется определение нагрузки предприятия в точке балансового разграничения с энергосистемой.
5) Производится окончательный выбор числа и мощности трансформаторов с учетом средств компенсации реактивной мощности.
На стадии рабочая документация составляется вся документация и выполняются расчеты. Если на на стадии проект определены количество и мощности подстанций выполняется расчет нагрузок питающих сетей и до 1 кВ и на шинах каждой цеховой ТП.
Если на предыдщей стадии не определены число и мощность ТП или изменены исходные данные задания последовательность расчетов как на стадии рабочий проект.
1.2 Понятие оптимального решения
Разработка оптимальной системы электроснабжения сводится к созданию варианта с минимальными экономическими затратами. Нахождение оптимального решения состоит из двух основных задач – анализа и синтеза.
Анализ определяет свойства системы и ее поведение. Выполняется анализ как существующих систем так и вновь проектируемых. При этом должны быть известны энергетические характеристики источника питания, структура модели СЭ, характеристики СЭ. Чаще всего, работа анализа сводится к численным методам показателей эффективности. Для качественного выполнения анализа необходимо определить цель оптимизации СЭ и основные условия.
Например: цель анализа - оптимизация параметров качества напряжения СЭ в условиях существующей сети или, цель анализа - снижение потерь электроэнергии без дополнительных материальных вложений и т.д.
Правильно выбранная и сформулированная цель оптимизации и условия – гарантия ее реализации.
Задача синтеза заключается в выборе оптимальной структуры СЭ, ее внутренних параметров с учетом накладываемх ограничений. Чаще всего задача синтеза сводится к отысканию структуры СЭ и ее оптимальных характеристик.
Задачи решаемые оптимизацией обычно многовариантны, могут решаться несколькими способами и обязательно содержат технико-экономические расчеты.
1.3 Основные нормативно-технические документы
Действующие на территории РК документы
«Закон РК от 09 2004 года N-588-II Об электроэнергетике». Настоящий закон регулирует общественные отношения, возникающие в процессе производства и распределения и использования электрической и тепловой энергии.
Закон регламентирует цели и задачи государственного регулирования в области электроэнергетики. Государственное регулирование в области электроэнергетики включает:
-лицензирование
- государственное регулирование тарифов
- демонополизацию и приватизацию объектов электроэнергетики
- государственный надзор за безопасностью, надежностью и экономичностью производства, передачи, технической диспетчеризации и потребления электрической энергии
-разработку и утверждение нормативных правовых актов РК, нормативных технических документов, содержащих технические и технологические требования регулирования деятельности отношений в сфере производства, передачи, технической диспетчеризации и потребления электрической и тепловой энергии, также нормы, обеспечивающие надежность, экономичность, безопасность строительства и экплуатации линий электропередачи, энерго – электроустановок.
При проектировании необходимо полнее учитывать возможности перспективной эксплуатации – знание Закона об энергетике, отдельных его положений напрвлено на это.
В последние годы в Республике Казахстан прекращен государственный мониторинг основных энергоэкономических показателей в коммунально-бытовой сфере, отсутствует устойчивая и достоверная статистика их динамики, а также учет и структура продаж электробытовой техники. Прекращена научно-исследовательская деятельность Казахского научно-исследовательского института энергетики (КазНИИэнергетики) и Казахстанского научно-иссле довательского и проектно-изыскательского института «Казсельэнергопроект» (Казсельэнергопроект) по обследованию режимов электропотребления с замером электрических нагрузок по сезонам года и в течение суток. В этой связи в основу аналитической работы над определением величин расчет ных электрических нагрузок были положены соответствующие последние нормативные наработки:
«Правила устройства электроустановок» 7 издание, Астана 2003г.
Настоящее издание включает разделы и главы (седьмого издания), подготовленные ОАО "ВНИПИ Тяжпромэлектропроект" совместно с Ассоциацией "Росэлектромонтаж":
При подготовке указанных глав ПУЭ учтены требования государственных стандартов (в частности ГОСТ Р 50571), строительных норм и правил, рекомендации научно-технических советов ведущих электроэнергетических организаций. Проект рассмотрен рабочими группами Координационного Совета по пересмотру ПУЭ.
Правила устройства электроустановок (ПУЭ) распространяются на вновь сооружаемые и реконструируемые электроустановки до 500 кВ, в том числе на специальные электроустановки.
По отношению к реконструируемым электроустановкам требования настоящих Правил распространяются лишь на реконструируемую часть электроустановок, например на аппараты, заменяемые по условиям короткого замыкания (КЗ), оговоренные в разделе 7 ПУЭ.
Отдельные требования настоящих Правил можно применять для действующих электроустановок, если это упрощает электроустановку, если расходы по реконструкции обоснованы технико-экономическим расчетом или если эта реконструкция направлена на обеспечение тех требований безопасности, которые распространяются на действующие электроустановки
«Инструкция по проектированию силового и осветительного оборудования промышленных предприятий» - СН РК 2.5-19-2001
Отраслевые руководящие документы Республики Казахстан, разработанные Казсельэнергопроектом:
- «Методические указания по проектированию городских и поселковых сетей» РДС РК 4.04-191-2002 г
- «Методические указания по расчету электрических нагрузок в сетях 0,38-110 кВ сельскохозяйственного назначения» РД 34. РК. 20.178-98
- «Нормы технологического проектирования электрических сетей сельскохозяйственного назначения» РДС РК 4.04-185-2003.
- «Инструкция по проектированию единого энергетического ввода для энергоснабжения сельских жилых домов» РДС РК. 4.04-01-2003.
Нормативы для определения расчетных электрических нагрузок зданий (квартир), коттеджей, микрорайонов (кварталов) застройки и элементов городских распределительных сетей, введенные в действие с 1 августа 1999 г. Министерством топлива и энергетики Российской Федерации.
Дополнения к разделу 2 Расчетные электрические нагрузки «Инструкции по проектированию городских электрических сетей» РД 34.20.185-94, разработанные МНТОЭ в 2000г.
Строительные нормы Республики Казахстан «Нормы расхода электроэнергии, тепла на отопление, горячее и холодное водоснабжение, канализационных стоков, коммунальных затрат на текущий и капитальный ремонты на единицу мощности зданий бюджетных организаций Республики Казахстан», 1998 г.
Правила пользования электрической и тепловой энергией, разработанные Государственным энергетическим надзором Республики Казахстан, 1998 г.
Уточнение расчетных электрических нагрузок городских потребителей г. Астаны, разработанное ОАО «Астанаэнергосервис» в 2000 г.
Руководящие материалы по электроснабжению индивидуальных жилых домов, коттеджей, дачных (садовых) участков и других частных сооружений Главного управления Государственного энергетического надзора России, 1994 г.
Вышеуказанные нормативные материалы в совокупности с разработками академии коммунального хозяйства им. К. Д. Памфилова были тщательно изучены, проанализированы и скорректированы с учетом природно-климатических особенностей Республики Казахстан (резко континентальный климат, длительный период минусовых температур, повышенная солнечная радиация, угол солнечного склонения и т.п.).
Были приняты во внимание специальные исследования КазНИИэнергетики в части особенностей электрификации городских жилищ, определения электрических нагрузок в сетях жилого сектора городов на различных этапах электрификации быта и электрификации процессов приготовления пищи, водонагрева и отопления, а также формирования их энергобаланса.
Приняты к исполнению «Указания по расчету электрических нагрузок» взамен «Указаний по определению электрических нагрузок в промышленных установках» разработанные Всероссийским научно-исследовательским проектно-конструкторским институтом «»Тяжпромэлектропроект от 1993 года.
2 РАСЧЕТ ЭЛЕКТРИЧЕСКИХ НАГРУЗОК
2.1 Общие сведения
Расчет электрических нагрузок выполняется в соответствии с «Указаниями по расчету электрических нагрузок» и общепринятыми методиками.
«Указания по расчету электрических нагрузок» разработаны Всероссийским научно-исследовательским проектно-конструкторским институтом Тяжпромэлектропроект. Это вторая редакция указаний с внесенными изменениями и дополнениями от 1993 года. Данный документ принят в качестве руководящих указаний по расчету электрических нагрузок потребителей на территории Республики Казахстан. По сравнению с ранее действовавшими «Указаниями по определению электрических нагрузок в промышленных установках». В этом документе приведены уточненные методики, которые позволяют приблизить фактические и расчетные нагрузки потребителей, то есть устраняют расхождение между расчетным и фактическим электропотреблением. Методики предполагают значительное снижение расчетных значений электрических нагрузок в пределах от 15 до 30 %.
В данных указаниях рекомендуется выполнять расчеты с учетом постоянной нагрева электрического элемента, что предполагает двустадийный расчет.
В практических целях упрощения расчетов и сохранения одностадийности принимаются допущения с минимальными значениями постоянных нагрева - Т: Рекомендуемые постоянные нагрева приведены в приложениях «Указаний», в таблицах 9.3-9.6.
для сетей напряжением ниже 1000 В, Т = 10 мин;
для сетей напряжением выше 1000 В, Т = 30 мин;
для трансформаторов (независимо от мощности) и магистральных шинопроводов, Т = 2,5 ´ 60 = 150 мин.
Постоянная времени нагрева – один из аргументов, определяющий
расчетный коэффициент -
.
При выполнении расчетов применяется в последовательности обратной направлению питания. Расчет выполняется на низших ступенях, приближенных к нагрузке до 1 кВ и далее выше 1 кВ по узлам – ТП, РП, РУ и ГПП.
Основной метод расчета на стадиях проект и рабочий проект – метод расчетного коэффициента, на предпроектной стадии – метод удельных показателей метод коэффициента спроса.
Расчет электрических нагрузок выполняется для построения питающей сети до и выше 1 кВ, всей системы электроснабжения (СЭ) объекта.
На основании расчетов электрических нагрузок выполняются расчеты необходимые для выбора кабельной, проводниковой продукции, электрооборудования, электрических аппаратов, устройств РЗ и А, составляются схемы СЭ.
При расчете нагрузок на всех ступенях напряжения обязательно выполняются расчеты по компенсации реактивной мощности.
2.2 Методы расчета электрических нагрузок
Метод удельных показателей или метод удельной мощности выполняется на предпроектной стадии. Определяется ожидаемая электрическая нагрузка по имеющимся данным электропотребления предприятий аналогов.
Есть два способа – один определяет расчетную нагрузку по удельной нагрузке на единицу производственной площади, другой по удельной нагрузке на единицу продукции.
Расчет по удельной нагрузке на единицу производственной площади рекомендуется для предприятий характеризующихся большим числом приемников малой мощности или относительно равномерно распределенных по площади.
Расчет по удельной нагрузке на единицу продукции применяется при наличии данных о годовом выпуске продукции, режиме работы и удельных нормах расхода электроэнергии. Годовой выпуск измеряется в штуках, метрах, тоннах и других единицах измерения.
По первому способу расчетная нагрузка определяется
(2.1)
где
- удельная плотность нагрузки
на единицу площади, Вт/м2,
- производственная площадь,
м2.
Удельная плотность силовой нагрузки для некоторых предприятий может колебаться в пределах (0,23 - 0,6) Вт/м2, некоторые данные приведены в таблице 2.1.
|
Таблица 2.1 – Удельная плотность силовой нагрузки, Вт/м2 |
|
|
Литейные и плавильные цеха |
230-370 |
|
Механические и сборочные цеха |
300-580 |
|
Механосборочные цеха |
280-390 |
|
Электросварочные и термические цеха |
300-600 |
|
Цехи металлоконструкций |
350-390 |
|
Инструментальные цеха |
330-590 |
|
Блоки вспомогательных цехов |
260-300 |
Расчет по удельной нагрузке на единицу продукции для приемников с неизменной или мало изменяющейся нагрузкой
(2.2)
где
- активный
удельный расход электроэнергии на единицу продукции, кВтчас,
- количество единиц продукции,
выпускаемой в год,
- продолжительность потребления
активной мощности, в часах.
Таким образом можно рассчитать нагрузку за любой промежуток времени и для любого цеха.
Метод расчетного коэффициента. Является одним из основных методов. Все расчеты выполняются по форме Ф636-92, таблица 2.2.
Алгоритм расчета электрических нагрузок по методу расчетного коэффициента:
- формирование базы исходных данных для расчета;
- расчет промежуточных
нагрузок -
;
- определение расчетной
нагрузки -
;
- расчет токов
электрической нагрузки, для длительно допустимых режимов работы -
.
Исходные данные для расчетов. Исходными данными являются таблицы – задания от технологов, и всех смежных подразделений – сантехников, охраны труда, пожарной безопасности, экологов и других.
Расчеты выполняются с учетом назначения получаемых нагрузок.
Это электрические нагрузки до 1 кВ, для цеха, для корпуса, цеховой подстанции. Электрические нагрузки выше 1 кВ – это высоковольтные двигатели, печные трансформаторы, сварочное оборудование и другое.
В зависимости от назначения и характера нагрузки в таблице формы Ф636-92 часть столбцов или применяется к расчету или исключается. В столюцах исходных данных указываются данные электроприемников каждого цеха, корпуса или здания. Эти данные вносятся в формуляр Ф636-92, в графы 15. Для разных предприятий рекомендуется расчет нагрузок с учетом расположения цехов и электроприемников (ЭП).
Если предприятие состоит из главного корпуса, и ряда вспомогательных цехов и сооружений с незначительным электропотреблением, расчет электрических нагрузок производится отдельно для ЭП до 1 кВ главного корпуса и для ЭП до 1 кВ всех вспомогательных цехов и сооружений. При питании вспомогательных цехов и сооружений от цеховых трансформаторных подстанций главного корпуса расчет электрических нагрузок ЭП до 1 кВ выполняется для предприятия в целом, таблица
Если предприятие состоит из нескольких энергоемких корпусов. Расчет электрических нагрузок производится для каждого корпуса отдельно.
4.3.3. Предприятие состоит из нескольких небольших цехов, размещаемых в отдельных зданиях. Для питания предприятия достаточна установка нескольких трансформаторных подстанций. Расчет электрической нагрузки производится для предприятия в целом.
4.3.4. Предприятие размещено на нескольких промплощадках. Расчет электрических нагрузок ЭП до 1 кВ следует выполнить отдельно для каждой промплощадки.
Для электроприемников включенных в строки по «заданию технологов» по справочным данным принимаются коэффициенты - коэффициент использования КИ и вписывается в графу 6, коэффициенты реактивной мощности - cos, tg и вписываются в графы 7, 8 формуляра.
Расчетные величины промежуточной мощности рассчитываются в графах 9,10 по формулам 3,4.
Активная промежуточная мощность
(2.3)
где
- номинальная или паспортная
мощность электроприемника, в кВт,
- суммарная установленная
мощность электроприемников группы электроприемников, в кВт,
- коэффициент использования
нагрузки.
Реактивная промежуточная мощность, в кВАр
(4)
где
- величина, определяемая по
известному значению
электроприемника, или
принимаемая непосредственно по справочным данным.
Для определения величин
расчетных нагрузок групп электроприемников применяется расчетный
коэффициент -
,
определяемый по монограммам или табличным значениям этих монограмм.
Его находят в таблицах при известном эффективном числе
электроприемников -
и коэффициенте использования -
. Для нахождения его
значения выполняется расчет эффективного числа электроприемников.
Для малых групп приемников определяется по таблице 2,, для
трансформаторов цеховых ТП, магистральных шинопроводов по таблице 3
и вносится в графу 13 формуляра.
При расчете электрических
нагрузок до 1000В, коэффициент
является аналогом коэффициента
максимума, применявшегося в прежних указаниях.
Эффективное (приведенное) число электроприемников – такое число однородных по режиму работы приемников одинаковой мощности, которое создает ту же величину расчетной нагрузки, что и действительное число приемников разных по мощности и режиму работы.
Эффективное число
рекомендуется определять по приближенным формулам для групп
электроприемников. Найденное значение
вписать в графу 12:
Для малых групп электроприемников рассчитывается по (5)
, (2.4)
где
- рассчитывается в графе 11
формуляра,
для значительного числа электроприемников магистральных шинопроводов, цехов, корпусов, трансформаторных подстанций, предприятия в целом по (6)
(.2.5)
где
- номинальная максимальная
мощность электроприемника в расчетной группе.
Активная расчетная мощность рассчитывается для групп электроприемников и для пунктов распределения, вносится в графу 14 формуляра
(2.6)
Реактивная расчетная мощность рассчитывается для групп электроприемников и для пунктов распределения, вносится в графу 15 формуляра. Рекомендуется расчетную реактивную мощность для малых групп определять по упрощенным формулам, учитывая эффективное число электроприемников, в кВАр
. (2.7)
Для значительных групп
.
Расчетная полная мощность
, кВА, вносится в графу
16.
|
Таблица 2.2 - Расчет электрических нагрузок до 1 кВ. Форма Ф636-92 |
|||||||||||||||||||||||||
|
Исходные данные |
Расчетные величины |
Эффек тивное число ЭП |
Коэф. расчетной наг руз ки |
Расчетная мощность |
Расчет ток ный ток |
||||||||||||||||||||
|
По заданию технологов |
По справочным данным |
Промежуточная мощность |
Р2Н n |
Активная |
Реактивная |
Полная |
|||||||||||||||||||
|
Наименование ЭП |
Кол. ЭП шт. n
|
Номинальная (установленная) мощность, кВт |
Коэф использо ва ния Ки
|
Коэф. реактивной мощности |
Активная РПР=КИРН кВт |
Реактивная КИРНtg, кВАр |
|||||||||||||||||||
|
Одного ЭП |
Общая |
cos
|
tg
|
nэ |
Кр |
Рр |
Qp |
Sp |
Ip |
||||||||||||||||
|
Рн мин |
Рн макс |
Рн |
|
|
кВт |
кВАр |
кВА |
А |
|||||||||||||||||
|
1 |
2 |
3 |
4 |
5 |
6 |
7 |
8 |
9 |
10 |
11 |
12 |
13 |
14 |
15 |
16 |
17 |
|||||||||
|
Главный корпус |
|
|
|
|
|
|
|
|
|
|
|
|
|
|
|||||||||||
|
Станки мелкосерийного производства |
182 |
1,5 |
50 |
2160 |
0,14 |
0,5 |
1,73 |
302 |
523 |
|
|
|
|
|
|
|
|||||||||
|
Станки с тяжелым и особо тяжелым режимом работы |
84 |
20 |
80 |
3480 |
0,2 |
0,65 |
1,17 |
696 |
814 |
|
|
|
|
|
|
|
|||||||||
|
Автоматические поточные линии |
245 |
2,5 |
40 |
4160 |
0,6 |
0,7 |
1,02 |
2496 |
2545 |
|
|
|
|
|
|
|
|||||||||
|
Печи сопротивления автоматической загрузки |
44 |
50 |
100 |
3000 |
0,8 |
0,95 |
0,33 |
2400 |
792 |
|
|
|
|
|
|
|
|||||||||
|
Печи сопротивления с неавтоматической загрузкой |
25 |
15 |
65 |
820 |
0,5 |
0,95 |
0,33 |
410 |
135 |
|
|
|
|
|
|
|
|||||||||
|
Краны, тельферы |
92 |
1 |
28 |
650 |
0,1 |
0,5 |
1,73 |
65 |
112 |
|
|
|
|
|
|
|
|||||||||
|
Насосы |
51 |
10 |
100 |
3100 |
0,7 |
0,8 |
0,75 |
2170 |
1627 |
|
|
|
|
|
|
|
|||||||||
|
Вентиляторы |
110 |
2,8 |
120 |
4620 |
0,65 |
0,8 |
0,75 |
3003 |
2252 |
|
|
|
|
|
|
|
|||||||||
|
Итого силовые ЭП |
833 |
|
|
21990 |
0,52 |
|
|
11542 |
8803 |
|
366 |
0,76 |
8770 |
6690 |
11030 |
|
|||||||||
|
Осветительная нагрузка |
|
|
|
|
|
|
|
|
|
|
|
|
417 |
200 |
|
|
|||||||||
|
Всего |
|
|
|
|
|
|
|
|
|
|
|
|
9187 |
6890 |
11483 |
|
|||||||||
|
Вспомогательные цехи и сооружения |
|
|
|
|
|
|
|
|
|
|
|
|
|
|
|
|
|||||||||
|
Насосы |
14 |
7 |
40 |
200 |
0,7 |
0,8 |
0,75 |
140 |
105 |
|
|
|
|
|
|
|
|||||||||
|
Компрессоры |
3 |
100 |
100 |
300 |
0,7 |
0,85 |
0,62 |
210 |
130 |
|
|
|
|
|
|
|
|||||||||
|
Станки |
28 |
1,5 |
14 |
120 |
0,14 |
0,5 |
1,73 |
16,8 |
29,1 |
|
|
|
|
|
|
|
|||||||||
|
Печи сопротивления |
2 |
20 |
20 |
40 |
0,5 |
0,95 |
0,33 |
20 |
6,6 |
|
|
|
|
|
|
|
|||||||||
|
Конвейеры |
8 |
4 |
10 |
60 |
0,4 |
0,75 |
0,88 |
24 |
21,4 |
|
|
|
|
|
|
|
|||||||||
|
Краны, тали |
15 |
1 |
14 |
100 |
0,1 |
0,5 |
1,73 |
10 |
17,3 |
|
|
|
|
|
|
|
|||||||||
|
Вентиляторы |
32 |
2,8 |
40 |
300 |
0,65 |
0,8 |
0,75 |
195 |
146,3 |
|
|
|
|
|
|
|
|||||||||
|
Итого силовые ЭП |
102 |
|
|
1120 |
0,55 |
|
|
615 |
455 |
|
22 |
0,87 |
536 |
396 |
666 |
|
|||||||||
|
Осветительная нагрузка |
|
|
|
|
|
|
|
|
|
|
|
|
137 |
69 |
|
|
|||||||||
|
Всего |
|
|
|
|
|
|
|
|
|
|
|
|
673 |
465 |
818 |
|
|||||||||
Таблица 2.3 - - Расчет электрических нагрузок до 1 кВ общего назначения
|
Исходные данные |
Расчетные величины |
Эффективное число ЭП nэ |
Коэф. расчетной нагрузки Кр |
Расчетная мощность |
Расч ет ный ток, А Ip |
||||||||||
|
По заданию технологов |
По справочным данным |
Ки*Рн |
Ки*Рн*tgf |
рн**2*n |
кВт Рр |
кВАр Qp |
кВА Sp |
||||||||
|
Наименование ЭП |
Кол-во ЭП шт. n |
Номинальная (установленная) мощность, кВт |
Коэф. использования Ки |
Коэф. реактивной мощности |
|||||||||||
|
одного ЭП рн |
общая Рн = n*рн |
||||||||||||||
|
cos f |
tg f |
||||||||||||||
|
Пример расчета электрических нагрузок для силовых питающих сетей общего назначения напряжением до 1 кB |
|||||||||||||||
|
Распределительный пункт ШР1 |
|
|
|
|
|
|
|
|
|
|
|
|
|
|
|
|
Печи сопротивления |
2 |
10,0 |
20 |
0,50 |
0,95 |
0,33 |
10,0 |
3,3 |
200,0 |
|
|
|
|
|
|
|
Вентиляторы |
2 |
7,0 |
14 |
0,65 |
0,80 |
0,75 |
9,1 |
6,8 |
98,0 |
|
|
|
|
|
|
|
Станки |
2 |
2,8 |
6 |
0,14 |
0,50 |
1,73 |
0,8 |
1,4 |
15,7 |
|
|
|
|
|
|
|
2 |
4,0 |
8 |
0,14 |
0,50 |
1,73 |
1,1 |
1,9 |
32,0 |
|
|
|
|
|
|
|
|
1 |
3,0 |
3 |
0,14 |
0,50 |
1,73 |
0,4 |
0,7 |
9,0 |
|
|
|
|
|
|
|
|
1 |
14,0 |
14 |
0,14 |
0,50 |
1,73 |
2,0 |
3,5 |
196,0 |
|
|
|
|
|
|
|
|
2 |
1,7 |
3 |
0,14 |
0,50 |
1,73 |
0,4 |
0,7 |
5,8 |
|
|
|
|
|
|
|
|
Итого |
12 |
|
68 |
0,35 |
|
|
23,9 |
18,4 |
556 |
8 |
1,15 |
27,5 |
20,2 |
34,1 |
52 |
|
ШР2 |
|
|
|
|
|
|
|
|
|
|
|
|
|
|
|
|
Молоты |
2 |
28,0 |
56 |
0,24 |
0,65 |
1,17 |
13 |
15 |
1560 |
|
|
|
|
|
|
|
Индукционные печи низкой частоты |
5 |
20,0 |
100 |
0,70 |
0,95 |
0,33 |
70 |
23 |
2000 |
|
|
|
|
|
|
|
Итого |
7 |
|
156 |
0,53 |
|
|
83 |
38 |
3560 |
6 |
1,09 |
90,5 |
41,8 |
100 |
152 |
|
ШР3 |
|
|
|
|
|
|
|
|
|
|
|
|
|
|
|
|
Прессы штамповочные |
3 |
28,0 |
84 |
0,17 |
0,65 |
1,17 |
14,2 |
16,4 |
2340 |
3 |
2,94 |
42 |
18 |
46 |
70 |
|
ШР1 + ШР3 |
|
|
|
|
|
|
|
|
|
|
|
|
|
|
|
|
ШР1 |
12 |
|
68 |
0,35 |
|
|
23,9 |
18,4 |
556 |
|
|
|
|
|
|
|
ШР3 |
3 |
|
84 |
0,17 |
|
|
14,2 |
16,4 |
2340 |
|
|
|
|
|
|
|
Итого |
15 |
|
152 |
0,25 |
|
|
38,1 |
34,8 |
2896 |
8 |
1,34 |
51 |
38 |
64 |
97 |
|
Щит станций управления ЩСУ1 |
|
|
|
|
|
|
|
|
„ |
|
|
|
|
|
|
|
Насосы |
5 |
20,0 |
100 |
0,70 |
0,80 |
0,75 |
70 |
52 |
2000 |
|
|
|
|
|
|
|
Насосы с синхронным двигателем |
2 |
75,0 |
150 |
0,70 |
-0,90 |
0,48 |
105 |
-72 |
11200 |
|
|
|
|
|
|
|
Итого |
7 |
|
250 |
0,70 |
|
|
175 |
-20 |
13200 |
4 |
1,08 |
189 |
21,6 |
190 |
290 |
|
ЩСУ2 |
|
|
|
|
|
|
|
|
|
|
|
|
|
|
|
|
Технолог. механизмы участка 1 ПТС |
2 |
2,8 |
5,6 |
0,55 |
0,75 |
0,88 |
3,1 |
2,7 |
16 |
|
|
|
|
|
|
|
6 |
10,0 |
60 |
0,55 |
0,75 |
0,88 |
33 |
29 |
600 |
|
|
|
|
|
|
|
|
2 |
15,0 |
30 |
0,55 |
0,75 |
0,88 |
16,5 |
14,5 |
450 |
|
|
|
|
|
|
|
|
3 |
28,0 |
84 |
0,55 |
0,75 |
0,88 |
46,2 |
40,6 |
2340 |
|
|
|
|
|
|
|
|
3 |
40,0 |
120 |
0,55 |
0,75 |
0,88 |
66 |
58 |
4800 |
|
|
|
|
|
|
|
|
Итого |
16 |
|
300 |
0,55 |
|
|
165 |
145 |
8206 |
11 |
1,02 |
168 |
145 |
222 |
338 |
|
ЩСУ3 |
|
|
|
|
|
|
|
|
|
|
|
|
|
|
|
|
Технолог. механизмы участка 2 ПТС |
4 |
25,0 |
100 |
0,55 |
0,75 |
0,88 |
55 |
48 |
2500 |
|
|
|
|
|
|
|
3 |
50,0 |
150 |
0,55 |
0,75 |
0,88 |
82 |
72 |
7500 |
|
|
|
|
|
|
|
|
2 |
100,0 |
200 |
0,55 |
0,75 |
0,88 |
110 |
97 |
20000 |
|
|
|
|
|
|
|
|
Итого |
9 |
|
450 |
0,55 |
|
|
247 |
217 |
30000 |
6 |
1,09 |
269 |
238 |
359 |
546 |
|
ЩСУ4 |
|
|
|
|
|
|
|
|
|
|
|
|
|
|
|
|
Автоматическая поточная линия SPL |
2 |
1,0 |
2 |
0,60 |
0,70 |
1,02 |
1,2 |
1,2 |
2 |
|
|
|
|
|
|
|
2 |
3,0 |
6 |
0,60 |
0,70 |
1,02 |
3,6 |
3,7 |
18 |
|
|
|
|
|
|
|
|
4 |
5,5 |
22 |
0,60 |
0,70 |
1,02 |
13,2 |
13,5 |
120 |
|
|
|
|
|
|
|
|
6 |
10,0 |
60 |
0,60 |
0,70 |
1,02 |
36,0 |
36,7 |
600 |
|
|
|
|
|
|
|
|
2 |
20,0 |
40 |
0,60 |
0,70 |
1,02 |
24,0 |
24,5 |
800 |
|
|
|
|
|
|
|
|
Итого |
16 |
|
130 |
0,60 |
|
|
78 |
80 |
1540 |
11 |
1,0 |
78 |
80 |
111 |
169 |
|
Распределительный шинопровод ШШ1 |
|
|
|
|
|
|
|
|
|
|
|
|
|
|
|
|
Станки |
3 |
1,7 |
5,1 |
0,14 |
0,50 |
1,73 |
0,7 |
1,2 |
9,0 |
|
|
|
|
|
|
|
4 |
3,2 |
12,8 |
0,14 |
0,50 |
1,73 |
1,8 |
3,1 |
40 |
|
|
|
|
|
|
|
|
4 |
4,5 |
18 |
0,14 |
0,50 |
1,73 |
2,5 |
4,3 |
80 |
|
|
|
|
|
|
|
|
1 |
14,0 |
14 |
0,14 |
0,50 |
1,73 |
1,9 |
3,3 |
196 |
|
|
|
|
|
|
|
|
3 |
5,0 |
15 |
0,20 |
0,65 |
1,17 |
3,0 |
3,5 |
75 |
|
|
|
|
|
|
|
|
2 |
8,0 |
16 |
0,20 |
0,65 |
1,17 |
3,2 |
3,7 |
128 |
|
|
|
|
|
|
|
|
2 |
11,5 |
23 |
0,20 |
0,65 |
1,17 |
4,6 |
5,3 |
266 |
|
|
|
|
|
|
|
|
1 |
20,0 |
20 |
0,20 |
0,65 |
1,17 |
4,0 |
4,6 |
400 |
|
|
|
|
|
|
|
|
Итого |
20 |
|
124 |
0,17 |
|
|
21,8 |
29 |
1194 |
12 |
1,44 |
31 |
29 |
42 |
64 |
|
ШШ2 |
|
|
|
|
|
|
|
|
|
|
|
|
|
|
|
|
Печи сопротивления |
5 |
40,0 |
200 |
0,50 |
0,95 |
0,33 |
100 |
33 |
8000 |
|
|
|
|
|
|
|
Станки |
19 |
2,8 |
53 |
0,20 |
0,65 |
1,15 |
10,6 |
12,2 |
149 |
|
|
|
|
|
|
|
3 |
4,0 |
12 |
0,20 |
0,65 |
1,15 |
2,4 |
2,8 |
48 |
|
|
|
|
|
|
|
|
11 |
5,0 |
55 |
0,20 |
0,65 |
1,15 |
11,0 |
12,6 |
275 |
|
|
|
|
|
|
|
|
8 |
10,0 |
80 |
0,20 |
0,65 |
1,15 |
16,0 |
18,4 |
800 |
|
|
|
|
|
|
|
|
Итого |
46 |
|
400 |
0,35 |
|
|
140,0 |
79 |
9350 |
17 |
1,0 |
140 |
79 |
160 |
242 |
|
Магистральный шинопровод М1-1 |
|
|
|
|
|
|
|
|
|
|
|
|
|
|
|
|
ЩСУ3 |
9 |
|
450 |
|
|
|
247 |
217 |
30000 |
|
|
|
|
|
|
|
ЩСУ1 |
7 |
|
250 |
|
|
|
180 |
-20 |
13200 |
|
|
|
|
|
|
|
ЩСУ2 |
16 |
|
300 |
|
|
|
165 |
145 |
8206 |
|
|
|
|
|
|
|
ШР2 |
7 |
|
156 |
|
|
|
83 |
38 |
3560 |
|
|
|
|
|
|
|
ШР1 |
12 |
|
68 |
|
|
|
23,9 |
18,4 |
556 |
|
|
|
|
|
|
|
ШР3 |
3 |
|
84 |
|
|
|
14,2 |
16,4 |
2340 |
|
|
|
|
|
|
|
ЩСУ4 |
16 |
|
130 |
|
|
|
78,0 |
80 |
1540 |
|
|
|
|
|
|
|
ШШ1 |
20 |
|
124 |
|
|
|
21,8 |
29 |
1194 |
|
|
|
|
|
|
|
ШШ2 |
46 |
|
400 |
|
|
|
140 |
79 |
9350 |
|
|
|
|
|
|
|
Итого |
136 |
|
1962 |
0,48 |
|
|
953 |
607 |
69946 |
55 |
0,74 |
705 |
450 |
843 |
1280 |
|
М1-2 |
|
|
|
|
|
|
|
|
|
|
|
|
|
|
|
|
Печи сопротивления (щиты ШП1-ШП4) |
4 |
250,0 |
1000 |
0,50 |
0,95 |
0,33 |
500,0 |
165,0 |
250000 |
4 |
1,04 |
520 |
171 |
547 |
832 |
|
М1 |
|
|
|
|
|
|
|
|
|
|
|
|
|
|
|
|
ШШ3 |
40 |
|
700 |
|
|
|
140 |
240 |
16820 |
|
|
|
|
|
|
|
М1-1 |
136 |
|
1962 |
|
|
|
953 |
625 |
69946 |
|
|
|
|
|
|
|
М1-2 |
4 |
|
1000 |
|
|
|
500 |
165 |
250000 |
|
|
|
|
|
|
|
Итого |
180 |
|
3662 |
0,43 |
|
|
1593 |
1030 |
336766 |
40 |
0,77 |
1226 |
793 |
1460 |
2200 |

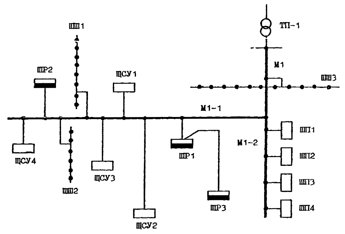
Рисунок 2.1 – Распределительная сеть до 1 кВ
|
Таблица 2.4 - Расчета электрических нагрузок на сборных шинах низкого напряжения цеховых трансформаторных подстанций |
|||||||||||||||
|
Исходные данные |
Расчетные величины |
Эффекти вное число ЭП nэ |
Коэф. расчет ной нагрузки Кр |
Расчетная мощность |
Расчетный ток, А Ip |
||||||||||
|
По заданию технологов |
По справочным данным |
Ки*Рн |
Ки*Рн*tgf |
рн**2*n |
кВт Рр |
кВАр Qp |
кВА Sp |
||||||||
|
Наименование ЭП |
Кол-во ЭП шт. n |
Номинальная (установленная) мощность, кВт |
Коэф. использования Ки |
Коэф. реактивной мощности |
|||||||||||
|
одного ЭП рн |
общая Рн = n*рн |
||||||||||||||
|
cos f |
tg f |
||||||||||||||
|
Пример расчета электрических нагрузок силовых ЭП на сборных шинах низкого напряжения цеховых трансформаторных подстанций |
|||||||||||||||
|
ТП2 |
|
|
|
|
|
|
|
|
|
|
|
|
|
|
|
|
Насосы |
8 |
200,0 |
1600 |
0,70 |
0,80 |
0,75 |
1120,0 |
840,0 |
320000,0 |
|
|
|
|
|
|
|
Нагревательные приборы |
6 |
4,0 |
24 |
0,30 |
0,95 |
0,33 |
7,2 |
2,4 |
96,0 |
|
|
|
|
|
|
|
Вентиляторы |
4 |
10,0 |
40 |
0,65 |
0,80 |
0,75 |
26,0 |
19,5 |
400,0 |
|
|
|
|
|
|
|
Насосы с СД |
2 |
100,0 |
200 |
0,70 |
-0,90 |
0,48 |
140,0 |
-96,0 |
20000,0 |
|
|
|
|
|
|
|
Итого |
20 |
|
1864 |
0,69 |
0,86 |
0,59 |
1293,2 |
765, |
340496,0 |
10,2 |
0,89 |
1149 |
681 |
1335 |
|
|
ТП3 |
|
|
|
|
|
|
|
|
|
|
|
|
|
|
|
|
Печь сопротивления |
2 |
500,0 |
1000 |
0,50 |
0,95 |
0,33 |
500,0 |
165,0 |
500000,0 |
|
|
|
|
|
|
|
Итого |
2 |
|
1000 |
0,50 |
0,95 |
0,33 |
500,0 |
165,0 |
500000,0 |
2,0 |
1,19 |
594 |
196 |
625 |
950 |
3 КАТЕГОРИИ ЭЛЕКТРОПРИЕМНИКОВ ПО НАДЕЖНОСТИ ЭЛЕКТРОСНАБЖЕНИЯ
Все электропремники по надежности электроснабжения подразделяются на три основные группы, классификация которых по основным признакамдана в ПУЭ.
К электроприемникам первой (I) категории относятся электроприемники, перерыв электроснабжения которых может повлечь за собой: опасность для жизни людей, значительный ущерб народному хозяйству, повреждение дорогостоящего основного оборудования, массовый брак продукции, расстройство сложного технологического процесса, нарушение функционирования особо важных элементов коммунального хозяйства.
Из состава электроприемников I категории выделяется особая группа электроприемников, бесперебойная работа которых необходима для безаварийного останова производства с целью предотвращения угрозы жизни людей, взрывов, пожаров и повреждения дорогостоящего основного оборудования. Перерыв в электроснабжении разрешается на время действия автоматики по переводу на резервный источник питания.
Электроприемники II категории. Электроприемники, перерыв электроснабжения которых приводит к массовому недоотпуску продукции, массовым простоям рабочих, механизмов и промышленного транспорта, нарушению нормальной деятельности значительного количества городских и сельских жителей. Перерыв в электроснабжении разрешается на время действий оперативного персонала по переводу на резервный источник питания
Электроприемники III категории. Все остальные электроприемники, не подходящие под определения I и II категорий.
3.1 Электрические сети предприятий
Решают основные вопросы внутризаводского снабжения. К ним относятся - выбор питающих и распределительных напряжений; схем рационального электроснабжения.
Системы электроснабжения условно делятся на внутреннее и внешнее электроснабжение.
Сети внутреннего электроснабжения предназначенны для распределения электроэнергии по территории предприятия и внутри цехов. Схема внутризаводского электроснабжения на рисунке 3.1. Обозначения на рисунке ГПП – главная понизительная подстанция, ТП – трансформаторная ПС, РУ – распределительное устройство.
Сети внешнего электроснабжения - это питающие сети 6-220 кВ обеспечивающие подачу электроэнергии от энергосистемы до приемного устройства.
Рисунок 3.1 – Схема
внутризаводского электроснабжения
Схема системы электроснабжения (СЭ) должна быть простая, надежная, удобная;
- все элементы схемы, рабочие параметры должны сохраняться и в послеаварийном режиме и в режиме допустимой перегрузки;
- учитывать перспективы развития без коренной реконструкции, возможность замены трансформаторов в пределах одной ТП;
- обеспечивать надежную защиту, автоматическое восстановление питания;
- обеспечить наименьшие потери мощности и электроэнергии путем приближения источника питания (ИП) и уменьшения числа ступеней напряжения.
Также при выборе схемы СЭ необходимо обеспечить: минимальное количество ступеней трансформации (2-5); глубокое секционирование на всех ступенях напряжения; приближение узлов распределения электроэнергии к приемникам.
По напряжению сети делятся на электрические сети до 1 кВ и выше 1 кВ.
Все сети разделяются на питающие и распределительные. Они должны быть просты, экономичны, и формироваться исходя из требований, предъявляемых к категории надежности по электроснабжению.
Все сети разделяются на радиальные, магистральные и смешанные.
3.2 Внутренние сети до 1 кВ
Радиальные сети до 1 кВ. Применяются для питания отдельных электроприемников или узлов по одной отдельной питающей линии, отходящей от цеховой ТП. Такие сети применяются для ответственных электроприемников первой и второй категорий, электроприемников большой мощности (РН=50-75 кВт) и также для узлов питания.
Преимущества радиальной схемы – высокая надежность, хорошие возможности применения автоматики для снижения перерывов в электроснабжении.
Недостатки радиальной схемы - значительные первоначальные затраты, связанные со значительным расходом проводниковой продукции, установкой дополнительных распределительных пунктов и узлов. Пример радиальной схемы питания на рисунке 3.2, где ТП – цеховая трансформаторная подстанция, РУ-0,4 кВ – распределительное устройство на стороне низкого напряжения ТП, ШР1ШР4 – распределительные шкафы, от которых запитываются электроприемники.
Магистральные сети до 1 кВ. Применяются при равномерном расположении электроприемников по цеху. Недостатки магистральной схемы: меньшая надежность сети - при повреждении обесточиваются все электроприемники; значительные токи КЗ в аварийных режимах.
Преимущества магистральной схемы. Меньшая первоначальная стоимость сетей, меньшие потери напряжения и мощности. Чисто магистральные сети, рисунок 3.3, выполняются магистральными шинопроводами по схеме блок трансформатор-магистраль. Схемы блоков трансформатор-магистраль, не должны превышать число установленных трансформаторов КТП (комплектная трансформаторная ПС).

Рисунок 3.2 – Пример радиальной схемы до 1 кВ
Пример магистральной схемы на рисунке 3.4, где ШР1, ШР2 и шкаф освещения ШРО получают питание от одной магистрали, другая магистраль питает ШР3, ШР4, ШР5.

Рисунок 3.3 – Блок трансформатор-магистраль
1 – магистраль, 2 –распределительный шинопровод, 3 – приемники электроэнергии
Довольно часто схемы выполняются смешанными радиально-магистральными.
3.3 Конструктивное исполнение сетей до 1 кВ
Питающие сети до 1кВ выполняются кабельными линиями, прокладываемыми от цеховых ТП. Они прокладываются открыто по монтажным конструкциям, в кабельных каналах, в траншеях, в трубах как по территории предприятия так и цеха.
Их разделяют на внутренние и наружные сети. Обычно наружные сети применяются в случае когда от одной ТП питаются несколько электроустановок, расположенных в разных отдельных корпусах.
Внутренние сети применяются при разводке внутри помещений. Они прокладываются от распределительного щита цеховой ТП до узлов распределения электроэнергии.

Рисунок 3.4 – Пример магистральной схемы
Узловые пункты питания выполняются распределительными шкафами, магистральными и радиальными комплектными шинопроводами.
Распределительные силовые
пункты, устанавливаются вблизи электроприемников. Они представляют
собой шкафы с установленными в них защитными
аппаратами–автоматическими выключателями, предохранителями,
с вводным автоматом или
рубильником. Исполнение силовых шкафов определяется условиями
технологической среды.
Пункты распределительные ПР11, ПР8000 с автоматическими выключателями, степенью защиты IP30, IP54. Предназначены для приема и распределения электрической энергии, защиты от перегрузок и коротких замыканий силовых и осветительных линий, а также для нечастых (до 6 включений в час) оперативных включений и отключений электроприемников в сетях до 660В частотой 50 и 60Гц с глухозаземленной и изолированной нейтралью, пусков асинхронных
двигателей.
Шкафы распределительные силовые ШР 11, ШРС 1 с плавкими предохранителями. Выдерживаемый ударный ток:- при номинальном токе шкафа 250А – не менее 10 кА;- при номинальном токе шкафа 400А – не менее 25 КА. IP31, IP54 ВР-32 ПН-2, ППН-35, ПП-35
П
редназначены для приема и распределения электрической энергии,
защиты электрических цепей от токов короткого замыкания.
Шкафы рассчитаны на номинальные токи до 400А и номинальное напряжение до 380В трехфазного переменного тока частотой 50Гц с глухозаземленной нейтралью:
Комплектные шинопроводы выполняют закрытыми. Их изготовляют отдельными секциями, из которых и собирается весь шинопровод
Алюминиевые токоведущие шины находятся внутри металлического короба и изолированы от него изоляторами.

Внутренние сети применяются при разводке внутри помещений, прокладываются от распределительного щита цеховой ТП до узлов распределения электроэнергии. Они прокладываются открыто по монтажным конструкциям, в кабельных каналах, в трубах проводами и кабелями. Наружные сети распределительные прокладываются вне помещений когда от одной отдельно стоящей ТП питаются несколько электроустановок, расположенных в разных отдельных корпусах. Сети выполняются кабелями, прокладываемыми в траншеях, каналах, узловые пункты питания выполняются распределительными шкафами, магистральными и радиальными комплектными шинопроводами.
4 ЗАЩИТНАЯ АППАРТУРА СЕТЕЙ ДО 1 КВ
Сети, выполняемые проводниками должны иметь защиту от ненормальных режимов работы. Их необходимо защищать от действия токов короткого замыкания, токов аварийной перегрузки. Сети защищаются аппаратами: автоматическими выключателями, плавкими предохранителями и управляются аппаратами управления: магнитными пускателями, контакторами.
Главные функции защитных аппаратов – включение, отключение цепей электроприемников, защита от перегрузок, токов короткого замыкания,
Главные функции аппаратов управления: пуск и останов двигательной нагрузки электроприемников, защита от снижения напряжения или самозапуска,.регулирование скорости, реверсирование, электрическое торможение.
Каждый из названных аппаратов может выполнять как одну так и несколько функций.
4.1 Выбор плавких предохранителей
Плавкие предохранители применяются для защиты сетей и электроприемников от токов короткого замыкания. Плавкие вставки предохранителей выдерживают токи на 30-50% выше номинальных в течении 1 часа и больше, 60-100% менее 1 часа. Если в течении этого времени нагрузочные токи уменьшаться до номинальных, плавкая вставка останется целой. Плавкие предохранители делят на инерционные – со значительной тепловой инерцией, способные выдерживать значительные временные перегрузки, безинерционные – с малой тепловой инерцией, с ограниченной способностью к перегрузкам. К инерционным относят предохранители установочные с предохранительной резьбой и свинцовым токопроводящим мостиком. К безинерционным относят трубчатые с медным токопроводящим мостиком и предохранители со штампованными вставками открытого типа. По конструкции предохранители делят на две группы – с наполнителем, наполненные мелким кварцевым песком типа ПН2, НПН2, ПП17, ПП18 и без наполнителя ПР2. Типы некоторых предохранителей: ПР – предохранитель разборный; НПН – насыпной предохранитель, неразборный; ПН2 – предохранитель насыпной, разборный. Технические данные предохранителей НПН и ПН2 приведены в таблице 4.1.
Условия выбора плавких предохранителей.
Номинальный ток плавкой вставки безинерционного предохранителя выбирается из условия длительного протекания расчетного тока линии по (4.1)
. (4.1)
Таблица 4.1-Технические данные предохранителей НПН и ПН2
|
Тип предохранителя |
Номинальный ток |
Предельный ток отключения (действующее значение),А |
При каком положении предохранителя |
||
|
предохранителя, А |
плавких вставок, А |
||||
|
НПН-15 НПН-60М |
15 60 |
6; 10; 15 20; 25; 35; 45; 60 |
– – |
|
|
|
Патроны разборные |
ПН2-100 |
100 |
30; 40; 50; 60; 80; 100 |
50000 |
вертикальном и горизонтальном положении |
|
ПН2-250 |
250 |
80; 100; 125; 150; 200; 250 |
40000 |
||
|
ПН2-400 |
400 |
200; 250; 300; 400 |
25000 |
при вертикальном положении |
|
|
ПН2-600 |
600 |
300; 400; 500; 600 |
25000 |
||
|
ПН2-1000 |
1000 |
500; 600; 750; 800; 1000 |
10000 |
||
Номинальный ток
инерционного предохранителя должен соответствоать кратности
допустимого тока. ![]()
При выборе плавких предохранителей к узлам распределения электроэнергии – силовым сборкам, шинопроводам, магистралям, длительный ток принимается равным расчетному для группы приемников, для защиты одиночных приемников длительный ток принимается равным номинальному.
Для обеспечения
нормальной работы сетей и электроприемников плавкие предохраниели
отстраивают от кратковременных токов перегрузки
.
В качестве кратковременных токов одиночных приемников принимаются пусковые токи, а для групп приемников пиковые токи.
(4.2)
где
для группы приемников,
для одиночного приемника
- коэффициент снижения пускового тока электроприемника, при легком пуске =2,5, при тяжелом пуске =1,6 при среднем =2,0.
Легкий пуск имеют приемники с однородным графиком потребления электродвигатели вентиляторов, насосов, компрессоров. К среднему пуску можно отнести приводы металлообрабатыващих станков.
При выборе плавкого
предохранителя к одиночному приемнику с частыми пусками или
затяжным пуском ![]()
Пиковый ток группы приемников рассчитывается
(4.3)
где
- пусковой ток приемника,
создающего максимальный ток в группе, А
- расчетный ток группы, А
- номинальный ток указанного
приемника, А
- коэффициент использования
этого приемника.
Пусковой ток приемника рассчитывается
(4.4)
где КПУС – кратность пускового тока.
Защита выполняемая аппаратами, в том числе плавкими предохранителями, должна быть селективной. Что достигается выбором плавких вставок на отдельных участках возрастающими в сторону узла питания. При этом ток предохранителя высшей ступени больше на два порядка низшей ступени.
Чтобы обеспечить избирательность защиты необходимо подобрать плавкие вставки на двух смежных участках линии так, чтобы произошло отключение только необходимой линии.
Пример выбора плавкого предохранителя
Выбрать плавкий предохранитель к силовой сборке типа ШРС-11 с номинальным напряжением UН=380 В, расчетным током IP=338 А. Данные электроприемника, создающего наибольший пусковой ток в группе –
РН=28 кВт; КИ=0,55; соs=0,75; кратность пускового тока КП=5.
Решение
1) Рассчитывается номинальный ток электроприемника
(4.5)
.
2) Пусковой ток электроприемника
, (4.6)
.
3) Пиковый ток группы по (4.3)
.
4) Условия выбора плавкой вставки предохранителя по длительному току продолжительного режима и отстройка от пускового тока
![]()
.
5) Выбирается
предохранитель ПН2-400, с номинальным током патрона
и плавкой вставкой
.
4.2 Выбор автоматических выключателей
Автоматические выключатели служат для нечастых включений и отключений цепи, для защиты от токов перегрузки и токов короткого замыкания.
Для выполнения защитных функций автоматические выключатели снабжаются тепловыми и электромагнитными расцепителями или комбинированными. Тепловой расцепитель выполняет защиту от токов перегрузки, электромагнитный от токов короткого замыкания.
Автоматические выключатели выполняются для стационарной установки и выдвижные. Для значительных токов нагрузки применяются автоматы серии «Электрон», стационарные и выдвижные с дистанционным управлением привода выключателя, устанавливаемые в шкафах комплектных трансформаторных подстанций.
Такого же типа есть автоматы серии АВМ, снятые с производства, но используемые в действующих старых установках.
Широко применяются автоматы серий АЕ, ВА с большим диапазоном токов, для цепей управления с малыми токами нагрузки применяются автоматы ВА и АП-50Б.
Серия ВА выпущена взамен А3700, А3100, АВМ и «Электрон». Выключатели ВА51, ВА52 выпускаются с тепловым и электромагнитным и комбированным расцепителями, ВА53, ВА55 и ВА75 с полупроводниковым максимальным расцепителем, выключатели ВА56 без макмимальных расцепителей. Маркировка автоматических выключателей серии ВА.
Условия выбора автоматических выключателей:
- по напряжению установки
;
- по месту установки – стационарные или выдвижные;
- по токам нагрузки и токам короткого замыкания.
Выбор токов срабатывания автоматических выключателей.
Отстройка теплового расцепителя. Номинальный ток теплового расцепителя выбирается из условия длительного протекания расчетного тока линии или электроприемника
.
где
, для одиночных
электроприемников
- номинальный ток
электроприемника, А
, для защищаемой линии
- расчетный ток линии, А
Отстройка электромагнтного расцепителя. Номинальный ток электромагнитного расцепителя или комбинированного расцепителя также выбирают по длительному току присоединения. Ток срабатывания проверяют по максимальному кратковременному току линии
(4.7)
Кратковременные токи определяются так же как и при выборе предохранителя. Коэффициент 1,25 учитывает погрешность определения кратковременного тока при разбросе характеристик электромагнитного расцепителя и исключает ложное срабатывание при пуске двигателей.
Если автоматический выключатель имеет обратно зависимую от тока характеристику, ток теплового расцепителя определяется условием
(4.8)
Пример выбора автоматического выключателя.
В магистральной линии
силовой сети напряжением 380/220 В с длительным расчетным током
, кратковременным пиковым
током
при легком
пуске двигателей выбрать автоматический выключатель.
Решение.
1) Ток теплового
расцепителя по условию выбора ![]()
![]()
2) Ток электромагнитного
расцепителя по условию ![]()
![]()
Выбирается выключатель
ВА51-31, номинальный ток выключателя
, номинальный ток расцепителя
.
3) Ток срабатывания
теплового расцепителя: в зоне перегрузки кратность срабатывания
1,2-1,25, ток расцепителя в зоне срабатывания составит
.
4) Ток электромагнитногго
расцепителя: кратность срабатывания в зоне КЗ – 3,6,7 и ток
расцепителя составит
.
5) Выбранный выключатель
ВА51-31,
,
,
соответствует параметрам
защиты.
4.3 Выбор магнитных пускателей
Магнитные пускатели или контакторы служат для дистанционного управления элетроприводами. Они предназначены для частых пусков и отключений. Защиту от токов они не выполняют, но выполняют защиту от снижения напряжения (нулевая защита), тепловую защиту при наличиии теплового реле, защиту от самозапуска.
Контакторы выполняют те же функции, что магнитный пускатель, но они рассчитаны на большие токи, 250-400 А, и каждый полюс имеет дугогасительную камеру. Исполнение контактора открытое, так устанавливаются они обычно в электротехнических шкафах.
Выбираются по напряжению, по току, числу полюсов, исполнению по среде, по наличию тепловй защиты или без нее, по необходимости реверсирования.
Основные современные серии магнитных пускателей ПМ12-000, ПМЕ-200 выполняются на номинальное напряжение до 660В, ПМА-300 до 380В. Примеры маркировок пускателей
Н
оминальные токи
пускателей ПМ12:
ПМ12-010, IН=10А;
ПМ12-025, IН=25А;
ПМ12-040, IН=40А;
ПМ12-063, IН=63А.
П
ускатели
серии ПМЕ имеют
обозначения в маркировке: без
теплового реле – 1, с тепловым реле – 2,
нереверсивный – 1, реверсивный – 2.
Величина пускателя определяет
наибольшую мощность управляемого
двигателя. Так для пускатели серии
ПМЕ нулевой величины (0) на
номинальное напряжение 380В
применяются для электродвигателей мощностью до 4 кВт, второй величины до – 10 кВт.
Тепловые реле магнитных пускателей выполняют тепловую защиту от перегрева. В пускателях серии ПМ12 применяются реле типа РТТ. В пускателях серии ПМЕ – реле типа ТРН-8,10,25,32,40 до третьей величины включительно, реле ТРП-120,150 для величин 4,5,6. Уставка теплового реле выбирается аналогично току срабатывания теплового расцепителя автоматического выключателя.
4.4 Расчет электричесих сетей до 1 кВ
Согласно ПУЭ электрические сети делятся на две группы: 1) сети защищаемые от токов перегрузки и токов короткого замыкания, 2) сети, защищаемые только от токов короткого замыкания.
В соответствии с § 3.1.10 ПУЭ защиту от перегрузки должны иметь электрические сети, выполненные с использованием самонесущего изолированного провода (СИП), а также следующие сети внутри помещений:
1) электрические сети, выполненные открыто проложенными проводниками с горючей наружной оболочкой или горючей наружной изоляцией;
2) групповые осветительные сети в жилых и общественных зданиях и сооружениях, в торговых помещениях, служебно-бытовых помещениях промышленных предприятий, включая сети для бытовых и переносных электроприемников (утюгов, чайников, плиток, комнатных холодильников, пылесосов, стиральных и швейных машин и т.п.), а также в пожароопасных зонах;
3) силовые сети в жилых и общественных зданиях и сооружениях, торговых помещениях, на промышленных предприятиях, - только в случае, когда по условиям технологического процесса или по режиму работы сети может возникать длительная перегрузка проводников;
4) сети специальных установок согласно требованиям раздела 7 ПУЭ.
5) проводники силовых, осветительных и вторичных цепей в сетях до 1 кВ во взрывоопасных зонах классов B-I, B-Ia, B-II и В-IIа должны быть защищены от перегрузок и КЗ, а их сечения должны быть не менее сечения, принятого по расчетному току.
6) проводники ответвлений к электродвигателям с короткозамкнутым ротором до 1 кВ должны быть во всех случаях (кроме находящихся во взрывоопасных зонах классов B-Iб и B-Ir) защищены от перегрузок, а сечения их должны допускать длительную нагрузку не менее 125% номинального тока электродвигателя.
Все остальные сети не требуют защиты от перегрузки и защищаются от токов короткого замыкания.
Выбираемые сечения проводников должны быть не менее требуемых по расчетной допустимой нагрузке.
Допустимые длительные токи для проводов с резиновой или поливинилхлоридной изоляцией, шнуров с резиновой изоляцией и кабелей с резиновой или пластмассовой изоляцией в свинцовой, поливинилхлоридной и резиновой оболочках приведены в ПУЭ в табл. 1.3.4 -1.3.11. Они приняты для температур: жил +65, окружающего воздуха +25 и земли +15°С.
Сечение проводов и кабелей до 1 кВ рассчитываются по нескольким условиям.
1) Нагрев длительным расчетным током
, (4.9)
2) Соответствие аппарату максимальной токовой защиты
(4.10)
где КПОПР – поправочный коэффициет на условия прокладки проводов и кабелей;
КЗ – коэффициент защиты или кратность защиты, отношение длительно допустимого тока к току срабатывания защитного аппарата определяется видом защиты, характером сети, изоляцией проводника, условиями прокладки. Значения КЗ даются в справочных данных;
- ток срабатывания защитного
аппарата, А.
Поправочный коэффициет КПОПР рассчитывается по выражению
(4.11)
где
- коэффициент, учитывающий
температуру окружающей среды, если она отличается от расчетной
+250С, выбирается в ПУЭ по таблице 1.3.3 или таблица
4.2
- коэффициент, учитывающий
условия прокладки, приведен в ПУЭ в таблице 1.3.12, как для
проводов, проложенных открыто (в воздухе), с введением снижающих
коэффициентов 0,68 для 5 и 6 проводников; 0,63 для 7 - 9 и 0,6 для
10-12 проводов или в таблице 4.3.
- коэффициент, учитывающий
продолжительность включения ПВ.
При нормальных условиях
прокладки, соответствующих температуре +250С, одиночной
прокладке проводника и продолжительности включения ПВ=100%,
![]()
Таблица 4.2 - Поправочные коэффициенты на токи для кабелей, неизолированных и изолированных проводов и шин в зависимости от температуры земли и воздуха
|
Условная темпера тура среды, °С |
Нормиро ванная темпера тура |
Поправочные коэффициенты на токи при расчетной температуре среды, °С |
|||||||||||
|
-5 и ниже |
0 |
+5 |
+10 |
+15 |
+20 |
+25 |
+30 |
+35 |
+40 |
+45 |
+50 |
||
|
15 25 25 15 25 15 25 15 25 15 25 |
80 80 70 65 65 60 60 55 55 50 50 |
1,14 1,24 1,29 1,18 1,32 1,20 1,36 1,22 1,41 1,25 1,48 |
1,11 1,20 1,24 1,14 1,27 1,15 1,31 1,17 1,35 1,20 1,41 |
1,08 1,17 1,20 1,10 1,22 1,12 1,25 1,12 1,29 1,14 1,34 |
1,04 1,13 1,15 1,05 1,17 1,06 1,20 1,07 1,23 1,07 1,26 |
1,00 1,09 1,11 1,00 1,12 1,00 1,13 1,00 1,15 1,00 1,18 |
0,96 1,04 1,05 0,95 1,06 0,94 1,07 0,93 1,08 0,93 1,09 |
0,92 1,00 1,00 0,89 1,00 0,88 1,00 0,86 1,00 0,84 1,00 |
0,88 0,95 0,94 0,84 0,94 0,82 0,93 0,79 0,91 0,76 0,89 |
0,83 0,90 0,88 0,77 0,87 0,75 0,85 0,71 0,82 0,66 0,78 |
0,78 0,85 0,81 0,71 0,79 0,67 0,76 0,61 0,71 0,54 0,63 |
0,73 0,80 0,74 0,63 0,71 0,57 0,66 0,50 0,58 0,37 0,45 |
0,68 0,74 0,67 0,55 0,61 0,47 0,54 0,36 0,41 |
Таблица 4.3 - Снижающий коэффициент для проводов и кабелей, прокладываемых в коробах
|
Способ прокладки |
Количество проложенных проводов и кабелей |
Снижающий коэффициент для проводов и кабелей, питающих |
||
|
Одножиль ных |
Многожиль ных |
отдельные электроприемники с коэффициентом использования до 0,7 |
группы электроприемников и отдельные приемники с коэффициентом использования более 0,7 |
|
|
Многослойно и |
- |
до 4 |
1,0 |
- |
|
пучками |
2 |
5-6 |
0,85 |
- |
|
|
3-9 |
7-9 |
0,75 |
- |
|
|
10-11 |
10-11 |
0,7 |
- |
|
|
12-14 |
12-14 |
0,65 |
- |
|
|
15-18 |
5-18 |
0,6 |
- |
|
Однослойно |
2-4 |
2-4 |
- |
0,67 |
|
|
5 |
5 |
- |
0,6 |
При выборе снижающих коэффициентов контрольные и резервные провода и кабели не учитываются.
Таблица 4.4 - Коэффициенты защиты сетей
|
Наименование |
Коэффициенты защиты Кз для сетей, |
|||
|
требующих, обязательной защиты от перегрузки |
не требующих защиты от перегрузки |
|||
|
провода с резиновой и аналогичной по тепловым характеристикам изоляцией |
кабели с бумажной изоляцией |
|||
|
взрыво- и пожароопасные помещения, жилые, торговые помещения и т.п. |
невзрыво- и непожароопасные производственные помещения промышленных предприятий |
|||
|
Номинальный ток плавкой вставки предохранителей |
1,25 |
1,0 |
1,0 |
0,33 |
|
Ток уставки автоматического выключателя, имеющего только максимальный мгновенного действия расцепитель |
1,25 |
1,0 |
1,0 |
0,22 |
|
Номинальный ток расцепителя автоматического выключателя с нерегулируемой обратнозависимой от тока характеристикой |
1,0 |
1,0 |
1,0 |
1,0 |
|
Ток трогания автоматического выключателя с регулируемой от тока характеристикой |
1,0 |
1,0 |
0,80 |
0,66 |
3) Выбор сетей по потере напряжения.
Согласно ПУЭ сети выбранные из условия длительного протекания и защиты проверяются по потере напряжения.
4.5 Потеря напряжения и падение напряжения
Чтобы объяснить понятия потеря и падене напряжения рассмотрим векторную диаграмму сети переменного тока, обладающую активным и индуктивным сопротивлениями.
Линия с индуктивной нагрузкой на конце линии, рисунок 4.1.
Вектор 0а – это вектор
напряжения
на конце
линии. Под углом 2 к
нему проведен вектор тока нагрузки
, в линии.
Падение напряжения в
линии определяется треугольником падения напряжения
. Вектор
совпадает по фазе с вектором
тока и показывает падение напряжения на активном сопротивлении
линии. Вектор
показывает падение напряжения на индуктивном сопротивлении линии.
Вектор
показывает
падение напряжения в линии и представляет геометрическую разность
между напряжениями в начале и конце линии
. (4.12)
Отрезок
- алгебраическая разность
напряжений в начале и конце линии, без учета отрезка
, и называется продольной
составляющей падения напряжения.
Поскольку в сетях до 35
кВ углы между
и
малы, продольная
составляющая принимается равной падению напряжения, которая и
учитывается при выборе сечений проводов.
Продольную составляющую
падения напряжения или величину потери напряжения
представим через отрезки
, (4.13)
где ![]()

Рисунок 4.1 – Векторная диаграмма линии с нагрузкой на конце линии
Откуда получим
(4.14)
Линейная потеря напряжения определится через соотношения между фазными и линейными величинами
(4.15)
Перейдем к выражению потери напряжения через мощности нагрузки
(4.16)
У электроприемников за
U принимается номинальное напряжение
![]()
Рассмотрим линию с
двумя индуктивными нагрузками
на рисунке 4.2. Расчетный ток
на первом участке сети определяется как геометрическая сумма
нагрузочных токов
. Вектор
I1 определяет общий сдвиг фаз.
Напряжение в конце первого участка UФ1, второго UФ2. Треугольники падений напряжений
строят на каждом участке, в конце первого и в конце второго. Общая
потеря напряжений равна сумме потерь напряжений в обоих участках и
можно записать
(4.17)
Для любого числа нагрузок получается
(4.18)
Если расчет вести по
токам нагрузки приемников
, то
(4.19)
Рисунок 4.2 - Векторная
диаграмма линии с думя нагрузками
В процентах это составит
(4.20)
Согласно ПУЭ отклонение напряжения для силовых сетей должно быть не более 5%. Для сетей электрического освещения допускаемое отклонение составляет 2,5%.
Минимальные сечения проводов по условиям механической прочности принимаются:
для силовых сетей с алюминиевыми жилами не менее 2,5 мм2,
для освещения с алюминиевыми жилами не менее 2,0 мм2;
для медных жил не менее 1,5 мм2.
4.6 Конструкции ТП
Электроустановка, состоящая из трансформаторов или других преобразователей, распределительных устройств напряжением до 1 кВ и выше, служащая для преобразования и распределения электроэнергии называется подстанцией. В зависимости от положения в энергосистеме бывают районные, подстанции промышленных предприятий, тяговые, подстанции городских сетей и другие.
Подстанции промышленных предприятий: заводские как ГПП, ПС ГВ и цеховые.
Цеховые подстанции выполняются встроенными, пристроенными и отдельно стоящими. Они должны занимать минимум полезной производственной площади, удовлетворять требованиям электрической и пожарной безопасности и не создавать помех производству.
Встроенные подстанции сооружаются непосредственно в цехе или размещаемыми в отдельных помещениях. Если среда чистая неагрессивная ТП располагают непосредственно в цехе, если агрессивная в отдельном помещении.
Отдельно стоящие ТП применяются для питания нескольких цехов, находящихся в разных помещениях и сооружение самостоятельных подстанций нецелесообразно. Если в цехе есть взрывоопасные производства и если ТП невозможно разместить в цехе по соображениям производственного характера.
Подстанции по комплектации оборудованием бывают комплектными (КТП) и индивидуальной комплектации, предпочтение следует отдавать комплектным.
Цеховые трансформаторные подстанции должны располагаться как можно ближе к центру нагрузок.
Однотрансформаторные подстанции применяются для потребителей третьей категории по надежности электроснабжения.
Двухтрансформаторные подстанции применяются для потребителей первой и второй категории, а также при наличии неравномерного суточного или годового графика.
Трансформаторы, которыми комплектуются ТП бываю сухие и маслянные. Для подстанций сооружаемых внутри помещений рекомендуется применять сухие трансформаторы. Мощность трансформаторов цеховых подстанций составляет 250-2500 кВА.
КТП внутренней установки выполняют на напряжение 6-10/0,4 кВ. Они состоят из трех основых элементов: вводного устройства высокого напряжения, силового трансформатора и распределительного устройства низкого напряжения 0,4 кВ.
Вводное устройство выполняется в виде шкафа с клеммным вводом, с выключателем нагрузки с предохранителем и без предохранителя.
Распределительное устройство состоит из шкафов с аппаратами защиты, ошиновкой и проводами. Пример КТП на рисунке 4.3.

Рисунок 4.3 – Общий вид КТП и план
В КТП применяются трехфазные двухобмоточные силовые трансформаторы типов:
для КТП-250,400~ ТМФ;
для КТП-630, 1000, 1600 - ТМФ, ТСЗГЛ с «Геафоль» изоляцией, ТСЗ, ТСЗН;
для КТП-2500 - ТМЗ; ТСЗГЛ.
Распределительное устройство низкого напряжения (РУНН) состоит из набора шкафов:
шкафа ввода низшего напряжения ШНВ;
шкафов отходящих линий ШНЛ;
шкафа секционного ШНС только в двухтрансформаторных КТП;
шинопровода - только в двухрядных двухтрансформаторных КТП;
внешнего шкафа сигнализации (по заказу).
РУНН выпускается транспортными блоками длинной не более 4 м. Шкафы РУНН представляют собой металлический каркас, закрытый с боков и сверху металлическими съемными листами. В КТП применяются два вида конструкции каркасов: сборная (каркас собран из специальных стоек) и сварная (каркас сварен из металлических стоек, швеллеров и уголков).
Внутри каркаса шкафа закреплены выключатели, шины, аппаратура, приборы и механизм вторичной коммутации. Оперативное обслуживание шкафов производится с фасада, доступ к ошиновке и кабельным присоединениям осуществляется с задней стороны шкафа. Для удобства обслуживания и монтажа предусмотрены двери, запираемые на замки.
Конструкция шкафов РУНН со стационарными выключателями обеспечивает оперирование приводами выключателей при закрытых дверях и невозможность открывания дверей без применения инструмента. В шкафах РУНН установлены автоматические выключатели: на вводе и секционировании - выдвижного исполнения; на отходящих линиях - стационарного или выдвижного исполнения.
Релейная аппаратура размещена в верхних отсеках шкафов; в КТП-1600, КТП-2500 - в релейном шкафу.
Шкафы ШНВ обеспечивают возможность подключения магистральных шинопроводов (ШМА-16) без дополнительных стыковочных узлов. В шкафах РУНН обеспеченна возможность подключения алюминиевых кабелей с сухой разделкой, в количестве, обеспечивающем отвод номинального тока каждого выключателя.
Для учета электрической энергии в КТП установлены счетчики активной и реактивной (по заказу) энергии. Счетчики размещены в шкафу учета (размещенном на стенке ШНВ) или в приборном отсеке шкафа ШНЛ, в зависимости от заказанной компоновки КТП. При необходимости поставляется шкаф учета с обогревом.
В двухтрансформаторных КТП предусмотрен автоматический ввод резерва (АВР), обеспечивающий отключение выключателя ввода НН и включение секционного выключателя при исчезновении напряжения на вводе или при исчезновении напряжения в одной из фаз (т.е. при возникновении несимметричного режима), в зависимости от исполнения схемы. Кроме того, АВР предусматривается при отключении выключателя одного из вводов по какой-либо причине (отключение встроенными в выключатель защитами, при ошибочной работе автоматики и т.д.). По заказу выполняется схема с защитой от перегрузки.
Трансформаторы сухие силовые типа ТСН и ТСЗН с обмотками, изготовленными из проводов с изоляцией «Номекс» класса нагревостойкости Н (80oС), используются во многих отраслях народного хозяйства. Трансформаторы предназначены для преобразования электрической энергии в электросетях трехфазного переменного тока частотой 50Гц и устанавливаются в промышленных помещениях и общественных зданиях, к которым предъявляются повышенные требования в части пожаробезопасности, взрывозащищенности, экологической чистоты.
Трансформаторы соответствуют стандартам МЭК - 76, производство сертифицировано по ИСО 9001.
Технические характеристики трансформаторов.
Силовые трансформаторы типа ТСН и ТСЗН изготавливаются мощностью от 25 до 2500кВА с номинальным напряжением первичной обмотки (высокого напряжения) до 10 кВ включительно и вторичной обмотки (низкого напряжения) - 0,4кВ.
Условия эксплуатации
Температура окружающего воздуха: от -5 oС до +40 oС
Относительная влажность воздуха - не более 98% при температуре +25 oС
Высота установки над уровнем моря - не более 1000 м
Окружающая среда - невзрывоопасная, не содержащая токопроводящей пыли
4.7 Выбор силовых трансформаторов
На цеховых подстанциях применяются трансформаторы мощностью 630 и 1000 кВА.
При малой плотности нагрузки следует выбирать мощность 400 и 630 кВА, на мелких средних предприятиях.
При большой удельной плотности (более 0,2 кВА м2)следует выбирать трансформаторы 1600 кВА, при очень концентрированной нагрузке следует выбирать 2500 кВА.
Для электроприемников первой категории выбираются по два трансформатора на ТП с АВР на секционном выключателе, для второй – два трансформатора с секционнымм выключателем без АВР, для третьей – один трансформатор. Из соображений технического обслуживания в дальнейшем и экономически выгодного по затратам предпочтение следует отдавать вариантам электроснабжения с одной маркой и мощностью трансформаторов.
Выбор числа трансформаторов. Число трансформаторов для всей нагрузки 0,4 кВ рекомендуется определять с учетом их загрузки
(4.21)
где РР0,4 - расчетная мощность всей нагрузки из таблицы нагрузок,
Т=0,7 – оптимальный коэффициент загрузки трансформатора,
- добавка до ближайшего целого числа.
Экономически оптимальное число трансформаторов
(4.22)
где m –
дополнительное число, дающее целое число трансформаторов,
определяется по кривым
, рисунок 4.4.
а) б)
Рисунок 4.4 – Зона для определения дополнительного числа траснформаторов - а) Т=0,70,8 б) Т=0,91,0
С учетом распределения нагрузки по цеховым подстанциям, компенсации реактивной мощности, число и мощность трансформаторов корректируется.
Выбранные трансформаторы проверяются по фактической загрузке
(4.23)
Допускается загрузка: для первой категории 0,67-0,7; для второй до 0,83; для третьей до 0,9.
5 ЭЛЕКТРИЧЕСКИЕ СЕТИ ВЫШЕ 1 КВ
5.1 Констуктивное исполнение сетей
Воздушные линии выполняемые неизолированными проводами применяются для схем внутреннего и внешнего электроснабжения.
Линии 6-10 кВ выполняют на деревянных, ж/б и комбинированных опорах. У комбинированных опор основная часть деревянная, а приставка ж/б. Линии 35-220 кВ монтируются на ж/б и металлических опорах, 500 кВ на металлических.
Опоры по конструкции и назначению бывают промежуточные не несущие механическую нагрузку от проводов и натяжения. Анкерные усиленные опоры, рассчитанные на механические нагрузки, концевые, угловые, ответвительные. Линии прокладываемые на опорах делятся на одноцепные и двухцепные.
Кабельные линии обычно прокладываются в местах, где строительство ВЛ затруднено. По сравнению с ВЛ кабели защищены от атмосферного воздействия среды, надежны и удобны в эксплуатации. Но прокладка КЛ дороже, особенно если необходимы кабельные сооружения. Способы прокладки кабелей разделяются на надземные и подземные – в кабельных траншеях, кабельных каналах, туннелях, блоках, коллекторах, по стенам сооружений, по кабельным конструкциям – в коробах, лотках, тросах, на эстакадах, кабельных полуэтажах.
Из подземных способов самый распространенный и недорогой прокладка в траншеях. Рассмотрим условия прокладки. Нормальная глубина заложения кабеля 0,7 метра, расстояние между кабелями напряжением до 10 кВ не менее 100 мм (100-200).
Кабельные траншеи выполняют на безопасных расстояниях от фундаментов не менее 0,6 метров, трубопроводов 0,5 метра, от теплопроводов 2 метра. При насыщенном подземном генплане предприятия применяются надземные способы прокладки.
Прокладка в каналах применяется в электротехнических ТП и РУ, электромашиннных помещениях - насосных, компрессорных, машинных залах, в цехах.
При выборе способов прокладки силовых кабельных линий до 35 кВ необходимо руководствоваться следующим:
1) При прокладке кабелей в земле рекомендуется в одной траншее прокладывать не более шести силовых кабелей. При большем количестве кабелей рекомендуется прокладывать их в отдельных траншеях с расстоянием между группами кабелей не менее 0,5 м или в каналах, туннелях, по эстакадам и в галереях.
2) Прокладка кабелей в туннелях, по эстакадам и в галереях рекомендуется при количестве силовых кабелей, идущих в одном направлении более 20.
3) Прокладка кабелей в блоках применяется в условиях большой стесненности по трассе, в местах пересечений с железнодорожными путями и проездами, при вероятности разлива металла и т.п.
4) При выборе способов прокладки кабелей по территориям городов должны учитываться первоначальные капитальные затраты и затраты, связанные с производством эксплуатационно-ремонтных работ, а также удобство и экономичность обслуживания сооружений.
5.2 Выбор напряжений линий
Выполняется на сравнении технико-экономических показателей разных вариантов. Варианты рассматриваются если:
- от источника можно получить энергию при двух и более напряжениях;
- при необходимости расширять производство и увеличивать мощность заводских электростанций;
- необходимо заводские электростанции связать с сетями энергосистемы.
В любом случае следует выбирать варианты с более высоким напряжением, например из 6 и 10 кВ, выбрать 10 кВ, даже если есть небольшие экономические преимущества.
Для крупных и особо крупных предприятий следует выбирать напряжения 110, 220, 330, 500 кВ.
Напряжение 35 кВ рекомендуется для средних предприятий, при отсутствии большого числа в/в двигателей, а также как промежуточное напряжение, на крупных предприятиях. Например применяется для внутризаводского распределения при наличии:
- мощных приемников на 35 кВ (сталеплавильные печи, мощные выпрямительные установки)
- электроприемников значительно удаленных от источников питания,
- подстанций малой и среней мощности 35/0,4 кВ, включенных по схеме глубокого ввода.
Напряжение 20 кВ применять:
- для предпрятий средней мощности, удаленных и не имеющих своих электростанций;
- для электроприемников удаленных от крупных подстанций (карьеры, рудники).
Неоходимо обосновывать применение 20 кВ ТЭР по сравнению с 10 и 35 кВ.
Напряжение 10 кВ для внутризаводского снабжения:
- на предприятиях с мощными двигателями, допускающими подключение к сети 10 кВ;
- на предприятиях небольшой и средней мощности при малом числе двигателей 6 кВ.
Педпочтение следует отдавать напряжению 10 кВ. В настоящее время большей частью выпускаются мощные приводы напряжением 10 кВ.
Применение 6 кВ в основном зависит от наличия двигателей 6 кВ.
5.3 Выбор сечений кабелей
Выполняется по условиям
1) По максимальному току расчетного режима
(5.1)
для двухтрансформаторной
ТП – расчетный ток ![]()
Для в/в приемников это номинальный ток,
где
- расчетный послеаварийный
ток,
- расчетный ток линии,
,
- учитывает количество
одновременно проложенных кабелей ПУЭ таблица 1.3.26.
- коэффициент допустимой
перегрузки кабелей
Таблица 5.1 - Поправочный коэффициент на количество работающих кабелей, лежащих рядом в земле (в трубах или без труб)
-
Расстояние между кабелями в свету, мм
Коэффициент при количестве кабелей
1
2
3
4
5
6
100
200
300
1,00
1,00
1,00
0,90
0,92
0,93
0,85
0,87
0,90
0,80
0,84
0,87
0,78
0,82
0,86
0,75
0,81
0,85
2) Сечения проводников должны быть проверены по экономической плотности тока. Экономически целесообразное сечение S, мм2, определяется из соотношения:
(5.2)
где
- расчетный ток в час максимума
энергосистемы, A;
jЭK - нормированное значение экономической плотности тока, А/мм2, для заданных условий работы, выбираемое по табл. 1.3.36.
Сечение, полученное в результате указанного расчета, округляется до ближайшего стандартного сечения. Расчетный ток принимается для нормального режима работы, т.е. увеличение тока в послеаварийных и ремонтных режимах сети не учитывается.
Таблица 5.2 - Экономическая плотность тока
|
Проводники |
Экономическая плотность тока, А/мм2, при числе часов использования максимума нагрузки в год |
||
|
более 1000 до 3000 |
более 3000 до 5000 |
более 5000 |
|
|
Неизолированные провода и шины: |
|
|
|
|
медные |
2,5 |
2,1 |
1,8 |
|
алюминиевые |
1,3 |
1,1 |
1,0 |
|
Кабели с бумажной и провода с резиновой и поливинилхлоридной изоляцией с жилами: |
|
|
|
|
медными |
3,0 |
2,5 |
2,0 |
|
алюминиевыми |
1,6 |
1,4 |
1,2 |
|
Кабели с резиновой и пластмассовой изоляцией с жилами: |
|
|
|
|
медными |
3,5 |
3,1 |
2,7 |
|
алюминиевыми |
1,9 |
1,7 |
1,6 |
3) Выбор кабеля по термической стойкости, минимальное сечение по условию протекания тока КЗ
(5.3)
где ВК – тепловой импульс тока КЗ, кА2 с
(5.4)
где
- действительное время
отключения кабельной линии, с
- время действия максимальной
токовой защиты, с
- собственное время отключения
выключателя, с
Значение функции СТ приведено в таблице 6.3.
|
Таблица 5.3 - Значения функции СТ |
||
|
Проводник |
Значения функции СТ А с1/2/мм2 |
|
|
Шины |
|
|
|
алюминиевые |
91 |
|
|
медные |
167 |
|
|
Кабель |
при UН, кВ |
|
|
6 |
10 |
|
|
с алюминиевыми сплошными жилами и бумажной изоляцией |
92 |
94 |
|
с алюминиевыми многопроволочными жилами и бумажной изоляцией |
98 |
100 |
|
с медными сплошными жилами и бумажной изоляцией |
140 |
143 |
|
с медными многопроволочными жилами и бумажной изоляции. |
147 |
150 |
|
с алюминиевыми жилами и поливинилхлоридной изоляцией |
75 |
78 |
|
с медными жилами и поливинилхлоридной изоляцией |
114 |
118 |
|
с алюминиевыми жилами и полиэтиленовой изоляцией |
62 |
65 |
|
с медными жилами и полиэтиленовой изоляцией |
94 |
98 |
Значение постоянной времени затухания апериодической составляющей тока - Та определяется по «Руководящим указаниям к расчету токов короткого замыкания».
Расчет ВЛ рассмотрен при изучении дисциплины «Электроэнергетика».
6 КОМПЕНСАЦИЯ РЕАКТИВНОЙ МОЩНОСТИ
6.1 Понятие реактивной мощности
Активная мощность отдаваемая в сеть источником тока определяется
(6.1)
Угол между векторами тока и напряжения определяет степень использования мощности источника тока. Полная мощность связана соотношениями с активной и реактивной
(6.2)
Если снизить реактивную мощность потребляемую приемниками, можно уменьшить установленую мощность трансформаторов и генераторов, увеличить пропускную способность линий, не увеличивая сечения проводников, снизить потери мощности.
Основными приемниками реактивной мощности является двигательная нагрузка, до 65-70%, трансформаторы 20-25%, около 10% ВЛ и другие приемники.
На диаграмме рисунка 7.1 показано как влияет компенсация рективной мощности на увеличение коэффициента мощности.
Коэффициент использования мощности до компенсации с углом 1, с применением компенсирующего устройства увеличился, снизив тем самым, угол сдвига до 2. При этом передаваемая мощностьне изменилась.
В каждый момент времени коэффициент мощности определяется соотношением
(6.3)
Значения наибольших суммарных мощностей сообщаются в энергосистему, для определения экономичеси оптимальной реактивной мощности. Это входная мощность, которая может быть передана энергосистемой в период набольших и наименьших нагрузок QЭ1, QЭ2. Мощность QЭ1 –суммарная мощность предприятия, QЭ2 – регулируемая часть мощности.

Рисунок 6.1 – Диаграмма компенсации реактивной мощности
6.2 Способы компенсации реактивной мощности
Есть способы, требующие и не требующие компенсации.
Мероприятия не требующие специальной компенсации всегда целесообразны и к ним относятся:
- организация и упорядочение технологического процесса;
- использование синхронных двигателей (СД) во все возможных случаях;
- выбор мощности трансформаторов и двигателей с оптимальной нагрузкой;
- ограничение холостого хода приемников асинхронных двигателей (АД) и трансформаторов;
- замена или отключение малозагруженных трансформаторов.
Электрические сети по средствам компенсации условно делятся на сети общего назначеия и и сети со специфическими нагрузками.
6.3 Техничесие средства компенсации реактивной мощности
К основным техническим средствам относятся источники реактивной мощности - конденсаторные батареи, синхронные двигатели, синхронные компенсаторы.
Конденсаторные батареи являются основными средствами компенсации. Они включаются параллельно сети, т.е. поперечного включения. Они просты, имеют малые потери активной мощности, невысокую стоимость. К недостаткам – пожароопасность, наличие остаточного заряда.
Примеры применения конденсаторных установок.
В сетях Западной Сибири применили ИРМ значительной мощности. Использовав стационарные нерегулируемые БСК и регулирумые индуктивости в виде управляемых шунтирующих реакторов (УШР).
В
общих
электроустановках применяются регулируемые установки с секциями по
50 кВАр и 150 кВАр и автоматическим регулированием мощности
конденсаторных батарей.
Синхронные двигатели. Работающие в нагрузочном режиме могут отдавать в сеть реактивную мощность, если работают в режиме форсировки напряжения. При перевозбуждении двигателей ток имеет реактивность и поступая в сеть снижает потребление реактивной мощности из сети.
Совместное применение КУ и СД целесообразно. При этом КУ компенсируют основную часть суточного графика, а СД снижают пики графиков.
Реактивная мощность, генерирумая воздушными и кабельными линиями также должна учитываться при выборе средств компенсации при протяженных линиях. Техническим средствам компенсации реактивной мощности в сетях со специфической нагрузкой относятся фильтрокомпенсирующие устройства (ФКУ), которые выполняют компенсацию реактивной мощности в электрических сетях с повышенным содержанием высших гармоник, предотвращая усиление высших гармоник вследствие возможного резонанса между емкостным характером сопротивления конденсаторных батарей и индуктивным сопротивлением питающей сети;
симметрирующие (СУ) и фильтросимметрирующие устройства (ФСУ), устройства статической и динамической компенсации (СТК)и специальные быстродействующие синхронные компенсаторы (ССК).

Рисунок 6.3 – Компенсация реактивной мощности в схемах ДСП
На рисунке 6.3 схема с источником реактивной мощности в сетях с рекопеременной нагрузкой (ДСП). В этой схеме также применяется нерегулируемая емкость с регулирумой индуктивностью.
6.4 Расчет компенсации до 1 кВ
Метод расчета зависит от величины расчетной мощности нагрузки. Если QМ 700 кВАр, то мощность компенсирующего устройства рассчитывается по выражению
(6.5)
где РМ – маскимальная расчетная активная мощность, кВт
- соответствует требуемому
значению
,
- соответствует расчетному
значению
нагрузки, для
группы приемников.
Если QМ700 кВАр, то суммарная мощность компенсирующего устройства определяется в 2 этапа. Такой расчет выполняется обычно для заводской нагрузки.
На первом этапе выбирается экономически оптимальное число трансформаторов по (5.1) и (5.2). По предварительно выбранному числу трансформаторов определяют наибольшую реактивную мощность, которую они могут передать в сеть до 1 кВ
. (6.6)
Суммарная мощность для данной группы трансформаторов
(6.7)
- суммарная расчетная нагрузка,
кВАр
Если QНК1=QT0, то по первому этапу расчета не требуется установка батарей конденсаторов (БК) и принимается QНК1=0.
В целях оптимального снижения потерь в трансформаторах и в сети 6-10 кВ выполняется выбор дополнительной мощности БК. Дополнительная суммарная мощность для данной группы трансформаторов - QНК2
(6.8)
где - расчетный коэффициент, зависящий от коэффициентов К1 и К2.
Для магистральной схемы с тремя и более ступенями напряжения =К1/30, для двухступенчатой схемы на которой отсутствуют источники реактивной мощности (ИРМ) =К1/60.
Значения К1 принимаются по таблице 6.1, К2 по таблице 6.2. Если окажется, что QНК20, то установки дополнительных компенсирующих устройств не требуется и принимается QНК2=0.
Суммарная расчетная мощность компенсации определяется как сумма
(6.9)
где
суммарные мощности батарей двух
этапов расчета.
Рассчитаная мощность распределяется между трансформаторами пропорционально их реактивным нагрузкам.
Пример.
Определить мощность БК для однотрансформаторной ТП. Исходные данные: работа односменная, район - центральная часть России,
Uн=380В, Рр=800 кВт, Qp=500 кВАр, т=1, L=2,5 км
Решение 1) Мощность трансформатора определится
|
Таблица 6.1- Значения удельного коэффициента К1 |
|||||
|
Объединен ная энергосис тема |
Количество рабочих смен |
Коэффициент К1 |
Объединен ная энергосис тема |
Количество рабочих смен |
Коэффи циент К1 |
|
Центра, Северо-запада, Юга |
1 |
24 |
Сибири |
1 |
15 |
|
2 |
12 |
2 |
15 |
||
|
3 |
11 |
3 |
15 |
||
|
Урала |
1 |
22 |
Средней Азии |
1 |
19 |
|
2 |
14 |
2 |
19 |
||
|
3 |
11 |
3 |
16 |
||
|
Северного Кавказа, Закавказья |
1 |
14 |
Дальнего Востока |
1 |
9 |
|
2 |
13 |
2 |
9 |
||
|
3 |
12 |
3 |
9 |
||
|
Таблица 6.2 – Значения коэффициента К2 |
|||||
|
Мощность трансформатора, кВА |
Коэффициент К2 при длине питающей линии, км |
||||
|
до 0,5 км |
от 0,5 до 1,0 |
от 1,0 до 1,5 |
от 1,5 до 2,0 |
свыше 2,0 |
|
|
400 |
2 |
4 |
7 |
10 |
17 |
|
630 |
2 |
7 |
10 |
15 |
27 |
|
1000 |
2 |
7 |
10 |
15 |
27 |
|
1600 |
3 |
10 |
17 |
23 |
40 |
|
2500 |
5 |
16 |
26 |
36 |
50 |

а) б)
Рисунок 6.4 – Значения коэффициента для радиальной схемы питания трансформаторов, а) – 6 кВ, б) - 10 кВ
(6.10)
![]()
Выбирается трансформатор
мощностью ![]()
2) Реактивная мощность, которую можно передать через трансформатор определяется по (6.6)
![]()
3) Мощность НБК по первому этапу расчета по (6.7)
![]()
Установка низковольтных
БК не требуется, ![]()
4) Определить дополнительную мощность НБК по условию снижения потерь - QНК2 по (6.8).
Принимаются коэффициенты К1=24, К2=27 по таблицам 6.2 и 6.3 и по графикам =0,61
![]()
Для цеха не требуется установка НБК.
6.5 Распределение мощности компенсации в цеховой сети до 1 кВ
Суммарная мощность БК распределяется по ТП пропорционально их реактивной мощности нагрузки. Рассчитанные мощности БК округляют до стандартной мощности комплектной конденсаторной установки.
Если распределительная
сеть выполненена только кабельными линиями, то БК любой мощности
рекомендуется присоединять непосредственно к шинам цеховой ПС. Если
от ТП питаются два и более магистральных шинопровода, то к каждому
из них присоединяется по одной БК. На одиночном магистральном
шинопроводе должно быть не более двух близких по мощности БК, общей
мощностью
. Если
реактивные нагрузки присоединены ко второй половине шинопровода,
рекомендуется установка одной БК. Точка подключения БК определяется
условием
(6.11)
где
- наибольшая реактивная
нагрузка шинопровода перед узлом h и
после него, рисунок 6.5а.

Рисунок 6.5 – Схема подключения БК к магистральным шинопроводам
а) – подключение одной БК, б) – подключение двух БК.
При присоединении двух БК, на рисунке 6.5б, точки подключения находят исходя из условий: точка подключения дальней БК находится
(6.12),
точка подключения ближней БК,
(6.13)
Подключение НБК выполняется под общий или отдельный выключатель.

Рисунок 6.6 – Примеры подключения НБК
6.6 Реактивная мощность генерируемая синхронными двигателями
Синхронные двигатели используются в сетях до и выше 1 кВ. Учет генерируемой мощности выполняется со своими особенностями.
Для синхронных двигателей до 1 кВ номинальная реактивная мощность учитывается в таблице нагрузок значением (РНtgj)со знаком минус.
Для СД выше 1 кВ рассчитывается минимальная генерируемая реактивная мощность и определяется по формуле
(6.14)
где
- номинальная активная мощность
синхронного двигателя, кВт
- коэффициент загрузки по
активной мощности,
- номинальный коэффициент
реактивной мощности.
При выборе средств компенсации в сетях 6-10 кВ в первую очередь должна рассматриваться возможность использования имеющихся синхронных двигателей. Если номинальная активная мощность, соответствует приведенной в таблице 6.3 или выше, то целесообразно использовать полностью располагаемую реактивную мощность СД
(6.15)
где
- коэффициент допустимой
перегрузки СД, зависящий от его загрузки по номинальной мощности,
определяется по монограмме на рисунке 6.7.
Для СД с активной
мощностью меньше приведенной в таблице 6.3, принимается равной
экономически целесообразной
.
|
Таблица 3 - Значения активной мощности СД |
|||||||||
|
Объединенная энергосистема |
Кол-во раба чих смен |
Номинальная активная мощность СД, кВт при частоте вращения, об/мин |
|||||||
|
3000 |
1000 |
750 |
600 |
500 |
375 |
300 |
250 |
||
|
Центра, Северо-Запада, Юга |
1 |
1000 |
1000 |
1600 |
1600 |
1600 |
2000 |
2000 |
2500 |
|
2 |
2500 |
5000 |
6300 |
5000 |
6300 |
- |
- |
- |
|
|
3 |
2500 |
5000 |
6300 |
5000 |
6300 |
- |
- |
- |
|
|
Средней Волги |
1 |
1250 |
1600 |
2000 |
2000 |
2000 |
2500 |
2500 |
3200 |
|
2 |
2000 |
2500 |
3200 |
3200 |
4000 |
- |
- |
- |
|
|
3 |
2500 |
5000 |
6300 |
5000 |
6300 |
- |
- |
- |
|
|
Урала |
1 |
1000 |
1000 |
1600 |
1600 |
1600 |
2000 |
2000 |
2500 |
|
2 |
2000 |
2500 |
3200 |
3200 |
4000 |
- |
- |
- |
|
|
3 |
2500 |
5000 |
6300 |
6300 |
|
- |
- |
- |
|
|
Северного Кавказа, Закавказья |
1 |
2000 |
2500 |
3200 |
3200 |
4000 |
6300 |
6300 |
- |
|
2 |
2000 |
3200 |
4000 |
4000 |
4000 |
6300 |
6300 |
- |
|
|
3 |
2500 |
5000 |
6300 |
5000 |
6300 |
- |
- |
- |
|
|
Сибири |
1 |
2000 |
2500 |
3200 |
3200 |
4000 |
- |
- |
- |
|
2 |
2000 |
2500 |
3200 |
3200 |
4000 |
- |
- |
- |
|
|
3 |
2000 |
2500 |
3200 |
3200 |
4000 |
- |
- |
- |
|
|
Средней Азии |
1 |
1250 |
1600 |
2000 |
2000 |
2500 |
2500 |
3200 |
- |
|
2 |
1250 |
1600 |
2000 |
2000 |
2500 |
2500 |
3200 |
- |
|
|
3 |
1600 |
2000 |
2500 |
3200 |
3200 |
4000 |
- |
- |
|
|
Дальнего Востока |
1 |
5000 |
6300 |
8000 |
10000 |
10000 |
- |
- |
- |
|
2 |
5000 |
6300 |
8000 |
10000 |
10000 |
- |
- |
- |
|
|
3 |
5000 |
6300 |
8000 |
10000 |
10000 |
- |
- |
- |
|
Рисунок 6.7 – Монограмма
располагаемой реактивной мощности СД при номинальном напряжении и
номинальном токе возбуждения
Балланс реактивных мощностей для распределительных сетей предприятий определяется в следующем порядке:
1) для каждой цеховой ТП определяется нескомпенсированная реактивная нагрузка на стороне 6-10 кВ
(6.16)
где QМТ – расчетная реактивная нагрузка трансформатора
QНК.Ф – фактическая мощность НБК,
DQТ – суммарные реактивные потери трансформатора при его загрузке bТ,
2) для каждого распределительного пункта или распределительной подстанции определяется нескомпенсированная реактивная нагрузка, как сумма реактивных мощностей питающихся от них цеховых ТП и других потребителей.
Расчетная реактивная мощность высоковольтных БК определяется из условия балланса реактивной мощности
(6.17)
где
- расчетная сумарная реактивная
мощность на шинах 6-10 кВ распределительных пуктов,
- входная реактивная мощность,
заданная энергосистемой.
Если
, то по согласованию с
энергосистемой устанавливается новое значение входной мощности.
Полученная мощность распределяется между подстанциями,
пропорционально нескомпенсированной нагрузке на шинах 6-10 кВ. К
каждой РП следует подключать ВБК одинаковоймощности общей мощностью
не менее 1000 кВАр. Если общая мощность ВБК меньше, то их следует
устанвливать на питающей подстанции (ГПП).
6.7 Компенсация реактивной мощности в сетях со специфическими нагрузками
К специфическим нагрузкам относятся приемники с нелинейной нагрузкой (нелинейные ВАХ), вентильные преобразователи, нагрузка с резкопеременным графиком, несимметричная нагрузка. Характерная особенность такой нагрузки проявляется в создании несинусоидальности напряжения, значительных отклонениях приводящих к размаху напряжения, несимметрии.
Чисто нелинейные элементы - описываются нелинейными дифференциальными уравнениями. Вопрос о возможности установки компенсирующих устройств рассматривается по специфике нагрузки.
Условие применения для вентильных преобразователей:
(6.18)
Условие применения для других нелинейных нагрузок
(6.19)
где SК – мощность короткого замыкания,
SН.Л – суммарная мощность нелинейной нагрузки.
Если указанные условия выполняются, то КУ выбираются по общей методике.
Для нелинейной нагрузки выбор КУ зависит от несинусоидальности напряжения. При коэффициенте несинусоидальности kНС менее 5% рекомендуются батареи конденсаторов в комплекте с защитным реактором и фильтром. Мощность также определяется из условия баланса реактивной мощности.
Для резкопеременной нагрузки следует выбирать быстродействующиеисточники реактивной мощности (ИРМ), основанные на принципе прямой или косвенной компенсации.
При несимметри напряжения более 2% следует применять симметрирующие и фильтро-симметрирующие устройства.
7 ПОТЕРИ МОЩНОСТИ И ЭЛЕКТРОЭНЕРГИИ
7.1 Потери мощности в трансформаторах
Потери мощности в трансформаторах складываются из потерь активной и реактивной мощности.
Активные потери состоят из потерь, идущих на нагрев обмоток трансфоратора и потерь зависящих от тока нагрузки, потерь на нагрев стали не зависящих от нагрузки.
Потери на нагрев обмоток
(7.1)
где RT – активное сопротивление трансформатора
(7.2)
РМ – активные потери в меди обмотки, кВт
SН – номинальная мощность трансформатора, кВА.
Полные активные потери определяются суммой выше названных потерь
(7.3)
где РСТ – потери в стали, кВт.
При известной нагрузке по паспортным данным можно рассчитать потери
(7.4)
или
![]()
где
- коэффициент загрузки
трансформатора,
РМ.Н – номинальные активные потери в меди.
Реактивные потери - потери, вызванные рассеянием магнитного потока в трансформаторе, зависящие от тока нагрузки и потерь на намагничивание.
Потери вызванные рассеянием магнитного потока
(7.5)
xТ – реактивное сопротивление обмоток трансформатора, равное
(7.6)
UК – напряжение короткого замыкания трансформатора, %
Полные реактивные потери трансформатора, также определяются суммой потерь
(7.7)
где ![]()
(7.8)
- ток холостого тока, %
Полные реактивные потери с учетом каталожных данных трансформатора
(7.9)
или
(7.10)
При передаче реактивной мощности появляются потери активной мощности, определяемые экономическим эквивалентом реактивной мощности kЭК. Приведенные потери активной мощности на холостом ходу с учетом передачи реактивной мощности определяются
(7.11)
Приведенные потери активной мощности при коротком замыкании с учетом передачи реактивной мощности определяются
(8.12)
При наличии на ПС n одинаковых параллельно работающих трансформатров, приведенные активные потери мощности составят
(7.13)
Для практических расчетов потери мощности в трансформаторах рассчитываются по выражениям:
активные потери
, (7.14)
где n – число трансформаторов подстанции,
- паспортные данные
трансформатора,
- коэффициент загрузки
трансформатора,
реактивные потери
, (7.15)
где
- потери в режиме ХХ и режиме
КЗ.
Значения потерь учитываются при определении мощности нагрузки на высоком напряжении трансформатора.
7.2 Потери электроэнергии в в трансформаторах
Потери
активной электроэнергии в меди можно определить по потерям мощности
в меди РМ, максимальной
нагрузке SP и времени потерь
.
Время потерь определяется
по кривым рисунок 7.1, где
приниматся неизменным за
определенное время (сутки, год).
(8.14)
Потери активной электроэнерги в стали определяются потерями мощности на холостом ходу и продолжительностью включения трансформатора
(7.15)
где РСТ=РХХ
Суммарные активные потери электроэнергии
(7.16)
Суммарные реактивные потери электроэнергии определяются по реактивным потерям мощности с учетом времени потерь и времени включения трансформатора
(7.17)
или
(7.18)

Рисунок 7.1 - График определения времени потерь
7.3 Потери мощности и электроэнергии в реакторах
Потери мощности в реакторе определяются величиной потерь активной мощности в реакторах
(7.19)
где
- номинальные потери активной
мощности одной фазы в реакторе
- коэффициент загрузки реактора
по току.
Потери реактивной мощности в реакторе
(7.20)
где
- номинальные потери реактивной
мощности одной фазы в реакторе
Потери энергии на фазу активной и реактивной мощностей
(7.21)
(7.22)
7.4 Потери мощности и электроэнергии в воздушных
и кабельных линиях
Потери мощности и
электроэнергии в линиях определяются по среднеквадратичному току
для любого числа электроприемников с длительным режимом и для
повторно-краковременного режима с числом приемников более 20, с
коэффициентом формы ![]()
(7.23)
(7.24)
Среднеквадратичный ток – эквивалентный ток, который проходя по линии за время ТВ, вызывает те же потери мощности и электроэнергии, что и действительный изменяющийся за то же время, ток. Среднеквадратичный ток определяется по среднему току и коэффициенту формы графика нагрузки.
(7.25)
где средний ток
(7.26)
где W – расход активной электроэнергии за время ТВ,
- средневзвешенный коэффициент
мощности.
Потери реактивной мощности и реактивной энергии.
(7.27)
(7.28)
Зная расход электроэнергии за определенное время, а также максимальную мощность нагрузки, можно найти время ТМАКС. Время в течении которого линия могла бы передать эту электроэнергию с максимальной нагрузкой.
(7.29)
ТМАКС – время использования максимума нагрузки определяется характером производства и сменностью работы. В среднем для осветительной нагрузки оно составляет 1500-2000 часов, для односменных предприятий – (1800-2500), для 2-х сменных – (3500-4500), для 3-х сменных – (5000-7000).
Также можно определить максимальный ток за определенный промежуток времени
(7.30)
Потери энергии можно определить через время потерь
(7.31)
(7.32)
Через потери энергии можно определить потери мощности
(7.33)
(7.34)
7.5 Потери в линиях
Потери активной мощности в трехфазной линии
, (7.35)
потери реактивной мощности
(7.36)
где - IМ – расчетный ток нагрузки,
R и Х – активное и реактивное сопротивление линии,
РМ – расчетная активная мощность,
QM – расчетная реактивная мощность
Потери энергии в линии зависят от cos и числа часов использования максимума нагрузки, активные потери равны
(7.37)
реактивные потери равны
(7.37)
где - время потерь определяется по рисунку 7.1.
7.6 Пути снижения потерь электроэнергии
1) Рациональный выбор числа и мощности трансформаторов
2) Исключение режима ХХ при малых загрузках
3) Количество одновременно работающих трансформаторов выбирается из условия минимума потерь
4) Снижение потерь в линиях снижением сопротивления (параллельное включение)
5) Повышение уровня напряжения
6) При выборе схемы электроснабжения принимать вариант без реактора или с минимальными потерями в реакторе
7) Формирование более равномерного графика нагрузки. Это позволит снизить суммарный максимум нагрузки при неизменяемой установленной мощности и обеспечить питание большего числа потребителей
8) Снижение активного сопротивления шинопроводов, что достигается соответствующим расположением шин и конфигурацией шинного пакета (2-4 полосы на фазу)
9) Экономное и рациональное использование расходование электроэнергии, чему способствует чистота световых проемов, чистка светильников, побелка помещений, правильное размещение осветительных приборов, своевременное включение и отключение светильников, применение энергосберегающих ламп.
8 ТЕХНИКО-ЭКОНОМИЧЕСКИЕ РАСЧЕТЫ
В ЭЛЕКТРОСНАБЖЕНИИ
8.1 Выбор рациональной схемы электроснабжения
Выбор рациональной схемы электроснабжения выполняется на основании технико-экономичесих расчетов (ТЭР).
Методика расчета рассмотрена в курсе «Элетроэнергетика». В данном курсе приведены общие положения для выбора схемы электроснабжения отдельного предприятия на основе ТЭР. Составляются варианты системы электроснабжения.
1) Если составлена и принята единая схема распределительной сети 6(10) кВ, варианты сравнения могут быть сведены к выбору трансформаторов ГПП, с разным коэффициентом загрузки. Это возможно в случае, когда распределительные постанции устраиваются в цехах с высоковольтными приемниками.
2) Если составлена и принята схема распределительной сети 6(10) кВ, варианты сравнения могут быть сведены к выбору двухобмоточных или трехобмоточных трансформаторов ГПП.
3) Схема распределительной сети может имееть разную структкру : например – а) одно РП, если нет в/в двигателей, остальные ТП питаются от ГПП
б) все ТП разделены на два РП по питанию и конструктивная часть ГПП упрощается
4) Схема ГПП с реакторами или без них
5) При наличии специфической нагрузки – дуговых печей или силовых преобразователей, есть необходимость раздельного питания спокойной и ударной нагрузки.
Для технико-экономических расчетов вариантов СЭ должны выбираться равноценные технические варианты. Примеры для сравнения на рисунках 8.1 – 8.3

Рисунок 8.1
8.2 Методика технико-экономических расчетов
Должны соблюдаться следующие условия сопоставимости:
1) технические, при которых могут сравниваться только взаимозаменяемые варианты при оптимальных режимах работы и оптимальных парметрах;
2) экономические, при которых расчет ведется применительно к одинаковому уровню цен и одинаковой достижимости принятых уровней развития техники, с учетом одних и тех же экономических показателей;

Рисунок 8.2

Рисунок 8.3
При ТЭР можно пользоваться укрупненными показателями стоимости (УПС) элементов электроснабжения, например – 1км линии, один трансформатор и т.д. В УПС включены не все виды расходов, поэтому они не принимаются для определения реальной стоимости объекта.
Данные для ТЭР следует брать из одного или равноценных справочных материалов. После приведения к одному и тому же сопоставимому виду определяются приведенные затраты.
Для вновь проектируемых систем электроснабжения минимальные приведенные затраты определяются
(8.1)
где К- капиталовложения на сооружение, тыс. тг., определяются по укрупненным показателям стоимости элементов схемы
Н=0,125 - нормативный коэффициент экономической эффективности;
И – годовые эксплуатационные издержки, тыс. тенге/год;
У- ущерб от недоотпуска электроэнергии, на стадии проект можно не учитывать.
Годовые эксплуатационные издержки определяются
(8.2)
где а=5 %, норма амортизационных отчислений;
0=9,4% - для ОРУ-110 кВ и ниже – норма отчислений на обслуживание;
СА – стоимость отчислений на амортизацию,
СП – стоимость потерь электроэнергии.
Эжегодные эксплуатационные расходы складываются из затрат:
1) на потери электроэнергии
2) на содержание обслуживающего персонала и текущий ремонт;
3) на амортизацию;
4) вспомогательные расходы
В свою очередь
амортизационные годовые отчисления складываются из отчислений на
реновацию и капитальный ремонт
.
Реновация – полное восстановление основных фондов за естественный срок службы.
Капитальные затраты рассчитываются после выбора трансформаторов ГПП.
8.3 Основные технико-экономические показатели
По приведенным затратам выбирается наиболее целесообразный вариант на основе анализа технических и экономических показателей.
Технические показатели: надежность, удобство эксплуатации, долговременность сооружения, объем текущих и капитальных ремонтов, степень автоматизации и т.д.
Экономические показатели: капитальные вложения, ежегодные эксплуатационные расходы.
Основной метод оценки экономичности - метод срока окупаемости.
Если по стоимостным показателям варианты равноценны, предпочтение отдают варианту с лучшими техническими показателями.
Срок окупаемости определяется
, (8.3)
нормативный срок должен быть не более ТН=8 лет.
Величина обратная сроку окупаемости называется коэффициентом
сравнительной экономической эффективности ![]()
Нормативный коэффициент в электроэнергетике принят ![]()
Метод срока окупаемости имеет недостатки:
- значительный объем расчетов при оличестве вариантов более двух;
- искаженное представление об относительной экономической эффективности.
жүктеу мүмкіндігіне ие боласыз
Бұл материал сайт қолданушысы жариялаған. Материалдың ішінде жазылған барлық ақпаратқа жауапкершілікті жариялаған қолданушы жауап береді. Ұстаз тілегі тек ақпаратты таратуға қолдау көрсетеді. Егер материал сіздің авторлық құқығыңызды бұзған болса немесе басқа да себептермен сайттан өшіру керек деп ойласаңыз осында жазыңыз
азамат қорғанысы
азамат қорғанысы
10
1 ОБЩИЕ ВОПРОСЫ ПРОЕКТИРОВАНИЯ СИСТЕМ ЭЛЕКТРОСНАБЖЕНИЯ
1.1 Цели проектирования
Определить расчетные электрические нагрузки с максимальной точностью. Разработать рациональную, экономически обоснованную систему электроснабжения объекта.
Электрические нагрузки рассчитываются по общепринятым методикам. Разработка системы электроснабжения должна быть удобной для эксплуатации, обеспечивать надежность и гибкость.
В данном курсе рассматриваются вновь проектируемые СЭС и стадии проектирования.
Проектные работы выполняются проектными органиязациями отраслей.
Проектирование выполняется на основании технического задания. Техническое задание оформляется и выдается проектировщикам заказчиком. Процесс проектирования разделяют на стадии:
- предпроектная,
- проект,
- рабочий проект,
- рабочая документация.
На предпроектной стадии определяется результирующая электрическая нагрузка, позволяющая решить вопрос о возможности присоединения проектируемого объекта к существующим сетям. Решить вопрос о баллансовом разграничении электроснабжения. Выполнить предварительные технико-экономические расчеты.
Ожидаемая электрическая нагрузка определяется по фактическому энергопотреблению предриятий аналогов, если таковые имеются. Если нет такового предприятия расчет выполняется методом коэффициента спроса на основании установленной мощности нагрузки. Для объекта с разработанным технологическим процессом, обычно это не составляет большой проблемы. Если проектирование связано с большими объемами освоения, определение ожидаемых электрических нагрузок выполняется по удельным показателям энергопотребления. В удельные нагрузки по отраслям должны включаться расходы как на основное так и вспомогательное оборудование. Доля электропотребления вспомогательного оборудования имеет тенденцию к росту, в связи с требованиями экологии, с широким внедрением автоматизации в производства.
Для получения достоверных данных по удельным нагрузкам необходимо проектные организации должны создавать банки данных по электропотреблению предриятий отраслей. Это трудоемкое направление, требующее всестороннего анализа.
На стадии проект выполняется расчет электрических до 1 кВ в целом по предприятию, определяются мощность и количество цеховых трансформаторных подстанций для заказа электрооборудования ГПП, РП, ТП.
Выполняется расчет электрических нагрузок на 10(6) кВ и выше до сборных шин ГПП. Выполняется определение нагрузки предприятия в точке балансового разграничения с энергосистемой. Производится окончательный выбор числа и мощности трансформатров с учетом средств компенсации реактивной мощности.
На стадии рабочий проект рекомендуется следующая последовательность.
1) Расчет электрических нагрузок до 1 кВ в целом, предварительное количество и мощность трансформаторных подстанций и их месторасположение.
2) Расчет электрических нагрузок питающих сетей до 1 КВ и на шинах каждой трансформаторной подстанции и составление схемы питающей сети до 1 кВ. цель расчета – выбор сечений питающих проводников и защитных аппаратов.
3) Выполняется расчет электрических нагрузок на 10(6) кВ и выше на сборных шин РП и ГПП.
4) Выполняется определение нагрузки предприятия в точке балансового разграничения с энергосистемой.
5) Производится окончательный выбор числа и мощности трансформаторов с учетом средств компенсации реактивной мощности.
На стадии рабочая документация составляется вся документация и выполняются расчеты. Если на на стадии проект определены количество и мощности подстанций выполняется расчет нагрузок питающих сетей и до 1 кВ и на шинах каждой цеховой ТП.
Если на предыдщей стадии не определены число и мощность ТП или изменены исходные данные задания последовательность расчетов как на стадии рабочий проект.
1.2 Понятие оптимального решения
Разработка оптимальной системы электроснабжения сводится к созданию варианта с минимальными экономическими затратами. Нахождение оптимального решения состоит из двух основных задач – анализа и синтеза.
Анализ определяет свойства системы и ее поведение. Выполняется анализ как существующих систем так и вновь проектируемых. При этом должны быть известны энергетические характеристики источника питания, структура модели СЭ, характеристики СЭ. Чаще всего, работа анализа сводится к численным методам показателей эффективности. Для качественного выполнения анализа необходимо определить цель оптимизации СЭ и основные условия.
Например: цель анализа - оптимизация параметров качества напряжения СЭ в условиях существующей сети или, цель анализа - снижение потерь электроэнергии без дополнительных материальных вложений и т.д.
Правильно выбранная и сформулированная цель оптимизации и условия – гарантия ее реализации.
Задача синтеза заключается в выборе оптимальной структуры СЭ, ее внутренних параметров с учетом накладываемх ограничений. Чаще всего задача синтеза сводится к отысканию структуры СЭ и ее оптимальных характеристик.
Задачи решаемые оптимизацией обычно многовариантны, могут решаться несколькими способами и обязательно содержат технико-экономические расчеты.
1.3 Основные нормативно-технические документы
Действующие на территории РК документы
«Закон РК от 09 2004 года N-588-II Об электроэнергетике». Настоящий закон регулирует общественные отношения, возникающие в процессе производства и распределения и использования электрической и тепловой энергии.
Закон регламентирует цели и задачи государственного регулирования в области электроэнергетики. Государственное регулирование в области электроэнергетики включает:
-лицензирование
- государственное регулирование тарифов
- демонополизацию и приватизацию объектов электроэнергетики
- государственный надзор за безопасностью, надежностью и экономичностью производства, передачи, технической диспетчеризации и потребления электрической энергии
-разработку и утверждение нормативных правовых актов РК, нормативных технических документов, содержащих технические и технологические требования регулирования деятельности отношений в сфере производства, передачи, технической диспетчеризации и потребления электрической и тепловой энергии, также нормы, обеспечивающие надежность, экономичность, безопасность строительства и экплуатации линий электропередачи, энерго – электроустановок.
При проектировании необходимо полнее учитывать возможности перспективной эксплуатации – знание Закона об энергетике, отдельных его положений напрвлено на это.
В последние годы в Республике Казахстан прекращен государственный мониторинг основных энергоэкономических показателей в коммунально-бытовой сфере, отсутствует устойчивая и достоверная статистика их динамики, а также учет и структура продаж электробытовой техники. Прекращена научно-исследовательская деятельность Казахского научно-исследовательского института энергетики (КазНИИэнергетики) и Казахстанского научно-иссле довательского и проектно-изыскательского института «Казсельэнергопроект» (Казсельэнергопроект) по обследованию режимов электропотребления с замером электрических нагрузок по сезонам года и в течение суток. В этой связи в основу аналитической работы над определением величин расчет ных электрических нагрузок были положены соответствующие последние нормативные наработки:
«Правила устройства электроустановок» 7 издание, Астана 2003г.
Настоящее издание включает разделы и главы (седьмого издания), подготовленные ОАО "ВНИПИ Тяжпромэлектропроект" совместно с Ассоциацией "Росэлектромонтаж":
При подготовке указанных глав ПУЭ учтены требования государственных стандартов (в частности ГОСТ Р 50571), строительных норм и правил, рекомендации научно-технических советов ведущих электроэнергетических организаций. Проект рассмотрен рабочими группами Координационного Совета по пересмотру ПУЭ.
Правила устройства электроустановок (ПУЭ) распространяются на вновь сооружаемые и реконструируемые электроустановки до 500 кВ, в том числе на специальные электроустановки.
По отношению к реконструируемым электроустановкам требования настоящих Правил распространяются лишь на реконструируемую часть электроустановок, например на аппараты, заменяемые по условиям короткого замыкания (КЗ), оговоренные в разделе 7 ПУЭ.
Отдельные требования настоящих Правил можно применять для действующих электроустановок, если это упрощает электроустановку, если расходы по реконструкции обоснованы технико-экономическим расчетом или если эта реконструкция направлена на обеспечение тех требований безопасности, которые распространяются на действующие электроустановки
«Инструкция по проектированию силового и осветительного оборудования промышленных предприятий» - СН РК 2.5-19-2001
Отраслевые руководящие документы Республики Казахстан, разработанные Казсельэнергопроектом:
- «Методические указания по проектированию городских и поселковых сетей» РДС РК 4.04-191-2002 г
- «Методические указания по расчету электрических нагрузок в сетях 0,38-110 кВ сельскохозяйственного назначения» РД 34. РК. 20.178-98
- «Нормы технологического проектирования электрических сетей сельскохозяйственного назначения» РДС РК 4.04-185-2003.
- «Инструкция по проектированию единого энергетического ввода для энергоснабжения сельских жилых домов» РДС РК. 4.04-01-2003.
Нормативы для определения расчетных электрических нагрузок зданий (квартир), коттеджей, микрорайонов (кварталов) застройки и элементов городских распределительных сетей, введенные в действие с 1 августа 1999 г. Министерством топлива и энергетики Российской Федерации.
Дополнения к разделу 2 Расчетные электрические нагрузки «Инструкции по проектированию городских электрических сетей» РД 34.20.185-94, разработанные МНТОЭ в 2000г.
Строительные нормы Республики Казахстан «Нормы расхода электроэнергии, тепла на отопление, горячее и холодное водоснабжение, канализационных стоков, коммунальных затрат на текущий и капитальный ремонты на единицу мощности зданий бюджетных организаций Республики Казахстан», 1998 г.
Правила пользования электрической и тепловой энергией, разработанные Государственным энергетическим надзором Республики Казахстан, 1998 г.
Уточнение расчетных электрических нагрузок городских потребителей г. Астаны, разработанное ОАО «Астанаэнергосервис» в 2000 г.
Руководящие материалы по электроснабжению индивидуальных жилых домов, коттеджей, дачных (садовых) участков и других частных сооружений Главного управления Государственного энергетического надзора России, 1994 г.
Вышеуказанные нормативные материалы в совокупности с разработками академии коммунального хозяйства им. К. Д. Памфилова были тщательно изучены, проанализированы и скорректированы с учетом природно-климатических особенностей Республики Казахстан (резко континентальный климат, длительный период минусовых температур, повышенная солнечная радиация, угол солнечного склонения и т.п.).
Были приняты во внимание специальные исследования КазНИИэнергетики в части особенностей электрификации городских жилищ, определения электрических нагрузок в сетях жилого сектора городов на различных этапах электрификации быта и электрификации процессов приготовления пищи, водонагрева и отопления, а также формирования их энергобаланса.
Приняты к исполнению «Указания по расчету электрических нагрузок» взамен «Указаний по определению электрических нагрузок в промышленных установках» разработанные Всероссийским научно-исследовательским проектно-конструкторским институтом «»Тяжпромэлектропроект от 1993 года.
2 РАСЧЕТ ЭЛЕКТРИЧЕСКИХ НАГРУЗОК
2.1 Общие сведения
Расчет электрических нагрузок выполняется в соответствии с «Указаниями по расчету электрических нагрузок» и общепринятыми методиками.
«Указания по расчету электрических нагрузок» разработаны Всероссийским научно-исследовательским проектно-конструкторским институтом Тяжпромэлектропроект. Это вторая редакция указаний с внесенными изменениями и дополнениями от 1993 года. Данный документ принят в качестве руководящих указаний по расчету электрических нагрузок потребителей на территории Республики Казахстан. По сравнению с ранее действовавшими «Указаниями по определению электрических нагрузок в промышленных установках». В этом документе приведены уточненные методики, которые позволяют приблизить фактические и расчетные нагрузки потребителей, то есть устраняют расхождение между расчетным и фактическим электропотреблением. Методики предполагают значительное снижение расчетных значений электрических нагрузок в пределах от 15 до 30 %.
В данных указаниях рекомендуется выполнять расчеты с учетом постоянной нагрева электрического элемента, что предполагает двустадийный расчет.
В практических целях упрощения расчетов и сохранения одностадийности принимаются допущения с минимальными значениями постоянных нагрева - Т: Рекомендуемые постоянные нагрева приведены в приложениях «Указаний», в таблицах 9.3-9.6.
для сетей напряжением ниже 1000 В, Т = 10 мин;
для сетей напряжением выше 1000 В, Т = 30 мин;
для трансформаторов (независимо от мощности) и магистральных шинопроводов, Т = 2,5 ´ 60 = 150 мин.
Постоянная времени нагрева – один из аргументов, определяющий
расчетный коэффициент -
.
При выполнении расчетов применяется в последовательности обратной направлению питания. Расчет выполняется на низших ступенях, приближенных к нагрузке до 1 кВ и далее выше 1 кВ по узлам – ТП, РП, РУ и ГПП.
Основной метод расчета на стадиях проект и рабочий проект – метод расчетного коэффициента, на предпроектной стадии – метод удельных показателей метод коэффициента спроса.
Расчет электрических нагрузок выполняется для построения питающей сети до и выше 1 кВ, всей системы электроснабжения (СЭ) объекта.
На основании расчетов электрических нагрузок выполняются расчеты необходимые для выбора кабельной, проводниковой продукции, электрооборудования, электрических аппаратов, устройств РЗ и А, составляются схемы СЭ.
При расчете нагрузок на всех ступенях напряжения обязательно выполняются расчеты по компенсации реактивной мощности.
2.2 Методы расчета электрических нагрузок
Метод удельных показателей или метод удельной мощности выполняется на предпроектной стадии. Определяется ожидаемая электрическая нагрузка по имеющимся данным электропотребления предприятий аналогов.
Есть два способа – один определяет расчетную нагрузку по удельной нагрузке на единицу производственной площади, другой по удельной нагрузке на единицу продукции.
Расчет по удельной нагрузке на единицу производственной площади рекомендуется для предприятий характеризующихся большим числом приемников малой мощности или относительно равномерно распределенных по площади.
Расчет по удельной нагрузке на единицу продукции применяется при наличии данных о годовом выпуске продукции, режиме работы и удельных нормах расхода электроэнергии. Годовой выпуск измеряется в штуках, метрах, тоннах и других единицах измерения.
По первому способу расчетная нагрузка определяется
(2.1)
где
- удельная плотность нагрузки
на единицу площади, Вт/м2,
- производственная площадь,
м2.
Удельная плотность силовой нагрузки для некоторых предприятий может колебаться в пределах (0,23 - 0,6) Вт/м2, некоторые данные приведены в таблице 2.1.
|
Таблица 2.1 – Удельная плотность силовой нагрузки, Вт/м2 |
|
|
Литейные и плавильные цеха |
230-370 |
|
Механические и сборочные цеха |
300-580 |
|
Механосборочные цеха |
280-390 |
|
Электросварочные и термические цеха |
300-600 |
|
Цехи металлоконструкций |
350-390 |
|
Инструментальные цеха |
330-590 |
|
Блоки вспомогательных цехов |
260-300 |
Расчет по удельной нагрузке на единицу продукции для приемников с неизменной или мало изменяющейся нагрузкой
(2.2)
где
- активный
удельный расход электроэнергии на единицу продукции, кВтчас,
- количество единиц продукции,
выпускаемой в год,
- продолжительность потребления
активной мощности, в часах.
Таким образом можно рассчитать нагрузку за любой промежуток времени и для любого цеха.
Метод расчетного коэффициента. Является одним из основных методов. Все расчеты выполняются по форме Ф636-92, таблица 2.2.
Алгоритм расчета электрических нагрузок по методу расчетного коэффициента:
- формирование базы исходных данных для расчета;
- расчет промежуточных
нагрузок -
;
- определение расчетной
нагрузки -
;
- расчет токов
электрической нагрузки, для длительно допустимых режимов работы -
.
Исходные данные для расчетов. Исходными данными являются таблицы – задания от технологов, и всех смежных подразделений – сантехников, охраны труда, пожарной безопасности, экологов и других.
Расчеты выполняются с учетом назначения получаемых нагрузок.
Это электрические нагрузки до 1 кВ, для цеха, для корпуса, цеховой подстанции. Электрические нагрузки выше 1 кВ – это высоковольтные двигатели, печные трансформаторы, сварочное оборудование и другое.
В зависимости от назначения и характера нагрузки в таблице формы Ф636-92 часть столбцов или применяется к расчету или исключается. В столюцах исходных данных указываются данные электроприемников каждого цеха, корпуса или здания. Эти данные вносятся в формуляр Ф636-92, в графы 15. Для разных предприятий рекомендуется расчет нагрузок с учетом расположения цехов и электроприемников (ЭП).
Если предприятие состоит из главного корпуса, и ряда вспомогательных цехов и сооружений с незначительным электропотреблением, расчет электрических нагрузок производится отдельно для ЭП до 1 кВ главного корпуса и для ЭП до 1 кВ всех вспомогательных цехов и сооружений. При питании вспомогательных цехов и сооружений от цеховых трансформаторных подстанций главного корпуса расчет электрических нагрузок ЭП до 1 кВ выполняется для предприятия в целом, таблица
Если предприятие состоит из нескольких энергоемких корпусов. Расчет электрических нагрузок производится для каждого корпуса отдельно.
4.3.3. Предприятие состоит из нескольких небольших цехов, размещаемых в отдельных зданиях. Для питания предприятия достаточна установка нескольких трансформаторных подстанций. Расчет электрической нагрузки производится для предприятия в целом.
4.3.4. Предприятие размещено на нескольких промплощадках. Расчет электрических нагрузок ЭП до 1 кВ следует выполнить отдельно для каждой промплощадки.
Для электроприемников включенных в строки по «заданию технологов» по справочным данным принимаются коэффициенты - коэффициент использования КИ и вписывается в графу 6, коэффициенты реактивной мощности - cos, tg и вписываются в графы 7, 8 формуляра.
Расчетные величины промежуточной мощности рассчитываются в графах 9,10 по формулам 3,4.
Активная промежуточная мощность
(2.3)
где
- номинальная или паспортная
мощность электроприемника, в кВт,
- суммарная установленная
мощность электроприемников группы электроприемников, в кВт,
- коэффициент использования
нагрузки.
Реактивная промежуточная мощность, в кВАр
(4)
где
- величина, определяемая по
известному значению
электроприемника, или
принимаемая непосредственно по справочным данным.
Для определения величин
расчетных нагрузок групп электроприемников применяется расчетный
коэффициент -
,
определяемый по монограммам или табличным значениям этих монограмм.
Его находят в таблицах при известном эффективном числе
электроприемников -
и коэффициенте использования -
. Для нахождения его
значения выполняется расчет эффективного числа электроприемников.
Для малых групп приемников определяется по таблице 2,, для
трансформаторов цеховых ТП, магистральных шинопроводов по таблице 3
и вносится в графу 13 формуляра.
При расчете электрических
нагрузок до 1000В, коэффициент
является аналогом коэффициента
максимума, применявшегося в прежних указаниях.
Эффективное (приведенное) число электроприемников – такое число однородных по режиму работы приемников одинаковой мощности, которое создает ту же величину расчетной нагрузки, что и действительное число приемников разных по мощности и режиму работы.
Эффективное число
рекомендуется определять по приближенным формулам для групп
электроприемников. Найденное значение
вписать в графу 12:
Для малых групп электроприемников рассчитывается по (5)
, (2.4)
где
- рассчитывается в графе 11
формуляра,
для значительного числа электроприемников магистральных шинопроводов, цехов, корпусов, трансформаторных подстанций, предприятия в целом по (6)
(.2.5)
где
- номинальная максимальная
мощность электроприемника в расчетной группе.
Активная расчетная мощность рассчитывается для групп электроприемников и для пунктов распределения, вносится в графу 14 формуляра
(2.6)
Реактивная расчетная мощность рассчитывается для групп электроприемников и для пунктов распределения, вносится в графу 15 формуляра. Рекомендуется расчетную реактивную мощность для малых групп определять по упрощенным формулам, учитывая эффективное число электроприемников, в кВАр
. (2.7)
Для значительных групп
.
Расчетная полная мощность
, кВА, вносится в графу
16.
|
Таблица 2.2 - Расчет электрических нагрузок до 1 кВ. Форма Ф636-92 |
|||||||||||||||||||||||||
|
Исходные данные |
Расчетные величины |
Эффек тивное число ЭП |
Коэф. расчетной наг руз ки |
Расчетная мощность |
Расчет ток ный ток |
||||||||||||||||||||
|
По заданию технологов |
По справочным данным |
Промежуточная мощность |
Р2Н n |
Активная |
Реактивная |
Полная |
|||||||||||||||||||
|
Наименование ЭП |
Кол. ЭП шт. n
|
Номинальная (установленная) мощность, кВт |
Коэф использо ва ния Ки
|
Коэф. реактивной мощности |
Активная РПР=КИРН кВт |
Реактивная КИРНtg, кВАр |
|||||||||||||||||||
|
Одного ЭП |
Общая |
cos
|
tg
|
nэ |
Кр |
Рр |
Qp |
Sp |
Ip |
||||||||||||||||
|
Рн мин |
Рн макс |
Рн |
|
|
кВт |
кВАр |
кВА |
А |
|||||||||||||||||
|
1 |
2 |
3 |
4 |
5 |
6 |
7 |
8 |
9 |
10 |
11 |
12 |
13 |
14 |
15 |
16 |
17 |
|||||||||
|
Главный корпус |
|
|
|
|
|
|
|
|
|
|
|
|
|
|
|||||||||||
|
Станки мелкосерийного производства |
182 |
1,5 |
50 |
2160 |
0,14 |
0,5 |
1,73 |
302 |
523 |
|
|
|
|
|
|
|
|||||||||
|
Станки с тяжелым и особо тяжелым режимом работы |
84 |
20 |
80 |
3480 |
0,2 |
0,65 |
1,17 |
696 |
814 |
|
|
|
|
|
|
|
|||||||||
|
Автоматические поточные линии |
245 |
2,5 |
40 |
4160 |
0,6 |
0,7 |
1,02 |
2496 |
2545 |
|
|
|
|
|
|
|
|||||||||
|
Печи сопротивления автоматической загрузки |
44 |
50 |
100 |
3000 |
0,8 |
0,95 |
0,33 |
2400 |
792 |
|
|
|
|
|
|
|
|||||||||
|
Печи сопротивления с неавтоматической загрузкой |
25 |
15 |
65 |
820 |
0,5 |
0,95 |
0,33 |
410 |
135 |
|
|
|
|
|
|
|
|||||||||
|
Краны, тельферы |
92 |
1 |
28 |
650 |
0,1 |
0,5 |
1,73 |
65 |
112 |
|
|
|
|
|
|
|
|||||||||
|
Насосы |
51 |
10 |
100 |
3100 |
0,7 |
0,8 |
0,75 |
2170 |
1627 |
|
|
|
|
|
|
|
|||||||||
|
Вентиляторы |
110 |
2,8 |
120 |
4620 |
0,65 |
0,8 |
0,75 |
3003 |
2252 |
|
|
|
|
|
|
|
|||||||||
|
Итого силовые ЭП |
833 |
|
|
21990 |
0,52 |
|
|
11542 |
8803 |
|
366 |
0,76 |
8770 |
6690 |
11030 |
|
|||||||||
|
Осветительная нагрузка |
|
|
|
|
|
|
|
|
|
|
|
|
417 |
200 |
|
|
|||||||||
|
Всего |
|
|
|
|
|
|
|
|
|
|
|
|
9187 |
6890 |
11483 |
|
|||||||||
|
Вспомогательные цехи и сооружения |
|
|
|
|
|
|
|
|
|
|
|
|
|
|
|
|
|||||||||
|
Насосы |
14 |
7 |
40 |
200 |
0,7 |
0,8 |
0,75 |
140 |
105 |
|
|
|
|
|
|
|
|||||||||
|
Компрессоры |
3 |
100 |
100 |
300 |
0,7 |
0,85 |
0,62 |
210 |
130 |
|
|
|
|
|
|
|
|||||||||
|
Станки |
28 |
1,5 |
14 |
120 |
0,14 |
0,5 |
1,73 |
16,8 |
29,1 |
|
|
|
|
|
|
|
|||||||||
|
Печи сопротивления |
2 |
20 |
20 |
40 |
0,5 |
0,95 |
0,33 |
20 |
6,6 |
|
|
|
|
|
|
|
|||||||||
|
Конвейеры |
8 |
4 |
10 |
60 |
0,4 |
0,75 |
0,88 |
24 |
21,4 |
|
|
|
|
|
|
|
|||||||||
|
Краны, тали |
15 |
1 |
14 |
100 |
0,1 |
0,5 |
1,73 |
10 |
17,3 |
|
|
|
|
|
|
|
|||||||||
|
Вентиляторы |
32 |
2,8 |
40 |
300 |
0,65 |
0,8 |
0,75 |
195 |
146,3 |
|
|
|
|
|
|
|
|||||||||
|
Итого силовые ЭП |
102 |
|
|
1120 |
0,55 |
|
|
615 |
455 |
|
22 |
0,87 |
536 |
396 |
666 |
|
|||||||||
|
Осветительная нагрузка |
|
|
|
|
|
|
|
|
|
|
|
|
137 |
69 |
|
|
|||||||||
|
Всего |
|
|
|
|
|
|
|
|
|
|
|
|
673 |
465 |
818 |
|
|||||||||
Таблица 2.3 - - Расчет электрических нагрузок до 1 кВ общего назначения
|
Исходные данные |
Расчетные величины |
Эффективное число ЭП nэ |
Коэф. расчетной нагрузки Кр |
Расчетная мощность |
Расч ет ный ток, А Ip |
||||||||||
|
По заданию технологов |
По справочным данным |
Ки*Рн |
Ки*Рн*tgf |
рн**2*n |
кВт Рр |
кВАр Qp |
кВА Sp |
||||||||
|
Наименование ЭП |
Кол-во ЭП шт. n |
Номинальная (установленная) мощность, кВт |
Коэф. использования Ки |
Коэф. реактивной мощности |
|||||||||||
|
одного ЭП рн |
общая Рн = n*рн |
||||||||||||||
|
cos f |
tg f |
||||||||||||||
|
Пример расчета электрических нагрузок для силовых питающих сетей общего назначения напряжением до 1 кB |
|||||||||||||||
|
Распределительный пункт ШР1 |
|
|
|
|
|
|
|
|
|
|
|
|
|
|
|
|
Печи сопротивления |
2 |
10,0 |
20 |
0,50 |
0,95 |
0,33 |
10,0 |
3,3 |
200,0 |
|
|
|
|
|
|
|
Вентиляторы |
2 |
7,0 |
14 |
0,65 |
0,80 |
0,75 |
9,1 |
6,8 |
98,0 |
|
|
|
|
|
|
|
Станки |
2 |
2,8 |
6 |
0,14 |
0,50 |
1,73 |
0,8 |
1,4 |
15,7 |
|
|
|
|
|
|
|
2 |
4,0 |
8 |
0,14 |
0,50 |
1,73 |
1,1 |
1,9 |
32,0 |
|
|
|
|
|
|
|
|
1 |
3,0 |
3 |
0,14 |
0,50 |
1,73 |
0,4 |
0,7 |
9,0 |
|
|
|
|
|
|
|
|
1 |
14,0 |
14 |
0,14 |
0,50 |
1,73 |
2,0 |
3,5 |
196,0 |
|
|
|
|
|
|
|
|
2 |
1,7 |
3 |
0,14 |
0,50 |
1,73 |
0,4 |
0,7 |
5,8 |
|
|
|
|
|
|
|
|
Итого |
12 |
|
68 |
0,35 |
|
|
23,9 |
18,4 |
556 |
8 |
1,15 |
27,5 |
20,2 |
34,1 |
52 |
|
ШР2 |
|
|
|
|
|
|
|
|
|
|
|
|
|
|
|
|
Молоты |
2 |
28,0 |
56 |
0,24 |
0,65 |
1,17 |
13 |
15 |
1560 |
|
|
|
|
|
|
|
Индукционные печи низкой частоты |
5 |
20,0 |
100 |
0,70 |
0,95 |
0,33 |
70 |
23 |
2000 |
|
|
|
|
|
|
|
Итого |
7 |
|
156 |
0,53 |
|
|
83 |
38 |
3560 |
6 |
1,09 |
90,5 |
41,8 |
100 |
152 |
|
ШР3 |
|
|
|
|
|
|
|
|
|
|
|
|
|
|
|
|
Прессы штамповочные |
3 |
28,0 |
84 |
0,17 |
0,65 |
1,17 |
14,2 |
16,4 |
2340 |
3 |
2,94 |
42 |
18 |
46 |
70 |
|
ШР1 + ШР3 |
|
|
|
|
|
|
|
|
|
|
|
|
|
|
|
|
ШР1 |
12 |
|
68 |
0,35 |
|
|
23,9 |
18,4 |
556 |
|
|
|
|
|
|
|
ШР3 |
3 |
|
84 |
0,17 |
|
|
14,2 |
16,4 |
2340 |
|
|
|
|
|
|
|
Итого |
15 |
|
152 |
0,25 |
|
|
38,1 |
34,8 |
2896 |
8 |
1,34 |
51 |
38 |
64 |
97 |
|
Щит станций управления ЩСУ1 |
|
|
|
|
|
|
|
|
„ |
|
|
|
|
|
|
|
Насосы |
5 |
20,0 |
100 |
0,70 |
0,80 |
0,75 |
70 |
52 |
2000 |
|
|
|
|
|
|
|
Насосы с синхронным двигателем |
2 |
75,0 |
150 |
0,70 |
-0,90 |
0,48 |
105 |
-72 |
11200 |
|
|
|
|
|
|
|
Итого |
7 |
|
250 |
0,70 |
|
|
175 |
-20 |
13200 |
4 |
1,08 |
189 |
21,6 |
190 |
290 |
|
ЩСУ2 |
|
|
|
|
|
|
|
|
|
|
|
|
|
|
|
|
Технолог. механизмы участка 1 ПТС |
2 |
2,8 |
5,6 |
0,55 |
0,75 |
0,88 |
3,1 |
2,7 |
16 |
|
|
|
|
|
|
|
6 |
10,0 |
60 |
0,55 |
0,75 |
0,88 |
33 |
29 |
600 |
|
|
|
|
|
|
|
|
2 |
15,0 |
30 |
0,55 |
0,75 |
0,88 |
16,5 |
14,5 |
450 |
|
|
|
|
|
|
|
|
3 |
28,0 |
84 |
0,55 |
0,75 |
0,88 |
46,2 |
40,6 |
2340 |
|
|
|
|
|
|
|
|
3 |
40,0 |
120 |
0,55 |
0,75 |
0,88 |
66 |
58 |
4800 |
|
|
|
|
|
|
|
|
Итого |
16 |
|
300 |
0,55 |
|
|
165 |
145 |
8206 |
11 |
1,02 |
168 |
145 |
222 |
338 |
|
ЩСУ3 |
|
|
|
|
|
|
|
|
|
|
|
|
|
|
|
|
Технолог. механизмы участка 2 ПТС |
4 |
25,0 |
100 |
0,55 |
0,75 |
0,88 |
55 |
48 |
2500 |
|
|
|
|
|
|
|
3 |
50,0 |
150 |
0,55 |
0,75 |
0,88 |
82 |
72 |
7500 |
|
|
|
|
|
|
|
|
2 |
100,0 |
200 |
0,55 |
0,75 |
0,88 |
110 |
97 |
20000 |
|
|
|
|
|
|
|
|
Итого |
9 |
|
450 |
0,55 |
|
|
247 |
217 |
30000 |
6 |
1,09 |
269 |
238 |
359 |
546 |
|
ЩСУ4 |
|
|
|
|
|
|
|
|
|
|
|
|
|
|
|
|
Автоматическая поточная линия SPL |
2 |
1,0 |
2 |
0,60 |
0,70 |
1,02 |
1,2 |
1,2 |
2 |
|
|
|
|
|
|
|
2 |
3,0 |
6 |
0,60 |
0,70 |
1,02 |
3,6 |
3,7 |
18 |
|
|
|
|
|
|
|
|
4 |
5,5 |
22 |
0,60 |
0,70 |
1,02 |
13,2 |
13,5 |
120 |
|
|
|
|
|
|
|
|
6 |
10,0 |
60 |
0,60 |
0,70 |
1,02 |
36,0 |
36,7 |
600 |
|
|
|
|
|
|
|
|
2 |
20,0 |
40 |
0,60 |
0,70 |
1,02 |
24,0 |
24,5 |
800 |
|
|
|
|
|
|
|
|
Итого |
16 |
|
130 |
0,60 |
|
|
78 |
80 |
1540 |
11 |
1,0 |
78 |
80 |
111 |
169 |
|
Распределительный шинопровод ШШ1 |
|
|
|
|
|
|
|
|
|
|
|
|
|
|
|
|
Станки |
3 |
1,7 |
5,1 |
0,14 |
0,50 |
1,73 |
0,7 |
1,2 |
9,0 |
|
|
|
|
|
|
|
4 |
3,2 |
12,8 |
0,14 |
0,50 |
1,73 |
1,8 |
3,1 |
40 |
|
|
|
|
|
|
|
|
4 |
4,5 |
18 |
0,14 |
0,50 |
1,73 |
2,5 |
4,3 |
80 |
|
|
|
|
|
|
|
|
1 |
14,0 |
14 |
0,14 |
0,50 |
1,73 |
1,9 |
3,3 |
196 |
|
|
|
|
|
|
|
|
3 |
5,0 |
15 |
0,20 |
0,65 |
1,17 |
3,0 |
3,5 |
75 |
|
|
|
|
|
|
|
|
2 |
8,0 |
16 |
0,20 |
0,65 |
1,17 |
3,2 |
3,7 |
128 |
|
|
|
|
|
|
|
|
2 |
11,5 |
23 |
0,20 |
0,65 |
1,17 |
4,6 |
5,3 |
266 |
|
|
|
|
|
|
|
|
1 |
20,0 |
20 |
0,20 |
0,65 |
1,17 |
4,0 |
4,6 |
400 |
|
|
|
|
|
|
|
|
Итого |
20 |
|
124 |
0,17 |
|
|
21,8 |
29 |
1194 |
12 |
1,44 |
31 |
29 |
42 |
64 |
|
ШШ2 |
|
|
|
|
|
|
|
|
|
|
|
|
|
|
|
|
Печи сопротивления |
5 |
40,0 |
200 |
0,50 |
0,95 |
0,33 |
100 |
33 |
8000 |
|
|
|
|
|
|
|
Станки |
19 |
2,8 |
53 |
0,20 |
0,65 |
1,15 |
10,6 |
12,2 |
149 |
|
|
|
|
|
|
|
3 |
4,0 |
12 |
0,20 |
0,65 |
1,15 |
2,4 |
2,8 |
48 |
|
|
|
|
|
|
|
|
11 |
5,0 |
55 |
0,20 |
0,65 |
1,15 |
11,0 |
12,6 |
275 |
|
|
|
|
|
|
|
|
8 |
10,0 |
80 |
0,20 |
0,65 |
1,15 |
16,0 |
18,4 |
800 |
|
|
|
|
|
|
|
|
Итого |
46 |
|
400 |
0,35 |
|
|
140,0 |
79 |
9350 |
17 |
1,0 |
140 |
79 |
160 |
242 |
|
Магистральный шинопровод М1-1 |
|
|
|
|
|
|
|
|
|
|
|
|
|
|
|
|
ЩСУ3 |
9 |
|
450 |
|
|
|
247 |
217 |
30000 |
|
|
|
|
|
|
|
ЩСУ1 |
7 |
|
250 |
|
|
|
180 |
-20 |
13200 |
|
|
|
|
|
|
|
ЩСУ2 |
16 |
|
300 |
|
|
|
165 |
145 |
8206 |
|
|
|
|
|
|
|
ШР2 |
7 |
|
156 |
|
|
|
83 |
38 |
3560 |
|
|
|
|
|
|
|
ШР1 |
12 |
|
68 |
|
|
|
23,9 |
18,4 |
556 |
|
|
|
|
|
|
|
ШР3 |
3 |
|
84 |
|
|
|
14,2 |
16,4 |
2340 |
|
|
|
|
|
|
|
ЩСУ4 |
16 |
|
130 |
|
|
|
78,0 |
80 |
1540 |
|
|
|
|
|
|
|
ШШ1 |
20 |
|
124 |
|
|
|
21,8 |
29 |
1194 |
|
|
|
|
|
|
|
ШШ2 |
46 |
|
400 |
|
|
|
140 |
79 |
9350 |
|
|
|
|
|
|
|
Итого |
136 |
|
1962 |
0,48 |
|
|
953 |
607 |
69946 |
55 |
0,74 |
705 |
450 |
843 |
1280 |
|
М1-2 |
|
|
|
|
|
|
|
|
|
|
|
|
|
|
|
|
Печи сопротивления (щиты ШП1-ШП4) |
4 |
250,0 |
1000 |
0,50 |
0,95 |
0,33 |
500,0 |
165,0 |
250000 |
4 |
1,04 |
520 |
171 |
547 |
832 |
|
М1 |
|
|
|
|
|
|
|
|
|
|
|
|
|
|
|
|
ШШ3 |
40 |
|
700 |
|
|
|
140 |
240 |
16820 |
|
|
|
|
|
|
|
М1-1 |
136 |
|
1962 |
|
|
|
953 |
625 |
69946 |
|
|
|
|
|
|
|
М1-2 |
4 |
|
1000 |
|
|
|
500 |
165 |
250000 |
|
|
|
|
|
|
|
Итого |
180 |
|
3662 |
0,43 |
|
|
1593 |
1030 |
336766 |
40 |
0,77 |
1226 |
793 |
1460 |
2200 |

Рисунок 2.1 – Распределительная сеть до 1 кВ
|
Таблица 2.4 - Расчета электрических нагрузок на сборных шинах низкого напряжения цеховых трансформаторных подстанций |
|||||||||||||||
|
Исходные данные |
Расчетные величины |
Эффекти вное число ЭП nэ |
Коэф. расчет ной нагрузки Кр |
Расчетная мощность |
Расчетный ток, А Ip |
||||||||||
|
По заданию технологов |
По справочным данным |
Ки*Рн |
Ки*Рн*tgf |
рн**2*n |
кВт Рр |
кВАр Qp |
кВА Sp |
||||||||
|
Наименование ЭП |
Кол-во ЭП шт. n |
Номинальная (установленная) мощность, кВт |
Коэф. использования Ки |
Коэф. реактивной мощности |
|||||||||||
|
одного ЭП рн |
общая Рн = n*рн |
||||||||||||||
|
cos f |
tg f |
||||||||||||||
|
Пример расчета электрических нагрузок силовых ЭП на сборных шинах низкого напряжения цеховых трансформаторных подстанций |
|||||||||||||||
|
ТП2 |
|
|
|
|
|
|
|
|
|
|
|
|
|
|
|
|
Насосы |
8 |
200,0 |
1600 |
0,70 |
0,80 |
0,75 |
1120,0 |
840,0 |
320000,0 |
|
|
|
|
|
|
|
Нагревательные приборы |
6 |
4,0 |
24 |
0,30 |
0,95 |
0,33 |
7,2 |
2,4 |
96,0 |
|
|
|
|
|
|
|
Вентиляторы |
4 |
10,0 |
40 |
0,65 |
0,80 |
0,75 |
26,0 |
19,5 |
400,0 |
|
|
|
|
|
|
|
Насосы с СД |
2 |
100,0 |
200 |
0,70 |
-0,90 |
0,48 |
140,0 |
-96,0 |
20000,0 |
|
|
|
|
|
|
|
Итого |
20 |
|
1864 |
0,69 |
0,86 |
0,59 |
1293,2 |
765, |
340496,0 |
10,2 |
0,89 |
1149 |
681 |
1335 |
|
|
ТП3 |
|
|
|
|
|
|
|
|
|
|
|
|
|
|
|
|
Печь сопротивления |
2 |
500,0 |
1000 |
0,50 |
0,95 |
0,33 |
500,0 |
165,0 |
500000,0 |
|
|
|
|
|
|
|
Итого |
2 |
|
1000 |
0,50 |
0,95 |
0,33 |
500,0 |
165,0 |
500000,0 |
2,0 |
1,19 |
594 |
196 |
625 |
950 |
3 КАТЕГОРИИ ЭЛЕКТРОПРИЕМНИКОВ ПО НАДЕЖНОСТИ ЭЛЕКТРОСНАБЖЕНИЯ
Все электропремники по надежности электроснабжения подразделяются на три основные группы, классификация которых по основным признакамдана в ПУЭ.
К электроприемникам первой (I) категории относятся электроприемники, перерыв электроснабжения которых может повлечь за собой: опасность для жизни людей, значительный ущерб народному хозяйству, повреждение дорогостоящего основного оборудования, массовый брак продукции, расстройство сложного технологического процесса, нарушение функционирования особо важных элементов коммунального хозяйства.
Из состава электроприемников I категории выделяется особая группа электроприемников, бесперебойная работа которых необходима для безаварийного останова производства с целью предотвращения угрозы жизни людей, взрывов, пожаров и повреждения дорогостоящего основного оборудования. Перерыв в электроснабжении разрешается на время действия автоматики по переводу на резервный источник питания.
Электроприемники II категории. Электроприемники, перерыв электроснабжения которых приводит к массовому недоотпуску продукции, массовым простоям рабочих, механизмов и промышленного транспорта, нарушению нормальной деятельности значительного количества городских и сельских жителей. Перерыв в электроснабжении разрешается на время действий оперативного персонала по переводу на резервный источник питания
Электроприемники III категории. Все остальные электроприемники, не подходящие под определения I и II категорий.
3.1 Электрические сети предприятий
Решают основные вопросы внутризаводского снабжения. К ним относятся - выбор питающих и распределительных напряжений; схем рационального электроснабжения.
Системы электроснабжения условно делятся на внутреннее и внешнее электроснабжение.
Сети внутреннего электроснабжения предназначенны для распределения электроэнергии по территории предприятия и внутри цехов. Схема внутризаводского электроснабжения на рисунке 3.1. Обозначения на рисунке ГПП – главная понизительная подстанция, ТП – трансформаторная ПС, РУ – распределительное устройство.
Сети внешнего электроснабжения - это питающие сети 6-220 кВ обеспечивающие подачу электроэнергии от энергосистемы до приемного устройства.
Рисунок 3.1 – Схема
внутризаводского электроснабжения
Схема системы электроснабжения (СЭ) должна быть простая, надежная, удобная;
- все элементы схемы, рабочие параметры должны сохраняться и в послеаварийном режиме и в режиме допустимой перегрузки;
- учитывать перспективы развития без коренной реконструкции, возможность замены трансформаторов в пределах одной ТП;
- обеспечивать надежную защиту, автоматическое восстановление питания;
- обеспечить наименьшие потери мощности и электроэнергии путем приближения источника питания (ИП) и уменьшения числа ступеней напряжения.
Также при выборе схемы СЭ необходимо обеспечить: минимальное количество ступеней трансформации (2-5); глубокое секционирование на всех ступенях напряжения; приближение узлов распределения электроэнергии к приемникам.
По напряжению сети делятся на электрические сети до 1 кВ и выше 1 кВ.
Все сети разделяются на питающие и распределительные. Они должны быть просты, экономичны, и формироваться исходя из требований, предъявляемых к категории надежности по электроснабжению.
Все сети разделяются на радиальные, магистральные и смешанные.
3.2 Внутренние сети до 1 кВ
Радиальные сети до 1 кВ. Применяются для питания отдельных электроприемников или узлов по одной отдельной питающей линии, отходящей от цеховой ТП. Такие сети применяются для ответственных электроприемников первой и второй категорий, электроприемников большой мощности (РН=50-75 кВт) и также для узлов питания.
Преимущества радиальной схемы – высокая надежность, хорошие возможности применения автоматики для снижения перерывов в электроснабжении.
Недостатки радиальной схемы - значительные первоначальные затраты, связанные со значительным расходом проводниковой продукции, установкой дополнительных распределительных пунктов и узлов. Пример радиальной схемы питания на рисунке 3.2, где ТП – цеховая трансформаторная подстанция, РУ-0,4 кВ – распределительное устройство на стороне низкого напряжения ТП, ШР1ШР4 – распределительные шкафы, от которых запитываются электроприемники.
Магистральные сети до 1 кВ. Применяются при равномерном расположении электроприемников по цеху. Недостатки магистральной схемы: меньшая надежность сети - при повреждении обесточиваются все электроприемники; значительные токи КЗ в аварийных режимах.
Преимущества магистральной схемы. Меньшая первоначальная стоимость сетей, меньшие потери напряжения и мощности. Чисто магистральные сети, рисунок 3.3, выполняются магистральными шинопроводами по схеме блок трансформатор-магистраль. Схемы блоков трансформатор-магистраль, не должны превышать число установленных трансформаторов КТП (комплектная трансформаторная ПС).

Рисунок 3.2 – Пример радиальной схемы до 1 кВ
Пример магистральной схемы на рисунке 3.4, где ШР1, ШР2 и шкаф освещения ШРО получают питание от одной магистрали, другая магистраль питает ШР3, ШР4, ШР5.

Рисунок 3.3 – Блок трансформатор-магистраль
1 – магистраль, 2 –распределительный шинопровод, 3 – приемники электроэнергии
Довольно часто схемы выполняются смешанными радиально-магистральными.
3.3 Конструктивное исполнение сетей до 1 кВ
Питающие сети до 1кВ выполняются кабельными линиями, прокладываемыми от цеховых ТП. Они прокладываются открыто по монтажным конструкциям, в кабельных каналах, в траншеях, в трубах как по территории предприятия так и цеха.
Их разделяют на внутренние и наружные сети. Обычно наружные сети применяются в случае когда от одной ТП питаются несколько электроустановок, расположенных в разных отдельных корпусах.
Внутренние сети применяются при разводке внутри помещений. Они прокладываются от распределительного щита цеховой ТП до узлов распределения электроэнергии.

Рисунок 3.4 – Пример магистральной схемы
Узловые пункты питания выполняются распределительными шкафами, магистральными и радиальными комплектными шинопроводами.
Распределительные силовые
пункты, устанавливаются вблизи электроприемников. Они представляют
собой шкафы с установленными в них защитными
аппаратами–автоматическими выключателями, предохранителями,
с вводным автоматом или
рубильником. Исполнение силовых шкафов определяется условиями
технологической среды.
Пункты распределительные ПР11, ПР8000 с автоматическими выключателями, степенью защиты IP30, IP54. Предназначены для приема и распределения электрической энергии, защиты от перегрузок и коротких замыканий силовых и осветительных линий, а также для нечастых (до 6 включений в час) оперативных включений и отключений электроприемников в сетях до 660В частотой 50 и 60Гц с глухозаземленной и изолированной нейтралью, пусков асинхронных
двигателей.
Шкафы распределительные силовые ШР 11, ШРС 1 с плавкими предохранителями. Выдерживаемый ударный ток:- при номинальном токе шкафа 250А – не менее 10 кА;- при номинальном токе шкафа 400А – не менее 25 КА. IP31, IP54 ВР-32 ПН-2, ППН-35, ПП-35
П
редназначены для приема и распределения электрической энергии,
защиты электрических цепей от токов короткого замыкания.
Шкафы рассчитаны на номинальные токи до 400А и номинальное напряжение до 380В трехфазного переменного тока частотой 50Гц с глухозаземленной нейтралью:
Комплектные шинопроводы выполняют закрытыми. Их изготовляют отдельными секциями, из которых и собирается весь шинопровод
Алюминиевые токоведущие шины находятся внутри металлического короба и изолированы от него изоляторами.

Внутренние сети применяются при разводке внутри помещений, прокладываются от распределительного щита цеховой ТП до узлов распределения электроэнергии. Они прокладываются открыто по монтажным конструкциям, в кабельных каналах, в трубах проводами и кабелями. Наружные сети распределительные прокладываются вне помещений когда от одной отдельно стоящей ТП питаются несколько электроустановок, расположенных в разных отдельных корпусах. Сети выполняются кабелями, прокладываемыми в траншеях, каналах, узловые пункты питания выполняются распределительными шкафами, магистральными и радиальными комплектными шинопроводами.
4 ЗАЩИТНАЯ АППАРТУРА СЕТЕЙ ДО 1 КВ
Сети, выполняемые проводниками должны иметь защиту от ненормальных режимов работы. Их необходимо защищать от действия токов короткого замыкания, токов аварийной перегрузки. Сети защищаются аппаратами: автоматическими выключателями, плавкими предохранителями и управляются аппаратами управления: магнитными пускателями, контакторами.
Главные функции защитных аппаратов – включение, отключение цепей электроприемников, защита от перегрузок, токов короткого замыкания,
Главные функции аппаратов управления: пуск и останов двигательной нагрузки электроприемников, защита от снижения напряжения или самозапуска,.регулирование скорости, реверсирование, электрическое торможение.
Каждый из названных аппаратов может выполнять как одну так и несколько функций.
4.1 Выбор плавких предохранителей
Плавкие предохранители применяются для защиты сетей и электроприемников от токов короткого замыкания. Плавкие вставки предохранителей выдерживают токи на 30-50% выше номинальных в течении 1 часа и больше, 60-100% менее 1 часа. Если в течении этого времени нагрузочные токи уменьшаться до номинальных, плавкая вставка останется целой. Плавкие предохранители делят на инерционные – со значительной тепловой инерцией, способные выдерживать значительные временные перегрузки, безинерционные – с малой тепловой инерцией, с ограниченной способностью к перегрузкам. К инерционным относят предохранители установочные с предохранительной резьбой и свинцовым токопроводящим мостиком. К безинерционным относят трубчатые с медным токопроводящим мостиком и предохранители со штампованными вставками открытого типа. По конструкции предохранители делят на две группы – с наполнителем, наполненные мелким кварцевым песком типа ПН2, НПН2, ПП17, ПП18 и без наполнителя ПР2. Типы некоторых предохранителей: ПР – предохранитель разборный; НПН – насыпной предохранитель, неразборный; ПН2 – предохранитель насыпной, разборный. Технические данные предохранителей НПН и ПН2 приведены в таблице 4.1.
Условия выбора плавких предохранителей.
Номинальный ток плавкой вставки безинерционного предохранителя выбирается из условия длительного протекания расчетного тока линии по (4.1)
. (4.1)
Таблица 4.1-Технические данные предохранителей НПН и ПН2
|
Тип предохранителя |
Номинальный ток |
Предельный ток отключения (действующее значение),А |
При каком положении предохранителя |
||
|
предохранителя, А |
плавких вставок, А |
||||
|
НПН-15 НПН-60М |
15 60 |
6; 10; 15 20; 25; 35; 45; 60 |
– – |
|
|
|
Патроны разборные |
ПН2-100 |
100 |
30; 40; 50; 60; 80; 100 |
50000 |
вертикальном и горизонтальном положении |
|
ПН2-250 |
250 |
80; 100; 125; 150; 200; 250 |
40000 |
||
|
ПН2-400 |
400 |
200; 250; 300; 400 |
25000 |
при вертикальном положении |
|
|
ПН2-600 |
600 |
300; 400; 500; 600 |
25000 |
||
|
ПН2-1000 |
1000 |
500; 600; 750; 800; 1000 |
10000 |
||
Номинальный ток
инерционного предохранителя должен соответствоать кратности
допустимого тока. ![]()
При выборе плавких предохранителей к узлам распределения электроэнергии – силовым сборкам, шинопроводам, магистралям, длительный ток принимается равным расчетному для группы приемников, для защиты одиночных приемников длительный ток принимается равным номинальному.
Для обеспечения
нормальной работы сетей и электроприемников плавкие предохраниели
отстраивают от кратковременных токов перегрузки
.
В качестве кратковременных токов одиночных приемников принимаются пусковые токи, а для групп приемников пиковые токи.
(4.2)
где
для группы приемников,
для одиночного приемника
- коэффициент снижения пускового тока электроприемника, при легком пуске =2,5, при тяжелом пуске =1,6 при среднем =2,0.
Легкий пуск имеют приемники с однородным графиком потребления электродвигатели вентиляторов, насосов, компрессоров. К среднему пуску можно отнести приводы металлообрабатыващих станков.
При выборе плавкого
предохранителя к одиночному приемнику с частыми пусками или
затяжным пуском ![]()
Пиковый ток группы приемников рассчитывается
(4.3)
где
- пусковой ток приемника,
создающего максимальный ток в группе, А
- расчетный ток группы, А
- номинальный ток указанного
приемника, А
- коэффициент использования
этого приемника.
Пусковой ток приемника рассчитывается
(4.4)
где КПУС – кратность пускового тока.
Защита выполняемая аппаратами, в том числе плавкими предохранителями, должна быть селективной. Что достигается выбором плавких вставок на отдельных участках возрастающими в сторону узла питания. При этом ток предохранителя высшей ступени больше на два порядка низшей ступени.
Чтобы обеспечить избирательность защиты необходимо подобрать плавкие вставки на двух смежных участках линии так, чтобы произошло отключение только необходимой линии.
Пример выбора плавкого предохранителя
Выбрать плавкий предохранитель к силовой сборке типа ШРС-11 с номинальным напряжением UН=380 В, расчетным током IP=338 А. Данные электроприемника, создающего наибольший пусковой ток в группе –
РН=28 кВт; КИ=0,55; соs=0,75; кратность пускового тока КП=5.
Решение
1) Рассчитывается номинальный ток электроприемника
(4.5)
.
2) Пусковой ток электроприемника
, (4.6)
.
3) Пиковый ток группы по (4.3)
.
4) Условия выбора плавкой вставки предохранителя по длительному току продолжительного режима и отстройка от пускового тока
![]()
.
5) Выбирается
предохранитель ПН2-400, с номинальным током патрона
и плавкой вставкой
.
4.2 Выбор автоматических выключателей
Автоматические выключатели служат для нечастых включений и отключений цепи, для защиты от токов перегрузки и токов короткого замыкания.
Для выполнения защитных функций автоматические выключатели снабжаются тепловыми и электромагнитными расцепителями или комбинированными. Тепловой расцепитель выполняет защиту от токов перегрузки, электромагнитный от токов короткого замыкания.
Автоматические выключатели выполняются для стационарной установки и выдвижные. Для значительных токов нагрузки применяются автоматы серии «Электрон», стационарные и выдвижные с дистанционным управлением привода выключателя, устанавливаемые в шкафах комплектных трансформаторных подстанций.
Такого же типа есть автоматы серии АВМ, снятые с производства, но используемые в действующих старых установках.
Широко применяются автоматы серий АЕ, ВА с большим диапазоном токов, для цепей управления с малыми токами нагрузки применяются автоматы ВА и АП-50Б.
Серия ВА выпущена взамен А3700, А3100, АВМ и «Электрон». Выключатели ВА51, ВА52 выпускаются с тепловым и электромагнитным и комбированным расцепителями, ВА53, ВА55 и ВА75 с полупроводниковым максимальным расцепителем, выключатели ВА56 без макмимальных расцепителей. Маркировка автоматических выключателей серии ВА.
Условия выбора автоматических выключателей:
- по напряжению установки
;
- по месту установки – стационарные или выдвижные;
- по токам нагрузки и токам короткого замыкания.
Выбор токов срабатывания автоматических выключателей.
Отстройка теплового расцепителя. Номинальный ток теплового расцепителя выбирается из условия длительного протекания расчетного тока линии или электроприемника
.
где
, для одиночных
электроприемников
- номинальный ток
электроприемника, А
, для защищаемой линии
- расчетный ток линии, А
Отстройка электромагнтного расцепителя. Номинальный ток электромагнитного расцепителя или комбинированного расцепителя также выбирают по длительному току присоединения. Ток срабатывания проверяют по максимальному кратковременному току линии
(4.7)
Кратковременные токи определяются так же как и при выборе предохранителя. Коэффициент 1,25 учитывает погрешность определения кратковременного тока при разбросе характеристик электромагнитного расцепителя и исключает ложное срабатывание при пуске двигателей.
Если автоматический выключатель имеет обратно зависимую от тока характеристику, ток теплового расцепителя определяется условием
(4.8)
Пример выбора автоматического выключателя.
В магистральной линии
силовой сети напряжением 380/220 В с длительным расчетным током
, кратковременным пиковым
током
при легком
пуске двигателей выбрать автоматический выключатель.
Решение.
1) Ток теплового
расцепителя по условию выбора ![]()
![]()
2) Ток электромагнитного
расцепителя по условию ![]()
![]()
Выбирается выключатель
ВА51-31, номинальный ток выключателя
, номинальный ток расцепителя
.
3) Ток срабатывания
теплового расцепителя: в зоне перегрузки кратность срабатывания
1,2-1,25, ток расцепителя в зоне срабатывания составит
.
4) Ток электромагнитногго
расцепителя: кратность срабатывания в зоне КЗ – 3,6,7 и ток
расцепителя составит
.
5) Выбранный выключатель
ВА51-31,
,
,
соответствует параметрам
защиты.
4.3 Выбор магнитных пускателей
Магнитные пускатели или контакторы служат для дистанционного управления элетроприводами. Они предназначены для частых пусков и отключений. Защиту от токов они не выполняют, но выполняют защиту от снижения напряжения (нулевая защита), тепловую защиту при наличиии теплового реле, защиту от самозапуска.
Контакторы выполняют те же функции, что магнитный пускатель, но они рассчитаны на большие токи, 250-400 А, и каждый полюс имеет дугогасительную камеру. Исполнение контактора открытое, так устанавливаются они обычно в электротехнических шкафах.
Выбираются по напряжению, по току, числу полюсов, исполнению по среде, по наличию тепловй защиты или без нее, по необходимости реверсирования.
Основные современные серии магнитных пускателей ПМ12-000, ПМЕ-200 выполняются на номинальное напряжение до 660В, ПМА-300 до 380В. Примеры маркировок пускателей
Н
оминальные токи
пускателей ПМ12:
ПМ12-010, IН=10А;
ПМ12-025, IН=25А;
ПМ12-040, IН=40А;
ПМ12-063, IН=63А.
П
ускатели
серии ПМЕ имеют
обозначения в маркировке: без
теплового реле – 1, с тепловым реле – 2,
нереверсивный – 1, реверсивный – 2.
Величина пускателя определяет
наибольшую мощность управляемого
двигателя. Так для пускатели серии
ПМЕ нулевой величины (0) на
номинальное напряжение 380В
применяются для электродвигателей мощностью до 4 кВт, второй величины до – 10 кВт.
Тепловые реле магнитных пускателей выполняют тепловую защиту от перегрева. В пускателях серии ПМ12 применяются реле типа РТТ. В пускателях серии ПМЕ – реле типа ТРН-8,10,25,32,40 до третьей величины включительно, реле ТРП-120,150 для величин 4,5,6. Уставка теплового реле выбирается аналогично току срабатывания теплового расцепителя автоматического выключателя.
4.4 Расчет электричесих сетей до 1 кВ
Согласно ПУЭ электрические сети делятся на две группы: 1) сети защищаемые от токов перегрузки и токов короткого замыкания, 2) сети, защищаемые только от токов короткого замыкания.
В соответствии с § 3.1.10 ПУЭ защиту от перегрузки должны иметь электрические сети, выполненные с использованием самонесущего изолированного провода (СИП), а также следующие сети внутри помещений:
1) электрические сети, выполненные открыто проложенными проводниками с горючей наружной оболочкой или горючей наружной изоляцией;
2) групповые осветительные сети в жилых и общественных зданиях и сооружениях, в торговых помещениях, служебно-бытовых помещениях промышленных предприятий, включая сети для бытовых и переносных электроприемников (утюгов, чайников, плиток, комнатных холодильников, пылесосов, стиральных и швейных машин и т.п.), а также в пожароопасных зонах;
3) силовые сети в жилых и общественных зданиях и сооружениях, торговых помещениях, на промышленных предприятиях, - только в случае, когда по условиям технологического процесса или по режиму работы сети может возникать длительная перегрузка проводников;
4) сети специальных установок согласно требованиям раздела 7 ПУЭ.
5) проводники силовых, осветительных и вторичных цепей в сетях до 1 кВ во взрывоопасных зонах классов B-I, B-Ia, B-II и В-IIа должны быть защищены от перегрузок и КЗ, а их сечения должны быть не менее сечения, принятого по расчетному току.
6) проводники ответвлений к электродвигателям с короткозамкнутым ротором до 1 кВ должны быть во всех случаях (кроме находящихся во взрывоопасных зонах классов B-Iб и B-Ir) защищены от перегрузок, а сечения их должны допускать длительную нагрузку не менее 125% номинального тока электродвигателя.
Все остальные сети не требуют защиты от перегрузки и защищаются от токов короткого замыкания.
Выбираемые сечения проводников должны быть не менее требуемых по расчетной допустимой нагрузке.
Допустимые длительные токи для проводов с резиновой или поливинилхлоридной изоляцией, шнуров с резиновой изоляцией и кабелей с резиновой или пластмассовой изоляцией в свинцовой, поливинилхлоридной и резиновой оболочках приведены в ПУЭ в табл. 1.3.4 -1.3.11. Они приняты для температур: жил +65, окружающего воздуха +25 и земли +15°С.
Сечение проводов и кабелей до 1 кВ рассчитываются по нескольким условиям.
1) Нагрев длительным расчетным током
, (4.9)
2) Соответствие аппарату максимальной токовой защиты
(4.10)
где КПОПР – поправочный коэффициет на условия прокладки проводов и кабелей;
КЗ – коэффициент защиты или кратность защиты, отношение длительно допустимого тока к току срабатывания защитного аппарата определяется видом защиты, характером сети, изоляцией проводника, условиями прокладки. Значения КЗ даются в справочных данных;
- ток срабатывания защитного
аппарата, А.
Поправочный коэффициет КПОПР рассчитывается по выражению
(4.11)
где
- коэффициент, учитывающий
температуру окружающей среды, если она отличается от расчетной
+250С, выбирается в ПУЭ по таблице 1.3.3 или таблица
4.2
- коэффициент, учитывающий
условия прокладки, приведен в ПУЭ в таблице 1.3.12, как для
проводов, проложенных открыто (в воздухе), с введением снижающих
коэффициентов 0,68 для 5 и 6 проводников; 0,63 для 7 - 9 и 0,6 для
10-12 проводов или в таблице 4.3.
- коэффициент, учитывающий
продолжительность включения ПВ.
При нормальных условиях
прокладки, соответствующих температуре +250С, одиночной
прокладке проводника и продолжительности включения ПВ=100%,
![]()
Таблица 4.2 - Поправочные коэффициенты на токи для кабелей, неизолированных и изолированных проводов и шин в зависимости от температуры земли и воздуха
|
Условная темпера тура среды, °С |
Нормиро ванная темпера тура |
Поправочные коэффициенты на токи при расчетной температуре среды, °С |
|||||||||||
|
-5 и ниже |
0 |
+5 |
+10 |
+15 |
+20 |
+25 |
+30 |
+35 |
+40 |
+45 |
+50 |
||
|
15 25 25 15 25 15 25 15 25 15 25 |
80 80 70 65 65 60 60 55 55 50 50 |
1,14 1,24 1,29 1,18 1,32 1,20 1,36 1,22 1,41 1,25 1,48 |
1,11 1,20 1,24 1,14 1,27 1,15 1,31 1,17 1,35 1,20 1,41 |
1,08 1,17 1,20 1,10 1,22 1,12 1,25 1,12 1,29 1,14 1,34 |
1,04 1,13 1,15 1,05 1,17 1,06 1,20 1,07 1,23 1,07 1,26 |
1,00 1,09 1,11 1,00 1,12 1,00 1,13 1,00 1,15 1,00 1,18 |
0,96 1,04 1,05 0,95 1,06 0,94 1,07 0,93 1,08 0,93 1,09 |
0,92 1,00 1,00 0,89 1,00 0,88 1,00 0,86 1,00 0,84 1,00 |
0,88 0,95 0,94 0,84 0,94 0,82 0,93 0,79 0,91 0,76 0,89 |
0,83 0,90 0,88 0,77 0,87 0,75 0,85 0,71 0,82 0,66 0,78 |
0,78 0,85 0,81 0,71 0,79 0,67 0,76 0,61 0,71 0,54 0,63 |
0,73 0,80 0,74 0,63 0,71 0,57 0,66 0,50 0,58 0,37 0,45 |
0,68 0,74 0,67 0,55 0,61 0,47 0,54 0,36 0,41 |
Таблица 4.3 - Снижающий коэффициент для проводов и кабелей, прокладываемых в коробах
|
Способ прокладки |
Количество проложенных проводов и кабелей |
Снижающий коэффициент для проводов и кабелей, питающих |
||
|
Одножиль ных |
Многожиль ных |
отдельные электроприемники с коэффициентом использования до 0,7 |
группы электроприемников и отдельные приемники с коэффициентом использования более 0,7 |
|
|
Многослойно и |
- |
до 4 |
1,0 |
- |
|
пучками |
2 |
5-6 |
0,85 |
- |
|
|
3-9 |
7-9 |
0,75 |
- |
|
|
10-11 |
10-11 |
0,7 |
- |
|
|
12-14 |
12-14 |
0,65 |
- |
|
|
15-18 |
5-18 |
0,6 |
- |
|
Однослойно |
2-4 |
2-4 |
- |
0,67 |
|
|
5 |
5 |
- |
0,6 |
При выборе снижающих коэффициентов контрольные и резервные провода и кабели не учитываются.
Таблица 4.4 - Коэффициенты защиты сетей
|
Наименование |
Коэффициенты защиты Кз для сетей, |
|||
|
требующих, обязательной защиты от перегрузки |
не требующих защиты от перегрузки |
|||
|
провода с резиновой и аналогичной по тепловым характеристикам изоляцией |
кабели с бумажной изоляцией |
|||
|
взрыво- и пожароопасные помещения, жилые, торговые помещения и т.п. |
невзрыво- и непожароопасные производственные помещения промышленных предприятий |
|||
|
Номинальный ток плавкой вставки предохранителей |
1,25 |
1,0 |
1,0 |
0,33 |
|
Ток уставки автоматического выключателя, имеющего только максимальный мгновенного действия расцепитель |
1,25 |
1,0 |
1,0 |
0,22 |
|
Номинальный ток расцепителя автоматического выключателя с нерегулируемой обратнозависимой от тока характеристикой |
1,0 |
1,0 |
1,0 |
1,0 |
|
Ток трогания автоматического выключателя с регулируемой от тока характеристикой |
1,0 |
1,0 |
0,80 |
0,66 |
3) Выбор сетей по потере напряжения.
Согласно ПУЭ сети выбранные из условия длительного протекания и защиты проверяются по потере напряжения.
4.5 Потеря напряжения и падение напряжения
Чтобы объяснить понятия потеря и падене напряжения рассмотрим векторную диаграмму сети переменного тока, обладающую активным и индуктивным сопротивлениями.
Линия с индуктивной нагрузкой на конце линии, рисунок 4.1.
Вектор 0а – это вектор
напряжения
на конце
линии. Под углом 2 к
нему проведен вектор тока нагрузки
, в линии.
Падение напряжения в
линии определяется треугольником падения напряжения
. Вектор
совпадает по фазе с вектором
тока и показывает падение напряжения на активном сопротивлении
линии. Вектор
показывает падение напряжения на индуктивном сопротивлении линии.
Вектор
показывает
падение напряжения в линии и представляет геометрическую разность
между напряжениями в начале и конце линии
. (4.12)
Отрезок
- алгебраическая разность
напряжений в начале и конце линии, без учета отрезка
, и называется продольной
составляющей падения напряжения.
Поскольку в сетях до 35
кВ углы между
и
малы, продольная
составляющая принимается равной падению напряжения, которая и
учитывается при выборе сечений проводов.
Продольную составляющую
падения напряжения или величину потери напряжения
представим через отрезки
, (4.13)
где ![]()

Рисунок 4.1 – Векторная диаграмма линии с нагрузкой на конце линии
Откуда получим
(4.14)
Линейная потеря напряжения определится через соотношения между фазными и линейными величинами
(4.15)
Перейдем к выражению потери напряжения через мощности нагрузки
(4.16)
У электроприемников за
U принимается номинальное напряжение
![]()
Рассмотрим линию с
двумя индуктивными нагрузками
на рисунке 4.2. Расчетный ток
на первом участке сети определяется как геометрическая сумма
нагрузочных токов
. Вектор
I1 определяет общий сдвиг фаз.
Напряжение в конце первого участка UФ1, второго UФ2. Треугольники падений напряжений
строят на каждом участке, в конце первого и в конце второго. Общая
потеря напряжений равна сумме потерь напряжений в обоих участках и
можно записать
(4.17)
Для любого числа нагрузок получается
(4.18)
Если расчет вести по
токам нагрузки приемников
, то
(4.19)
Рисунок 4.2 - Векторная
диаграмма линии с думя нагрузками
В процентах это составит
(4.20)
Согласно ПУЭ отклонение напряжения для силовых сетей должно быть не более 5%. Для сетей электрического освещения допускаемое отклонение составляет 2,5%.
Минимальные сечения проводов по условиям механической прочности принимаются:
для силовых сетей с алюминиевыми жилами не менее 2,5 мм2,
для освещения с алюминиевыми жилами не менее 2,0 мм2;
для медных жил не менее 1,5 мм2.
4.6 Конструкции ТП
Электроустановка, состоящая из трансформаторов или других преобразователей, распределительных устройств напряжением до 1 кВ и выше, служащая для преобразования и распределения электроэнергии называется подстанцией. В зависимости от положения в энергосистеме бывают районные, подстанции промышленных предприятий, тяговые, подстанции городских сетей и другие.
Подстанции промышленных предприятий: заводские как ГПП, ПС ГВ и цеховые.
Цеховые подстанции выполняются встроенными, пристроенными и отдельно стоящими. Они должны занимать минимум полезной производственной площади, удовлетворять требованиям электрической и пожарной безопасности и не создавать помех производству.
Встроенные подстанции сооружаются непосредственно в цехе или размещаемыми в отдельных помещениях. Если среда чистая неагрессивная ТП располагают непосредственно в цехе, если агрессивная в отдельном помещении.
Отдельно стоящие ТП применяются для питания нескольких цехов, находящихся в разных помещениях и сооружение самостоятельных подстанций нецелесообразно. Если в цехе есть взрывоопасные производства и если ТП невозможно разместить в цехе по соображениям производственного характера.
Подстанции по комплектации оборудованием бывают комплектными (КТП) и индивидуальной комплектации, предпочтение следует отдавать комплектным.
Цеховые трансформаторные подстанции должны располагаться как можно ближе к центру нагрузок.
Однотрансформаторные подстанции применяются для потребителей третьей категории по надежности электроснабжения.
Двухтрансформаторные подстанции применяются для потребителей первой и второй категории, а также при наличии неравномерного суточного или годового графика.
Трансформаторы, которыми комплектуются ТП бываю сухие и маслянные. Для подстанций сооружаемых внутри помещений рекомендуется применять сухие трансформаторы. Мощность трансформаторов цеховых подстанций составляет 250-2500 кВА.
КТП внутренней установки выполняют на напряжение 6-10/0,4 кВ. Они состоят из трех основых элементов: вводного устройства высокого напряжения, силового трансформатора и распределительного устройства низкого напряжения 0,4 кВ.
Вводное устройство выполняется в виде шкафа с клеммным вводом, с выключателем нагрузки с предохранителем и без предохранителя.
Распределительное устройство состоит из шкафов с аппаратами защиты, ошиновкой и проводами. Пример КТП на рисунке 4.3.

Рисунок 4.3 – Общий вид КТП и план
В КТП применяются трехфазные двухобмоточные силовые трансформаторы типов:
для КТП-250,400~ ТМФ;
для КТП-630, 1000, 1600 - ТМФ, ТСЗГЛ с «Геафоль» изоляцией, ТСЗ, ТСЗН;
для КТП-2500 - ТМЗ; ТСЗГЛ.
Распределительное устройство низкого напряжения (РУНН) состоит из набора шкафов:
шкафа ввода низшего напряжения ШНВ;
шкафов отходящих линий ШНЛ;
шкафа секционного ШНС только в двухтрансформаторных КТП;
шинопровода - только в двухрядных двухтрансформаторных КТП;
внешнего шкафа сигнализации (по заказу).
РУНН выпускается транспортными блоками длинной не более 4 м. Шкафы РУНН представляют собой металлический каркас, закрытый с боков и сверху металлическими съемными листами. В КТП применяются два вида конструкции каркасов: сборная (каркас собран из специальных стоек) и сварная (каркас сварен из металлических стоек, швеллеров и уголков).
Внутри каркаса шкафа закреплены выключатели, шины, аппаратура, приборы и механизм вторичной коммутации. Оперативное обслуживание шкафов производится с фасада, доступ к ошиновке и кабельным присоединениям осуществляется с задней стороны шкафа. Для удобства обслуживания и монтажа предусмотрены двери, запираемые на замки.
Конструкция шкафов РУНН со стационарными выключателями обеспечивает оперирование приводами выключателей при закрытых дверях и невозможность открывания дверей без применения инструмента. В шкафах РУНН установлены автоматические выключатели: на вводе и секционировании - выдвижного исполнения; на отходящих линиях - стационарного или выдвижного исполнения.
Релейная аппаратура размещена в верхних отсеках шкафов; в КТП-1600, КТП-2500 - в релейном шкафу.
Шкафы ШНВ обеспечивают возможность подключения магистральных шинопроводов (ШМА-16) без дополнительных стыковочных узлов. В шкафах РУНН обеспеченна возможность подключения алюминиевых кабелей с сухой разделкой, в количестве, обеспечивающем отвод номинального тока каждого выключателя.
Для учета электрической энергии в КТП установлены счетчики активной и реактивной (по заказу) энергии. Счетчики размещены в шкафу учета (размещенном на стенке ШНВ) или в приборном отсеке шкафа ШНЛ, в зависимости от заказанной компоновки КТП. При необходимости поставляется шкаф учета с обогревом.
В двухтрансформаторных КТП предусмотрен автоматический ввод резерва (АВР), обеспечивающий отключение выключателя ввода НН и включение секционного выключателя при исчезновении напряжения на вводе или при исчезновении напряжения в одной из фаз (т.е. при возникновении несимметричного режима), в зависимости от исполнения схемы. Кроме того, АВР предусматривается при отключении выключателя одного из вводов по какой-либо причине (отключение встроенными в выключатель защитами, при ошибочной работе автоматики и т.д.). По заказу выполняется схема с защитой от перегрузки.
Трансформаторы сухие силовые типа ТСН и ТСЗН с обмотками, изготовленными из проводов с изоляцией «Номекс» класса нагревостойкости Н (80oС), используются во многих отраслях народного хозяйства. Трансформаторы предназначены для преобразования электрической энергии в электросетях трехфазного переменного тока частотой 50Гц и устанавливаются в промышленных помещениях и общественных зданиях, к которым предъявляются повышенные требования в части пожаробезопасности, взрывозащищенности, экологической чистоты.
Трансформаторы соответствуют стандартам МЭК - 76, производство сертифицировано по ИСО 9001.
Технические характеристики трансформаторов.
Силовые трансформаторы типа ТСН и ТСЗН изготавливаются мощностью от 25 до 2500кВА с номинальным напряжением первичной обмотки (высокого напряжения) до 10 кВ включительно и вторичной обмотки (низкого напряжения) - 0,4кВ.
Условия эксплуатации
Температура окружающего воздуха: от -5 oС до +40 oС
Относительная влажность воздуха - не более 98% при температуре +25 oС
Высота установки над уровнем моря - не более 1000 м
Окружающая среда - невзрывоопасная, не содержащая токопроводящей пыли
4.7 Выбор силовых трансформаторов
На цеховых подстанциях применяются трансформаторы мощностью 630 и 1000 кВА.
При малой плотности нагрузки следует выбирать мощность 400 и 630 кВА, на мелких средних предприятиях.
При большой удельной плотности (более 0,2 кВА м2)следует выбирать трансформаторы 1600 кВА, при очень концентрированной нагрузке следует выбирать 2500 кВА.
Для электроприемников первой категории выбираются по два трансформатора на ТП с АВР на секционном выключателе, для второй – два трансформатора с секционнымм выключателем без АВР, для третьей – один трансформатор. Из соображений технического обслуживания в дальнейшем и экономически выгодного по затратам предпочтение следует отдавать вариантам электроснабжения с одной маркой и мощностью трансформаторов.
Выбор числа трансформаторов. Число трансформаторов для всей нагрузки 0,4 кВ рекомендуется определять с учетом их загрузки
(4.21)
где РР0,4 - расчетная мощность всей нагрузки из таблицы нагрузок,
Т=0,7 – оптимальный коэффициент загрузки трансформатора,
- добавка до ближайшего целого числа.
Экономически оптимальное число трансформаторов
(4.22)
где m –
дополнительное число, дающее целое число трансформаторов,
определяется по кривым
, рисунок 4.4.
а) б)
Рисунок 4.4 – Зона для определения дополнительного числа траснформаторов - а) Т=0,70,8 б) Т=0,91,0
С учетом распределения нагрузки по цеховым подстанциям, компенсации реактивной мощности, число и мощность трансформаторов корректируется.
Выбранные трансформаторы проверяются по фактической загрузке
(4.23)
Допускается загрузка: для первой категории 0,67-0,7; для второй до 0,83; для третьей до 0,9.
5 ЭЛЕКТРИЧЕСКИЕ СЕТИ ВЫШЕ 1 КВ
5.1 Констуктивное исполнение сетей
Воздушные линии выполняемые неизолированными проводами применяются для схем внутреннего и внешнего электроснабжения.
Линии 6-10 кВ выполняют на деревянных, ж/б и комбинированных опорах. У комбинированных опор основная часть деревянная, а приставка ж/б. Линии 35-220 кВ монтируются на ж/б и металлических опорах, 500 кВ на металлических.
Опоры по конструкции и назначению бывают промежуточные не несущие механическую нагрузку от проводов и натяжения. Анкерные усиленные опоры, рассчитанные на механические нагрузки, концевые, угловые, ответвительные. Линии прокладываемые на опорах делятся на одноцепные и двухцепные.
Кабельные линии обычно прокладываются в местах, где строительство ВЛ затруднено. По сравнению с ВЛ кабели защищены от атмосферного воздействия среды, надежны и удобны в эксплуатации. Но прокладка КЛ дороже, особенно если необходимы кабельные сооружения. Способы прокладки кабелей разделяются на надземные и подземные – в кабельных траншеях, кабельных каналах, туннелях, блоках, коллекторах, по стенам сооружений, по кабельным конструкциям – в коробах, лотках, тросах, на эстакадах, кабельных полуэтажах.
Из подземных способов самый распространенный и недорогой прокладка в траншеях. Рассмотрим условия прокладки. Нормальная глубина заложения кабеля 0,7 метра, расстояние между кабелями напряжением до 10 кВ не менее 100 мм (100-200).
Кабельные траншеи выполняют на безопасных расстояниях от фундаментов не менее 0,6 метров, трубопроводов 0,5 метра, от теплопроводов 2 метра. При насыщенном подземном генплане предприятия применяются надземные способы прокладки.
Прокладка в каналах применяется в электротехнических ТП и РУ, электромашиннных помещениях - насосных, компрессорных, машинных залах, в цехах.
При выборе способов прокладки силовых кабельных линий до 35 кВ необходимо руководствоваться следующим:
1) При прокладке кабелей в земле рекомендуется в одной траншее прокладывать не более шести силовых кабелей. При большем количестве кабелей рекомендуется прокладывать их в отдельных траншеях с расстоянием между группами кабелей не менее 0,5 м или в каналах, туннелях, по эстакадам и в галереях.
2) Прокладка кабелей в туннелях, по эстакадам и в галереях рекомендуется при количестве силовых кабелей, идущих в одном направлении более 20.
3) Прокладка кабелей в блоках применяется в условиях большой стесненности по трассе, в местах пересечений с железнодорожными путями и проездами, при вероятности разлива металла и т.п.
4) При выборе способов прокладки кабелей по территориям городов должны учитываться первоначальные капитальные затраты и затраты, связанные с производством эксплуатационно-ремонтных работ, а также удобство и экономичность обслуживания сооружений.
5.2 Выбор напряжений линий
Выполняется на сравнении технико-экономических показателей разных вариантов. Варианты рассматриваются если:
- от источника можно получить энергию при двух и более напряжениях;
- при необходимости расширять производство и увеличивать мощность заводских электростанций;
- необходимо заводские электростанции связать с сетями энергосистемы.
В любом случае следует выбирать варианты с более высоким напряжением, например из 6 и 10 кВ, выбрать 10 кВ, даже если есть небольшие экономические преимущества.
Для крупных и особо крупных предприятий следует выбирать напряжения 110, 220, 330, 500 кВ.
Напряжение 35 кВ рекомендуется для средних предприятий, при отсутствии большого числа в/в двигателей, а также как промежуточное напряжение, на крупных предприятиях. Например применяется для внутризаводского распределения при наличии:
- мощных приемников на 35 кВ (сталеплавильные печи, мощные выпрямительные установки)
- электроприемников значительно удаленных от источников питания,
- подстанций малой и среней мощности 35/0,4 кВ, включенных по схеме глубокого ввода.
Напряжение 20 кВ применять:
- для предпрятий средней мощности, удаленных и не имеющих своих электростанций;
- для электроприемников удаленных от крупных подстанций (карьеры, рудники).
Неоходимо обосновывать применение 20 кВ ТЭР по сравнению с 10 и 35 кВ.
Напряжение 10 кВ для внутризаводского снабжения:
- на предприятиях с мощными двигателями, допускающими подключение к сети 10 кВ;
- на предприятиях небольшой и средней мощности при малом числе двигателей 6 кВ.
Педпочтение следует отдавать напряжению 10 кВ. В настоящее время большей частью выпускаются мощные приводы напряжением 10 кВ.
Применение 6 кВ в основном зависит от наличия двигателей 6 кВ.
5.3 Выбор сечений кабелей
Выполняется по условиям
1) По максимальному току расчетного режима
(5.1)
для двухтрансформаторной
ТП – расчетный ток ![]()
Для в/в приемников это номинальный ток,
где
- расчетный послеаварийный
ток,
- расчетный ток линии,
,
- учитывает количество
одновременно проложенных кабелей ПУЭ таблица 1.3.26.
- коэффициент допустимой
перегрузки кабелей
Таблица 5.1 - Поправочный коэффициент на количество работающих кабелей, лежащих рядом в земле (в трубах или без труб)
-
Расстояние между кабелями в свету, мм
Коэффициент при количестве кабелей
1
2
3
4
5
6
100
200
300
1,00
1,00
1,00
0,90
0,92
0,93
0,85
0,87
0,90
0,80
0,84
0,87
0,78
0,82
0,86
0,75
0,81
0,85
2) Сечения проводников должны быть проверены по экономической плотности тока. Экономически целесообразное сечение S, мм2, определяется из соотношения:
(5.2)
где
- расчетный ток в час максимума
энергосистемы, A;
jЭK - нормированное значение экономической плотности тока, А/мм2, для заданных условий работы, выбираемое по табл. 1.3.36.
Сечение, полученное в результате указанного расчета, округляется до ближайшего стандартного сечения. Расчетный ток принимается для нормального режима работы, т.е. увеличение тока в послеаварийных и ремонтных режимах сети не учитывается.
Таблица 5.2 - Экономическая плотность тока
|
Проводники |
Экономическая плотность тока, А/мм2, при числе часов использования максимума нагрузки в год |
||
|
более 1000 до 3000 |
более 3000 до 5000 |
более 5000 |
|
|
Неизолированные провода и шины: |
|
|
|
|
медные |
2,5 |
2,1 |
1,8 |
|
алюминиевые |
1,3 |
1,1 |
1,0 |
|
Кабели с бумажной и провода с резиновой и поливинилхлоридной изоляцией с жилами: |
|
|
|
|
медными |
3,0 |
2,5 |
2,0 |
|
алюминиевыми |
1,6 |
1,4 |
1,2 |
|
Кабели с резиновой и пластмассовой изоляцией с жилами: |
|
|
|
|
медными |
3,5 |
3,1 |
2,7 |
|
алюминиевыми |
1,9 |
1,7 |
1,6 |
3) Выбор кабеля по термической стойкости, минимальное сечение по условию протекания тока КЗ
(5.3)
где ВК – тепловой импульс тока КЗ, кА2 с
(5.4)
где
- действительное время
отключения кабельной линии, с
- время действия максимальной
токовой защиты, с
- собственное время отключения
выключателя, с
Значение функции СТ приведено в таблице 6.3.
|
Таблица 5.3 - Значения функции СТ |
||
|
Проводник |
Значения функции СТ А с1/2/мм2 |
|
|
Шины |
|
|
|
алюминиевые |
91 |
|
|
медные |
167 |
|
|
Кабель |
при UН, кВ |
|
|
6 |
10 |
|
|
с алюминиевыми сплошными жилами и бумажной изоляцией |
92 |
94 |
|
с алюминиевыми многопроволочными жилами и бумажной изоляцией |
98 |
100 |
|
с медными сплошными жилами и бумажной изоляцией |
140 |
143 |
|
с медными многопроволочными жилами и бумажной изоляции. |
147 |
150 |
|
с алюминиевыми жилами и поливинилхлоридной изоляцией |
75 |
78 |
|
с медными жилами и поливинилхлоридной изоляцией |
114 |
118 |
|
с алюминиевыми жилами и полиэтиленовой изоляцией |
62 |
65 |
|
с медными жилами и полиэтиленовой изоляцией |
94 |
98 |
Значение постоянной времени затухания апериодической составляющей тока - Та определяется по «Руководящим указаниям к расчету токов короткого замыкания».
Расчет ВЛ рассмотрен при изучении дисциплины «Электроэнергетика».
6 КОМПЕНСАЦИЯ РЕАКТИВНОЙ МОЩНОСТИ
6.1 Понятие реактивной мощности
Активная мощность отдаваемая в сеть источником тока определяется
(6.1)
Угол между векторами тока и напряжения определяет степень использования мощности источника тока. Полная мощность связана соотношениями с активной и реактивной
(6.2)
Если снизить реактивную мощность потребляемую приемниками, можно уменьшить установленую мощность трансформаторов и генераторов, увеличить пропускную способность линий, не увеличивая сечения проводников, снизить потери мощности.
Основными приемниками реактивной мощности является двигательная нагрузка, до 65-70%, трансформаторы 20-25%, около 10% ВЛ и другие приемники.
На диаграмме рисунка 7.1 показано как влияет компенсация рективной мощности на увеличение коэффициента мощности.
Коэффициент использования мощности до компенсации с углом 1, с применением компенсирующего устройства увеличился, снизив тем самым, угол сдвига до 2. При этом передаваемая мощностьне изменилась.
В каждый момент времени коэффициент мощности определяется соотношением
(6.3)
Значения наибольших суммарных мощностей сообщаются в энергосистему, для определения экономичеси оптимальной реактивной мощности. Это входная мощность, которая может быть передана энергосистемой в период набольших и наименьших нагрузок QЭ1, QЭ2. Мощность QЭ1 –суммарная мощность предприятия, QЭ2 – регулируемая часть мощности.

Рисунок 6.1 – Диаграмма компенсации реактивной мощности
6.2 Способы компенсации реактивной мощности
Есть способы, требующие и не требующие компенсации.
Мероприятия не требующие специальной компенсации всегда целесообразны и к ним относятся:
- организация и упорядочение технологического процесса;
- использование синхронных двигателей (СД) во все возможных случаях;
- выбор мощности трансформаторов и двигателей с оптимальной нагрузкой;
- ограничение холостого хода приемников асинхронных двигателей (АД) и трансформаторов;
- замена или отключение малозагруженных трансформаторов.
Электрические сети по средствам компенсации условно делятся на сети общего назначеия и и сети со специфическими нагрузками.
6.3 Техничесие средства компенсации реактивной мощности
К основным техническим средствам относятся источники реактивной мощности - конденсаторные батареи, синхронные двигатели, синхронные компенсаторы.
Конденсаторные батареи являются основными средствами компенсации. Они включаются параллельно сети, т.е. поперечного включения. Они просты, имеют малые потери активной мощности, невысокую стоимость. К недостаткам – пожароопасность, наличие остаточного заряда.
Примеры применения конденсаторных установок.
В сетях Западной Сибири применили ИРМ значительной мощности. Использовав стационарные нерегулируемые БСК и регулирумые индуктивости в виде управляемых шунтирующих реакторов (УШР).
В
общих
электроустановках применяются регулируемые установки с секциями по
50 кВАр и 150 кВАр и автоматическим регулированием мощности
конденсаторных батарей.
Синхронные двигатели. Работающие в нагрузочном режиме могут отдавать в сеть реактивную мощность, если работают в режиме форсировки напряжения. При перевозбуждении двигателей ток имеет реактивность и поступая в сеть снижает потребление реактивной мощности из сети.
Совместное применение КУ и СД целесообразно. При этом КУ компенсируют основную часть суточного графика, а СД снижают пики графиков.
Реактивная мощность, генерирумая воздушными и кабельными линиями также должна учитываться при выборе средств компенсации при протяженных линиях. Техническим средствам компенсации реактивной мощности в сетях со специфической нагрузкой относятся фильтрокомпенсирующие устройства (ФКУ), которые выполняют компенсацию реактивной мощности в электрических сетях с повышенным содержанием высших гармоник, предотвращая усиление высших гармоник вследствие возможного резонанса между емкостным характером сопротивления конденсаторных батарей и индуктивным сопротивлением питающей сети;
симметрирующие (СУ) и фильтросимметрирующие устройства (ФСУ), устройства статической и динамической компенсации (СТК)и специальные быстродействующие синхронные компенсаторы (ССК).

Рисунок 6.3 – Компенсация реактивной мощности в схемах ДСП
На рисунке 6.3 схема с источником реактивной мощности в сетях с рекопеременной нагрузкой (ДСП). В этой схеме также применяется нерегулируемая емкость с регулирумой индуктивностью.
6.4 Расчет компенсации до 1 кВ
Метод расчета зависит от величины расчетной мощности нагрузки. Если QМ 700 кВАр, то мощность компенсирующего устройства рассчитывается по выражению
(6.5)
где РМ – маскимальная расчетная активная мощность, кВт
- соответствует требуемому
значению
,
- соответствует расчетному
значению
нагрузки, для
группы приемников.
Если QМ700 кВАр, то суммарная мощность компенсирующего устройства определяется в 2 этапа. Такой расчет выполняется обычно для заводской нагрузки.
На первом этапе выбирается экономически оптимальное число трансформаторов по (5.1) и (5.2). По предварительно выбранному числу трансформаторов определяют наибольшую реактивную мощность, которую они могут передать в сеть до 1 кВ
. (6.6)
Суммарная мощность для данной группы трансформаторов
(6.7)
- суммарная расчетная нагрузка,
кВАр
Если QНК1=QT0, то по первому этапу расчета не требуется установка батарей конденсаторов (БК) и принимается QНК1=0.
В целях оптимального снижения потерь в трансформаторах и в сети 6-10 кВ выполняется выбор дополнительной мощности БК. Дополнительная суммарная мощность для данной группы трансформаторов - QНК2
(6.8)
где - расчетный коэффициент, зависящий от коэффициентов К1 и К2.
Для магистральной схемы с тремя и более ступенями напряжения =К1/30, для двухступенчатой схемы на которой отсутствуют источники реактивной мощности (ИРМ) =К1/60.
Значения К1 принимаются по таблице 6.1, К2 по таблице 6.2. Если окажется, что QНК20, то установки дополнительных компенсирующих устройств не требуется и принимается QНК2=0.
Суммарная расчетная мощность компенсации определяется как сумма
(6.9)
где
суммарные мощности батарей двух
этапов расчета.
Рассчитаная мощность распределяется между трансформаторами пропорционально их реактивным нагрузкам.
Пример.
Определить мощность БК для однотрансформаторной ТП. Исходные данные: работа односменная, район - центральная часть России,
Uн=380В, Рр=800 кВт, Qp=500 кВАр, т=1, L=2,5 км
Решение 1) Мощность трансформатора определится
|
Таблица 6.1- Значения удельного коэффициента К1 |
|||||
|
Объединен ная энергосис тема |
Количество рабочих смен |
Коэффициент К1 |
Объединен ная энергосис тема |
Количество рабочих смен |
Коэффи циент К1 |
|
Центра, Северо-запада, Юга |
1 |
24 |
Сибири |
1 |
15 |
|
2 |
12 |
2 |
15 |
||
|
3 |
11 |
3 |
15 |
||
|
Урала |
1 |
22 |
Средней Азии |
1 |
19 |
|
2 |
14 |
2 |
19 |
||
|
3 |
11 |
3 |
16 |
||
|
Северного Кавказа, Закавказья |
1 |
14 |
Дальнего Востока |
1 |
9 |
|
2 |
13 |
2 |
9 |
||
|
3 |
12 |
3 |
9 |
||
|
Таблица 6.2 – Значения коэффициента К2 |
|||||
|
Мощность трансформатора, кВА |
Коэффициент К2 при длине питающей линии, км |
||||
|
до 0,5 км |
от 0,5 до 1,0 |
от 1,0 до 1,5 |
от 1,5 до 2,0 |
свыше 2,0 |
|
|
400 |
2 |
4 |
7 |
10 |
17 |
|
630 |
2 |
7 |
10 |
15 |
27 |
|
1000 |
2 |
7 |
10 |
15 |
27 |
|
1600 |
3 |
10 |
17 |
23 |
40 |
|
2500 |
5 |
16 |
26 |
36 |
50 |

а) б)
Рисунок 6.4 – Значения коэффициента для радиальной схемы питания трансформаторов, а) – 6 кВ, б) - 10 кВ
(6.10)
![]()
Выбирается трансформатор
мощностью ![]()
2) Реактивная мощность, которую можно передать через трансформатор определяется по (6.6)
![]()
3) Мощность НБК по первому этапу расчета по (6.7)
![]()
Установка низковольтных
БК не требуется, ![]()
4) Определить дополнительную мощность НБК по условию снижения потерь - QНК2 по (6.8).
Принимаются коэффициенты К1=24, К2=27 по таблицам 6.2 и 6.3 и по графикам =0,61
![]()
Для цеха не требуется установка НБК.
6.5 Распределение мощности компенсации в цеховой сети до 1 кВ
Суммарная мощность БК распределяется по ТП пропорционально их реактивной мощности нагрузки. Рассчитанные мощности БК округляют до стандартной мощности комплектной конденсаторной установки.
Если распределительная
сеть выполненена только кабельными линиями, то БК любой мощности
рекомендуется присоединять непосредственно к шинам цеховой ПС. Если
от ТП питаются два и более магистральных шинопровода, то к каждому
из них присоединяется по одной БК. На одиночном магистральном
шинопроводе должно быть не более двух близких по мощности БК, общей
мощностью
. Если
реактивные нагрузки присоединены ко второй половине шинопровода,
рекомендуется установка одной БК. Точка подключения БК определяется
условием
(6.11)
где
- наибольшая реактивная
нагрузка шинопровода перед узлом h и
после него, рисунок 6.5а.

Рисунок 6.5 – Схема подключения БК к магистральным шинопроводам
а) – подключение одной БК, б) – подключение двух БК.
При присоединении двух БК, на рисунке 6.5б, точки подключения находят исходя из условий: точка подключения дальней БК находится
(6.12),
точка подключения ближней БК,
(6.13)
Подключение НБК выполняется под общий или отдельный выключатель.

Рисунок 6.6 – Примеры подключения НБК
6.6 Реактивная мощность генерируемая синхронными двигателями
Синхронные двигатели используются в сетях до и выше 1 кВ. Учет генерируемой мощности выполняется со своими особенностями.
Для синхронных двигателей до 1 кВ номинальная реактивная мощность учитывается в таблице нагрузок значением (РНtgj)со знаком минус.
Для СД выше 1 кВ рассчитывается минимальная генерируемая реактивная мощность и определяется по формуле
(6.14)
где
- номинальная активная мощность
синхронного двигателя, кВт
- коэффициент загрузки по
активной мощности,
- номинальный коэффициент
реактивной мощности.
При выборе средств компенсации в сетях 6-10 кВ в первую очередь должна рассматриваться возможность использования имеющихся синхронных двигателей. Если номинальная активная мощность, соответствует приведенной в таблице 6.3 или выше, то целесообразно использовать полностью располагаемую реактивную мощность СД
(6.15)
где
- коэффициент допустимой
перегрузки СД, зависящий от его загрузки по номинальной мощности,
определяется по монограмме на рисунке 6.7.
Для СД с активной
мощностью меньше приведенной в таблице 6.3, принимается равной
экономически целесообразной
.
|
Таблица 3 - Значения активной мощности СД |
|||||||||
|
Объединенная энергосистема |
Кол-во раба чих смен |
Номинальная активная мощность СД, кВт при частоте вращения, об/мин |
|||||||
|
3000 |
1000 |
750 |
600 |
500 |
375 |
300 |
250 |
||
|
Центра, Северо-Запада, Юга |
1 |
1000 |
1000 |
1600 |
1600 |
1600 |
2000 |
2000 |
2500 |
|
2 |
2500 |
5000 |
6300 |
5000 |
6300 |
- |
- |
- |
|
|
3 |
2500 |
5000 |
6300 |
5000 |
6300 |
- |
- |
- |
|
|
Средней Волги |
1 |
1250 |
1600 |
2000 |
2000 |
2000 |
2500 |
2500 |
3200 |
|
2 |
2000 |
2500 |
3200 |
3200 |
4000 |
- |
- |
- |
|
|
3 |
2500 |
5000 |
6300 |
5000 |
6300 |
- |
- |
- |
|
|
Урала |
1 |
1000 |
1000 |
1600 |
1600 |
1600 |
2000 |
2000 |
2500 |
|
2 |
2000 |
2500 |
3200 |
3200 |
4000 |
- |
- |
- |
|
|
3 |
2500 |
5000 |
6300 |
6300 |
|
- |
- |
- |
|
|
Северного Кавказа, Закавказья |
1 |
2000 |
2500 |
3200 |
3200 |
4000 |
6300 |
6300 |
- |
|
2 |
2000 |
3200 |
4000 |
4000 |
4000 |
6300 |
6300 |
- |
|
|
3 |
2500 |
5000 |
6300 |
5000 |
6300 |
- |
- |
- |
|
|
Сибири |
1 |
2000 |
2500 |
3200 |
3200 |
4000 |
- |
- |
- |
|
2 |
2000 |
2500 |
3200 |
3200 |
4000 |
- |
- |
- |
|
|
3 |
2000 |
2500 |
3200 |
3200 |
4000 |
- |
- |
- |
|
|
Средней Азии |
1 |
1250 |
1600 |
2000 |
2000 |
2500 |
2500 |
3200 |
- |
|
2 |
1250 |
1600 |
2000 |
2000 |
2500 |
2500 |
3200 |
- |
|
|
3 |
1600 |
2000 |
2500 |
3200 |
3200 |
4000 |
- |
- |
|
|
Дальнего Востока |
1 |
5000 |
6300 |
8000 |
10000 |
10000 |
- |
- |
- |
|
2 |
5000 |
6300 |
8000 |
10000 |
10000 |
- |
- |
- |
|
|
3 |
5000 |
6300 |
8000 |
10000 |
10000 |
- |
- |
- |
|
Рисунок 6.7 – Монограмма
располагаемой реактивной мощности СД при номинальном напряжении и
номинальном токе возбуждения
Балланс реактивных мощностей для распределительных сетей предприятий определяется в следующем порядке:
1) для каждой цеховой ТП определяется нескомпенсированная реактивная нагрузка на стороне 6-10 кВ
(6.16)
где QМТ – расчетная реактивная нагрузка трансформатора
QНК.Ф – фактическая мощность НБК,
DQТ – суммарные реактивные потери трансформатора при его загрузке bТ,
2) для каждого распределительного пункта или распределительной подстанции определяется нескомпенсированная реактивная нагрузка, как сумма реактивных мощностей питающихся от них цеховых ТП и других потребителей.
Расчетная реактивная мощность высоковольтных БК определяется из условия балланса реактивной мощности
(6.17)
где
- расчетная сумарная реактивная
мощность на шинах 6-10 кВ распределительных пуктов,
- входная реактивная мощность,
заданная энергосистемой.
Если
, то по согласованию с
энергосистемой устанавливается новое значение входной мощности.
Полученная мощность распределяется между подстанциями,
пропорционально нескомпенсированной нагрузке на шинах 6-10 кВ. К
каждой РП следует подключать ВБК одинаковоймощности общей мощностью
не менее 1000 кВАр. Если общая мощность ВБК меньше, то их следует
устанвливать на питающей подстанции (ГПП).
6.7 Компенсация реактивной мощности в сетях со специфическими нагрузками
К специфическим нагрузкам относятся приемники с нелинейной нагрузкой (нелинейные ВАХ), вентильные преобразователи, нагрузка с резкопеременным графиком, несимметричная нагрузка. Характерная особенность такой нагрузки проявляется в создании несинусоидальности напряжения, значительных отклонениях приводящих к размаху напряжения, несимметрии.
Чисто нелинейные элементы - описываются нелинейными дифференциальными уравнениями. Вопрос о возможности установки компенсирующих устройств рассматривается по специфике нагрузки.
Условие применения для вентильных преобразователей:
(6.18)
Условие применения для других нелинейных нагрузок
(6.19)
где SК – мощность короткого замыкания,
SН.Л – суммарная мощность нелинейной нагрузки.
Если указанные условия выполняются, то КУ выбираются по общей методике.
Для нелинейной нагрузки выбор КУ зависит от несинусоидальности напряжения. При коэффициенте несинусоидальности kНС менее 5% рекомендуются батареи конденсаторов в комплекте с защитным реактором и фильтром. Мощность также определяется из условия баланса реактивной мощности.
Для резкопеременной нагрузки следует выбирать быстродействующиеисточники реактивной мощности (ИРМ), основанные на принципе прямой или косвенной компенсации.
При несимметри напряжения более 2% следует применять симметрирующие и фильтро-симметрирующие устройства.
7 ПОТЕРИ МОЩНОСТИ И ЭЛЕКТРОЭНЕРГИИ
7.1 Потери мощности в трансформаторах
Потери мощности в трансформаторах складываются из потерь активной и реактивной мощности.
Активные потери состоят из потерь, идущих на нагрев обмоток трансфоратора и потерь зависящих от тока нагрузки, потерь на нагрев стали не зависящих от нагрузки.
Потери на нагрев обмоток
(7.1)
где RT – активное сопротивление трансформатора
(7.2)
РМ – активные потери в меди обмотки, кВт
SН – номинальная мощность трансформатора, кВА.
Полные активные потери определяются суммой выше названных потерь
(7.3)
где РСТ – потери в стали, кВт.
При известной нагрузке по паспортным данным можно рассчитать потери
(7.4)
или
![]()
где
- коэффициент загрузки
трансформатора,
РМ.Н – номинальные активные потери в меди.
Реактивные потери - потери, вызванные рассеянием магнитного потока в трансформаторе, зависящие от тока нагрузки и потерь на намагничивание.
Потери вызванные рассеянием магнитного потока
(7.5)
xТ – реактивное сопротивление обмоток трансформатора, равное
(7.6)
UК – напряжение короткого замыкания трансформатора, %
Полные реактивные потери трансформатора, также определяются суммой потерь
(7.7)
где ![]()
(7.8)
- ток холостого тока, %
Полные реактивные потери с учетом каталожных данных трансформатора
(7.9)
или
(7.10)
При передаче реактивной мощности появляются потери активной мощности, определяемые экономическим эквивалентом реактивной мощности kЭК. Приведенные потери активной мощности на холостом ходу с учетом передачи реактивной мощности определяются
(7.11)
Приведенные потери активной мощности при коротком замыкании с учетом передачи реактивной мощности определяются
(8.12)
При наличии на ПС n одинаковых параллельно работающих трансформатров, приведенные активные потери мощности составят
(7.13)
Для практических расчетов потери мощности в трансформаторах рассчитываются по выражениям:
активные потери
, (7.14)
где n – число трансформаторов подстанции,
- паспортные данные
трансформатора,
- коэффициент загрузки
трансформатора,
реактивные потери
, (7.15)
где
- потери в режиме ХХ и режиме
КЗ.
Значения потерь учитываются при определении мощности нагрузки на высоком напряжении трансформатора.
7.2 Потери электроэнергии в в трансформаторах
Потери
активной электроэнергии в меди можно определить по потерям мощности
в меди РМ, максимальной
нагрузке SP и времени потерь
.
Время потерь определяется
по кривым рисунок 7.1, где
приниматся неизменным за
определенное время (сутки, год).
(8.14)
Потери активной электроэнерги в стали определяются потерями мощности на холостом ходу и продолжительностью включения трансформатора
(7.15)
где РСТ=РХХ
Суммарные активные потери электроэнергии
(7.16)
Суммарные реактивные потери электроэнергии определяются по реактивным потерям мощности с учетом времени потерь и времени включения трансформатора
(7.17)
или
(7.18)

Рисунок 7.1 - График определения времени потерь
7.3 Потери мощности и электроэнергии в реакторах
Потери мощности в реакторе определяются величиной потерь активной мощности в реакторах
(7.19)
где
- номинальные потери активной
мощности одной фазы в реакторе
- коэффициент загрузки реактора
по току.
Потери реактивной мощности в реакторе
(7.20)
где
- номинальные потери реактивной
мощности одной фазы в реакторе
Потери энергии на фазу активной и реактивной мощностей
(7.21)
(7.22)
7.4 Потери мощности и электроэнергии в воздушных
и кабельных линиях
Потери мощности и
электроэнергии в линиях определяются по среднеквадратичному току
для любого числа электроприемников с длительным режимом и для
повторно-краковременного режима с числом приемников более 20, с
коэффициентом формы ![]()
(7.23)
(7.24)
Среднеквадратичный ток – эквивалентный ток, который проходя по линии за время ТВ, вызывает те же потери мощности и электроэнергии, что и действительный изменяющийся за то же время, ток. Среднеквадратичный ток определяется по среднему току и коэффициенту формы графика нагрузки.
(7.25)
где средний ток
(7.26)
где W – расход активной электроэнергии за время ТВ,
- средневзвешенный коэффициент
мощности.
Потери реактивной мощности и реактивной энергии.
(7.27)
(7.28)
Зная расход электроэнергии за определенное время, а также максимальную мощность нагрузки, можно найти время ТМАКС. Время в течении которого линия могла бы передать эту электроэнергию с максимальной нагрузкой.
(7.29)
ТМАКС – время использования максимума нагрузки определяется характером производства и сменностью работы. В среднем для осветительной нагрузки оно составляет 1500-2000 часов, для односменных предприятий – (1800-2500), для 2-х сменных – (3500-4500), для 3-х сменных – (5000-7000).
Также можно определить максимальный ток за определенный промежуток времени
(7.30)
Потери энергии можно определить через время потерь
(7.31)
(7.32)
Через потери энергии можно определить потери мощности
(7.33)
(7.34)
7.5 Потери в линиях
Потери активной мощности в трехфазной линии
, (7.35)
потери реактивной мощности
(7.36)
где - IМ – расчетный ток нагрузки,
R и Х – активное и реактивное сопротивление линии,
РМ – расчетная активная мощность,
QM – расчетная реактивная мощность
Потери энергии в линии зависят от cos и числа часов использования максимума нагрузки, активные потери равны
(7.37)
реактивные потери равны
(7.37)
где - время потерь определяется по рисунку 7.1.
7.6 Пути снижения потерь электроэнергии
1) Рациональный выбор числа и мощности трансформаторов
2) Исключение режима ХХ при малых загрузках
3) Количество одновременно работающих трансформаторов выбирается из условия минимума потерь
4) Снижение потерь в линиях снижением сопротивления (параллельное включение)
5) Повышение уровня напряжения
6) При выборе схемы электроснабжения принимать вариант без реактора или с минимальными потерями в реакторе
7) Формирование более равномерного графика нагрузки. Это позволит снизить суммарный максимум нагрузки при неизменяемой установленной мощности и обеспечить питание большего числа потребителей
8) Снижение активного сопротивления шинопроводов, что достигается соответствующим расположением шин и конфигурацией шинного пакета (2-4 полосы на фазу)
9) Экономное и рациональное использование расходование электроэнергии, чему способствует чистота световых проемов, чистка светильников, побелка помещений, правильное размещение осветительных приборов, своевременное включение и отключение светильников, применение энергосберегающих ламп.
8 ТЕХНИКО-ЭКОНОМИЧЕСКИЕ РАСЧЕТЫ
В ЭЛЕКТРОСНАБЖЕНИИ
8.1 Выбор рациональной схемы электроснабжения
Выбор рациональной схемы электроснабжения выполняется на основании технико-экономичесих расчетов (ТЭР).
Методика расчета рассмотрена в курсе «Элетроэнергетика». В данном курсе приведены общие положения для выбора схемы электроснабжения отдельного предприятия на основе ТЭР. Составляются варианты системы электроснабжения.
1) Если составлена и принята единая схема распределительной сети 6(10) кВ, варианты сравнения могут быть сведены к выбору трансформаторов ГПП, с разным коэффициентом загрузки. Это возможно в случае, когда распределительные постанции устраиваются в цехах с высоковольтными приемниками.
2) Если составлена и принята схема распределительной сети 6(10) кВ, варианты сравнения могут быть сведены к выбору двухобмоточных или трехобмоточных трансформаторов ГПП.
3) Схема распределительной сети может имееть разную структкру : например – а) одно РП, если нет в/в двигателей, остальные ТП питаются от ГПП
б) все ТП разделены на два РП по питанию и конструктивная часть ГПП упрощается
4) Схема ГПП с реакторами или без них
5) При наличии специфической нагрузки – дуговых печей или силовых преобразователей, есть необходимость раздельного питания спокойной и ударной нагрузки.
Для технико-экономических расчетов вариантов СЭ должны выбираться равноценные технические варианты. Примеры для сравнения на рисунках 8.1 – 8.3

Рисунок 8.1
8.2 Методика технико-экономических расчетов
Должны соблюдаться следующие условия сопоставимости:
1) технические, при которых могут сравниваться только взаимозаменяемые варианты при оптимальных режимах работы и оптимальных парметрах;
2) экономические, при которых расчет ведется применительно к одинаковому уровню цен и одинаковой достижимости принятых уровней развития техники, с учетом одних и тех же экономических показателей;

Рисунок 8.2

Рисунок 8.3
При ТЭР можно пользоваться укрупненными показателями стоимости (УПС) элементов электроснабжения, например – 1км линии, один трансформатор и т.д. В УПС включены не все виды расходов, поэтому они не принимаются для определения реальной стоимости объекта.
Данные для ТЭР следует брать из одного или равноценных справочных материалов. После приведения к одному и тому же сопоставимому виду определяются приведенные затраты.
Для вновь проектируемых систем электроснабжения минимальные приведенные затраты определяются
(8.1)
где К- капиталовложения на сооружение, тыс. тг., определяются по укрупненным показателям стоимости элементов схемы
Н=0,125 - нормативный коэффициент экономической эффективности;
И – годовые эксплуатационные издержки, тыс. тенге/год;
У- ущерб от недоотпуска электроэнергии, на стадии проект можно не учитывать.
Годовые эксплуатационные издержки определяются
(8.2)
где а=5 %, норма амортизационных отчислений;
0=9,4% - для ОРУ-110 кВ и ниже – норма отчислений на обслуживание;
СА – стоимость отчислений на амортизацию,
СП – стоимость потерь электроэнергии.
Эжегодные эксплуатационные расходы складываются из затрат:
1) на потери электроэнергии
2) на содержание обслуживающего персонала и текущий ремонт;
3) на амортизацию;
4) вспомогательные расходы
В свою очередь
амортизационные годовые отчисления складываются из отчислений на
реновацию и капитальный ремонт
.
Реновация – полное восстановление основных фондов за естественный срок службы.
Капитальные затраты рассчитываются после выбора трансформаторов ГПП.
8.3 Основные технико-экономические показатели
По приведенным затратам выбирается наиболее целесообразный вариант на основе анализа технических и экономических показателей.
Технические показатели: надежность, удобство эксплуатации, долговременность сооружения, объем текущих и капитальных ремонтов, степень автоматизации и т.д.
Экономические показатели: капитальные вложения, ежегодные эксплуатационные расходы.
Основной метод оценки экономичности - метод срока окупаемости.
Если по стоимостным показателям варианты равноценны, предпочтение отдают варианту с лучшими техническими показателями.
Срок окупаемости определяется
, (8.3)
нормативный срок должен быть не более ТН=8 лет.
Величина обратная сроку окупаемости называется коэффициентом
сравнительной экономической эффективности ![]()
Нормативный коэффициент в электроэнергетике принят ![]()
Метод срока окупаемости имеет недостатки:
- значительный объем расчетов при оличестве вариантов более двух;
- искаженное представление об относительной экономической эффективности.
шағым қалдыра аласыз














