Күні: 26.11.2013
Сыныбы: 8
Пәні: физика
|
Сабақтың аты |
§24 Бу және газ турбиналары |
|
Сілтеме |
Жоспар |
|
Жалпы мақсаты |
|
|
Күтілетін нәтиже |
|
|
Негізгі идеялар |
Бу немесе газ турбиналары:
Бу қондырғысының сұлбасы:
Ақпалы газдың реактивтік тартылысын пайдаланатын газдың тартылысын пайдаланатын жылу двигательдері реактивті деп атайды. Реактивтік двигательдер: сұйықтық және қатты отынды двигательдер деп бөлінеді. Суретте СРД құрылысы көрсетілген:
|
|
Тапсырмалар |
Топтық жұмыс |
|
Тапсырмалар |
Топтық жұмыс |
|
Тапсырмалар |
Жеке жұмыс «Блум таксономиясы» |
Сабақ бойынша мұғалімнің жазбалары: (мұғалім және оқушы немен айналысады)
І.Ұйымдастыру (2 минут)
-
Сәлемдесу
-
Сынып оқушыларына жағымды ахуал туғызу
-
Түгелдеу
1.2. Топқа бөлу (1,2,3 сандары арқылы 3 топқа бөлінеді)
ІІ. Үй тапсырмасын сұрау (5 минут)
-
Жылу қозғалтқыштары деген не?
-
Кез келген жылу қозғалтқышының негізгі бөліктерін ата?
-
Барлық жылу қозғалтқыштарының жұмыс істеу принципі қандай?
ІІІ. Талқылау үшін сұрақтар беріледі (2 минут)
-
Бу турбинасының құрылысы мен жұмыс істеу принципі туралы айтып бер.
-
Бу турбинасының артықшылығы неде?
-
Реактивті двигательдер дегеніміз не?
-
Оның қандай түрлері бар?
ІҮ. Топтық жұмыс «Джигсо» (15 минут)
Сіздің тобыңызда 5 рөлді: лидер, баяндамашы, хатшы, уақыт сақшысы және бақылаушыларды анықтаңыз. Жұмыс төмендегідей жоспармен жүреді:
Берілген мәтінді оқып, топпен бірлесе отырып, талқылайды және әр топтың бақылаушысы жасаған жұмыстарға сәйкес бақылау парағын жүргізеді.
Бақылаушының бағалау парағы
|
№ |
Бағалау өлшемдері |
Көш басшы |
Хатшы |
Баяндамашы |
Уақыт сақшысы |
|
1 |
Тақырыптың ашылуына үлес қосу |
|
|
|
|
|
2 |
Міндетін атқару |
|
|
|
|
|
3 |
Топтық жұмысқа атсалысуы |
|
|
|
|
|
|
|
|
|
|
|
Әр оқушы өзіне жүктелген рөлдің міндеттерін атқарады.
Топ пікірлерін тыңдау.
Ү. Топтық жұмыс (5 минут) (Суретті түсіндіру)

Жасаған жұмыстарын бағалаудың мақсатына сәйкестендіру
VІ. Жеке жұмыс «Блум таксономиясы» (13 минут)
|
1 |
Білу |
Бу және газ турбиналары дегеніміз не? |
|
|
2 |
Түсіну |
Бу және газ турбиналарының құрлысын ата? |
|
|
3 |
Қолдану |
Бу және газ турбиналары ның жұмыс істеу принциптерін түсіндір? |
|
|
4 |
Талдау |
Бу және газ турбиналары және жылу электр станцияларының жұмысын салыстыр? |
|
|
5 |
Жинақтау |
Бу және газ турбиналарына мысал келтір? |
|
|
6 |
Бағалау |
Бу және газ турбиналарының біз үшін маңызы қаншалықты? |
|
Жасаған жұмыстарын 2 жұлдыз, 1 ұсыныспен бағалау.
ҮІ. Кері байланыс (не үйрендім, не қиын болды, сұрақ.) (3 минут)
|
Кейінгі тапсырмалар |
Шағын эссе жазу |
|
Кейінгі оқу |
§24 Бу және газ турбиналары |
жүктеу мүмкіндігіне ие боласыз
Бұл материал сайт қолданушысы жариялаған. Материалдың ішінде жазылған барлық ақпаратқа жауапкершілікті жариялаған қолданушы жауап береді. Ұстаз тілегі тек ақпаратты таратуға қолдау көрсетеді. Егер материал сіздің авторлық құқығыңызды бұзған болса немесе басқа да себептермен сайттан өшіру керек деп ойласаңыз осында жазыңыз
"Бу және газ турбиналары" 7-сынып
"Бу және газ турбиналары" 7-сынып
Күні: 26.11.2013
Сыныбы: 8
Пәні: физика
|
Сабақтың аты |
§24 Бу және газ турбиналары |
|
Сілтеме |
Жоспар |
|
Жалпы мақсаты |
|
|
Күтілетін нәтиже |
|
|
Негізгі идеялар |
Бу немесе газ турбиналары:
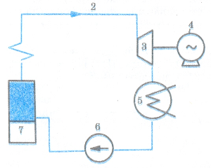
Бу қондырғысының сұлбасы:
Ақпалы газдың реактивтік тартылысын пайдаланатын газдың тартылысын пайдаланатын жылу двигательдері реактивті деп атайды. Реактивтік двигательдер: сұйықтық және қатты отынды двигательдер деп бөлінеді. Суретте СРД құрылысы көрсетілген:
|
|
Тапсырмалар |
Топтық жұмыс |
|
Тапсырмалар |
Топтық жұмыс |
|
Тапсырмалар |
Жеке жұмыс «Блум таксономиясы» |
Сабақ бойынша мұғалімнің жазбалары: (мұғалім және оқушы немен айналысады)
І.Ұйымдастыру (2 минут)
-
Сәлемдесу
-
Сынып оқушыларына жағымды ахуал туғызу
-
Түгелдеу
1.2. Топқа бөлу (1,2,3 сандары арқылы 3 топқа бөлінеді)
ІІ. Үй тапсырмасын сұрау (5 минут)
-
Жылу қозғалтқыштары деген не?
-
Кез келген жылу қозғалтқышының негізгі бөліктерін ата?
-
Барлық жылу қозғалтқыштарының жұмыс істеу принципі қандай?
ІІІ. Талқылау үшін сұрақтар беріледі (2 минут)
-
Бу турбинасының құрылысы мен жұмыс істеу принципі туралы айтып бер.
-
Бу турбинасының артықшылығы неде?
-
Реактивті двигательдер дегеніміз не?
-
Оның қандай түрлері бар?
ІҮ. Топтық жұмыс «Джигсо» (15 минут)
Сіздің тобыңызда 5 рөлді: лидер, баяндамашы, хатшы, уақыт сақшысы және бақылаушыларды анықтаңыз. Жұмыс төмендегідей жоспармен жүреді:
Берілген мәтінді оқып, топпен бірлесе отырып, талқылайды және әр топтың бақылаушысы жасаған жұмыстарға сәйкес бақылау парағын жүргізеді.
Бақылаушының бағалау парағы
|
№ |
Бағалау өлшемдері |
Көш басшы |
Хатшы |
Баяндамашы |
Уақыт сақшысы |
|
1 |
Тақырыптың ашылуына үлес қосу |
|
|
|
|
|
2 |
Міндетін атқару |
|
|
|
|
|
3 |
Топтық жұмысқа атсалысуы |
|
|
|
|
|
|
|
|
|
|
|
Әр оқушы өзіне жүктелген рөлдің міндеттерін атқарады.
Топ пікірлерін тыңдау.
Ү. Топтық жұмыс (5 минут) (Суретті түсіндіру)

Жасаған жұмыстарын бағалаудың мақсатына сәйкестендіру
VІ. Жеке жұмыс «Блум таксономиясы» (13 минут)
|
1 |
Білу |
Бу және газ турбиналары дегеніміз не? |
|
|
2 |
Түсіну |
Бу және газ турбиналарының құрлысын ата? |
|
|
3 |
Қолдану |
Бу және газ турбиналары ның жұмыс істеу принциптерін түсіндір? |
|
|
4 |
Талдау |
Бу және газ турбиналары және жылу электр станцияларының жұмысын салыстыр? |
|
|
5 |
Жинақтау |
Бу және газ турбиналарына мысал келтір? |
|
|
6 |
Бағалау |
Бу және газ турбиналарының біз үшін маңызы қаншалықты? |
|
Жасаған жұмыстарын 2 жұлдыз, 1 ұсыныспен бағалау.
ҮІ. Кері байланыс (не үйрендім, не қиын болды, сұрақ.) (3 минут)
|
Кейінгі тапсырмалар |
Шағын эссе жазу |
|
Кейінгі оқу |
§24 Бу және газ турбиналары |
шағым қалдыра аласыз


ану камерасы;












