М.ТЫНЫШПАЕВ АТЫНДАҒЫ ҚАЗАҚ КӨЛІК ЖӘНЕ КОММУНИКАЦИЯЛАР АКАДЕМИЯСЫНЫҢ
ШЫМКЕНТ КӨЛІК КОЛЛЕДЖІ
«Автоматика, радиоэлектроника, тасымалдауды ұйымдастыру және жол шаруашылығы» бірлестігі
Даниярова А.М
КМ09 «Электрлік тізбектерінде болатын процесстердің физикалық мәні»
пәнінен дәріс
Мамандық: 10410200–Темір жол көлігінде тасымалдауды ұйымдастыру және қозғалысты басқару
Біліктілік: 3W10410201 4-ші және 5-ші кластардың темір жол стансасының кезекшісі
4S10410205 Тасымалдауды ұйымдастырушы технигі
ШЫМКЕНТ 2023 жыл
Үш фазалы тізбектің белсенді, реактивті жəне толық қуаттылықтары
Үш фазалы жүйелер қазіргі уақытта кеңінен таралған. Үш фазалы тоқта барлық ірі электр станциялары мен тұтынушылар жұмыс істейді. Ол үш фазалы тізбектердің бір фазалылар алдындағы бір қатар артықшылықтарына байланысты, олардың арасындағы маңыздылары:
Электр энергиясын үлкен қашықтықтарға берудің үнемділігі;
Жылжымайтын орамдар арқылы синхронды жəне асинхронды қозғалтқыштар, сондай-ақ, бірқатар басқа электротехникалық құрылғылар жұмысы негізделетін айналмалы магниттік өрісті алу мүмкіндігі;
Симметриялы үш фазалы жүйелердің біркелкілігі.
Ең сенімді жəне үнемді, өнеркəсіптік электрлі жетек талаптарын қанағаттандыратын - қысқа тұйықталған роторы бар асинхронды қозғалтқыш. Үш фазалы тізбектерді əзірлеу дамып келе жатқан өндіріс талаптарымен негізделді, ал көп фазалы жүйелер дамуының табысына физикада электрлі жəне магниттік құбылыстардың ашылуы септігін тигізді.
XIX ғасырдың 80 жылдары екі маңызды ғылыми-техникалық міндетті шешу қажет болды: энергияны алыс қашықтықтарға берудің үнемділігі жəне өнеркəсіптік өндіріс талаптарын қанағаттандыратын сенімді электрлі қозғалтқыш жасау. Көп фазалы жүйелер жасаудың маңызды алғышарты 1888 ж. айналмалы магниттік өріс құбылысын ашу болды. Бірінші электрлі қозғалтқыштар екі фазалы болды. Олардың жұмыс сипаттамалары нашар болған. Ең оңтайлы үш фазалық жүйе болды. Үш фазалы жүйелерді əзірлеуге əр түрлі елдердің ғалымдары мен инженерлері үлес қосты: Н. Тесла, М. Депре, Ч. Бредли, М. О. Доливо- Добровольский. Ең үлкен еңбекті атақты орыс электротехнигі М.О.Доливо-Добровольский сіңірді, ол еңбегіне тəжірибелік сипат беріп, үш фазалы асинхронды қозғалтқыштар, трансформаторлар жасады. Төрт сымды, үш сымды тізбекті əзірледі жəне үш фазалы жүйелердің негізін қалаушы болып есептеледі. Үш фазалы электр тізбектері көп фазалы тізбектердің жеке жағдайы болып табылады. Электр тізбектерінің көп фазалы жүйесі əрбіреуінде ортақ энергия көзімен тудырылатын жəне бір біріне қатысты фаза бойынша бір бұрышқа жылжытылған бір жиілікті
синусоидты ЭҚК əрекет ететін бір фазалық электр тізбектерінің жиынтығы болып табылады. "Фаза" терминін мерзімді үдеріс кезеңін сипаттайтын бұрышты белгілеу, сонымен қатар, көп фазалы тізбекке кіретін бір фазалы тізбекті белгілеу үшін қолданады. Әдетте ЭҚК амплитудалық мəндері бірдей, ал фазалар бір біріне қатысты 2π/m бір бұрышқа жылжытылған симметриялы көп фазалы жүйелер қолданылады, мұндағы M— фазалар саны. Электротехникада жиі екі, үш жəне алты фазалы тізбектер пайдаланылады. Солайша, автоматикада жəне электр өлшеуіш техникада екі фазалы тізбектер, электротехникада үш фазалы жүйелер кеңінен таралған. Үш фазалы тізбектер - бір біріне қатысты фаза бойынша 2π/3 бұрышқа жылжытылған, бір жиілікті синусоидты ЭҚК əрекет ететін үш бір фазалы тізбектер жинағы. Электр энергиясын алыс қашықтықтарға үш фазалы тізбектер арқылы беру бір фазалы
тізбектермен берумен салыстырғанда тиімдірек. Одан басқа, үш фазалы синхронды генераторлар мен қозғалтқыштар, үш фазалы асинхронды қозғалтқыштар мен трансформаторлар өндірісте қарапайым, үнемді жəне пайдалануда сенімді. Үш фазалы жүйелерде тоғы бар өткізгіштерге əсері асинхронды жəне синхронды электрі қозғалтқыштар жұмысы қағидасының негізіне салынған айналмалы магниттік өріс алу жеңіл болып табылады. Үш фазалы тізбектегі электр энергиясының көзі бір біріне қатысты құрылымдық тұрғыдан 2π/3 бұрышына жылжытылған жəне фазалар деп аталатын үш орамында үш ЭҚК ықпалдандырылады, олар өз кезегінде, бір біріне қатысты 2π/3 бұрышына жылжытылған.

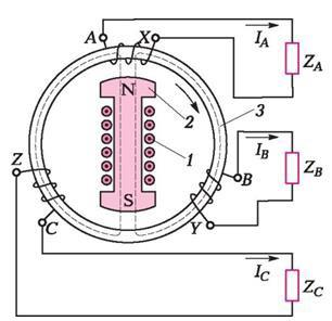
3-1 сурет. Үш фазалы синхронды
генератор:
1 - орам; 2 - ротор; 3 – статор
Үш фазалы синхронды генератор құрылысы сызба түрінде 3.1 суретіндекелтірілген. Статор өзегінің ойықтарында үш бірдей орам орналасқан.Қарапайымдылық үшін, орамдардың əрбірі тек бір айналымнан, яғни, статордың диаметрлік қарама-қарсы ойықтарына салынған екі сымнан тұрады деп санаймыз. Орамдардың əрбіреуінің осы екі сымы статордың артқы жағында бір бірімен жалғанған (3.1 суретінде пунктирмен көрсетілген). Статордың алдыңғы жағында орамдар айналымдары А, В, С (орамдар басы) қысқыштарымен жəне сəйкесінше X, Y, Z (орамдар соңы) қысқыштарымен
аяқталады. Орамдар бастары бір біріне қатысты 2π/3 бұрышқа жылжытылған, сəйкесінше, олардың ұштары да бір біріне қатысты 2π/3 бұрышқа жылжытылған. Статор орамдарындағы ЭҚК олардың айналымдарын қоздыру орамы деп аталатын айналатын ротор орамы бойынша өтетін тұрақты тоқпен қозатын магниттік өріс кесіп өтуі нəтижесінде ықпалдандырылады. Ротор айналуының біркелкі жиілігінде статор айналымдарында жиілігі бірдей, бір біріне қатысты фаза бойынша 2π/3 бұрышына жылжытылған синусоидалық ЭҚК ықпалдандырылады. Синхронды генератор статорында ықпалдандырылатын үш фазалы ЭҚК жүйесі əдетте симметриялы жүйе болып табылады.
Үш фазалы генератор статоры орамдарының электрлі схемаларында шартты түрде 3.2, а суретінде көрсетілгендей ұсынылады. Генератордың əрбір фазасында ЭҚК шартты оң бағыты ретінде орам соңынан басына дейінгі бағытты қабылдайды. Егер фазалық ЭҚК А фазасын нөлге тең бастапқы ретінде қабылдаса, үш фазалы генератордың ЭҚК лездік мəнін (3.2 сур., б) талдамалы түрде келесідей көрсетуге болады:
eA=Em sinωt;
eB= Emsin (ωt - 120°);
eC= Emsin (ωt - 240°).
Симметриялы үш фазалы ЭҚК жүйесі үшін келесі теңдік əділ:
eA + eB + eC = 0 .
Солайша, симметриялы ЭҚК лездік мəндерінің алгебралық сомасы
нөлге тең.
Егер генератор роторы 3.1 суретінде көрсетілген бағытта айналса,
АВС фазалар алмасуының реттілігі пайда болады, яғни, В фазасының ЭҚК фаза бойынша А фазасының ЭҚК-нен жəне С фазасының ЭҚК фаза бойынша В фазасының ЭҚК-нен қалады. Мұндай ЭҚК жүйесін тура реттілік жүйесі деп атайды. Егер генератор роторының айналу бағытынқарама-қарсыға ауыстырса, фазалардың ауысу реттілігі кері болады. Генераторлардың роторлары əрқашан бір бағытта айналады, салдарынан фазалар ауысу реттілігі ешқашан өзгермейді. Іс жүзінде генераторларда əдетте фазалар кезектесуінің тура реттілігі қолданылады. Фазалар кезектесуінің реттілігіне үш фазалы синхронды жəне асинхронды қозғалтқыштар айналуының бағыты байланысты. Қозғалтқыштың кез келген екі фазасын орнымен ауыстырса, фазалар кезектесуінің кері реттілігі туындайды, демек, қозғалтқыш қарама-қарсы бағытта айналады. Фазалар реттілігін сондай-ақ үш фазалы генераторларды параллель қосу кезінде есепке алу қажет. Үш фазалы жүйені алу үшін белгілі түрде энергия көзінің фазалары мен қабылдағыш фазаларын қосу қажет.

3.2-сурет. Үш фазалы жүйе графиктері (а) жəне векторлық диаграммасы (б)

БАҚЫЛАУ СҰРАҚТАРЫ
1. Қарапайым үш фазалы тоқ генераторының құрылымы жəне 120°
тең фаза бойынша жылжуы бар үш бірдей ЭҚК алу қағидасы
қандай?
2. Үш фазалы генератор орамын жалғау схемаларынтүсіндіріңіз.
3. Симметриялы емес жүктемеде бейтарап сымның үзілуі қандай
нəтижеге əкеледі?
4. Тұтынушыларды жалғаудың əр түрлі схемаларында фазалық
жəне сызықтық кернеулер мен тоқтар арасындағы қатынас
қандай?
жүктеу мүмкіндігіне ие боласыз
Бұл материал сайт қолданушысы жариялаған. Материалдың ішінде жазылған барлық ақпаратқа жауапкершілікті жариялаған қолданушы жауап береді. Ұстаз тілегі тек ақпаратты таратуға қолдау көрсетеді. Егер материал сіздің авторлық құқығыңызды бұзған болса немесе басқа да себептермен сайттан өшіру керек деп ойласаңыз осында жазыңыз
Үш фазалы тізбектің белсенді, реактивті жəне толық қуаттылықтары
Үш фазалы тізбектің белсенді, реактивті жəне толық қуаттылықтары
М.ТЫНЫШПАЕВ АТЫНДАҒЫ ҚАЗАҚ КӨЛІК ЖӘНЕ КОММУНИКАЦИЯЛАР АКАДЕМИЯСЫНЫҢ
ШЫМКЕНТ КӨЛІК КОЛЛЕДЖІ
«Автоматика, радиоэлектроника, тасымалдауды ұйымдастыру және жол шаруашылығы» бірлестігі
Даниярова А.М
КМ09 «Электрлік тізбектерінде болатын процесстердің физикалық мәні»
пәнінен дәріс
Мамандық: 10410200–Темір жол көлігінде тасымалдауды ұйымдастыру және қозғалысты басқару
Біліктілік: 3W10410201 4-ші және 5-ші кластардың темір жол стансасының кезекшісі
4S10410205 Тасымалдауды ұйымдастырушы технигі
ШЫМКЕНТ 2023 жыл
Үш фазалы тізбектің белсенді, реактивті жəне толық қуаттылықтары
Үш фазалы жүйелер қазіргі уақытта кеңінен таралған. Үш фазалы тоқта барлық ірі электр станциялары мен тұтынушылар жұмыс істейді. Ол үш фазалы тізбектердің бір фазалылар алдындағы бір қатар артықшылықтарына байланысты, олардың арасындағы маңыздылары:
Электр энергиясын үлкен қашықтықтарға берудің үнемділігі;
Жылжымайтын орамдар арқылы синхронды жəне асинхронды қозғалтқыштар, сондай-ақ, бірқатар басқа электротехникалық құрылғылар жұмысы негізделетін айналмалы магниттік өрісті алу мүмкіндігі;
Симметриялы үш фазалы жүйелердің біркелкілігі.
Ең сенімді жəне үнемді, өнеркəсіптік электрлі жетек талаптарын қанағаттандыратын - қысқа тұйықталған роторы бар асинхронды қозғалтқыш. Үш фазалы тізбектерді əзірлеу дамып келе жатқан өндіріс талаптарымен негізделді, ал көп фазалы жүйелер дамуының табысына физикада электрлі жəне магниттік құбылыстардың ашылуы септігін тигізді.
XIX ғасырдың 80 жылдары екі маңызды ғылыми-техникалық міндетті шешу қажет болды: энергияны алыс қашықтықтарға берудің үнемділігі жəне өнеркəсіптік өндіріс талаптарын қанағаттандыратын сенімді электрлі қозғалтқыш жасау. Көп фазалы жүйелер жасаудың маңызды алғышарты 1888 ж. айналмалы магниттік өріс құбылысын ашу болды. Бірінші электрлі қозғалтқыштар екі фазалы болды. Олардың жұмыс сипаттамалары нашар болған. Ең оңтайлы үш фазалық жүйе болды. Үш фазалы жүйелерді əзірлеуге əр түрлі елдердің ғалымдары мен инженерлері үлес қосты: Н. Тесла, М. Депре, Ч. Бредли, М. О. Доливо- Добровольский. Ең үлкен еңбекті атақты орыс электротехнигі М.О.Доливо-Добровольский сіңірді, ол еңбегіне тəжірибелік сипат беріп, үш фазалы асинхронды қозғалтқыштар, трансформаторлар жасады. Төрт сымды, үш сымды тізбекті əзірледі жəне үш фазалы жүйелердің негізін қалаушы болып есептеледі. Үш фазалы электр тізбектері көп фазалы тізбектердің жеке жағдайы болып табылады. Электр тізбектерінің көп фазалы жүйесі əрбіреуінде ортақ энергия көзімен тудырылатын жəне бір біріне қатысты фаза бойынша бір бұрышқа жылжытылған бір жиілікті
синусоидты ЭҚК əрекет ететін бір фазалық электр тізбектерінің жиынтығы болып табылады. "Фаза" терминін мерзімді үдеріс кезеңін сипаттайтын бұрышты белгілеу, сонымен қатар, көп фазалы тізбекке кіретін бір фазалы тізбекті белгілеу үшін қолданады. Әдетте ЭҚК амплитудалық мəндері бірдей, ал фазалар бір біріне қатысты 2π/m бір бұрышқа жылжытылған симметриялы көп фазалы жүйелер қолданылады, мұндағы M— фазалар саны. Электротехникада жиі екі, үш жəне алты фазалы тізбектер пайдаланылады. Солайша, автоматикада жəне электр өлшеуіш техникада екі фазалы тізбектер, электротехникада үш фазалы жүйелер кеңінен таралған. Үш фазалы тізбектер - бір біріне қатысты фаза бойынша 2π/3 бұрышқа жылжытылған, бір жиілікті синусоидты ЭҚК əрекет ететін үш бір фазалы тізбектер жинағы. Электр энергиясын алыс қашықтықтарға үш фазалы тізбектер арқылы беру бір фазалы
тізбектермен берумен салыстырғанда тиімдірек. Одан басқа, үш фазалы синхронды генераторлар мен қозғалтқыштар, үш фазалы асинхронды қозғалтқыштар мен трансформаторлар өндірісте қарапайым, үнемді жəне пайдалануда сенімді. Үш фазалы жүйелерде тоғы бар өткізгіштерге əсері асинхронды жəне синхронды электрі қозғалтқыштар жұмысы қағидасының негізіне салынған айналмалы магниттік өріс алу жеңіл болып табылады. Үш фазалы тізбектегі электр энергиясының көзі бір біріне қатысты құрылымдық тұрғыдан 2π/3 бұрышына жылжытылған жəне фазалар деп аталатын үш орамында үш ЭҚК ықпалдандырылады, олар өз кезегінде, бір біріне қатысты 2π/3 бұрышына жылжытылған.

3-1 сурет. Үш фазалы синхронды
генератор:
1 - орам; 2 - ротор; 3 – статор
Үш фазалы синхронды генератор құрылысы сызба түрінде 3.1 суретіндекелтірілген. Статор өзегінің ойықтарында үш бірдей орам орналасқан.Қарапайымдылық үшін, орамдардың əрбірі тек бір айналымнан, яғни, статордың диаметрлік қарама-қарсы ойықтарына салынған екі сымнан тұрады деп санаймыз. Орамдардың əрбіреуінің осы екі сымы статордың артқы жағында бір бірімен жалғанған (3.1 суретінде пунктирмен көрсетілген). Статордың алдыңғы жағында орамдар айналымдары А, В, С (орамдар басы) қысқыштарымен жəне сəйкесінше X, Y, Z (орамдар соңы) қысқыштарымен
аяқталады. Орамдар бастары бір біріне қатысты 2π/3 бұрышқа жылжытылған, сəйкесінше, олардың ұштары да бір біріне қатысты 2π/3 бұрышқа жылжытылған. Статор орамдарындағы ЭҚК олардың айналымдарын қоздыру орамы деп аталатын айналатын ротор орамы бойынша өтетін тұрақты тоқпен қозатын магниттік өріс кесіп өтуі нəтижесінде ықпалдандырылады. Ротор айналуының біркелкі жиілігінде статор айналымдарында жиілігі бірдей, бір біріне қатысты фаза бойынша 2π/3 бұрышына жылжытылған синусоидалық ЭҚК ықпалдандырылады. Синхронды генератор статорында ықпалдандырылатын үш фазалы ЭҚК жүйесі əдетте симметриялы жүйе болып табылады.
Үш фазалы генератор статоры орамдарының электрлі схемаларында шартты түрде 3.2, а суретінде көрсетілгендей ұсынылады. Генератордың əрбір фазасында ЭҚК шартты оң бағыты ретінде орам соңынан басына дейінгі бағытты қабылдайды. Егер фазалық ЭҚК А фазасын нөлге тең бастапқы ретінде қабылдаса, үш фазалы генератордың ЭҚК лездік мəнін (3.2 сур., б) талдамалы түрде келесідей көрсетуге болады:
eA=Em sinωt;
eB= Emsin (ωt - 120°);
eC= Emsin (ωt - 240°).
Симметриялы үш фазалы ЭҚК жүйесі үшін келесі теңдік əділ:
eA + eB + eC = 0 .
Солайша, симметриялы ЭҚК лездік мəндерінің алгебралық сомасы
нөлге тең.
Егер генератор роторы 3.1 суретінде көрсетілген бағытта айналса,
АВС фазалар алмасуының реттілігі пайда болады, яғни, В фазасының ЭҚК фаза бойынша А фазасының ЭҚК-нен жəне С фазасының ЭҚК фаза бойынша В фазасының ЭҚК-нен қалады. Мұндай ЭҚК жүйесін тура реттілік жүйесі деп атайды. Егер генератор роторының айналу бағытынқарама-қарсыға ауыстырса, фазалардың ауысу реттілігі кері болады. Генераторлардың роторлары əрқашан бір бағытта айналады, салдарынан фазалар ауысу реттілігі ешқашан өзгермейді. Іс жүзінде генераторларда əдетте фазалар кезектесуінің тура реттілігі қолданылады. Фазалар кезектесуінің реттілігіне үш фазалы синхронды жəне асинхронды қозғалтқыштар айналуының бағыты байланысты. Қозғалтқыштың кез келген екі фазасын орнымен ауыстырса, фазалар кезектесуінің кері реттілігі туындайды, демек, қозғалтқыш қарама-қарсы бағытта айналады. Фазалар реттілігін сондай-ақ үш фазалы генераторларды параллель қосу кезінде есепке алу қажет. Үш фазалы жүйені алу үшін белгілі түрде энергия көзінің фазалары мен қабылдағыш фазаларын қосу қажет.

3.2-сурет. Үш фазалы жүйе графиктері (а) жəне векторлық диаграммасы (б)

БАҚЫЛАУ СҰРАҚТАРЫ
1. Қарапайым үш фазалы тоқ генераторының құрылымы жəне 120°
тең фаза бойынша жылжуы бар үш бірдей ЭҚК алу қағидасы
қандай?
2. Үш фазалы генератор орамын жалғау схемаларынтүсіндіріңіз.
3. Симметриялы емес жүктемеде бейтарап сымның үзілуі қандай
нəтижеге əкеледі?
4. Тұтынушыларды жалғаудың əр түрлі схемаларында фазалық
жəне сызықтық кернеулер мен тоқтар арасындағы қатынас
қандай?
шағым қалдыра аласыз













